Vaddio HE120 Operating Instructions: Connections
Connections: Vaddio HE120 Operating Instructions

Connections
Connections with an HD monitor
HD Integrated Camera
AW-HE120
HDMI signal, HD-SDI signal or HD analog component signal
HD monitor
Wireless remote controller (optional accessory)
Up to four units can be operated using one remote control.
18

Connections
(continued)
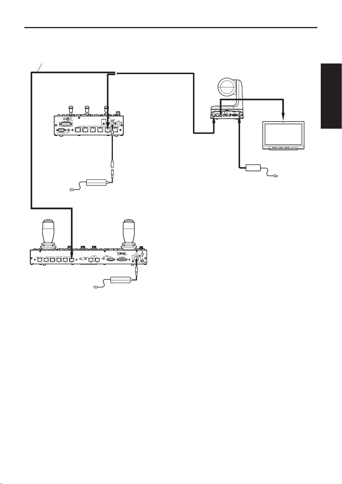
Connections with a controller ( AW-RP655 or AW-RP555)
LAN cable (straight cable)
Pan-tilt head/
camera control signals
HD Integrated Camera
AW-HE120
Multi Hybrid
Control Panel
HDMI/SDI/Analog video signal
AW-RP555
Installation
Instructions
DC cable with ø 5.5 plug
(supplied with the AW-PS550)
Monitor
AC Adapter
Accessory AC adaptor
AW-PS550
Multi-Function Controller
AW-RP655
AC Adapter
AW-PS550
19

Connections
(continued)
System example 1 (Serial control)
HD Integrated Camera
HD Integrated Camera*
AW-HE120
AW-HE120
Accessory
AC adaptor
RS-422
connector
Genlock signal
generator
Pan-tilt head and camera
control signal
(LAN straight cable)
SDI video signal
Monitor 1
Monitor 2
Monitor Monitor
Switcher
System TALLY
Multi-Function Controller
AC Adapter
AW-RP655
AW-PS550
*: The AC adaptor provided with the unit is
not shown in the above figure.
20

Connections
(continued)
System example 2 (IP control)
HD Integrated Camera
HD Integrated Camera*
AW-HE120
AW-HE120
Accessory
AC adaptor
LAN
Installation
Instructions
connector
Genlock signal
generator
SDI video signal
LAN cable
(straight cable)
Monitor 2
Switching hub
Monitor 1
LAN cable
(straight cable)
Monitor Monitor
Accessory
Compact Live Switcher
AC adaptor
AW-HS50
Accessory
Remote Camera Controller
AC adaptor
AW-RP50
*: The AC adaptor provided with the unit is
not shown in the above figure.
21
Оглавление
- Operating Instructions
- Contents
- Read this first!
- Installation precautions
- How to install and connect the unit
- Changing the direction of the nameplate
- Removing the camera
- Stand-alone installation (when the mount bracket is going to be used)
- Stand-alone installation (when the mount bracket is not going to be used)
- Connections
- Appearance
- Read this first! (For AW-HE120WP, AW-HE120KP)
- Read this first! (For AW-HE120WE, AW-HE120KE)
- Caution for AC Mains Lead
- Before use
- Characteristics
- Controller supported
- Operating precautions
- Concerning the wireless remote control (optional accessory)
- Parts and their functions
- Setting the remote control IDs
- Network settings
- Troubleshooting
- Specifications
- Index

