Stiebel Eltron DHB-E 13 SL: A
A: Stiebel Eltron DHB-E 13 SL
INSTALACE
PRVNÍ UVEDENÍ DO PROVOZU
11. Prvni uvedeni do provozu
A
Ohrozem zivota elektrickyin proudem)
Prvotni uvedeni do provozu smj provést pouze odborny
instalatér pri dodrzeni bezpecnoslnich pfedpísú!
V
odbèrnych
mistech.
Dèlejte
to tak dlouho. dokud nedojde
k odvzdulneni rozvodné s'ite a pristrofe.
»
Aklivujte
bezpecncstniomezovactiaku.
Ktomu
musite
stisknout
tlaatko
Funkce
Reset.
PrÌstroj
je
dodàn
s
deaktivovanym
bezpecnostním omezovacem tlaku.
»Pnpojte
konektor
regulàtoru
teplotyk
elektronkkému
systému
^T-soir
(T
pozadovanà).
Prìtom
pamatujte.
ze
nesmi
dojit
k zaiomeni tèsnidho prvku na spodnT casti zadni stèny a pfi
montnzi vika prislroje musibyt spodnidii oviadnce utésnen,
» Narri ontujte vfko pristroje a upevnete je sroubem.
»Prìpojtesit'cvé elekirkké napájení.
» Proved'te knlibrnci teploty. Pritom ctocte regulàtorteploty az na
doraz deprava a doleva.
oZkontrdujtefunkci pfistroje.
»Z displeje cvladnce odstrnnte ochrannou fólii.
12. Preda ni pristroje
»Vysvetlete
uzivateli
funkci
pristreje
n
seznamte
jei
s
j e h o
pauzitim.
oUpozornete uzìvatele na mozná rìzìka. predevsim na nebezpeci
opnrenl
»Predejte uzivateli tento navod kpeclivému uschcvání.
122 iOHB-E ... SiL eLectronic
vrww.stiebeL-eltron.com
INSTALACE
ODSTRAfÌOVANÌ ZAVAD
13. Odstranovàni zàvad
A
Ohrozeni zìvota elektrickym proudem!
Pokud
chcete
prové$t
kontrolu
pristroje,
musi
byt
pripojeno napèti.
13.1 Varianty hlàseni na diagnosiìckych konirolkach LED
Varianty hlà§«ni
r
cervenn
sviti pri parusp
o
o
zlutA
zelenà
sviti V topn«m i«zimu
blikà: pristroj ]« phpojen k siti
13.2 Tabulka zàvad
Porucha
/
stav
diagnostické
kontroLky
LÉD*
PflCIna
Odstranéni
Prislroj
miiipUii.
'in
sprchovLii hlavid nebo v perlalorach se usddil vodrii
kamen.
Ddslrarile vodril karrieri nebo vyrnènle sprchovdci
h la vici neho porlalory.
Prùtok io prilis nizkv.
Sitkov pristroii io znodstónò.
Odstótc sìlko.
Nel^« dosdhriovl poZadovarié leploly.
Vypadek fedrié ia^e.
Zkonlrolujle pojislky vdoniovni Insidiali.
Ghrev se na7apTnà.
Ziinrenì ro7po7nala vovode vyssì obsiih v7dijchu a na
c hvil i vvp nu 1
0
to pnv vvko n.
PTistroj 50 7a mimi tu opot7apne.
O
o
Zadrib lapla vada, konlrolky nasvili.
Vypiiuly pojislky.
Zkorilrolujle pojislky vdoniovrii Insidiali.
B«7ppcnostni ome7oviic tlakii AP 3 provedl vypnijtT.
Ddstri-nt«! pricinij 7àvady (napnkUd defektni tla*
kovò proplachovao zarizonil.
Chrdhl« sv^lérri ohrevu pred p7«h7ÌMamrn liin. ria
¡Hnij minutij atpvrpt«! ventil vodbSrnèm mista ?a
pristiojcm. ZtopiKlìo systcmu uk butk vypuskn
Hall il dojd« k och la ¿e ni._______________________
Aktivijjtp b«7pr>cnostnì om«!70vac tlaku stisknutim
tlacitka b
02
p«cn ostri ilio omo
2
ov&c< tlaku, viz ka pi
lo la .Prvni uM«d«rn do provoiv".
Za va da oloktronickóho systému.
Zkontrolijjte elekironikij. pnpadne proved'le
vvmcnu.
Pri prùloku > i l.'rriiri. neniZddrii: lepla vada.
Kontrolky:
Z ava da eleklroriického sysléiriu.
Zkonlrolujle eleklroniku. pripadne proved'le
vvmenij.
o
Blìké nebo svili zcknJ
Snimac prùtoku DFE ncni prìpoion.
Pripoito konoktor snimaèc prùtoku.
Siiirriac prùloku UFE je vadiiy.
Zkonlrolujle snirridc prùloku. pnpadne jej Myrneiile.
Pri prijlokij ^
ì
l/min. nonÌ7à(lna topla vada.
Kontrolky:
Byl aktWovan nebo be7pocnostni ome7ovac teplaty STB
nobo (loslo k prorusoni.
Zkontrolijjte be7pecnostn1 ame70vac teploty.
Drioatlnc ioi vvmòntc.
w
o
¿luta svili, ¿alena bllkd
Topriy syslérn je vadny.
Zniérle odpor lopiieha sysiérriu. pripudrie provedle
vymenij.
Z iva (la oloktronkkòho systemu.
Zkontrolujto olokironiku, pripadne provod'ie
vyinenu.
#
Nelece tepla voda
Kontrolky:
TepIota p r i è n é stiidené vody je vylsi ne? 3S "C.
Sni7te teplotii stiidené vody. pTivàdenè do pristroje.
>-
bZ
cr)
UJ
o
Cervina svili, ¿alerid blilia
Sriirriac sluderié vody ¡a Madiiy.
Zkonlrolujla alaklroniku. pripadne provad'la
vymftnij.
www.stiebeL-eltron.com
DHB-E ... SU electronic 1123
INSTALACE
TECHNICKÉ ÛDAJE
1<». Technické ûdaje
Kótovany vykres
1
Pripojka teplé vody se sroubenîm
2
Pripojka studené vody se sroubentm (Bcestné uzavirani)
3
Spodni pripojka elektrické energie
l<*.2 Schéma elektrického zapojeni
Schéma elektrkkéhc zapojeni
Ш , ü
j-y ,- J
I 'y
2^
Jy iv .
3/PE-400V
1= ohfev
2
» bezpecnostnî omezovac teploty
3 » bezpecnûstni omezovac tiaku
lfr.2.1 MnozstvÎ smîsené vody
Z mie uvedené tabulkyje zTejmé mnozstvismisenévody. Symboly
pouzité ve vzcrci maji nàsledujicî vyznam:
TÎ’. = teplota privâdéné studené vody
= teplota smîsené vcdy
d’. = vystupni teplota
Pouzîvané teploty:
-ve sprse, к myti rukou, napousténivany... (-ЗВ^С).
-V kuchynském drezu a pri pouziti armatur s termostatem
(- 60‘■C),
t) •
3i'C
llcplolâ sniTScnèvody)
kW II
a. ii'rnin
13.5
10
21
24
27
C"C 5.D
0.1
s.o
9.ii
10.7
12.1
10 "C 5.7
6.9
9.2
10.7
12.3
13.0
^"C 6.6
0.1
10.7
12.5
14.5
16.1
0. - бОЧ Ivÿblupni Icplolâl
kW 11
13.5
10
21
24
27
d.
Ii'rnin
6"C 2.9
3.6
il .a
5.С
C.4
7.2
10 "C 3.2
3.9
5.2
6.0
C.9
7.7
^"C 3.^
5.6
6.5
7.5
a.4
Tabulkové
hodnoty
jsou
vztazeny
nn
jmenovité
napeti
40DV.
Vystupni
mnozstvi
znvisi
na
vslupnim
tiaku
a
na
skulecném
napeti.
l<».3 PûtvrzenÎ
a
osvèdceni platnà
v
jednotlivych
zemich
14.3.1
Nêmeckor
STIEggEURON
Pro pfûtôkové ohfivace typové rady DHB-E... SU / SL electfonk je
Z dûvodu zemskÿch stavebnich radû pedana zâdost о osvêdceni
O kontrole stavebniho dozoru jako potvrzeni о pouzitelnosti v
ûblasti hlucnosti.
IkA
Oblastpouzitï
ObLasti pouziti
Üdvtj
Spi'uriikÿclcklrkky odpor J spcuiickj clcklmkâ
vodivost
Ùda ' ion e погту
prò 154
prò 20 "C
prò 25*C
Od рог
Otm
> 9D0
> 800
S 735
Vodivost
mS/m
s 111
s 125
i
116
Vodivost
|jS.'cm
<
Ilio
<
USO
é
131-0
124 I DHB-E ... SiL eLectronic
v/ww.stiebeL-eltron.com
INSTALACE
TECHNICKÉ ÛDAJE
14.5 Extrémni provozni pofiminky a podminky
V pripadè poruchy
Müb byt dosazertû provozni teplota ai maximàlnê 60 ‘'C. V pripadë
poruchy
vinstalaci
mùze
krâtkodobevzniknout
zatîzeni
maximàlnê
95 pri tiaku 1,2 MPa.
14.6 Technické ûdaje
liodeL
Elektronicky rizenÿ prûtokovÿ oh ri va c
Typ
0HB-E11 SLi
OHB-E 13 SL
□HB-E ISSU 25 A
OHB-E 18У21 <24 SLi
□HB-E 27 SLi
L'IcUronk
cll'Clronil
c Ici Ironie
L'IcClronil
clcilronk
Oojednao cislo
227А85
2271dl
227986
2274Ü7
227488
Provo Z ni ùdaje
J m en ovlly vy kon & ÛO V
kw
11
13.S
18
18
21 24
27
3ÔDV
kW
1D.1
12.2
1C.2
16.2
19 21.7
24.4
J men ovlly proud lOü V
Л
16
19.5
26
29
Î1 35
39
3AÛV
A
is.a
ia,s
29.7
27.6
29,9 33.3
37.1
libléni
A
16
20
2S
32
32 3S
40
Prepinanivvkonu
ne
ne
ne
ano
ano ano
ne
Elektrkké pripojem
3/PE • зяо-aoûv
3/PE - 380-400 V
3/PE - 380 - AOO V
3<PE - 380-400 V- 50 H?
3/PE • ЗАО - 400 V
sa Hi
50 Hi
SQ Hi
SO Hi
Imenovitv obsah
1
0Л
Druh ko nsi r иксе
¿ат'па
Imenovitv pretlak
MPa
1
Ro7sah nastavenvch teplot
- 30 - <50
Tlï.kové ¿IriUy* pri pouiilT
omerovace pnjtakii
MPa
>
l/min
D.D7/3.1
0.11 ; 3.9
o.ae;s
.2
0.08/5.2
0.10/6.0 0,13/6,9
0.16/7.7
TIakovè ztràiy* bcz pouziil
orneco>/<iî« ürùlokv
MPa
!
l/min
0.02/3.1
0.03 ; 3.9
0.06 / S.2
0.06/5.2
0.08/6.0 0,10/6.5
0.12 / 7.7
Omezovac
IMn
<1.0
9.0
7.5
7.5
7,5 8,5
8.5
prijtokij
Barva
rùrovft
nj70va
modra
modré
modrâ relené
7elenà
Teplota privàdênè stud en é vodv
“C
<25
Kontiolnl symbol
х1г tvpovy itk«k
Ce rtUi к ace/o&vid ce nÎ
Krylî podic EN b0335
MÎ7 kr.pitolr. „PoIvrrenT я osvedcenT р1я1пя v jednotlivÿch 7emkh~
1
Kryil poclle EN 60529
Topnÿ&j^stém
5
holoii spiràloii
Qolaal pou2?l1______________
IP
75,
ochrana pre<! vo<!nim paprskem <IP
za
v
pïïpade elektroinsuiace proveclené n& z<!i)
$ûû Dcm
[vb
kapitole „Oblast роили")
Moda s оЬьа
1
|
1
*т vodnîho kamcnc, voda ь nùkym obaahcm vodniho kamcnc_______________
Piutok PO zapnutl
IMn
г
3,d
Rozmêry
a
hmotnosti
Roymery V xS x H________
rnm U R x 2 2 S x 1 i a
Hmatnost
is
ZM.
>■
Ш
Vodovodnî pnppjk_a_
_6_Vj_A_(vne j sj_7 ft v|t)_
* Hûdnoty pro 400 V. Hûdnoty protlakovou ztrâtu tiaku jsou platné
pro minimàlnî hydrnulickÿ tink podle DIN 44S51 / prùtokpri ohrevu
Z 10 na 60 *^0 (¿d 50 K|. V «ouladu s DIN 1988 cast 3, tabulka
4.
je doporucena pro dimenzovanî vcdûvodni site ztràta tiaku
0.1 MPa.
www.stiebeL-eltron.com
DHB-E ...SU electronic 1125
ZÄKAZNICK? SERVIS A ZARUKA I ZlVOTNl PROSTREDI A RECYKLAC
Zärucni podminky
U platncvanl na roku na poskytn utT zaruky je mozne pouze v zemi,
kde byl pristro] zakcupen. Obrat'te se proslm na prislusne zas*
toupeni iirmy Stiebäl Eltron nabe na dovozee.
A
Montaz» elektroinstalaci, udrzbu a pruni uvedeni do
provozu smi prouädet pouze kvalifikovany odbornik.
Vyrobee nerucTzapristrojeposkozenevlivemnedodrzeni
! \ pokynu pro montaz a provoz uvedenyeh u prislusnefn
montaznim a provoznim nävodu.
Ekologie a recyklace
Zaüame vas, abyste nam byli napomoeni pri ochrane zivotniho
prostredi. Proto odstrante cbal
v
souladu s platnymi statnTmi
pfadpisy pro zpracovani odpadu.
126 I t>HB-E ... SLi electronic
v/ww.stiebeL-eltron.com
POZNÂMKY
>-
Ш
KJ
www.stiebeL-eltron.com
DHB-E ... SLi electronic 1127
ЭКСПЛУАТАЦИЯ
ОБЩИЕ УКАЗАНИЯ
ЭКСПЛУАТАЦИЯ____
1. Общие указания ___
1.1 Пояснение символов.
2. Безопасность____
2.1 П ред назначен и е_
2.2 Указания по технике безопасности_
2.3 Маркировка СЕ (Европейского Союза)
3. Описание прибора______________
4.
Эксплуатация
4.1 Ручка регулирования температуры_
4.2 Значения объёма на выходе
4.3 Термостатическая арматура
4.4 Ограничение температуры / защита от
обваривания___________________
5.
Очистка, уход и техобслуживание______
6.
Что делать, если...
8.1 ...прервалась подача воды_______
6.2 ...возникают неисправности прибора _
МОНТАЖ_________________________
7. Безопасность
7.1 Общие указания по технике безопасности_131
128
J28
128
_129
_129
_129
129
129
_129
_129
129
129
_129
129
_130
_130
_130
131
131
1. Общие указания
7.2 Предписания^ нормы и положения__
7.3 Монтаж трубопроводов подачи воды
7.4 Опасность замерзания_________
8. Описание прибора_____________
8.1 Объём поставки_______________
8.2 Монтаж ______________________
8.3 Ограничение температуры / защита от
ошпаривания
8.4 Варианты монтажа ______________
8.5 Специальные принадлежности
9. Монтаж
9.1 Указания по монтажу______
10. Монтаж__________________
10.1 Место монтажа.
10.2 Монтаж_____
10.3 Варианты монтажа
11. Первоначальный пуск в эксплуатации)
12. Передача прибора другому владельцу
13. Устранение неисправностей_________
13.1 Варианты индикации диагностических
светодиодов,
13.2Таблица неисправностей_________
14. Технические данные____________
14.1
Чертёж с размерами__________
14.2Схема электрических соединений__
14.3 Разрешения / сертификаты для страны
эксплуатации ..
14.40бпасть применения_____________
.131
131
131
.132
.132
.132
132
.132
132
.133
133
.134
.134
.134
137
141
141
.142
,142
142
.143
_143
_143
143
143
14.5Экстремальные условия эксплуатации и
неисправностей__________________
14.бТехнические данные______________
СЕРВИСНАЯ СЛУЖБА И ГАРАНТИЯ _
ОКРУЖАЮЩАЯ СРЕДА И ВТОРИЧНАЯ
ПЕРЕРАБОТКА __________________
_144
.144
145
145
Раздел Эксплуатация предназначен для пользователя и
специалиста.
Ра^ел Монтаж предназначен для специалиста.
Прочтите!
Перед эксплуатацией внимательно прочтите
настоящее руководство и сохраните его. В случае
передачи прибора другому владельцу также
передайте ему это руководство.
1.1
Пояснение СИМВОЛОВ
Б настоящей документации испопь:^к}тся символы и пометы. Они
имеют следующее значение:
1.1.1 Символы в настоящей документации
Опасно для жизни: возможен удар током!
Опасность травм!
Указание на возможность получения травм монтером
или пользователем и на возможность повреждения
прибора!
А
Опасность обваривания!
Опасность повреждения!
Указание на опасную ситуацию, которая может
возникнуть во время монтажа или работы прибора
и привести кповреждению прибора либо нанесению
урона окружающей среде ипи материального
ущерба.
• I Прочтите!
11 Внимательно прочтите этот раздел.
)> Фрагменты, отмеченные символом
кщ
содержат пошаговое
описание необходимых действий.
- Фрагменты, отмеченные символом
содержат перечни.
1.1.2 Символы на приборе
Утилизация!
Приборы сэтой маркировкой следуетутилизировать
не с прочим мусором, а отдельно.
128 I DHB-E ... SLi electronic
v/wv/.stie be L-e ltron.ru
ЭКСПЛУАТАЦИЯ
БЕЗОПАСНОСТЬ
2. Безопасность
2.1
Предназначение
Настоящий прибор является работающим под/^авленнем прибором
для нагрева холодной воды согласно стандарту ÛIN l98d. С его
помощьн} можно обслу:(<ивать несколько мест отбора.
Использование в иных целях считается использованием не по
назначению. Понятие аиспользованне по назначению» также
подразумевает выполнение указаний,приводимых в зтом
руководстве. При внесении изменений либо переоборудовании
прибора гарантия аннулируется!
2.2
Указания по технике безопасности
Соблюдайте следующие указания по технике безопасности и
положения.
Монтаж и первоначальный пуск в зксллуатзцию настоящего прибора
должен осуществляться только специалистом-наладчиком.
Этот специалист-наладчик несёт ответственность за соблюдение
действующих положений во время монтажа первоначального пуска
в зксплуатацию.
К эксплуатации допускается только полностью смонтированный
прибор со всеми предохранительными устройствами.
Опасность обвариваиия!
Если температура на выходе превышает
AVO,
возникает опасность ошпаривания.
Опасность травм!
Если прибором пользуются дети или лица с
ограниченными физическими, сенсорными или
умственными возможностями, убедитесь, что это
происходит только под присмотром либо после
соответствующего инструктажа, проводимого
лицом, отвечающим за их безопасность.
Присматривайте за детьми, чтобы убедиться, что
они не играют с прибором!
Опасность повреждения!
После прерывания подачи воды эксплуатировать
прибор нельзя. Возможно разрушение системы
отопления о неизолированной проводкой.
Возобновлять эксплуатацию прибора можно только
после пропускания через него воды в течение
минимум одной минуты (раздел аЧто делать,
если...»).
2.3
Маркировка СЕ{Европейского Союза)
Маркировка С£подтверждает, что прибор отвечает всем основным
требованиям;
- Директива об электромагнитной совместимости (Директива
2004.'10в^'Ееропейский Совет)
- Директива по приборам низкого напряжения (Директива
2006У95/Европейский Совет)
А
3. Описание прибора
Прибор нагревает воду, протекающую через него. Температура
горячей воды на выходе плавно регулируется с помощью
ручки регулирования температуры. Начиная с определённого
значения расхода, устройство управления задаёт требуемую
теплопроизводитепьность в зависимости от заданной температуры
и температуры холодной воды.
Прибор оснащён устройством обнаружения воздуха, которое во
многом предотвращает повреждение системы отопления. Если во
время эксплуатации системы отопления в нее попадает воздух,
прибор автоматически отключает мощность на одну минуту для
защиты системы отопления.
4.
Эксплуатация
4.1 Ручка регулирования температуры
1 около 30"С
7 около бО^С
Ручка регулированиятемпературы позволяетплавноотрегулировать
требуемую температуру.
Если приоткрытом клапане в месте отбора и максимальном значении
температуры (крайнее правое положение к7» ручки регулирования
температуры) не достигается достаточная температура на выходе,
то через прибор протекает больше воды, чем радиатор может
нагреть.
»Уменьшите значение расхода на клапане в месте отбора.
4.2
Значения объёма на выходе
При разной температуре холодной воды (в зависимости от времени
года) получается разный максимальный объём смешиваемой воды
либо воды на выходе. Подробнееоб этом см. в разделе «Технические
данные».
4.3
Термостатическая арматура
Рекомендуем установить на приборе максимальную температуру
(крайнее правое положение «7» ручки регулирования
температуры).
>2
4.4
Ограничение температуры / здщvттa ОТ
§
обвариваиия
3
Максимальную температуру на выходе можно ограничить 43Х. а
Обратитесь с этим вопросом к слециалисту-наладчику.
5. Очистка, уход и техобслуживание
» Не используйте чистящие средства и растворт’ели! Для ухода за
прибором и его очистки достаточно влажной тряпки.
Работы по техобслуживанию, например, проверка безопасности
алектричес
1
Юй части, должны выполняться только специалистом.
www.stiebeL-eltron.ru
ОНВ-Е ... SLi eLectronic 1129
ЭКСПЛУАТАЦИЯ
ЧТО ДЕЛАТЬ, ЕСЛИ...
6. Что делать, если...
6.1
.,
А
.прервалась подача воды
Опасность повреждения!
Вслучае прерывания подачи веды перед повторным
вводом прибора в эксплуатациюследует выполнить
следующие действия.
Выкрутите предохранители либо выключите их.
» Откройте клапан в месте отбора, установленный после прибора,
и дер}М
1
ге его открытым.пока из прибора и трубопровода подачи
хоподной воды не выйдет весь воздух.
Снова вкрутите либо включите добавочные пр^хранители.
6.2 ...возникают неисправности
Н.)иЛ1:><)вн1)С1ь
Причин^
Пэиборпе
Не подано па тояжаме.
вклю'ватся. хотя
клапан гоэячей зоды ______________________
пот костью открыт.
Бо отбора
ГООЙЧЙЙ »>ды
краткооремен о
течет холодная вода.
На достигается значечка
лб'ьЗмй при
3<ЛОЧ&нИН.
Обыавестотенне ити
зйгрймйн.ю йярйтпрй
или насад (И душа.
Неиспрагка система
йгоппечия-___________
Усгройсгзо обкару:ш:-шя
впйдухй обнй:>'^<х(ией&т
ооздух о зада и
кратко зоеменно
огкп -зчает радлатор.
прибора
С|||)С1)буС|рйнании
» Прооерьте
прадохранлтетйв
элепр/меской сети дома.
Очистите аэратоо или
нйСйдну душй и / или
удалите с них известь.
^ Обратитесь к
СПЙЦ.
1
ЙТИ
1
Лу.
Через од чу минуту
пр.-10ор СЙМООГОЯТ&ЛЬНО
оазобновпяет работу.
Если устранить проблему не удаётся, обратитесь к
специалисту. Чтобы он мог быстрее и лучше оказать помощь,
сообщите ему номер, указанный на заводской табличке
(№000000-0000-000000):
130 |[)HB-E...SL^electгoпic
угиу/.stiebeL-eltron.ru
МОНТАЖ
БЕЗОПАСНОСТЬ
7. Безопасность
7.1
Общие указания по технике безопасности
Все необходимые действия вплоть до окончания первоначального
ввода в эксплуатацию должны выполняться специалистом-
наладчиком. Также необходимо следовать настоящему руководству
по монтажу.
Изготовитель гарантирует беслеребойную работу и безоласность
эксплуатации прибора только в случае использования оригинальных
принадлежностей и запчастей.
7.2
Предписания,нормы
И
положения
А
А
А
А
Опасность повреждения!
Рукоеодствуйтесь данными,указанными на
заводской табличке. Напряжение сети питания
должно соответствовать напряжении),указанному
на табличке.
Опасно для жизни: возможен удар током!
Все работы по монтажу электрических соединений
должны выполняться согласно положениям союза
влекгрстехиикоБ Германии (DIN VDE 0100), нормам
предприятмя зиоргосиабжоиия и ссотватотвующим
национальным и региональным нормам.
Опасно для жизни: возможен удар током!
Возможно только постоянное подключение к сети
шгтания. Необходимо предусмотреть возможность
размыкания всех полюсов прибора от сети на
расстояние минимум 3 мм.
Опасность повреждения!
При подводе воды соблюдайте все национальные и
региональные предписания и положения (например,
0IN1Ш в Германии).
- Класс защиты 1Р 25 (с защитой от рабочей воды)
обеспечивается только при правильном монтаже насад|>и
кабеля.
- Удельное электрическое сопротивление воды не должно
быть меньше значения, указанного на заводской табличке!
В композитной водопроводной сети следует учитывать
наименьшее электрическое сопротивление воды (см.
раздел «Области применения»). Удельное электрическое
сопротивление либо электрическую проводимость воды можно
узнать у предприятия водоснабжения.
7.3
Монтаж трубопроводов подачи воды
7.3.1 Трубол ро вод холодной воды
Изготовителем разрешается использование стальных, медных или
пластмассовых труб.
7.3.2 Трубопровод горячей воды
Изготовителем разрешается использование медных или
пластмассовых труб.
Опасность повреждения!
При использовании пластмассовых труб учитываГле
наиболее экстремальные условия эксплуатации и
ситуации возникновения неисправностей прибора.
• I Изготовитель пластмассовых труб.
^ I Обратите внимание на информацию изготовителя
пластмассовых труб.
- Установка предохранительных клапанов в линии горячен воды
проточного водонагревателя недопустима.
- Работа с предварительно нагретой водой запрещена!
- Работа с арматурой, предназначенной для открытых приборов,
запрещена!
7.4
Опасность замерзания
Прибор разрешается устанавливать только в помещениях.
температура которых не опускается ниже нуля.
» Не допускайте замораживания разобранного прибора при
хранении. В приборе находятся остатки воды, которые при
замерзании могут повредить его.
О
О
>
Û.
www.stiebeL-eltron.ru
DHB-E... SÜ electronic I 131
МОНТАЖ
ОПИСАНИЕ ПРИБОРА
8. Описание прибора
Система отопления с неизолнроааиными проводами подходит для
воды с малым и большим содержанием извести. Нагревательный
элемент нечувствителен к обызвествлению.
Температура на выходе плавно регулируется. 0 помощью
эпе
1
П’ронного устройства управления автоматически регулируется
электрическая мощность в за»
1
снмости от выбранной темлературы
и расхода воды.
8.1
Объём поставки
- Планка для подвешивания
- Монтажный шаблон
- Двойной ниплель
- Крестовина
- Тройник
- Плоские уплотнения
- Фильтр
- Ограничитель расхода
- Пластмассовая фасонная шайба
- Пластмассовая крышка
- Пластмассовые соединительные муфты
- Направляющие детали крышки и задней панели
8.2
Монтаж
На эзводе-изготовителе прибор подготовлен для следующих
условий;
- Подключение к электросети внизу, сбытая лроводка
- Подвод воды скрытый
Прибор устанзвпивзется вертикально под раковиной или над ней
на прочной стене.
$.3 Ограничение температуры / защита от
ошпаривания
Максимальное ограничение температуры, осуществляемое с
помощью пульта управления в крышке прибора, составляет
Для этого нужно выполнить следующие действия:
Снимите крышку прибора.
Выньте вставленную электронную плату из пульта управпенш в
крышке прибора. При этом обратите внимание на фиксирующие
крючья.
Сместите разъём слева направо (положение «43^’С:)).
)> Скова установите пульт управления. Фиксирующие крючья должны
войти в зацепление. Следите за положением кнопки и оси.
8.4
Варианты монтажа
Возможны и допустимы следующие варианты монтажа;
- Подключение к электросети вверху,скрытая проводка
- Подключение к эпе
1
гтросети. открытая проводка
- Подвод воды открытый
- Монтаж с повёрнутой крышкой прибора
- Монтаж лри смещении облицовочной плитки
- Установка реле сброса нагрузки
8.5
Специальные принадлежности
8.5.1 Напорная арматура е двумя ручками
- УУКМО • арматура для кухни, номер для заказа 222437
- УУВМО • арматура для ванной, номер для заказа 222438
8.5.2 Принадлежности для монтажа
- омплект труб для монтажа под раковиной,
номер для заказа 070565,
подсоединение: открытая прокладка труб, 6 3/8,
вверху.
- Комплект пробок (2 шт.) С
Уг..
номер для заказа 074326.
Эти пробки нужны при ислользовзиии напорной арматуры
сторонних производителей.
3.5.3 Наборы для монтажа с открытой проводкой
- Припаиваемое резьбовое соединение для медных труб,
номер для заказа 074019. Состоит из 2 пробок 6 У? и 2 накидных
гаек
Уг
с за
1
шадной деталью для паяного соединения
0
12 мм.
- Обжимные фитинги для медных труб, номер для
заказа 222380. Состоят из
2 пробок 6 и 2 обжимных фитингов >
2
" х 15 мм с
уплотнениями.
- Обжимные фитинги для пластмассовых труб, номер для
заказа 222381. Состоят из 2 пробок О Уг и 2 о15жимных фитингов
X16 мм (У1еда; 8зп11х-Р1и$ или 8зп5х-Ро$1а) с уплотнениями.
8.5.4 Универсальная монтажная рама
Номер для заказа 220291. Состоит из монтажной рамы с
электропроводкой. При использовании этого комплекта между
задней панелью прибора и стеной, на которой осуществляется
монтаж, образуется зазор 30 мм. Это пространство позволяет
выполнить скрытую прокладку кабеля для подключения к сети в
любом месте сзади прибора. Глубина прибора увеличивается на
132 I ОН В-Е ... 81Ь electгoгтic
и
и
м
. 5 Тле Ье I- е Лго п. ги
МОНТАЖ
МОНТАЖ
30 мм. При использовании этого комплекта класс защиты изменяется
на 1Р 24 (защита от рабочей воды).
3.5.5 Комплт труб для монтажа со смещением
Номер для заказа 220290. Состоит из универсальной монтажной
рамы (техническое олисание см. номер для заказа 220291) и
колен труб для вертикального смещения прибора на $0 мм вниз
относительно места подвода воды.
3.5.6 Комплект труб для замены газового водонагревателя
Номер для заказа 220510. Состоит из универсальной монтажной
рамы (техническоеописание см. номер для заша220291)колен труб
для монтажа лри наличии соединений газового водонагревателя
(лодсоединение трубопровода холодной воды слева, горячей
• слрава).
3.5.7 Набор труб для замены приборов ОНБ
Номер для заказа 169376. Состоит из 2-х вставных муфт. Сих
помощью можно лодключить лрибор к штекерным разъёглам
прибора ОНВ.
3.5.3 Реле сброса нагрузки LR 1«А
Номер для заказа 001736. Реле сброса нагрузки позволяет
работать,например, с нагреватепями с промежуточными
резервуарами. Благодаря реле сброса нагрузки проточный
нагреватель имеет приоритет леред другим прибором.
9. Монтаж
9.1
Указания по монтажу
9.1.1 Гидравлическое давление
Если значение расхода, нужное для включения лрибора. не
достигается даже при полностью открытой арматуре, нужно сиять
ограничитель расхода. Его нухе^озаменитьпластмаосовон фасонной
шайбой, входящей в комплект поставки. Но лри необходимости
также можно повысить давление в трубопроводе подачи воды.
« I Термостатическая арматура.
Для нормальной работы термостатической
арматуры ограничитель расхода нельзя заменять
пластмассовой фасонной шайбой!
Установка ограничителя расхода или пластмассовой
фасонной шайбы
1
Ограничитель расхода
2 Пластмассовая фасонная шайба
912 Гибкие трубопроводы подачи воды
При подключении прибора с помощью гибких трубопроводов для
подачи воды не допускайте перекручивания байонетных соединений
колен труб в приборе.
9.1.3 Прибор с переключаемой потребляемой мощностью
Прибор ПНБ-Е 1Ш21У24 при поставке установлен на 21 кВт.
При монтаже прибора с другой мощностью следует выполнить
следующие действия;
» Переставьте кодирующий разъём в соответствии с выбранной
мощностью. Выбираемая мощность и предохранитель прибора
указаны в раз.г№пе «Технические данные».
» Крестом отметьте выбранную мощность на заводской табличке.
Для этого используйте карандаш, пригодный для составления
документов.
»Установите ограничитель расхода, соответствующий мощности
лрибора. Цвет ограничителя расхода указан в таблице
«Техниче сж ие данн ые».
О
О
>
а
www.stiebeL-eltron.ru
[>НВ-Е ... SLi electronic 1133
МОНТАЖ
МОНТАЖ
10. Монтаж
10.1 Место монтажа
Прибор предназначен только для иеподви)
1
№ого монтажа на стене.
Стена должна иметь достаточную несущую способность.
Монтаж прибора осуществляется только в вертикальном полом^нии
(над или лод раковиной) в помещении,где температура неолускается
ниже нуля.
10.1.1 Под раковиной
Монтаж под раковиной
1
Подвод холодной воды
2
Выход горячей воды
10.1.2 Над раковиной
1
Подвод холодной воды
2
Выход горячей воды
10.2 Монтаж
10.2.1 Открывание прибора
Открывание прибора
При
поставке
пульт
управления
в
некоторых
случаях отделяется листом картона для защиты от
соприкосновения. Перед монтажом прибора этот лист
картона нужно вынуть.
10.2.2Отсоединенне задней панели
Нажмите на фиксирующие крюки справа и слева и выньте нижнюю
часть по направлению вперед.
10.2.3 Монтаж планки для подвешиван^1Я
Разметьте места для сверления отверстий с помощью монтажного
шаблона. При монтаже прибора с открытой прокладкой
трубопроводов таюкеследует разметить отверстие для крепления,
расположенное в нижней части шаблона.
Просверлите отверстия и закрепите планку для подвешивания с
помощью 2 пробок и 2 винтов. Винты и пробки не входят в объём
поставки.
13^ I РНВ-Е ... S^L electгoп^c
м
и
м
. 51ле Ье I- е Лго п. ги
МОНТАЖ
МОНТАЖ
» Пол^отовьте кабель ДЛЯ пол^лючения кэлектросе
1
и.
» Б качестве принадлежностей для монтажных работ используйте
лпзстмзссовую крышку.
10.2.5 Вкручивание двойного ниппеля
Герметизация и вкручивание двойного ниппеля
10.2.6 Подготовка трубопровода подачи воды
» Накрутите тройник и крестовину (каждый из фитингов • с одним
плоским уплотнением) на двойной ниппель.
» Тщательно промойте трубопровод подачи холодной воды.
10.2.7 Установка фильтра
» Фильтр, входящий в комплект поставки, устанавливается в
трубопровод подачи холодной воды.
Фильтр
Для работы прибора фильтр всегда должен быть
установлен. При монтаже с заменой прибора следует
обратить внимание на наличие фильтра.
Установка фильтра
10.2.6 Установка ограничителя расхода ОМВ
» Вставьте ограничитель расхода, входящий в комплект поставки,
в трубопровод подачи холодной воды прибора.
С приборами ПНВ-Е 18^21/24 ЗЫ поставляется второй ограничитель ^
расхода. Вставьте ограничитель расхода, соответствующий О
рлощности прибора. Цвет ограничителя расхода указан в таблице а
«Технические данные».
www.stiebeL-eltron.ru
ОНВ-Е ... $и еЬесСгоп1с 1155
МОНТАЖ
МОНТАЖ
10.2.9 Подвешивание прибора
Насадка кабеля, направленная в сторону стены, мом^т помешать
подвешиванию прибора вплотную к стене. Чтобы этого избежать,
имеет смысл немного вдавить насадку кабеля в заднюю ланель для
уменьшения жёсткости насадки.
Выньте крепежную ручку из верхней части задней панели (рис.
«Подвешивание приборам).
» Проведите кабель лодключения к электросети сзади через
насадку кабеля, пока насадка не будет прилегать к оболочке
кабеля. Выровняйте кабельдпяподюпочениякэлектросети. Если
кабель для лодключения к электросети имеет поперечное сечение
более 6 мм^ увеличьте отверстие в насадке кабеля (см. также
«Подключение к электросети при большом поперечном сечении
кабеля»).
» С помощью резьбовой шпильки лрижмите лрибор к лланке
для лодвешивания, чтобы пробить мягкое уллотнение. При
необходимости проколите мягкое уплотнение отвёрткой.
Наденьте крепёжную ручку на резьбовую шпильку планки для
подвешивания, которая погружается в заднюю панель.
Сильно лрижмите заднюю панель и зафиксируйте крепёжную
ручку путём поворота на 90” почасовой стрелке.
Подвешивание прибора
10.2.10 Монтаж трубопровода подачи воды
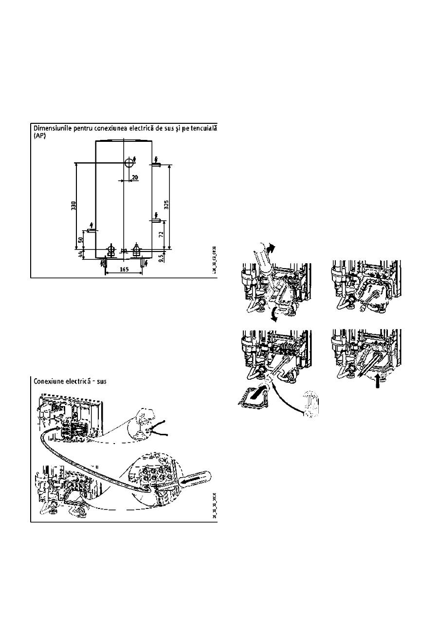
10.2.11 Подключение к эядктросети
Подключите соединительный кабель к клемме для подключения к
электросети. См. раздел «Схема электрических соединений».
136 I ОН В-Е ... $11 electгoгтic
\/и\л5Т1еЬе1-е ltron.ru
МОНТАЖ
МОНТАЖ
• I
Подключение защитного провода.
1| Прибор должен быть подключен к защитному
проводу!
Электрическое соединение
10.2.12 Монтаж нижней части задней панели
Монтажи фиксация нижней части задней панели
10.2.13 Завершение отапа монтажа
» Выровняйте монтированный прибор. Дпя зтого оспабьте
крепёжную ручку, выровняйте кабепь дпя подключения к сети и
заднюю панель и снова затяните крепёжную ручку. Если задняя
панель прибора неллотно прилегает к стене, то нижнюю часть
прибора можно закрепить дополнительным винтом.
10.3 Варианты монтажа
10.3.1 Подключение к зле
1
аросети вверху, скрытая проводка
На приведённом ниже рисунке указаны размеры для подключена
к электросети вверху.
Размеры дпя монтажа электрических соединений вверху и
открытой проводки
Для подключения к электросети вверху нужно выполнить следующие
действия:
» Надрежьте насадку кабеля всоответствии с поперечным сечением
кабеля подключения к сети.
» Прижмите фиксирующий крюк дпя крепления
1
>леммы сетевого
кабеля вниз и выньте клемму.
»Сместите клемму сетевого кабеля в приборе снизу вверх и
зафиксируйте её.
Монтаж электрических соединений вверху
.и'
!
О
О
>
а.
10.3.2 Подключение к электросати, открытая проводка
Прибор также можно подключить, если сетевой кабель проложен
открыто. Подключение возможно как вверху,так и внизу. Дпя этого
нужно выполнить следующие действия;
www.stiebeL-eltron.ru
ОНВ-Е ... $и eLectгonic I 137
МОНТАЖ
МОНТАЖ
Вырежьте либо выломайте отверстия в задней панели и в крышке
прибора- Места для этих отверстий показаны на рис. ^(Размеры
для подключения к электросети^
Изменение класса защиты.
1-1 После подключения прибора к сети с ломощью
открыто проложенного кабеля нужно сменить
класс защиты на заводской табличке с 1Р25 на 1Р24.
Для этого ислользуйте карандаш, пригодный для
составления документов.
)> Зачеркните значение «1Р 25» и отметьте крестом
квадрат «1Р 24».
10.3.3 Подключение к электросети при большом поперечном
сечении кабеля
При использовании проводов с большим поперечным сечением
насадку кабеля можно установить после монтажа прибора. Для
этого нужно вылолнить следующие действия:
» Перед монтажом прибора вьщавите насадку кабеля с помощью
отвёртки.
» Прижмите лрибор с помощью резьбовой шлипьки в планке дпя
подвешивания так. чтобы пробить мягкое уппотнение
» Наденьте крепёжную ручку на резьбовую шпильку планки дпя
подвешивания, которая погружается в заднюю панель.
» Сильно прижмите заднюю панель и зафиксируйте крепёжную
ручку путём поворота на 90** почасовой стрелке.
» Наденьте насадку
1
\абеля на кабель подключения к сети. Дпя
этого используйте принадлежности для монтажных работ.
Для кабеля подключения к сети с поперечным сечением
10 либо 16 мм’ нужно увеличить отверстие в насадке кабеля.
Зафиксируйте насадку кабеля в задней панели.
10.3.4 Подключение реле сброса нагрузки
Используйте реле сброса нагрузки в сочетании с другими
электроприборами, наприглер, с нагреватепярли с промежуточным
резервуаром. Сброс на грузки осуществляется при ра^е проточного
нагревателя. Реле сброса нагрузки поставляется как специальная
принадлежность.
* I Подключение фаз.
1-1 Подключите фазу, включающую реле сброса
иаг(^зки, к маркированной клемме дпя подключения
сетевого кабеля
к
прибору.
Приоритетная схема с 1-А
!!'
1
......
и
м
]
.
у.
<ч*
Л*
г
■ -’>
о
1 Линия управления к контактору второго прибора {например,
электрического нагревателя с промежуточным резервуаром).
2 Управляющий контакт, размыкается при в
1
>лючении проточного
нагревателя.
10.3.5 Открьпый монтаж трубопроводов подачи воды
Напорная арматура WKMD пли УУВМО для открытого монтажа
трубопроводов поставляется в качестве специальных
принадлежностей.
» Дпя герметизации скрытых трубопроводов используйте пробки
с уплотнениями. Эти пробки с уплотнениями входят в комплект
поставки нашей напорной арматуры. Для напорной арматуры
сторонних производителей пробки и уплотнения можно заказать
как специальные принадлежности.
» Установите арматуру.
» Переглестиге нижнюю часть задней панели под соединительные
трубы с арматурой и зафиксируйте нижнюю часть е задней
панели.
» Скрепите винтами соединительные трубы с прибором.
Подсоединение открытой арматуры
А
24
фу
,.4Э'>
ЖФ;'
18 Нм
‘
\WKMD
1
138 IОНВ-Е ... $11 е1ес1гоптс
м
и тл 5 Тле Ье I- е Лго п. ги
МОНТАЖ
МОНТАЖ
10.3.6 Огкрытый монтаж трубопроводов с припаиваемый /
обжимным фитингом
С помощью специальных принадлежностей • припанваерлых и
об«)
1
мных фитингов (см. ра^ел «Специальные принадлежности«) •
можно соединять медные или пластмассовые трубы при открытом
мо
1
-ггаже т|:^бопро&сщо&-
У припаиваемого фитинга предусмотрено резьбовое соединение
для соединения с медными трубами заказчика сечением 12 мм. Для
этого нужно выполнить следующие действия;
» Наденьте накидные гайш на соединительные трубы.
» Спаяйте закладные детали с медными трубами
» Переместите нижнюю часть задней панели под соединительные
трубы и зафиксируйте нижнюю часть в задней панели.
» Скрепите винтами соединительные трубы с прибором.
Указание по монтажу арматуры,
зи Выполняйте указания по монтажу, данные
изготовителем арматуры!
10.3.7 Открытая прокладка трубопроводов подачи воды,
монтаж крышки прибора
Для последующего монтажа крышки прибора нух<но выполнить
следующие действия;
» Аккуратно выломайте отверстия для прокладывания в крышке
прибора. При необходимости воспользуйтесь напильником.
» Выломайте язычки из направляющих деталей крышки.
Указание по монтажу при небольшом смещении труб
с армапрой.
При небольшом смещении труб с арматурой прибор
можно уплотнить лут§м установки направляющих
деталей крышки с язычками. В атом случав
направляющие детали задней панели не требуются.
»Зафиксируйте прилагаемые направляющие детали крышки в
отверстиях для прокладывания.
» Установите направляющие детали задней панели на трубы и
сдвиньте их друг навстречу другу. После этого переместите
направляющие детали до упора к задней панели.
» Закрепите заднюю панель внизу винтом. Это следует едепать и в
случае использования гибких трубопроводов подачи веды.
Указания по монтажу открытой арматуры
\
1 Отверстие для прокладывания
2 Направляющие детали крышки
3 Направляющие детали задней панели
4 Винт
10.3.8 Разделднная нижняя часть задней панели
При открытой прокладке трубопроводов с помощью резьбовых
соединений нижнюю часть задней панели можиоустзновить и после
рлонтажа арматуры.
» Для этого выпилите среднюю часть из нижней части задней
панели.
» Вставьте соединительные муфты из дополнительной упаковки
сзади в среднюю часть.
» Подведите среднюю часть под трубы и переместите её вверх.
» Вставьте нижнюю часть задней панели к средней части.
» Зафиксируйте нижнюю часть задней панели в задней панели.
Нижнюю часть следует закрепить ещё одним винтом.
» Скрепите винтами соединительные трубы арматуры с прибором.
www.stiebeL-eltron.ru
ОНВ-Е... $11 electгon^c I 139
МОНТАЖ
МОНТАЖ
10.3.9 Монтаж при замене прибора
При замене наших приборов можно использовать имензщуюся
планку для поддешнввния (фоме устройств «DHFv). Для этого нужно
проделать в задней панели подходящее отверстие для резьбовой
шпильки у)№ установленной планки для подвешивания.
При монтаже прибора на месте прибора DHF резьбовую шпильку
в планке для подвешивания нужно сместить. Это показано на рис.
«'Планка для подвешивания при замене приборов DHF». Резьбовая
шпилька является саморезом. Затем нужно закрепить планку для
подвешивания на стене, повернув её на ISO**. При зтом надпись
«'DHF» будет расположена в направлении чтения.
При замене стороннего прибора можно использовать подходящие
отверстия под пробки.
10.3.10 Монтаж под раковиной с повёрнутой крышкой прибора
Крышку прибора можно установить на заднюю панель, повернув
её на 1S0^ Это удобно в первую очередь тогда, когда прибор
устанавливается под раковиной. Для этого нужно выполнить
следующие действия:
» Выньте пульт упрзапения из крышки прибора. Для этого нажмите
на фиксирующие крючья.
Поверните крышку прибора исноваэафиксируйте пультупрзвления.
При этом в зацепление должны войти все фиксирующие крючья.
Для упрощения монтажа пульта управления надавите на
внутреннюю сторону крышки прибора (в заштрихованной области,
см. рис. «Крышка прибора при монтаже под раковиной»).
Пульт управления с повреждёнными фикси{^ющнми
крючьями.
Устанавливать пультуправления с повреждёнными
фиксирующими крючьями запрещается. Таким
образом, безопасность не обеспечивается.
Вставьте разъём кабеля датчика заданного значениятемпературы
втездо <^Т-$о11]^ электронного модуля, см. раздел «Первоначальный
ввод в эксплуатацию».
ъ Навесьте крышку прибора по направлению вниз и поверните
её вверх к задней панели. Следите за правильностью посадки
уплотнения задней панели. Для этого при монтаже слегка
перемещайте крышку вперёд-назад.
Закроите прибор с помощью винта в крышке прибора.
10.3.11 Монтаж при смещении облицовочной ппитки
Прибор рложно монтировать при смещении облицовочной
плитки. Максимальное срлещение плитки и минимальная опорная
поверхность указаны на рисунке. Отрегулируйте расстояние до
стены и зафиксируйте заднюю панель путём поворота крепёжной
ручки на 90^ по часовой стрелке.
Монтажные размеры при смещении облицовочной ппитки
¿20
140 IDHB-E ... S1L electronic
\t
w s tie be L- е Itro n. ru
МОНТАЖ
ПЕРВОНАЧАЛЬНЫЙ ПУСК В ЭКСПЛУАТАЦИЮ
11. Первоначал ьный пуск в
эксплуатацию
А
Опасно для жизни: возможен удар током!
Первоначальный пуск в зксплуатадню должен
выполняться только спецналистом'наладчиком с
соблюдением правил техники безопасности!
» Несколько раз откройте и закройте все подсоединенные
клапаны в местах отбора. Повторяйте это действие, пока из сети
трубопроводов и прибора не будет удален весь воедух.
»Активируйте предохранительный ограничитель давления.
Для этого нажмите кнопку сброса. При поставке прибора
предохранительный ограничитель давления деак
1
ивнрован.
» Вставьте разъём регулятора температуры в гнездо кТ-воИ»
электронного модуля. Не допускайте перегиба уплотнительного
кармана в нижней части задней панели. При монтаже крышки
прибора этот каргч^ан должен герг^^етизировать нижнюю часть
пульта управления.
» Установите крышку прибора и зафелите её винтом.
» Включите питание от сети.
»Откалибруйте температуру. Для этого поверните ручку
регулирования температуры в крайнее правое, а затем - в крайнее
левое положение.
» Проверьте работу прибора.
» Снимите защитную плёнку с экрана пульта управления.
12. Передача прибора другому
владельцу
» Объясните новому пользователю принцип работы прибора и
ознаюмьте пользователя сего эксплуатацией.
»Обратите внимание пользователя на возможные опасности,
особенно на опасность обваривания.
» Передайте
пользователю
это руководство.
Руко
8
сщс
1
во следует
бережно
хранить.
О
О
>
а
www.stiebeL-eltron.ru
РНВ-Е ... е1есСгоп1с 11А1
МОНТАЖ
УСТРАНЕНИЕ НЕИСПРАВНОСТЕЙ
13. Устранение неисправностей
А
13.1
Опасно для жизни: возможен удар током!
Для проверки прибора на него должно подаваться
напряжение.
Варианты индикации диагностических
светодиодов
е«рианг71н-1днкадии
красный
жептый
горит пр/1 наличии iiCHcnoaoiiocr/i
горит в режиме стопгения
миг^т: Прибор подкпоч^нко^ти
13.2 Таблица неисправностей
Неисправность / индикация
диап юстичсского светодиода*
Прибор не ВКЛ1СНССТСК.
Причина
Обыэвсствпе иге иасад;(и душа .'аэратсроз.
Спос об устра не и ия
Уделите известь с иасад;(ндуща
1
аэраторов; пр/ не
обходимое ■ н Зйманй
1
й их.
Слишком слабый -taroD-
Обызвествпе-ите насадки д^ша .'аэратсроз.
Очистите фильтр.
Нс дссгигается ¿одам ico значение
1ам11й|1й1\>ры.
Фаза отсутствует.
Проверьте грс^дохраиитсль в рлсктри-еаюй сети
дома.
lo
Не вкпючгется отоплен/е.
Нй
1 1
Ори-^й нОды и н>ынксцт
1
Свй
1 0
д/ОД
1
)ы.
Устро/сгэо обн8ру:(вкия зоэду^я сбнару^иеяет всааух э
всузс и фажоэрсмс! II icori: лочаст рад
1
шор.
С :vìi)i) I й111 |ре;^хрйн / i$j Ib.
Поверьте г&еоохрякнгель в елекгрЯ'еской сети
^с\».
I :)йи
0
хрйни
1
ель в елйк
1
;)и>$сксй
деда._______________________________
Соэботал прсдохра11лслы1ы7 огоаин>
1
попь даелсиик
iq
-
ружною ipy(ii)iipOiQMi){AP 3}.
Н$иГ/
sji
B
ki
|)0Ч
ны
7 моду.мь.
Устраило причину испсж^зК'' (
1
дгоимср. исисправ-
ны? напорный смьнной крян!__________________
Дж преастэ^ашения герег:«э« с/стеиы отопле-тг
открывайте кпат
2 1
вмсстсотбора.уста
1101
ло
1111
ый
Зй I РиборСм,рер:1с /1$ В1 о о ■ кр :11
Ым
ы I $чВ •( №> 1
минуты. Блягоавря этому тронскоаит сброс ааэлекня
в системе отопле
11
Н
1
: и сб шжзждсиис..
Ак
1
ИВЙ|/уЙ
1
$ нрйдСхрйни 1$льны7
1)1
Р«НН>И
1
еиЬ Дйв-
пе-
1
/т путём -
1
«жятия кнопки н« нём. Сл. г«к:(« ргэ-
^ел м Перво! ючаль
1
ый пуа( вэксплуаг^днюо
Прсв^рые зл1)к1роннь1(| модуль, при необходимее ■ /
замените е'о.
О
Нет горячей воды при расхсузе > 3 л ■' мни.
Иныиксции Свй11)д/ОЫОы: зеи$-1ын ли
1
й
01
яи
60
горит непрерыз
-10
Ноист разом рлоктроииы/ меду .ль.
Проверьте электронный мсдуль.прн исоб^ордимосг/
Зйм$ни1е<^ I).
Устро/сгзо обнаруаюния готона ^e подключено.
Ноистраэ
10
устройство оби^рухсс
i
/
f
потока DFE.
Подключите рабьем устрсйсгза обнаружения тотокя..
Проверьте устройство с^паружепия тотока, приме-
|)(:х0дим0С1иайм-»ни1йй I).__________________________
О
Нет горячей веды при рясхоае > 3 л •' мин.
И|дик£чия свстод/одов; жёлтый горит непре
рывно, :юлёяынмн ЯВ!
Сработал либо разомкнут тоедохрякительный срякичн-
тель температуры STB.
Н$иГ/1 PBi на Сир 14мй о Ю1 и IBHH il.
Проверьте греоохрякнгель-
1
ый
01
ракичигель темте-
рат^ры, ТРИ иесбходи мости р^мсиите ere.
ИЗмЯрь
1
$ СО) ipO ■ нынаний СиС i Вм ы О i О и
1
йнИн. i ipii не-
обходимосги замените её.____________________
Ноист разом РЛС1гтро1111ы7 меду .ль.
Проверьте электро шый модуль, гри необходимости
^ймантеа I).
О
Отсутствует горячая зодя Индикаиия свете-
диодез; красны? гсрлиепрорывио, эс.лбиый
мн1йе1
Температура подазаемой холодной воды зыше 35 Х:.
НоиГ
/1
раненый
1
>.'к хонодной врды.
Уменьшите температуру подаваемой к прибору хо
лодной зеды.
Проварые тлак
1
роннын модуль, при необходимее ■/
замените ето.
142 IDHB-E ... SÌL electronic
\t
w тл s tie be I- e Itro n. ru
МОНТАЖ
ТЕХНИЧЕСКИЕ ДАННЫЕ
14. Технические данные
14.1 Чертёж с размерами
1
Резьбовое соеданенне для подвода горячей воды
2
F^зbбo
808
соединение для подвода холодной воды {3-ходовой
загюрный клапан)
3 Подвод питающего кабеля снизу
14.2 Схема электрических соединений
Схема электрических соединений
ШД]
1Г
г
И
Зо
СГ-.-
"Т------------
1
1
1
\
*
.
/
1
!__1
Л
¿Ь
1
1
1
,
>7
2
3
..-I
3/РЕ
- 400 V
1 = нагрев
2 = предохранительный ограничитель температуры
3 = предохранительный ограничитель давления
14.2.1 Объём смешиваемой воды
Объём смешиваемой воды приведён в следующей таблице.
Символы означают следующее:
= температура подаваемой холодной воды
= температура смешиваемой воды
Э, = температура воды на выходе
Температуры использования;
- для душа, для мытья рук, наполнения ванны... (~ 38^С).
- для кухонной мойш при использовании термостатической
арматуры 60“С).
{темпе затура смшноаемой соры;'
кВг 11
'3.5
13
21
24
27
$, А>';
1
ин
6”С 5.0
6.'
8.0
9,4
10,7
12,1
ЮХ 5.7
6.9
9.2
10.7
12.3
13,8
14*С б.Ь
8.1
10.7
12.5
14.5
16.1
= бО'С {темпе эагура на Быходе)
кВт 11
'3.5
18
21
24
27
Э, Л|''.1ин
6*С 2.Я
3.6
4.8
6,6
6,4
7.2
10Х 3.2
3.9
5.2
6,0
6,9
7.7
14*С 3.4
4.3
$.6
6.5
7.5
8.4
Значения в таблице приведены для номинальною налря)кения400 В.
Объём на выходе зависит от давления в водопроводе и фактически
подаваемого напряжения.
14.3 Разрешения / сертификаты для страны
эксплуатации
14.3.1 Германия:
Для подтверждения применимости проточных водонагревателей
>2
серии
6нВ-Е... Зи
/31е1ес1гоп1свотнош8нии шумовых характеристик §
строительные нормы требуют наличия акта общей проверки ^
органами строительного надзора.
>
14.4 Область применения
СХ)И<)С
1
И ирим$нОнии
Данные
б
качесгсе
Уделиюе »таср<чеаяе юпро
1
НБле
1
иси ^епые^
электрическая провсдлиосгь
Нормяльнйо
знзче
1
не
при 15*^0
при 20'С
1»и25Х
Со
1
;>отиБлен/
1
е
0мс'«1
^ 900
^ 80и
^ 735
ПрОБОРИМОСТЪ
ыС.' У < '11
< 126
< 136
ПроБОрнмостъ
м(С.<си £ 1110
£ 1250
£ 1360
www.stiebeL-eltron.ru
СНВ-Е ... $и е1есСгоп1с 1143
МОНТАЖ
ТЕХНИЧЕСКИЕ ДАННЫЕ
14.5 Экстремальные условия эксплуатации и неисправностей
/^пусшмо повышение рабочей температуры дооОХ. В случае неисправности температура в системе может кратковременно повышаться
до 95*’С, а давление • до 1,2 МПа
14.6 Технические данные
Модспь
Прата-
11
ЫЙ водои&'рсеательсэпаара
11
ым у
1
завлвп/см
Тип
DHB-E
V
SU
DHBE13 SL
DH8-E'8SLi25A
DHB-E18f2'.'24SLi
DH8-E27SLÌ
deciTon
с
electronic
eledronk:
е1е!:1п)п1с
eledronk:
Номйрдля заказа
227485
227481
22748В
227487
227488
Зксплуагдиион-
1
Ыб таряметры
Номинальная г^ощнопь 400 Б
кВт '1
13.5
18
18
21
24
27
36DQ
кВт '0.1
12.2
16.2
16.2
'9
2'.7
24.4
Ноии
6ПЫ1ЫЙТОК
40DB
А 'е
19.5
26
29
31
35
39
ШВ
А '54
18.5
24.7
27.8
29.5
33.3
37.'
ПрадоурАнитйль
А '6
2(1
25
32
32
35
40
Переключземзя мощность
гет
нет
нет
да
_да_____
да______
нет
Электрическое соеднне тс
3.-PE-380
-
40DB
3.'РЕ~380-400В
3ÌPE-38D-4D0B
3.-PE-38D • 400В-50ГЦ
3'РЕ-380‘400В
50 Гц
5(/Гц
50 Гц
50Гц
НомичАльнАЯ вмастнмотггь
г
0.4
Конструщия
азкоыгый
НОМИ11СЛЫ
к»
НЗбЬПОЧ!
к»
Д30.1«
1ие
fvina '
Дияпязон рсггтиоозки тсг.(псрат\'ры
*С -ЗО-дО
Потеря давления' с о*ра-гичителеги
МПа/ O.U7.'8.1
U.11 .'3.9
0.08/5.2
0.08 .'5.2
0.10.'6.0
0.13.'6.9
0.'6/7.7
рзехода
Л.'МИ 1
Потеря дзолення’ без отззннчителя
fvinai 0.02.'З.'
0;03.'3,9
0.06 Г 5;2
0.06.'5.2
0.08/6.0
0.10.'6.9
0.'2.'7.7
рясхода
л/мин
Отраннчнтйль расхода
Л|'мин 4,0
4.0
7;5
7.5
75
8;fi
8;5
иоет РОЗОВЫЙ
РОЗОВЫЙ
с/шии
синий
01 1ИЙ
зетёПьй
зетёный
Т<?'»
1
п«?ратура подачи хоторной еоды
*С 625
3-1АШ ТЙХнИЧЙОКЙП) ^нтроля
РйЗ(>йий-
1
ия ■' с<:(>тификаты
Класс защиты соглас.ю craiipapry
EN
тт
___________________
Класс ЗАЩИТЫ лагласнл тггаирарту
EN 60529____________________
С/кггема отоплс шя с
нйиалп .ipnea чны vw i равйдам л
м.
аавадс<укутабличю/
см. саздал сРАЗ(>ашй-
1
пя ■' ойртификагы для
страны
А
1
:сплуата.|нн(>
1Р 25; с защитой йг рабачйй аоды {1Р 24 лр.-i монтаха открыта й алйстроправодки)
9DQ Ом ш (см. раздел «Область зримепеплаз)
СфйОА лр.змйчання
Расход »ein> Гзкт
В
ода
г
.
малым .-i больш.ш оодаржАнном нзейтлн
г}
мн I
2
3.0
Размары и мАсса
ГАПартный оазшры вытота к
ииэипа X глубина__________
им 47ак22йуМ4
Мд!:са
кг -3.6
Подвпд впдь
(нАру*наярезьба)
* Значения ДЛЯ 400В. Значения для потери напора давления действительны также для минимального гидравлического давления согласно
D1M 44851
Ì
расход при нагреве с 10‘'С до бО’^С (л!> 50 К). По стандарту DIN 1988 часть 8. таблица 4 для выбора размеров трубопроводов
рекомендуется значение потери давления 0.1 МПа.
144 IDHB-E ... SÌL eLectronic
\t
w
м
. stie be L- e Itro n. ru
СЕРВИСНАЯ СЛУЖБА И ГАРАНТИЯ
ВТОРИЧНАЯ ПЕРЕРАБОТКА
ОКРУЖАЮЩАЯ СРЕДА И
Гарантия
Условия и порядок гарантийного обслуживания
определяются отдельно для каждой страны. За
ин(|юрмацией о гарантии и гарантийном обслуживании
обратитесь пожалуйста в представительство £1(еЬе1 Екгол
в Вашей стране.
А
Монтажприбора, первый ввод вэксплуатацию
и обслуживание могут проводиться только
компетентным специалистом в соответствии сданной
инструкцией.
А
Непрннимаютсяпретензиипонеисправностям/
возникшим вследствие неправильной
установки и эксплуатации прибора.
Окружающая среда и вторсырье
Мы просим вашего содействия в защите окружающей
среды.
Выбрасывая
упаковку,
соблюдайте
правила
переработки
отходов,
установленные
в
вашей
стране.
О
О
>
а.
www.stiebeL-eltron.ru
PH В-Е ... $и е1е^гоптс | Н5
ЭКСПЛУАТАЦИЯ
ТЕХНИЧЕСКИЕ ДАННЫЕ
1А6 I [)НВ-Е ... $11 е1еЛгоп1с
www.stiebel-eltron.ru
ЭКСПЛУАТАЦИЯ
ТЕХНИЧЕСКИЕ ДАННЫЕ
О
О
>
й.
www.stiebeL-eltron.ru
[)НВ-Е ... 811 е1еЛгоп1с 1147
COMANDA
INSTRUCJIUNI GENERALE
COMANDA
148
1. Instructiuni generale
Capitolul Comanda este destinât utilizatorului |í tehnícíanului de
1. Inslruciium eeneralé
148
1.1 ExDiícarca simbolurilor
148
specialítate.
2^ Protecfía
149
Capitolai Montaj este destinât tehnícíanului de specialítate.
2.1 Utilizare ccnformK
149
2.2 Instructiuní de Drotectie
149
Va rugam si citi(i cu aten{iel
I j j M Cíti(i cu aten{ie aceste instructiuni $i pastra(He bine.
Ín cazul predarii aparatului catre un alt utilizator, ua
rugam sa-i preda$i $i instruc|iumle de utilizare.
2.3 Marcai CE
149
3. Descríerea aparatului
149
4. Comanda
149
t».l Butonul instalare temoeratura
149
1.1 Explicarla simbolurilor
<».2 Cantitatea de iesire
149
Tn aceasta documenta|ie ve{i gasi sim bol uri si sublinieri. Acestea
í*.3 Termcstat cu armatura
149
au urmatoarea semnifícatíe:
k A
Limitare domeníu temperatura /
P
rotee ti e
0
Pii ri re
149
1.1.1 Simbolurile din aceasta documentarie
5. Curafare,Tm^riiire siTntretinere
150
A Perieoi de ranire!
/?\ Indicatie privind posibilele riscuri de rlnire ale
6. Ce trebuie faait daca...
150
6.1 ...m cazulíntreruDeríi alimenturii cu iioa
150
instaiatorului sau utilizatorului $i posibilele avarii ale
aparatului!
6.2 ... aoaritia deíicientelor la aparat
150
INSTALAREA
151
Perico! de electrocutare!
?.
Protectia
151
Perieoi de oparire!
7.1 Instructiuni venerale protectie
151
7.2 Reelementárí. norme sí hotarari
151
7.3 Instalatia aoà
151
Pericol de deteriorare!
/
! \ lndica|ie privind o posibila situa|ie de pericol. care
ar putea apare Ìn timpui instalarii sau func|ionàriì
7.t» PericolTnehet
151
8. Oescrierea aparatului
151
8.1 Setlivrare
151
aparatului $i avarii ale aparatului. respectìv poluarea
mediului sau pagube financiare.
8.2 Montaiul
152
8.3 Limitare domeniu temperatura /
Protectie opáríre
152
r’’*TV| Va rugam sa citili cu atenjìe!
1 Citili aceasta sec|iune cu atentie.
8.4 Variante montai
152
8.5 Accescrii soeciale
152
» Pasajele cu, aceste simboluri
"»"
prezentate. va indica medui de
accionare, descris pas cu pas.
9. Instalare
153
9.1 Instructiuni de instalare
153
-Pasajele, cu acestsímbol va indica
c
enumerare.
1.1.2 Simbolurí de pe aparat
10. Montdíul
153
10.1 Lee montai
153
10.2 Montaiul
154
Reciclareal
Aparatele
cu
acest
marcaj
nu
apar|in
de$eurilor
menajere, ele trebuie coléctate $i recíclate separat.
10.3 Variante montai
157
11. Prima Dunere m iunctíune
160
12. Predarea aparatului
160
13. Remedíerea avariílor
161
13.1 Posibilitiiti de afi§are cu LED-ul de semnalizare diagnoza___________
13.2 Tabelul deficientelor
161
14. Dete tehnice
162
14.1 Desen cu dimensiuni
162
14.2 Schema conexíune electrica
162
14.3 Autorízatii si certifícate specífíce de tara
162
14.4 Domeniul de utilizare
162
14.5 Condilií extreme de actícnare si cazurí üe delectare
14.6 Datetehníce
___ 163
163
SERVICE-ül CLIENTI SI GARANTIE
164
MEDIULTNCONIURÄTOR
si
RECICIAREA
164
148
1
DHB-E ... SLi electronic
v/ww.stiebeL-eltron.com
COMANDA
PROTECTIA
2. Protectia
2.1
Ulilízare conforma
Este un Qpnratsub presiune. pentru mcâlzirea npei reci. conform
DIN 1988. Cu acest aparat pot fi aliméntate unul sau mai multe
racorduri.
Utilizaream altscop nu este conformn. Pentru utilizaren conforma
trebuie
respectóte
|i
aceste
instructiuni,
în
cazul
modíficñrilor
sau
transformanlor
constructive
efectúate
asupra
aparatului
se
anuleazâ orke garan|ie]
2.2
lnstruc|iuni de protec|ie
Respectafi urmâtoarele instrucfiuni prevederi de protecfie.
Montâjul fi prima punere în func^iune a acestui aparat trebuie
obligatoriu efectuatâ de unlehnicinn de specialitnte.
Tehnicianul
de
specialitate
este
responsabil
de
respectarea
prevederilor
în
vigoare
la
montajul
fi
prima
punere
în
functiune.
Ac|iona|i aparatul doar în stare completa de monta} si eu tóate
dispozitivele de protec|ie.
Pericol de oparire!
in cazul femperalurilor de iesire mai mari de 43 Ч
exista pericolul de oparire.
Perieoi de rànire!
Tn cazul m care aparatul este comandai de copii sau
persoane
cu
capacitati
corporale,
sejìzoriale
sau
mentale limitate, atunci este necesar sa va asigura|i
ca acest fapt se realizeaza doarsub supravegberea sau
dupa instruirea corespunzatoare de catre о persoana
responsabita pentru siguranfa lor.
Supravegheati copiii pentru a va asigura de faptui ca
ace^tia nu se joacà la aparatl
Perico] de deteriorare!
Dupa intreruperea alimentarli cu apa, nu mai este
permisi
actionarea
aparatului.
Sistemul
deincalzire
cu sarma neizolatà se peate distruge, astfel. Actionati
aparatul din nou doar dupa ce a$i lasat sa curga
apa, cel pufin un minut {Capitolul *'Ce trebuie facut
daca”).
2.3 Marcai CE
Marcajul CE stabilente ca produsul tndepline^te tóate cerin^ele
de baza:
-Directiva privind gradui de suportabilítate electromagnetic
(Directiva 200Wl08/a Consilíuluí CE|
- Oirectiv« privind joas« tensiune (Oireaiv« 2006/95/a Consiliului CE)
4^
A
3. Descrierea aparatului
Apa
se
tncllze^te
instantaneu.
Tn
timp
ce
trece
prín
aparat.
Temperatura ie^ire apa caldi o puteti regla cu butonul reglare
temperatura, farà regla} Tntrepte.íncepand de la un anum it debit
comanda cupleaza capacitatea demcalzire dependent de reglaj'ul
temperaturii $i tn func|ie de temperatura apei red.
Aparatul
este
dotat
cu
un
detector
de
aer
care
Tmpiedicá
üeteriorarea
sistemuluí
demcalzire.
In
cazul
jnfíltrarií
aerului
ín
tímpul
func)ionarií
mcalzitoruluí
instant,
aparatul
j^i
Tntrerupe
pentru
un
minut
func|ionarea.
protejand
astfel
sistemul
de
mcllzire.
4. Comanda
Butonul instalare temperatura
l
cea. 30 “C
7
cea, 60 “C
Cu butonul reglare temperatura peate fí reglata temperatura íara
regla} ín trepte.
Daca. ín cazul
ventílului
de ramíficatíe deschis complet $i o
temperatura
maxima
reglata
pe
pozi|ia
* 7 *
fbuton
regla]
la
dreapta. pana la refuz), nu se realizeaza o temperatura ie^ire
sufícíenta. atunci prin aparat curge mai multa apa decat poate sa
încâlzenscn radiatorul.
»Reducefi debitul la ventilul ramifica^iei.
Cantitatea de
iejire
ín func(íe de anotimp rezulta, la temperaturi api rece diferite,
urmatoarele
cantitaji
maxime
pentru
apa
amestec.
respectiv
cantitafi
lenire.
Informaci!
suplimentare
pute|i
gasi
Tn
capitolul
"Dnte tehnice".
Termostat cu armatura
Va
recomandam
sa
reglafi
aparatul
la
temperatura
maxima
pe pozitia "7" (butonul regla] temperatura la dreapta. pana la
refuz).
Limitare domeniu temperatura /
Frotecjie oparire
Temperatura maxima ie^ire peate fi limitata la aparat, prin reglare
la 43 "C. Contactafi Tn acest caz tehnicianul de specialitate.
X
z
^eC
www.stiebeL-eltron.com
DHB-E ... SLi electronic 11A9
COMANDA
CURÄTARE, ÎNGRIJIRE ÇI ÎNTREHNERE
5. Cu ramare, Tngrí jire §i Tntretì nere
oNu Utilizali iolu|ìi de cu catare abrazive iau dizolvanteJ Pentru
mgrijiren carcasei este suficientn o lavata umeda.
Operatìile de Ìntre|inere, ca de exempiu veriPicarea sigurantei
electríce, petti realízate dear de catre un specialist.
6. Ce trebuie fácut daca ...
6.1
.. Tn cazul Tntreruperií alimeniáríí cu apa
Perico! de deteriorare]
Dupa intreruperea alimentirií cu api, va trebui si
parcurgefi
urmatoríi
pa$i.
Tnaínte
de
repunerea
ín
funcfiune a aparatuluí.
A
»Desfiletati sigurantele, respectivdeccnectnti-le.
oDeschideti
robínetul
ramificatie
racordatla
íe^irea
din
aparat.
pana ce aparatul |i conducta de apa rece nu vor mai contine
aer.
»ínfíletati siguran|ele. respectiv reconectati-le.
6.2
... apari^ia deficientelor la aparat
Avaria
Síslcmul di'TncüUírc
nu se conecteazá, <u
loítlc tj ârmâlurâ
a fost complet
deschi«».
Temporär ciirg» »p»
ГСС.С. in limp cc apít
calda se $<urge prin
ramifica tii._________
Cauzñ
N
j
схЫа li'nbluiic.
Canil la lea pcnlru
conectare nu a 1o$t
alinda. PcrIíiloruI din
armaiuíJ sau capul de
du| ar» calcar sau este
itiurdar_________________
Sistemul de íncll7lre
cale dcfccl.____________
Sen7onjl aer
dclcclcacá íicrln apá
Несопес1еа7я. pe
Icrmen scurl. Incale ¡re o.
Rente dierea
^Vcrilícíilí síguraniclc din
ínstalatia íncintei._______
^Curámísíij indcpárialí
cakarul din perlator sau
capul de duÿ.
»Conlaclati tehnicianul de
sp 14 ¡alila le._____________
Aparatul re intra automat
ill íuniliunc. dupj un
rain ut.
Daca
nu
puteti
remediacauza.contactntítehnicinniildespecíalitnte.
Pentru o rezolvare mai rapida, comunicati numirul depeeticheta
cu típul produsului (Nr. 0P0P00-P000*0P0000):
150 IDHB-E ... SU eLectronic
v/ww.stiebe L-eltron.com
INSTALARE
PROTECTIA
?. Protec^ía
7.1
Instrucjiuní generale protecfie
Toti pa$ií necesari pnn5 dupn prima punerem functiune trebuie
obligatoriu efectua|í de catre untehnician de specialitate.rn acelaji
timptreliuie respectata aceasta ínstructiune de instalare.
Garantam
o
functionnre
perfecta
protectíe
de
actionare
donr
daca ver fi utilízate accesoríile origínale stabilite peniru aparat.
precum píesele de schimb origínale.
?«2
ReglementárL norme $i hotárári
Perkol de deteriorare!
Tineti coni de eticheta cu tipul produsuluí. Tensíurtea
indicata trebuíe sá corespunda cu tensiunea refelei.
Pericol de electrocutajel
Efectua|i
tóate
lucrarile
de
conexiune
$í
monta]
conform prevederilor VDE (DIN VOE 0100), conform
recomandirílor
EVU
autorízate,
precum
$i
conform
prevederilor corespunzátoare locale sau regionale.
Pericol de electrocutare!
Conexiunea la re]eaua electrica este posibíla dear ca
o conectare fixa. Aparatul trebuie sa poata fi separat
de re$ea cu un interval minim de contact de 3 mm fa]a
de tejí polii.
Pericol de deteriorare!
Respectât! pentru racordul apei tóate prevederile
normativéle nationale |i regionale. în Germania de
exemplu trebuie respectât DIN I9â6.
A
Ж
Ж
-Tipul de prolectie IP 25 (proteiat la condens)1rebuie realiznt doar
cu ecranare cablu montata m conformitate.
-Rezisten|a electrica specifica a apei nu trebuie sä fíe mai mica
decat cea indicata pe eticheta cu tipul produsului! In cazul
rncordului In retenua de apà, trebuie respectatn cea mai mica
rezisten|a electrica a apei {vezi capitolul "Domenii de utilizare").
Rezistenta
electrica
specifica
sau
conductibilitatea
electrica
a
apei
0
pute|i afiade laintreprinderile locale pentru alimentarea
cu npa.
7.3
Instatatia apa
7.3.1
Conducta apa rece
Cn materínle sunt acceptate de noi dear teví de cupru sau otel.
snu sistémele de tevi din plastic.
7.3.2
Conducta apa calda
Cn mnterinle sunt acceptnte de ncí doar cuprui sau sistémele de
teví din plastic.
A
Pericol de deteriorare!
In cazul utilizarií sistemelor de {evi din plástic,
respectafí
condi|ia
extrema
de
ac|íonare
$i
de
defectare, саге ar putea aparea la aparat.
• I Producatori tovi plastic.
.¡J Respecta]! informa]íile producatorului de teví din
plástic.
-Supapele de siguranta nu sunt permiseÍn conducta de ap5 calda
n boilerului.
-Ac|ionarea cu apa calda preparata nu este permisai
-Aejionarea cu armituri. care sunt adeevate pentru aparatele
descoperite, nu este permisâ!
lA
Pericol înghel
Montâjul
aparatului
nu
este
permis
decâtîntr-o
încâpere
ferita
deînghe].
» Depozita|i un aparat démontâtferit de înghe|, mtrueâtîn aparat
se mai afiâ apâ rezidualâ. care ar putea îngheta ^i provoca
avarii.
8. Descrierea aparatului
Sistemul deîncdlzire eu sârmâ neizolata este adeevat atât pentru
api sârnca Tn cnicar ent $i pentru apn eu continut de caknr.
încâlzirea nu este sensibili fntl de depunerea enkarului.
Temperatura
ieçire
о
puteti
ínstala
fari
regla]
în
trepte.
Prin
comanda
electrónica
se
realizeazâ
о
adaptare
automata
a
capacítntíi
electrice,
corespunzntor
temperaturíí
selectate.
üepenüenta de debit.
8.1 Set lívrare
-Suport agitare
- Sabloane monta]
-Níplu dublu
-Piesaín cruce
- Piesa -T
-Garnítura etan^are plata
-Sita
- Limitator debit
-$níbn ovnlizntl pinstic
- Сарае plastic
-Piese legatura din plastic
- Piese ghida] capac $i panou spate
X
z
X
о
O'
www.stiebeL-eltron.com
DHB-E ... SLi electronic 1151
INSTALARE
DESCRIEREA APARATULUI
8.2
Mantajul
Am pregatit aparatul din fabrica pentru urmataarele condifii:
-Racord electric "sus", montili Ínzidít
-Racord apíi, montili Ínzidít
Aparatul
trebuíe
montât
perpendicular
sub,
sau
deasupra,
chiuvetei, fix pe un perete.
8.3 Limitare domeniu temperatura /
Protec|ie oparire
Limitarea
maxima
a
temperaturii
poatefi
realizataîn
componenta
de operare, cu réglai la43“C.Ín acest cazsunt necesari urmatorii
pa5i:
oScoateti capacul a para tul ui.
»Secateti
placuta
eléctrica
integrata
din
componenia
operare
a
capaculuí
aparatului.
Tn
acest
scop,
aten(ie
la
cárligele
príndere.
»ínlocuiti ^tecarul <je la stanga la d reapta fPozítia "43
»Reintegraci componenta operare, carligele prindere trebuie sa
se fíxeze. Aten|ie la pozitia butonului si a axei.
8Л Variante montai
Urmâtcarele variante monta] sunt permìse/admise:
-Conexiune electrica mzidita - ics
-Conexiune electrica pe tencuiala
-Racord apa, pe tencuiala
-Monta] CU capac aparat rotit
-Monta]uìÌn cazul decalarii faiantei
-Integrarea unui releu descarcare sarcina
S.5 Accesorìì speciale
8.5.1
Armiluri presiune cu douá capete prindere
-WKMD - armáturá bucátárie, numar comandé 222437
-V\ÍBMD - armatura cada baie, numár comanda 222438
8.5.2
Montaj accesorii
-Set
montaj
tevi-montaj
subchíuvetá.
numar
comanda
070565,
racord uri: Monta] pelencuíala, G 8/8, sus.
- Set montaj 2 bucati dopuri apa G ffítetj Vi, numar comanda 074326,
aceste depuri sunt necesare daca utilizaci armaturí presiune de
provenienjá straina.
8.5.3
Set montaj, cu montaj pe tencuiala
-Teava cupru • cu Tnfiletare sudata, numar comanda 074019,
compuse dín^ 2 dopuri apa G Vz si 2 píulíje oarbe V¿' cu adaos
pentru racord sudat0 12 mm.
-Jeavá
cupru
*
cu
filing
presare,
numar
comandé
222380,
compusa din; 2 dopuri apa G
^/2
«i 2 fítingurí presare W x 15 mm,
precum |i etansare.
-Jeavá
cupru
*
cu
ilting
presare,
numar
comanda
222881,
compuso din: 2 dopuri opa G Vz §i 2 fitinguri presare W x 18 mm
fViega: Sanfix-Plus, sau Sanfíx-Fosta), precum 'i etan§are.
8.5.4
Cadru montaj universal
Numar comanda 220291, compus din: Cadru montai cu cablu
electric. Acest set de constructíe realízeaza Tntre panoul spate
al aparatului §i peretele instalajiei un spajiu liber de 30 mm.
Aceasta face posibilá o conexiune eléctrica Tnziditá, ín orice loe
derít.
din
spatele
aparatului.
Adancímea
aparatului
se
mareóte
cu 30 mm. Prin setul de construcjie se modifica tipul pratecjiei ín
IP 24 4prate]at la condens).
8.5.5
Montaj translatare cu set constructiv de fevi
Numar
comanda
220290.
campus
din:
Cadru
montaj
universal
(descriere tehníca vezi numar comanda 220291) §i ccturile de
jeavá pentru pozijionarea verticali a aparatului faja de racordul
apa 90 mm mai ]os.
8.5.6
Set constructiv teava pentru ínlacuirea mcálzitorului
apa cu gaz
Numir
comanda
220510,
compus
din:
Cadru
monta]
universal
(descriere tehnica vezi numar comanda 220291} si caturí |eava
pentru a instala^ie cu racarduri existente la íncalzítcr apa cu gaz
(racord apa rece stanga si racord apa calda dreapta).
8.5.7
tnlocuire set monta) |eavá DHB
Numar comanda 159B76, cempus din: 2 elemente legatura pentru
apa. Astfel pute]í racord a a paratul la el ámentele de legatura apa
ale unui DHB.
8.5.8
Releu descarcare sarcina LR 1*A
Numir comanda 001786. Releul de descarcare sarcina va facilíteaza
c functionare cu de exemplu un aparat de Tncllzire electric cu
acumulator. TncalzitaruI prin trecere va fí ac(ícnat prin releul de
descarcare a sarcinii, ínaintea celorlalte aparate.
152 IDHB-E ... SLi electronic
v/ww.stiebeL-eltron.com
INSTALARE
INSTALARE
9. Instalare
9.1 Insiructiuní de instalare
9.1.1
Presíune curgere
debUul pentru conectare aparat nu a fostatíns nlcnn cazul
armáturílor complet deschise. trebuie sa demontatí Mmltatorul
débit. TnlocuitH cu $aibn ovalizntldín plástic, livrntlanexat. Dncá
este cazul. putetí.Ínsñ. sá mnríti presíunea din ínstalatia apn.
Armaturi termostat.
11
Pentru
ca
armatura
termostat
si
func|ioneze
corect»
Tn cazul acesteí armaturi nu este permis si ínlocuiti
limitatorui debit cu jaiba ovalizati din plástic!
1
Límitator debit
2
^aiba cvalizatl plastic
9.1.2
Conducto flexíbiie pentru racord apa
Daca racordati a paratul cu conducte flexíbiie racord apa, trebuie
sa evitati ca legaturíle tip baíonetl ale ccturílor de teava sa se
poatn rñsuci.
9.1.3
Aparat cu putere conectare selectabíla
Aparatul DHB-E 12/21/24 SLí este pregatit din fabrica pentru
21 kW. ín cazul tn cnre aparatul va fi instala! la o alti putere.
trebuie renliznti urmntorii pn$i;
»Introducetí
jtecarui
codare
corespunzator
puteríi
selectate.
pentru puterea selectatn n aparatului vezi 'Date tehnice'.
»Bifa|í
puterea
selectati
peeticheta
cu
típul
produsului.
Utilizad
Tn acest scop un creion care sa pastreze marcaful.
»Pozitionatí
puterea
aparatuluí
ccrespunzltor
límitntorului
debit. Culcarea límítatoruluí debit este indicata ín tabelul "Date
tehnice".
$tecnr codare pentru comutnrea puterií
íl'J
10. MontajuI
10.1 Loe montaj
Aparatul
este
prevnzut
exclusiv
pentru
mentaj
fix
pe
perete.
Asiguratí-va ca peretele si Pie sufícíent de rezistent.
Montati
aparatulTntotdeaunain
pozitieverticalâ(subsaudeasupra
chiuveteií §i Íntr-un spafiu ferit de Tnghet.
10.1.1 Sub chíuveti
Montaj sub chiuvetn
1
Admisie apa rece
2
Evacuare apa calda
10.1.2
Deasupra chiuvetei
1
Admisie apa rece
2
Evacuare apa calda
X
z
X
o
O'
www.stiebeL-eltron.com
DHB-E ... SU electronic 1153
INSTALARE
MONTAJUL
10.2
Montaíui
10
.
2.1
D6S<hid«rea aparatuluí
Pentru
menjineren
prote<Iiei
Ímpotrivn
ntíngerii
este
introdusá
a
din
cartón,
livrata
din
fabrica.
Indepartafi
aceasta
fa^ie
Ínainte dó montaful aparatului.
10.2.2 Separare panou spate
» Apasafi cele doua carlíge prindere, d reapta §i stanga, sí scoatefí
partea ínferioara prín fa|a.
10.2.3 lV!orttá|í suportul agatare
oínsemnatí
kca^uríle
de
gaurire
cu
ajutorul
^ablonuluí
pentru
montnj.
Daca
npnrntul
vn
fí
montât
<u
racorduri
densupra
chiuvetei.
vn
trebuí
sn
msemnati
suplimentar
lcca§ul
pentru
prínderea din partea ínferíoara a ^ablonului.
8 Efectuad giurile fi prinde|ì suportul agatare cu 2 çuruburi 2
díbluri. ^uruburile diblurile nu fa< parte din setui de livrare.
10.2.^ Ajustarea cabluluì pentru conexiunea electric!
Afustarea cablului pentru conexiunea eléctrica
ISO
I
.i30
¥
________ zrrrrr*
Vo
»Pregatiti conexiunea cablului electric.
»Utilizati, cn niutor la montai, capacul din plastic.
10.2.5 Ìnfiletarea niplului dublu
15A IDHB-E ... SLi electronic
vrww.stiebeL-eltron.com
INSTALARE
MONTAJUL
10.2.6
Pregâtire racord apâ
»înfiletdçi piesa-T^i piesaîn cruce cu oetançare plata pe níplul
dublu.
»Purjatl bme conducta de apa rece.
• I Biocare 3 c5í. _
^ J
Biocarea cu 3 caí nu trebuíe folosita pentru redresarea
debitulm! Ea servente dear pentru biocare.
10.2.B Integrare limìtator debit 0MB
»Montali 11 mi tato ru I debit, livrât ataçat la intra rea a pei reciìn
il parai.
La DHB-E 18/21/24 SLi se va livra un al doMea limitator debit.
Pozi|iona|i
puterea
aparatului
corespunzator
limitatcrului
debit. Culoarea limitatorului debit este indicata în tabelul "Date
tehnice".
Integrare limitator debit
1
Píes? -T
2
Pieslìn cruce
10.2.7
Integrare $i(à
» Montali sita livrata ata$at la intrarea apei reci Ìn aparat.
Sita.
Pentru
ca
func|íonarea
aparatului
sa
fíe
garantata,
sita trebuíe sa ñe mereu íntegrata. Daca se va efectúa
un montaj de tnlocuirea aparatului. trebuie sa ave|i
grija sa existe sita.
Integrare sita
X
z
X
o
O'
www.stiebeL-eltron.com
DHB-E... SLi electronic I 155
INSTALARE
MONTAJUL
10.2.9
Suspendârea aparatuluí
Cablul ecranare onentatîn spate, catre perete, poate în anumite
circumstan|e, împiôdica agatarea fâra problème a aparatulu) fix
de perete. Pentru a evita acest lucru ar fi bine dacá afi apâsa,
scurt, din spate, caülul ecranare în panoul spate, pentru a mîcsora
rîgiüitatea ecranariî.
» Scoatefi elementui fixare din partea superioara a panoului spate
jfigura eu titlul 'Suspendarea aparatului").
»Ghidati cablukonexiune electric, din spate prin ecranare cablu,
pana ce se atinge înveliçul cablului. Orientafi cablul ccnexiune
electric. Daca acest cablu conexiune electric are c sectiune mai
mare decat 6 mm^, mari|i gaura pentru ecranare cablu jvezi
"Ccnexiune electrica,în cazul une! secfiuni mari").
» Apasati aparatui prin bolturile filet ale supertu lui de agâtare,
astfel îneât garnitura moale de etanpre sa fie strapunsa, daca
este
cazul,
trebuîe
sa
strapungeji
aceasta
garnitura
etanpre
eu û çurubelnitâ.
»Introduceti elementui deprindere pe bclfurile filet ale su portului
agatare, care se afundaîn panoul spate.
8 Apisati fix panoul spate $i blocafi. pentru sigilare, elementui
prindere prin rotire la dreapta eu 90“
Suspendarea aparatului
10.2.10 Realiza|i racordul apâ
10.2.11 Realizare conexíuní electrice
8 Legali cablul electric la bornele retelei,vezi capitolul 'Schema
conexione electrica".
Conexiunea de protec|ie.
Ave|i grija ca aparatul sä fìe împâmântat!
Conexiune electrica
10
.
2.12
Montarea par|ii inferioare - panou spate
10.2.13 îneheierea procesului de rtiontare
8Îndrepta|i aparatul montât prin desfacerea butonului de Fixare,
apûi
îndreptati
conectarea
electrica
|i
peretele
spate,
iarîn
final strânge|i din nou pàrghia de fixare. Daca peretele spate al
aparatului nu este lipitde perete, atunci artrebui sâ*l fixation
zena inferioara, eu doua ^uruburi suplimentare.
156 IDHB-E ... SLi electronic
vrww.stiebeL-eltron.com
INSTALARE
MONTAJUL
10.3 Variante montaj
10.3.1
ConexiutiÊ electrkâmzîditâ -&US
Din urmntonren figura puteti extrage dimen^iunile pentru
ccnexiunen electrica de 5us.
Pentru
A
putea realiza conexiunea electrica, trebuie sa efectuati
urmatorií pa$í:
»Decupatí ecranarea cablu corespunratcr sectíunií cablului
conexiune electríc.
»Apnsntim joscárligul prindere pentru fixaren bornelor reten
trngeli-le pe acestea afnra.
»Transférât! bcrnele re|ea Ín aparat. de jos Ín sus flxati-le Ín
aceasta pozitíe.
10.3.2 Conexìune efectrìcà pe tencuTali
Daca conexiunea electrica a fost pcziticnata pe tencuiala putefi
realiza ^i conectarea aparatului. Acest lucru este valabii pentru
ccnexiunen
jos^i
sus.Ìn
acest
scop
trebuiesn
renìiznti
urmntorii
paji:
»Decupati. respectiv spargevi, trecerea din panoul spate
din capacul aparatului. Pozifiile posibile pentru decupare le
puteti recunoaste m figura de la capitolul "Dimensiuni pentru
conexiunea electrica".
Fixarea capacului.
Daca a(i conectat aparatui cu o canexiune electrica pe
tencuiala. va trebui sä modificati tipul protectie din
IP25 tn IP
20
pe eticbeta cu fìpui produsului. Utilizati
Tn acest scop un creion care sä pästreze marcajul.
»Täiati informatin "IP 25" §i bifnV casuta cu "IP 2
ì
»".
10.3.3 Conexiune electrica in cazul sectiunilor mari
Demontnre $i montnre ecrnnare cablu
/■
in cazul utilizarii sectiunilor mari de conectare, ecranarea cablu
poate fi montata dupa montarea aparatului. In acest scop trebuie
sa realizati urmatorií pa|i^
»Scoateti ecranaren cnblu prin apâsare eu aiutorul unei
^urubelnite, mainte de mcntajul aparatului.
»Apasati aparatul prin bolturile filet ale suportuluiagatare. astfel
încât garnilura moale de etnn$nre sn fie strapunsa.
» Introduceti elementul de prindere pe bolturile filet ale suportului
agâfare. care se afundlîn panoul spate.
»Apasati fix pnncul spnte $i blocatù pentru sigilare, elementul
prindere prin rotire la dreapta eu 90^
»Împingefi
ecranarea
cablu
peste
cablul
de
conexiune
electric.
Utílízatí m acest scop seule specifice pentru montaj. în cazul
unui cablu conexiune electric de 10. respectiv 16mm^ trebuie
sa mariti gaura ecranare cablu. Fixafi ecranarea cablu în panoul
spate.
X
Z
X
O
Q£
www.stiebeL-eltron.com
OHB-E ... SU electronic j 157
INSTALARE
MONTAJUL
10.3.<i Conectares unui releu descercare sarcina
Montatí
releul
descarcare
sarcina
m
combínajle
cu
un
alt
aparat
electrk,
de
exemplu
aparate
electríce
acumulare
caldura. Descárcarea de 5arcínn se realizeazlm cazul nctíonñrií
mcalzitorului instant! Releul descercare sarcina TI puteji cbtíne de
la noi ca accesorio separa!.
Conectare faze.
1-1 Lega|itn aparatfaza care conecteazá releul descartare
sartina de boma característica pentru re^ea.
1
Conductorul catre comutatorul de protec^ie al celui de*al
doilea aparat (de exemplu Tncalzire cu acumulator electric).
2
Contact comandfi. se deschidem cazul conectarii
Tncalzitorului instant.
10.3.5 lnstala|ie apa pe tencuiala
Pute|i comanda. ca accesorii separate, armaturi presiune pe
tencuialn, adecvate, detip WKMD snu WBMD.
»Monta|i
dcpurile
apa
cu
garnitura
etansare.
pentru
a
etan^a
racordul
mzidit.
In
cazul
armaturilor
noastre
de
presiune.
dopurile ^i garniturile etan^nre fnc parte din setui de livrare.
Pentru
armaturile
de
presiune,
de
provenienta
strains,
puteti
comanda
dopurile
|i
garniturile
etansare
ca
accesorii
separate.
» Montati armatura.
oimpingeti
partea
inferioara
panou
spate
sub
tevile
racord
al
armaturii iifixati-o m panoul spate.
»Tnfiletati racord urile tevilor la aparat.
10.3.6
Instalatie apa pe tencuiala cu racord sudat /
garnitura presare
Cu afutorul accesoriilor "racord sudar sau 'garnitura presare’ pot
fi realiznte.Tn cazul unui monta] pe tencuinln, racordurile cut^vi
din cupru, dar cele cu {evi din plastic.
In cazul accesoriilor separate tip "racord sudat". este posibil un
racord filet cu fenva de cupru. avand dimensiunen dinfnbrica. de
12 mm.In ncest caz sunt necesnri urmntorii pn$i;
oimpingeti piulitele oarbe pe levile racord.
»Sudali componentele de integrare cu conducted de cupru.
»Tmpinge|i
partea
inferioara
panou
spate
sub
levile
racord
«i
fixali-oTn panoul spate.
»infiletn|i racordurile tevilor In nparat.
Ir}$truc|iune monta] al armaturii.
>■1 Respectafi instruciiunile montai ^le producatorului
de armaturi!
10.3.7
Instalatie apa pe tencuiala. montajul capacului aparatului
Pentru
montajul
final
al
capacului
aparatului
sunt
necesari
urmatorii pa^i:
»Realiza|i cu grija locasurile detrecere tn capacul aparatului. tn
caz de necesítate utilizati о pila.
»Decupa|i brídele din píesele ghídaj сарае.
Instructjunea monta) in cazul Tnlocuirii simple a |evilor
cu armaturi.
Prin integrarea cu bride a pieselor ghidaj capac ve|i
putea
etan^a
simpiu
Ìnlocuirea
|evilor
cu
armatori.
Píesele
ghidaj
ale
panoului
spate
nu
vor
mai
fi
necesare Tn acest caz.
»Fixa|i piesele ghidaj capac, anexate, m orificiu trecere.
oPcizì|iona|i
piesele
ghidaj
ale
panoului
spate
pe
levi
si
TmpreunatHe. Tn continuare, mfiletati-le pnn3 In contactui cu
panoul spate.
»Fixa|i cu un surub jos panoul spate. Acest lucru este valabii ^i
cand utilizati sisteme flexibile pentru conducta apa.
Instructíuni monta] pentru armaturi AP
1
Orificiu trecere
2
Píese ghidaj сарлс
3
Piese ghidaj panou spate
k
Surub
158 I DHB-E ... SU electronic
v/ww.stiebeL-eltron.com
INSTALARE
MONTAJUL
10.S.8
Parte infertoara panou spate segmentata
in cazul raccrdurìlor fìlet pe tencuiala, partea ìnfericara pancu
spate poate fì montata si dupa montajul armaturìlor:
»Decupaji mijlocul din partea inferioara panou spate.
»Introducetì elementelede legatura din pachetui cufurniturì, din
spate7n segmentui de mijioc decupat.
» Ghida{i segmentui de mijioc sub {evi si 7mpinge{H apoi m sus.
»Introducetì partea inferìoarl panou spate Tn segmentui de
mijioc.
»Fixa{i partea inferioara pancu spate de panoul spate. Partea
inferíoara va trebui s-o fíxa{i cu un §urub suplimentar.
»Tnfiletati rncorduriletevilor cu nrmàturi la nparat.
10.3.9
Insfâlareaîti cazulînlocuirii aparatului
Un supori agâtare existent poate fi utilizntm cazul inlocuirii
aparatelor noastre (eu excep{ia "DHP'j.în acest scop va trebui sa
strâpungeti în panoul spate trecerea adeevata pentru bol{urile
filet ale suportului agatare déjà montât.
Dnca veti monta aparntui m locul unui DHF. va trebui sn mutati
bol{urile filet de pe suportui aga{are a§a cum este descris în
figura
cutitlul
’Suportagâ{areîn
cazul
înlocuirii
aparatului
DHF'.
Bolturile filet sunt nutofiletnnte. Din ncest motiv va trebui sn
montât! suportui agâ{are cuo rota{iede 1$0^ In perete. Inscriptin
"DHF" va aparea atunci pe direc{ia de citire.
în cazul înlocuirii unui aparatde provenien{a strâinâ. va trebui sa
utilizn{i gauri de dibluri potrivite.
Suportui aga{are în cazul înlocuirii aparatului DHF
10.3.10
Montaj sub chiuvetâ eu capac aparat rôtit
Puteti açeza capacul aparatului rôtit eu 180^ pe panoul spate. Acest
lucru este mai aies avantajos atunci când aparatui se monteazâ
sub chiuvetl.Tn ncest scoptrebuie sa realizati urmâtorii pa$i:
»Scaate{i
componenta
operare
din
capacul
aparatului,
în
acest
scop desfìleta{i cârligele fixare.
»Rotiti
capacul
apnratului
çifixati
din
nou
componenta
operare,
ulterior cârligele trebuie sa se fîxeze. în veüerea unui montaj
mai simplu a componentei operare aplsa{i catre interior capacul
nparntului
(îndomeniul
striât,
vezi
figura
'Capneaparatîn
cazul
montajului sub chiuvetn").
Componenta operare cu carlìg fìxare deiect.
Este interzìsà montarea unei componente operare cu
carlig
fixare
defect.
Nu
este garantata
protecfia
irt
acest caz.
»Intro
duce{i
cablul
pentru
redareavalorii
nominalemccmpcinenta
electrcnicn,
pe
pozitia
"T-ncminal",
vezi
"Prima
punere
Tn
func{iune".
»Aga{a{i capacul aparatului pe partea dejos si rciti{i'l pe partea
de sus entre pnnoul spate, atentíe In pozijin corecta a etnn$lrii
pnnoului spnte. ín acest scop, mi$cati putin cnpacul. Tn ta{ñ $i
ín spate.
Ȓnfiletati suruburile capacului pentru sigilarea aparatului.
Capacul aparatului m cazul montajului sub chiuveta
X
z
^eC
O
O'
www.stiebeL-eltron.com
DHB-E ... SLi electronic 1159
INSTALARE
PRIMA FUNERE ÎN FUNCTIUNE
10.3.11
MontsjuI ín cazui decalaríi faíantei
Puteti manta aparatulm cazulmiocuirn faíantei. Decalarea maxima
a faían|eí pczi|ia mínima a aparatuluí le pute|i extrage din
figura. Regíntí dístantn la parete blocati. pentru sigilare, pancul
spate cu elementul prindere, prin roti re la tireapta cu 90^
Dímensíuni montnjm cnzul decnlnriifaiantei
y.
/,
i
/ N
/
/
.V /
^imJ
11. Prima punere Ín funcfiune
A
Perico! de electrocutare!
Prima
punere
ín
funcfiune
nu
este
permisi
decat
realizata
de
un
tehnícían
de
specíalítate.
sub
respectarea prevederilor de protecfie!
»Intrcduceli
^tecarul
regia]
temperatura
pe
pazijia
'T-naminal”
a companentei electranice. Atenjie ca etan^area de la partea
inferioara panou spate sa nu fìe Ìndcita |i sa se realizeze
etnn$nren pe pnrten infericarn n componentei operare.
»Mentati capacul aparatului si fìxati-l cu ^urubul.
»Conecta|i la tensiunea de retea.
»Reglati temperatura. Pentru ncest lucru. rotiti butonui regìnre
temperatura spre dreapta si stanga, pana la refuz.
»Verificati mcdul defunctionare al aparatului.
» Trngeti folla protecfie de pe diafragma de operare.
12. Predarea aparatului
»Explicati
utilizatorului
functionnren
aparatului
obi^nuitH
cu
utilizarea acestuia.
»Avertizati utilizatcrul asupra posibilelor pericole, Tn special
asupra pericolului de oparire.
»Predati
aceste
instructiuni
utilizatorului,
pentru
a
fi
pastrate
cu grifi.
»Deschidefi
închideti
de
mai
multe
orí
tóate
ventílele
ramíficatiilor racerdate. Acest lucru trebuie realizat pana cand
se purjeaza tat aerul din aparat.
»Activât! limitatorul presiune siguranta. Apasati Ín acest scop
tasta reseta re. Aparatul este livrât cu limilatcrui presiune
siguranta dezactivat.
160 IDHB-E ... SLi electronic
vtww.stiebeL-eltron.com
INSTALARE
REMEDIEREA AVARIILOR
13. Remedierea avarili or
A
Perieoi de electrocutare!
Pentru a putea efectúa verificarea aparatuluí. trebuíe
sä existe tensiune Тл aparat.
i3.l Posibilitáfi de afijare cu LEO-ul de semnalízare
diagnoza
Posibilitati afiçare
Ф
roÿu
о
о
g а Iben
verde
lumincaiaîn cazul d«fc<tiunílor
lufuíncbídln cá¿ul ívru.líoni;rí¡TiKál¿íríí
paipai«: aparatul «stpín r«|«a
13.2 Tabelul deficien|elor
Oefectiuni
/
Afísaj semnaliiare diagnastic
*
A
paratili nij
5
« can«ct«a7a.
Cauza
Capul d« du$ ■' peri atomi ar« calcar.
Remedierea
ínlaturati calcami, daca este ca7iil Ínlacui|i capul de
dus' pcriatorul.
DebiUil esle рг«ь redu>.
Nij «<¡1« atinsa t«mp«ra1iira nominala.
Silo din {iparcl s*u rriiirdùrU.
Lipa«$t« ofarà.
Curdtuli sUc din eperiil.
Verifica|i si g
11
cántele din instalarla incinte!.
Nu ^8 decariecleu^ùincdl^irei;.
SericoruI aer^e^icedCd der Tu cpE >Ì decanecleíicz pe
acurtä durata Tncàbirea.
Apurdlul reírilrd Tri rvricliiine. diipe un rriinul.
0
0
0
Nu «xisti api caldd $i dfi^aj $«тла11гзго.
S'd
diS sisuranu.
Verificati siluramele din ínstalaiia íncíntei.
S'd decuplullimilelorvi de si^uriirild perilrv presiurie
AP3.
Írilelurcli ceucu deíeclíurin (deexerriplu un spüidlor
presiune defectl.
Píotcja|i sistcmul dcínclbire ímpotríva
suprcíricdlcirii, prin deschidered. lirrip de 1 niiriiil.
a unni vent'il ramificable conectar Tn continuare.
Astfel, sistcmul dcínealzirc va ti ílcit$i dcsclrcat
de presiiine.
Activât! limitatorui presiune s'ijuranfa. prin
apis arca butonului prcsiunc sigurami.vczi $i
cepilolul 'Frinid puliere Tri íunclíurie*.
Nu «xistà apa calda iar dehitul
> 3 l/min.
Partea clcctronfcl este detecta.
Partea electrónica estedefecta.
Verificati partea electrónica, daca este cazul
Trilocuilí'o.
Verifica|i partea electrónica, daca este carui
Ínlocuití*o.
0
Aiiir^j s erri iid Ileo re:
v«rd8 palpai« sau lumina pprmanpnta
SericoruI debil DFE nu esle inserí:!.
Irilroducefi din non irlecürui perilru sericorui débil.
ScnzoruI debít DFEcste dcfcct.
Verificati scnzorui debit, dad csic cazul, Tnlocuiti-l.
0
Nu «xistà apa calda iar dehitul
> 3 l/iTifn.
Limitatomi protec|ie temperatura STB s*a deafacut. san
íntreruDt.
Verificati senromi dehit. daca este carni, Ínlocuiti*!.
Aiiir^j s erri iid Ileo re:
lumina p«rman«nta galbena. v«rd« palpai«
Síslerriul de TiicElcÍre este deíecl.
Mdsuriiti recislerite sislernului deTncûIclre. dece
este ca7ul. în loculi i*
0
.
•
Nu «xistà apà calda
Afi$3j scmnalìzarc:
Partea clcctronfcl este detecta.
Temperatura de intrare apa rece este mai mare de 3s‘C.
Verificati partea electrónica, dad este cazul
Trilocuilí'o.
Red и ceti m a paral temperatura intrare apa rece.
0
lurniriù p8rrn<iri«rilù ro^ie. verde pólpàie
SericoruI epe rece e^le defecl.
Veriíiceli perlee «leclroriice. ddcü este cecul
Tnlo cu iti-
0
.
X
z
X
o
O í
www.stiebeL-eltron.com
DHB-E ... SLi electronic 1161
INSTALARE
DATE TE H NIC E
ík.
Date tehníce
Desen cu dímensíuní
1
Racord filetat - apa caldâ
2
Racord filetât - apâ rece (blocare 3 cail
3
Alimentäre electrica jos
1U.2
Schema conexiune electrica
Schernii conexiune electrica
iCHL
r:
i'--
i.—«
I Í V I / I r ? *
2
>.......-?......-V-....... -2j.fpTl
T ° Î
CI.
I
U
5
J
3/PE-400V
1
»Ìncalzìre
2
» lìmìtatcrul protecfie temperatura
3 = limitatcr protectie presiune
14.2.1 Cantitate amestec api
Din
urmatorultabel
puteti
extrage
cantitafileamestecapa.
Aceste
simboluriiiu urmiitOiirele semnificotii:
iJ’. = temperatura apa rece la intrare
» temperatura ameitec apa
TÌ, = temperatura iejire.
Temperatura utili:
-in du^. pentru spalare manuali, umplere cada... (-' 38^C).
-pentru spâlâtor ^i Ìn cazul utilizärii armäturi termostat
(- 60^0,
a •
3i'C
llcnipcrâlurâ âmi'bli'c r.p5)
kW II
d.
Ii'rnin
13.5
1<I
21
24
27
6"C S.D
6.1
e.o
9.ÍI
10.7
12.1
10 "C 5.7
6.9
9.2
10.7
12.3
13 .<1
^"C 6.6
<1.1
10.7
12.5
14.5
16.1
d. - GO^C llcmpcraiurà ìc>irc)
kW II
13.5
1<I
21
24
27
d.
Ii'rnin
6"C 2.9
3.6
<i.a
5.G
G.4
7.2
10 "C 3.2
3.9
5.2
6.0
G.9
7.7
^"C 3.^
<1.3
5.6
6.5
7.5
9.4
Valorile din tabel sunt raportate la 4D0 V tensiune nominaUi.
Cantitateade ie$ire este dependente de presiunea de alimentare
existenta si de tensiunea efectiva.
l<».3 Autoriza^ii §i certificate specìfice de tara
14.3.1 Germania:
.ÌI|a:Ja«4kl;(«J
Pentru încâlzitcrul instant din seria tipologica DHB-E ... SLi / SL
electronic este emis, bazat pe prevederne de farà, un certih'cat de
verificare tehnica privind protecfia fonica.
Domeniul de utilizare
Domeniì de utilizare
Date.Tn cantate (le
Rez1sten|a conductibilìtatea electrica
specìfice
Dall' normale
laisse
la 20 *C
la 35 »C
Rerístents
ücm
ä 900
> SOÛ
> 735
Con du eli bilí la le
mS/m
< 111
< 125
< 135
ConduclíbílíLaic
pS/cm
< Ilio
< 1250
< 1360
162 I t>HB-E ... SLi electronic
vrww.stiebeL-eltron.com
INSTALARE
DATE TEH NICE
14.S Condifií extreme de ac|ionare cazuri de
defecfare
Pot fi atinge temperaturi de functionare pana la maxim 60'^C.
in cazuri de detectare, pot aparea m in^lalatie supraTncarcari la
maxim 95 *C, m cazul unei presiuni de 1,2 MPa, 7nsa pe termen
scurt.
iu,b
Date tehnice
Model
IncaIzitar instan^ comandai electrortic
Tip
DH8-E1LSLÌ
DHD-E13 SL
DHD-E18SLÌ 25 A
DHD-E 18/21/24 Sii
DHD-E 27 SLi
electronic
electronic
electronic
electronic
electronic
Numar comi-ncla
227&8S
227481
227481-
227487
227488
Pate de functionare
Putire nominala AOO V
kw
11
13.5
18
18
21 24
27
380 V
m
10,1
-
16,2
16.2
19 21.7
24,4
C‘.iren1 nominal AOO V
A
1«
19,5
26
29
31 33
39
380 V
A
15.4
-
24.7
27. e
29.5 33.3
37.1
Piote ctie
A
16
20
25
32
32 35
40
Putire coniiitahila
mi
nu
nil
ria
tir. ria
mi
Coni'xiunc clcilrka
3/PE-3fiO-4DOV- 3/PE - 400V -
3/PE-380-4D0V-
3/PE - 38D -400V-50HC
3/PE-380-400V-
50Hz
50 HZ
5üHz
50Hz
Volum nominal
1
0.4
TÍD con^lruilii'
inchisù
Suprapresiune nomínala
MPa
1
Oomoniij instalare temperatura
«C
- BO - SO
Picrdi'rc presiune* cu límítútor
debit
MPa / lymin
0.07/3.1
0.11/3.5
0.08/S.2
0.08 / 5.2
0.10/6.0 0.13/6.9
0.16 / 7.7
Pierdere presiune’' farà
limítator debit
MPa / l/min
0.02 / 3.1
D.D3 /2.5
0.05/S.2
0.06 / 5.2
0.08/6.0 0.10/6.5
0.12 / 7.7
Lim ¡tato r
l/min
4.0
4.0
7.S
7.5
7.5 8.5
8.5
debit
Cu lo ere
roc
roc
albasiru
al basi ru
abùslru verde
verde
Temperai urJ intra re apa rece
“C
S25
Marca] de verificare
vezi eticheta cu tipui produsului
Au tori ca tiÌ/Ce rti ii ca te
veci eaoilolul ’Auloricatii/Ci'rtiiieali'sOceirkc de tarò"
Gasa protectie conform EN 6Q33?
1
Tip protectie conform EN <iOS29
IP 2S, prolejat l a condens (IP 24 la conexione electrica, pe tenciiiala)
Sòr mi neicoktù'sistein In càie ire
9DQ Üim tveci caoilol "Domeniu ulilicarc*!
Domeniu de utilizare
apà cu $1 fàra continui de calcar
De bit "pornit*
l/min
¿3,0
Dìmensìuni .si greutate
DÌmciisiuniTxlxH
mm
478
X
22S
X
LL4
Masa
k«t
-
B.S
Racord aDà
G VjAffileU'xlericrJ
* Valori pentru 400V. Valorile pentru pierderea de presiune iunt
valabile $i pentru presiuni curgere minime. conform DIN 44&51/
debilul la mcalzire de la 10"C la 60‘’C (Ail 50 K), Conform DIN
1968 partea 3, Tabelul <», pentru dimensionarea re^elei de |evi
recomanda o pierdere presiune de o.i MPa.
X
z
X
o
O'
www.stiebeL-eltron.com
DHB-E ... SLi electronic I 163
SERVICE-UL CLIENTI §I GARANTIE | MEDIUL INCONJURÄTOR §I RECICLAREA
Garan|ia
0 solicitare de garnntie este vnlnbilS doar Tn tara Tn care a tost
cum parat apa ratul. Adresati*va asociatiei corespunzatoare sau
importatorului.
A
A
Montajul. instalarea eléctrica. Tntretii^erea $í prima
punere in functiune pot fi realízate doar de catre
specialisti.
ProducatoruI nu ofera garanzie pentru aparatele
detecte, care nu au fo$t instálate utilizate conform
ìnstructiumi de utilizare s* ite montare.
Medìul sireciciarea
Va rugàm sn aiutati la protecfin mediului. Recidati ambalajul m
conformitate cu normativele natTonale.
16A IDHB-E ... SLi electronic
www.stiebeL-eltron.com
OBSERVATII
Z
«4
О
O'
www.stiebeL-eltron.com
DHB-E ... S Li electronic 1165
OBSERVAJII
166 I DH В-E ... SLi electronic
www.stiebeL-eltron.com
OBSERVATII
><
г
«4
О
O'
www.stiebeL-eltron.com
DUB-E ... SLi electronic 1167
Deutschland
5TIEBEL ELTRON GmbH & Cd, KG
Dr.'Stiebel'Stralle I D*376Û3 Hoizmmden
TeL 0 SS 31702 0 I Fax 0 55 31 702
m
Email ínfoüstiebel-eltron.de
www.stlebel-eltrori.de
Verkauf*
Tel. OLäO 3 700705 I Fax OLdO 3 7020LS I info-center(3>stiebel-eltron.de
Kundendienst”
Tel,
ovio
3
702020
1 Fax OL
8
O 3
702025
1 kiindendienst@stiebel-eltron,de
Ersatzteituerkauf* Tel. 0160 3 702030 I Fax 0130 3 702035 I er^atzteile^stiebel-eltron.de
Vertriebszentren’' Tel. 0180 3 702010 I Fax 0180 3 702004
0,09 €/rriiii b«i Anrufen »uu dem deuUchen Feslriek. Aus MobilfunkneUen gellen mö|;lKher\«j«i>8
abweichende Preise, ah 01.0S.]l)11) Mobilfunlcprei's meximal 0.ri2 «/min.
Austria
5TIEBEL ELTRON 6es,m.b.H.
Eferdinger Str 73 I A*4600 Wels
Tel, 07242-A7367-0 | Fax 07242-47367-42
Email info@$tiebel-eltron.at
www.5tl e be I - e I tro ri .at
Belgium
STIEBEL ELTRON SprI/Pvba
't Hofveld 6 - Dl
1702 Groot-Bijgaarden
Tel, 02-4232222 | Fax 02-4232212
Email info@stiebel-eltron.be
www.stlebel-eltrori.be
Czech Republik
STIEBEL ELTRON spol. s r.o.
K HajCim 9461CZ-15500 Praha 5-5todCilky
Tel. 2-511161111 Fax 2-3SS 12122
Email info@$tiebel-eltron
.< 2
www.stlebel-eltron.cz
Denmark
PETTI NAROLI A/S
Matlal Allé 211 OK-SSOO Middelfart
Tel. 63 41 66 661 Fax 63 4166 60
Email irifoigl petti na roli.dk
www.pettinaroli.dk
Finland
Insindöritdimisto Olli An ders$on Oy
Keskuskatu 8 I FI-0&6Û0 Mäntsälä
Tel, 020 720 99831 Fax 020 720 9989
Email info@$tiebel-eltron.fi
www.stl e be I - e I tro ri .fi
France
STIEBEL ELTRON S.A.S.
7-9. fue des Selliers
B.P. 85107 I F-S7073 Metz-Cériex 3
Tel, 03 87 74 38 88 | Fax 03 87 74 68 26
Email info@stiebel-eltron.fr
www.5tlebel-eltrori.fr
Great Britain
Stiebei Eltron UK Ltd.
Unit 12 Stadium Court
Stadium Road
Bromborough
Wirral CH62 3QP
Email info@stiebel-eltron.co.uk
www.stlebel-eltrori.co.uk
Hungary
STIEBEL ELTRON Kft.
Pacsirtamezo u. 4i IН-
10
З
6
Budapest
Tel. 012 50-6055 | Fax 01368-8097
Email inro@stiebel-eltrori.hu
www.stlebel-eltron.hu
Japan
Nihon Stiebei Co. Ltd.
Ebara building 3F | 2-9-3 Harnarnatsu-cho
Winato-ku I Tokyo 105-0013
TeL 3 3&3646621 Fax 3 34594365
fujiki@nihonstiebel.<o.lp
Netherlands
STIEBEL ELTRON Nederland B.V.
Daviottenweg 36 I Postbus 2020
N L- 5202 CA 's- H e rtoge ri bosch
Tel. 073-6 23
0000
I Fax 073-623 1141
Email stiebel@stlebel-eltron.nl
www.stiebel-eltron.nl
Poland
STIEBEL ELTRON sp,
2
.
0.0
ul. Insta lato row 9 I PL-02-237 Warszawa
Tel. 022-84648 20 | Fax 022-846 6703
Email stieb e l@sti e be I -e Itron .com. pl
www.stlebel-eltrori.corn.pl
Russia
STIEBEL ELTRON RUSSIA
Urzhumskaya street. 4.1
12
9 343 Moscow
Tel. j495) 775 3889 | Fax (495) 775-3887
Email inro@stiebel-eltron.ru
www.stlebel-eltron.ru
Sweden
SáljexAB
Asrnuriderud I SE-6649L Grurns
Tel. 0555
616
10
I Fax 0555 123 76
Email lnfo@saljex.se
www.stiebel-eltron.se
Switzerland
STIEBEL ELTRON AG
Netzibodenstr.23c I CH-4133 Prattein
Tel. 061-816 9333 I Fax 061-81693 44
Email info@stiebel-eltron.(h
WWW.
stl e be l-e I tro ri .c h
Thailand
STIEBEL ELTRON Asia Ltd.
469 Moo 2. Tambol Klong-Jik
Am pur Bangpa-ln | Ayutthaya 13160
Tel. 035-22 00 88 I Fax 035-22 11 88
Email stiebel@loxlnfo.co.th
WWW.
sti e be I e I tro ri asla. cor n
United States of America
STIEBEL ELTRON Inc.
17 West Street I West Hatfield MA
01088
Tel. 413-247-3380 I Fax 413-247-3369
E rna i 11 ri fo@5tieb e I - e Itro ri - usa.co rn
www.stlebel-eltron-usa.com
STIEBEL ELTRON
Í,
0 1 7 2 1 2 8 3 Q 2 Í 6
I'.uiM jiiO .«.liiiiso» Ü
7
I. ■ ■ K«n w'l:«l ^
. f i
I Sul:'«v. lo erv l«ih' Чз
1
<J «ry«»! I Sut.» ■ «»<"/»
vVi'uui: «IÜ« '■ ivOiliv^.iviit lull '
1
v»iv»'i»uO
l«ilr »11|«'
а
"^1
ч
1
ик
«
м
!
Sal.U ÿ"Ul V irv^iliiauûr Uu' Ча! I Rail lili
UO l«<lli:<a
} ■
lüiMi^ll»! EvxKlw «llv
vu alUia;Sv Uv'iiid I Z^».'^»>ii« <r V-r/ Uv' iiiic' » i
K K f
.ualii«
' r - s i
I Orvl/
в
.«.link«? <ir«‘v i>u«.
'/И 'd<«iiv! I A ■ ■ ■ (.»daU »állvc.a.áiul. «> l«,«d«>«l. jvKal Irimbil'ul. I Bl>.McOI<H<x:i » n»i C*iH<x:i«>’n
■
«>;нг- r»vt«F«4Hñ na
tMW
н« lu.
M»' o x:-X)í
< tí

