Alpine IVE-W535BT: 5 Wsuń urządzenie IVE-W535BT w deskę 4 Jeżeli w pojeździe dostępny jest wspornik,
5 Wsuń urządzenie IVE-W535BT w deskę 4 Jeżeli w pojeździe dostępny jest wspornik, : Alpine IVE-W535BT

Urządzenie należy wsunąć do osłony
czystego metalowego elementu, używając
Połą
mocującej i zabezpieczyć je.
śruby (*1), która jest już przykręcona do
Osłona mocująca
podwozia pojazdu. Podłącz wszystkie
(w zestawie)
przewody urządzenia IVE-W535BT zgodnie
Połącz
Deska rozdzielcza
z opisem w sekcji POŁĄCZENIA.
Gumowa osłona
Śruba
(w zestawie)
Nakrętka sześciokątna (M5)
To urządzenie
Klucz
wspornika
2
*
Śruba dwustronna
Płytki
1
dociskowe*
Śruba
Metalowy
sześciokątna
pasek
(w zestawie)
1
mocujący
*
2
Płyta czołowa*
(w zestawie)
Przewód uziemienia
To urządzenie
Nadwozie
*1 Jeżeli założona osłona mocująca jest poluzowana
•
W przypadku śruby oznaczonej symbolem „*2” użyj
na desce rozdzielczej, płytki dociskowe można lekko
śruby odpowiedniej dla miejsca montażu.
zgiąć.
*2 Można zamontować załączoną płytę czołową.
5 Wsuń urządzenie IVE-W535BT w deskę
4 Jeżeli w pojeździe dostępny jest wspornik,
rozdzielczą, aż usłyszysz kliknięcie.
przykręć śrubę sześciokątną do tylnego
Zapewnia to prawidłowe zablokowanie
panelu urządzenia IVE-W535BT i załóż
urządzenia i uniemożliwia jego
gumową osłonę na śrubę sześciokątną. W
przypadkowe wysunięcie się z deski
wypadku braku szyny należy przymocować
rozdzielczej.
urządzenie główne za pomocą metalowej
taśmy (do nabycia oddzielnie). Przykręć
przewód uziemienia urządzenia do
Schemat połączeń przełącznika SPST (sprzedawany oddzielnie)
(jeżeli nie jest dostępne zasilanie ACC)
ACC
BEZPIECZNIK
(czerwony)
PRZEŁĄCZNIK SPST (OPCJA)
(5A, opcja)
IVE-W535BT
BATTERY
(żółty)
BEZPIECZNIK
(20A, opcja)
Akumulator
•
Jeżeli pojazd nie umożliwia zasilania w trybie ACC, należy dodać przełącznik jednobiegunowy i jednostanowy SPST
(Single-Pole, Single-Throw) (sprzedawany oddzielnie) i bezpiecznik (sprzedawany oddzielnie).
•
Schemat i wartość znamionowa bezpiecznika podane powyżej dotyczą przypadku, gdy urządzenie IVE-W535BT jest
używane jako urządzenie samodzielne.
•
Jeżeli przełączony przewód zasilania (zapłonu) urządzenia IVE-W535BT, zostanie podłączony bezpośrednio do bieguna
dodatniego (+) akumulatora pojazdu, stacja multimedialna IVE-W535BT będzie pobierać prąd (kilkaset miliamperów),
nawet po ustawieniu przełącznika w pozycji wyłączenia (OFF), oraz powodować rozładowanie akumulatora.
12-PL
ALPINE IVE-W535BT QRG 68-21057Z55-A (PL)

Instrukcja obsługi Połączenia
ywając
Połączenia
a do
kie
zgodnie
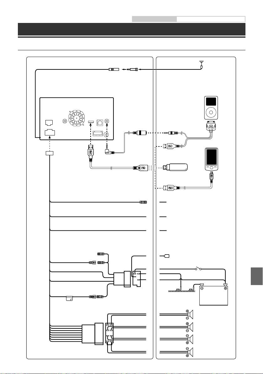
Połączenia 1/2
Antena
Wtyczka ISO anteny
EN
na
odtwarzacza iPod lub telefonu iPhone
(do nabycia oddzielnie)
DE
Zestaw połączeniowy KCU-461iV
(do nabycia oddzielnie)
FR
dzenie
Telefon Nokia
” użyj
(do nabycia oddzielnie)
ES
Przedłużacz VIDEO AV dla urządzenia
Pamięć USB
iPod (W zestawie z KCU-461iV)
(do nabycia oddzielnie)
skę
Kabel rozszerzenia USB
(w zestawie)
IT
anie
Zestaw połączeniowy telefonu Nokia
i
KCU-230NK (sprzedawany oddzielnie)
REMOTE TURN-ON
Do wzmacniacza lub korektora
SE
(niebieski/biały)
REVERSE
Do strony dodatniej przewodu sygnałowego lampy
(pomarańczowy/biały)
cofania samochodu
PARKING BRAKE
NL
Do przewodu sygnałowego hamulca postojowego
(żółty/niebieski)
RU
Do anteny elektrycznej
IGNITION
(czerwony)
GND
Kluczyk zapłonu
(czarny)
POWER ANT
PL
(niebieski)
BATTERY
Akumulator
(żółty)
10A
GR
(zielony)
Lewy tylny
PST
(zielony/czarny)
(biały)
T jest
Lewy przedni
(biały/czarny)
Głośniki
(szary/czarny)
bieguna
Prawy przedni
(szary)
mperów),
(fioletowy/czarny)
Prawy tylny
(fioletowy)
13-PL
ALPINE IVE-W535BT QRG 68-21057Z55-A (PL)

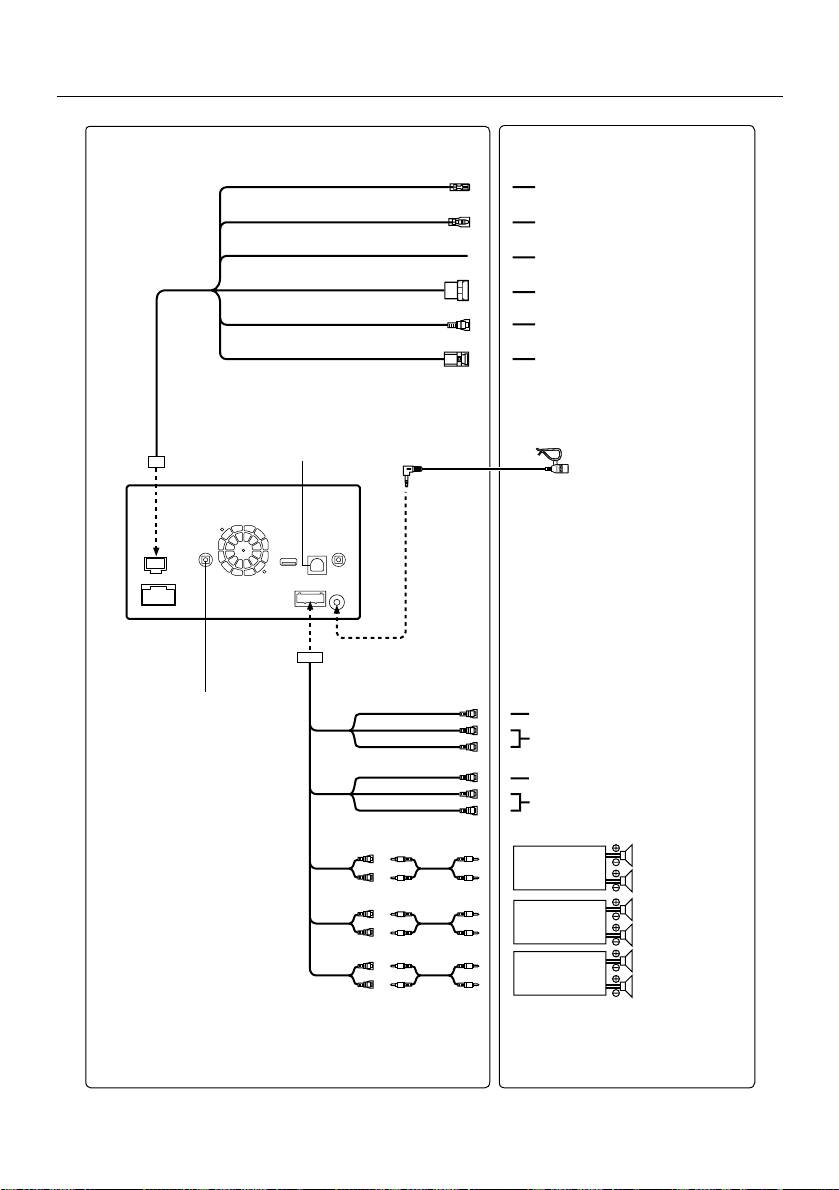
Połączenia 2/2
Dan
MONITO
Rozmiar ek
REMOTE OUT
Typ wyświ
e
Do przewodu wejściowego
(brązowy)
REMOTE IN
System wyś
Do przewodu wyjściowego
(brązowy)
Liczba pikse
SPEED SENSOR
Do linii impulsu prędkości pojazdu
(zielony/biały)
Efektywna
System po
d
CAMERA1
Do kamery z przodu/z tyłu
TUNER F
CAMERA2
Do kamery z tyłu/innej
Zakres stroj
Czułość uży
CAMERA SW
Nie używany
Czułość wy
Wybór kana
Współczyn
Połącz z opcjonalnym interfejsem
Separacja
s
wyświetlacza pojazdu.
Współczyn
Mikrofon (w zestawie)
TUNER M
Zakres stroj
Czułość uży
TUNER L
Zakres stroj
Czułość (no
USB
Wymagania
Maksymaln
Klasa USB
Do modułu zdalnego sterowania z
(żółty)
kierownicy.
Do złącza wyjścia wideo
System pli
k
(czerwony)
Dekodowa
(biały)
Do złączy wyjścia audio (R, L)
Dekodowa
Dekodowa
(żółty)
Do złącza wejścia wideo
Liczba kan
a
(czerwony)
Pasmo prze
(biały)
Do złączy wejścia audio (R, L)
Całkowite z
Zakres dyn
a
Lewy tylny
Współczyn
Wzmacniacz
Prawy tylny
Separacja
k
Lewy przedni
*
Pasmo pr
Wzmacniacz
oprogram
Prawy przedni
bitów.
Wzmacniacz
Subwoofery
ODTWAR
Pasmo prze
Pomiar koły
Całkowite
z
Zakres dyn
a
Separacja k
Sygnał syst
Rozdzielcz
o
14-PL
ALPINE IVE-W535BT QRG 68-21057Z55-A (PL)

Instrukcja obsługi Dane techniczne
Dane techniczne
MONITOR
Poziom wyjściowego sygnału wideo
1 Vp-p (75 omów)
Rozmiar ekranu 6,1”
Stosunek sygnał/szum sygnału wideo
Typ wyświetlacza LCD Przezroczysty wyświetlacz LCD
DVD: 60 dB
typu TN
Stosunek sygnał/szum sygnału audio
System wyświetlania obrazu Aktywna matryca TFT
100 dB
Liczba pikseli1 1 152 000
(800 × 3 × 480)
MECHANIZM ODTWARZAJĄCY
EN
Efektywna liczba pikseli 99% lub więcej
Długość fali DVD: 666 nm
System podświetlenia LED
CD: 785 nm
TUNER FM
Moc lasera CLASS II
Zakres strojenia 87,5 – 108,0 MHz
SEKCJA BLUETOOTH
DE
Czułość użytkowa (mono) 8,1 dBf (0,7 V/75 omów)
BLUETOOTH Specyfikacje Bluetooth V2.1+EDR
Czułość wyciszania: 50 dB 12 dBf (1,1 V/75 omów)
Moc wyjœciowa +4 dBm Maks. (Klasa mocz 2)
Wybór kanałów alternatywnych
Profil HFP (Profil zestawu
80 dB
głośnomówiącego)
Współczynnik sygnału do szumu
FR
OPP (Profil przesyłania elementów)
65 dB
PBAP (Profil dostępu do książki
Separacja stereo 35 dB
telefonicznej)
Współczynnik przechwytywania
A2DP (Profil zaawansowanej
2,0 dB
dystrybucji audio)
ES
TUNER MW
AVRCP (Profil zdalnego sterowania
audio/wideo)
Zakres strojenia 531 – 1 602 kHz
Czułość użytkowa 25,1 V/28 dBf
OGÓLNE
TUNER LW
Wymagania dotyczące zasilania
IT
14,4 V DC (prąd stały)
Zakres strojenia 153 – 281 kHz
(dozwolony zakres: 11–16 V)
Czułość (norma IEC) 31,6 V/30 dBf
Temperatura pracy -20°C to + 60°C
USB
Maksymalna moc wyjściowa 50 W × 4
Napięcie wyjściowe 2 000 mV/10 k-omów
Wymagania USB USB 1.1/2.0
SE
Masa 2,23 kg
Maksymalne zużycie energii 1 000 mA
Poziom sygnału wyjściowego audio
Klasa USB USB (odtwarzanie z urządzenia)/
Preout (przód, tył): 2 V/10 k-omów (maksymalnie)
USB (klasa pamięci masowej)
Preout (subwoofer): 2 V/10 k-omów (maksymalnie)
System plików FAT12/16/32
AUX OUT: 1,2 V/10 k-omów
NL
Dekodowanie MP3 MPEG-1/2 AUDIO Layer-3
Dekodowanie WMA Windows Media™ Audio
WYMIARY OBUDOWY
Dekodowanie AAC Format pliku AAC-LC „.m4a”
Szerokość 178 mm
Liczba kanałów 2 kanały (stereo)
Wysokość 100 mm
Pasmo przenoszenia* 5–20 000 Hz (±1 dB)
Głębokość 164,4 mm
RU
Całkowite zniekształcenia harmoniczne
0,008% (przy 1 kHz)
WYMIARY PŁYTY CZOŁOWEJ
Zakres dynamiczny 95 dB (przy 1 kHz)
Szerokość 170 mm
Współczynnik sygnału do szumu
Wysokość 95 mm
100 dB
Głębokość 18,5 mm
PL
Separacja kanałów 85 dB (przy 1 kHz)
*
Pasmo przenoszenia może się różnić w zależności od
•
Z powodu ciągłego ulepszania produktu dane techniczne
oprogramowania użytego do kodowania/szybkości transmisji
i wygląd mogą ulec zmianie bez powiadomienia.
bitów.
•
Panel LCD jest produkowany z wykorzystaniem bardzo
precyzyjnej technologii. Liczba efektywnych pikseli
GR
ODTWARZACZ CD/DVD
wynosi ponad 99,99%. Oznacza to możliwość, że 0,01%
Pasmo przenoszenia 5 – 20 000 Hz (±1 dB)
pikseli może być zawsze włączona lub wyłączona.
Pomiar kołysania i drżenia (% WRMS)
Poniżej mierzalnych limitów
Całkowite zniekształcenia harmoniczne
0,008% (przy 1 kHz)
Zakres dynamiczny 95 dB (przy 1 kHz)
Separacja kanałów 85 dB (przy 1 kHz)
Sygnał systemowy NTSC/PAL
Rozdzielczość pozioma 500 linii lub więcej
15-PL
ALPINE IVE-W535BT QRG 68-21057Z55-A (PL)

•
To urządzenie wykorzystuje technologię ochrony przed
kopiowaniem chronioną patentami obowiązującymi w
Stanach Zjednoczonych oraz innymi prawami ochrony
własności intelektualnej Rovi Corporation. Inżynieria
wsteczna oraz demontaż są zabronione.
•
Wyprodukowano na licencji firmy Dolby Laboratories.
Dolby oraz symbol podwójnego D są znakami
towarowymi firmy Dolby Laboratories.
WYŁĄCZNY DYSTRYBUTOR
•
Windows Media i logo Windows są znakami
towarowymi lub zastrzeżonymi znakami towarowymi
firmy Microsoft Corporation w Stanach Zjednoczonych
i/lub innych krajach.
HORN DISTRIBUTION S.A.
•
iPhone, iPod, iPod classic, iPod nano, iPod touch i
UL. KURANTÓW 34
iTunes są znakami towarowymi firmy Apple Inc.,
02-873 WARSZAWA
zarejestrowanymi w USA i innych krajach.
TEL.: 0-22 331-55-55
•
Etykiety „Made for iPod” (przeznaczone dla odtwarzacza
FAX.: 0-22 331-55-00
iPod) oraz „Made for iPhone” (przeznaczone dla telefonu
iPhone) oznaczają, że urządzenie elektroniczne zostało
WWW.ALPINE.COM.PL
zaprojektowane specjalnie pod kątem możliwości
podłączenia do odtwarzacza iPod lub telefonu
iPhone i zostało certyfikowane przez producenta
Centralny Serwis:
jako spełniające standardy jakości firmy Apple.
ul. Kurantów 26, 02-873 Warszawa,
Firma Apple nie jest odpowiedzialna za działanie
tel. 22/331 55 33, serwis@horn.pl
tego urządzenia lub jego zgodność z normami
bezpieczeństwa i prawnymi. Użytkowanie urządzenia
wraz z iPod lub iPhone może wpłynąć na działanie sieci
bezprzewodowej.
•
© 2010 Nokia. Wszelkie prawa zastrzeżone. Nokia
oraz hasło Works with Nokia to znaki towarowe lub
zastrzeżone znaki towarowe firmy Nokia Corporation.
•
DivX®, DivX Certified® i powiązane logo są znakami
towarowymi firmy Rovi Corporation lub jej podmiotów
zależnych używanymi na podstawie licencji.
•
Znak słowny i logo BLUETOOTH® są zastrzeżonymi
znakami towarowymi firmy Bluetooth SIG, Inc., a każde
użycie tych znaków przez firmę Alpine Electronics, Inc.
podlega licencji.
•
„Technologia kodowania sygnału audio MPEG Layer-3
jest licencjonowana przez firmy Fraunhofer IIS oraz
Thomson.”
•
„Niniejsze urządzenie sprzedawane jest z licencją
wyłącznie do prywatnego, niekomercyjnego użytku.
Producent nie udziela licencji ani żadnych praw do
użytkowania tego urządzenia w celach komercyjnych
(to jest przynoszących zyski), nadawania przez stacje
radiowe i telewizyjne/odtwarzania w sieci Internet,
sieciach intranetowych ani żadnych innych sieciach
lub systemach dystrybucji, jak na przykład płatne
kanały multimedialne lub usługi dostarczania treści
na żądanie. Na tego rodzaju usługi konieczne jest
uzyskanie odrębnej licencji. Szczegółowe informacje
dostępne są pod adresem
http://www.mp3licensing.com”
Fragmenty ©2011, Microsoft Corporation. Wszelkie prawa
zastrzeżone.
16-PL
ALPINE IVE-W535BT QRG 68-21057Z55-A (PL)

Πίνακας περιεχομένων
ΠΡΟΕΙΔΟΠΟΙΗΣΗ .................................................................................................................................................2
ΠΡΟΣΟΧΗ ................................................................................................................................................................2
Έναρξη .....................................................................................................................................................................3
Καταχώρηση χρήστη ..........................................................................................................................................5
Λειτουργία Ραδιοφώνου ....................................................................................................................................6
EN
Λειτουργία MP3/WMA/AAC .............................................................................................................................6
Λειτουργία DVD ....................................................................................................................................................7
Λειτουργία iPod/iPhone (Προαιρετικό) ........................................................................................................8
DE
Λειτουργία Μνήμης USB (Προαιρετικό) .......................................................................................................9
Χειρισμός τηλεφώνου με Hands-Free .........................................................................................................10
Εγκατάσταση .......................................................................................................................................................11
Συνδέσεις ..............................................................................................................................................................13
FR
Προδιαγραφές .....................................................................................................................................................15
ES
IT
ΣΗΜΑΝΤΙΚΟ
Παρακαλούμε καταγράψτε τον αύξοντα αριθμό της μονάδας σας στο χώρο που διατίθεται παρακάτω
SE
και κρατήστε τον ως μόνιμο στοιχείο.
ΑΥΞΩΝ ΑΡΙΘΜΟΣ:
ΑΥΞΩΝ ΑΡΙΘΜΟΣ ISO: AL
NL
ΗΜΕΡΟΜΗΝΙΑ ΕΓΚΑΤΑΣΤΑΣΗΣ:
ΤΕΧΝΙΚΟΣ ΕΓΚΑΤΑΣΤΑΣΗΣ:
ΚΑΤΑΣΤΗΜΑ ΑΓΟΡΑΣ:
RU
Για λεπτοέρειε για όλε τι λειτουργίε, ανατρέξτε στο εγχειρίδιο χρήστη που είναι
αποθηκευένο στο παρεχόενο CD-ROM. (Επειδή είναι CD δεδοένων, το CD δεν πορεί να
PL
χρησιοποιηθεί για την αναπαραγωγή ουσική και εικόνων στη συσκευή.) Αν χρειαστεί, ένα
αντιπρόσωπο τη ALPINE θα σα προηθεύσει άεσα ε ια εκτύπωση του εγχειριδίου του
ιδιοκτήτη που επεριέχεται στο CD-ROM.
GR
1-GR
ALPINE IVE-W535BT QRG 68-21057Z55-A (GR)

ΠΡΟΕΙΔΟΠΟΙΗΣΗ
Ένα
ΝΑ ΜΗΝ ΧΡΗΣΙΜΟΠΟΙΕΙΤΕ ΤΙΣ ΒΙΔΕΣ Ή ΤΑ ΠΑΞΙΜΑΔΙΑ
Λειτου
ΤΩΝ ΣΥΣΤΗΜΑΤΩΝ ΤΩΝ ΦΡΕΝΩΝ Ή ΤΟΥ ΤΙΜΟΝΙΟΥ ΓΙΑ
ΠΡΟΕΙΔΟΠΟΙΗΣΗ
ΣΥΝΔΕΣΕΙΣ ΓΕΙΩΣΗΣ.
Μπορείτε
Ποτέ δεν πρέπει να χρησιμοποιούνται οι βίδες ή τα παξιμάδια των
Το σύμβολο αυτό υποδηλώνει σημαντικές οδηγίες. Η αγνόησή τους
συστημάτων των φρένων ή του τιμονιού (ή οποιουδήποτε άλλου
μπορεί να οδηγήσει σε σοβαρό τραυματισμό ή θάνατο.
e
Κοινά
συστήματος σχετικού με την ασφάλεια), ή οι δεξαμενές για εγκαταστάσεις
ή συνδέσεις γείωσης. Η χρήση των μερών αυτών μπορεί να καταστήσει
ΜΗΝ ΕΚΤΕΛΕΙΤΕ ΟΠΟΙΟΔΗΠΟΤΕ ΧΕΙΡΙΣΜΟ ΠΟΥ ΑΠΟΣΠΑ ΤΗΝ
αδύνατο τον έλεγχο του οχήματος και να προκαλέσει πυρκαγιά, κλπ.
ΠΡΟΣΟΧΗ ΣΑΣ ΑΠΟ ΤΗΝ ΑΣΦΑΛΗ ΟΔΗΓΗΣΗ ΤΟΥ ΟΧΗΜΑΤΟΣ ΣΑΣ.
ΝΑ ΜΗΝ ΕΓΚΑΘΙΣΤΑΤΕ ΣΕ ΜΕΡΗ ΠΟΥ ΜΠΟΡΕΙ ΝΑ
Οποιοσδήποτε χειρισμός απαιτεί την παρατεταμένη προσοχή σας πρέπει
ΔΥΣΚΟΛΕΥΟΥΝ ΤΟ ΟΔΗΓΗΜΑ, ΟΠΩΣ ΤΟ ΤΙΜΟΝΙ Ή ΤΟ ΛΕΒΙΕ
μόνο να εκτελείται μετά από πλήρη ακινητοποίηση. Ακινητοποιείτε
ΤΑΧΥΤΗΤΩΝ.
πάντα το όχημα σε ασφαλή θέση πριν να εκτελέσετε αυτούς τους
Σε περίπτωση που το κάνετε μπορεί να μειώσετε το πρόσθιο πεδίο
χειρισμούς. Αν δεν το κάνετε μπορεί να προκληθεί ατύχημα.
Θέση χ
όρασης ή να δυσκολέψετε τις κινήσεις, κλπ. με αποτέλεσμα την
ΝΑ ΦΥΛΑΣΣΕΤΕ ΜΙΚΡΑ ΑΝΤΙΚΕΙΜΕΝΑ ΟΠΩΣ ΠΑΞΙΜΑΔΙΑ ΣΕ
πρόκληση ατυχήματος.
ΜΕΡΗ ΑΠΡΟΣΙΤΑ ΑΠΟ ΤΑ ΠΑΙΔΙΑ.
Η κατάποση τους μπορεί να οδηγήσει σε σοβαρό τραυματισμό. Σε
τέτοια περίπτωση, συμβουλευθείτε έναν παθολόγο αμέσως.
ΔΙΑΤΗΡΕΙΤΕ ΤΗΝ ΕΝΤΑΣΗ ΣΕ ΕΠΙΠΕΔΟ ΠΟΥ ΜΠΟΡΕΙΤΕ ΝΑ
ΠΡΟΣΟΧΗ
ΑΚΟΥΤΕ ΤΟΥΣ ΕΞΩΤΕΡΙΚΟΥΣ ΗΧΟΥΣ ΟΤΑΝ ΟΔΗΓΕΙΤΕ.
Υπερβολικά επίπεδα έντασης που καλύπτουν τους ήχους όπως σειρήνες
Το σύμβολο αυτό υποδηλώνει σημαντικές οδηγίες. Η αγνόησή τους
οχημάτων έκτακτης ανάγκης ή σήματα οδικής προειδοποίησης
μπορεί να οδηγήσει σε τραυματισμό ή σε υλική ζημία.
(διασταυρώσεις τραίνων, κ.λπ.) μπορεί να είναι επικίνδυνα και μπορεί να
προξενήσουν ατύχημα. Η ΑΚΡΟΑΣΗ ΣΕ ΥΠΕΡΒΟΛΙΚΗ ΕΝΤΑΣΗ ΚΑΤΑ
ΣΤΑΜΑΤΗΣΤΕ ΤΗ ΧΡΗΣΗ ΑΜΕΣΩΣ ΕΑΝ ΠΑΡΟΥΣΙΑΣΤΕΙ
ΤΗΝ ΟΔΗΓΗΣΗ ΜΠΟΡΕΙ ΕΠΙΣΗΣ ΝΑ ΠΡΟΚΑΛΕΣΕΙ ΒΛΑΒΕΣ ΑΚΟΗΣ.
ΚΑΠΟΙΟ ΠΡΟΒΛΗΜΑ.
ΜΗΝ ΑΠΟΣΥΝΑΡΜΟΛΟΓΗΣΕΤΕ ΚΑΙ ΜΗΝ ΑΛΛΑΞΕΤΕ.
Διαφορετικά μπορεί να προκληθεί προσωπικός τραυματισμός ή ζημιά
Κίνδυνος ατυχήματος, πυρκαγιάς ή ηλεκτροπληξίας.
στο προϊόν. Επιστρέψτε το στον εξουσιοδοτημένο αντιπρόσωπο ή το
κοντινότερο κέντρο υπηρεσιών της Alpine για επισκευή.
ΧΡΗΣΗ ΜΟΝΟ ΣΕ ΟΧΗΜΑΤΑ ΜΕ ΑΡΝΗΤΙΚΗ ΓΕΙΩΣΗ 12 VOLT.
(Συμβουλευθείτε την αντιπροσωπεία εάν δεν είστε βέβαιοι.) Σε
Η ΚΑΛΩΔΙΩΣΗ ΚΑΙ Η ΕΓΚΑΤΑΣΤΑΣΗ ΠΡΕΠΕΙ ΝΑ ΓΙΝΟΝΤΑΙ
διαφορετική περίπτωση υπάρχει κίνδυνος πυρκαγιάς, κ.λπ.
ΑΠΟ ΕΙΔΙΚΟΥΣ.
ΑΝΤΙΚΑΤΑΣΤΗΣΤΕ ΜΕ ΑΣΦΑΛΕΙΕΣ ΜΕ ΣΩΣΤΑ ΑΜΠΕΡ.
Η καλωδίωση και η εγκατάσταση αυτής της μονάδας απαιτούν
A
Πλή
Διαφορετικά μπορεί να προκληθεί πυρκαγιά ή ηλεκτροπληξία.
ειδικές τεχνικές ικανότητες και εμπειρία. Για την ασφάλεια σας, να
συμβουλεύεστε πάντα τον αντιπρόσωπο από όπου αγοράσατε αυτό το
Хρη
ΜΗΝ ΠΑΡΕΜΠΟΔΙΖΕΤΕ ΤΟΝ ΕΞΑΕΡΙΣΜΟ Η ΤΑ ΠΑΝΕΛ ΚΑΛΟΡΙΦΕΡ.
προϊόν για την εκτέλεση της εργασίας.
την
Κάτι τέτοιο μπορεί να προκαλέσει συσσώρευση θερμότητας στο
εσωτερικό και πυρκαγιά.
ΧΡΗΣΙΜΟΠΟΙΕΙΤΕ ΤΑ ΕΝΔΕΔΕΙΓΜΕΝΑ ΑΝΤΑΛΛΑΚΤΙΚΑ ΚΑΙ
B Απ
ΕΓΚΑΘΙΣΤΑΤΕ ΜΕ ΑΣΦΑΛΕΙΑ.
ΧΡΗΣΙΜΟΠΟΙΗΣΤΕ ΑΥΤΟ ΤΟ ΠΡΟΪΟΝ ΓΙΑ ΚΙΝΗΤΕΣ
Χρησιμοποιείτε μόνο τα ενδεδειγμένα ανταλλακτικά. Η χρήση μη
Θέσ
ΕΦΑΡΜΟΓΕΣ 12V.
ενδεδειγμένων ανταλλακτικών μπορεί να προκαλέσει εσωτερική βλάβη
απο
Χρήση διαφορετική από την προτιθέμενη μπορεί να οδηγήσει σε
της μονάδας ή να αποτρέψει την σωστή τοποθέτηση. Αυτό μπορεί να
πυρκαγιά, ηλεκτροπληξία ή άλλο τραυματισμό.
οδηγήσει σε χαλάρωση των ανταλλακτικών με συνέπεια κίνδυνο ή
C Πλ
ΜΗΝ ΒΑΖΕΤΕ ΧΕΡΙΑ, ΔΑΧΤΥΛΑ Η ΞΕΝΑ ΑΝΤΙΚΕΙΜΕΝΑ ΣΤΙΣ
βλάβη του προϊόντος.
Η
ο
ΣΧΙΣΜΕΣ.
ΤΑΚΤΟΠΟΙΗΣΤΕ ΤΑ ΚΑΛΩΔΙΑ ΑΠΟΦΕΥΓΟΝΤΑΣ ΠΤΥΧΩΣΕΙΣ
κατ
Κίνδυνος προσωπικού τραυματισμού ή ζημίας του προϊόντος.
Ή ΕΓΚΟΠΕΣ ΑΠΟ ΑΙΧΜΗΡΑ ΜΕΤΑΛΛΙΚΑ ΑΝΤΙΚΕΙΜΕΝΑ.
Πατ
ΚΑΝΤΕ ΣΩΣΤΑ ΤΙΣ ΣΥΝΔΕΣΕΙΣ.
Τοποθετήστε τα καλώδια και την καλωδίωση μακριά από κινούμενα
τoυ
Αποτυχία σωστής συνδεσμολογίας μπορεί να προκαλέσει πυρκαγιά ή
μέρη (όπως ράγες καθισμάτων) ή αιχμηρές ή κοφτερά αντικείμενα.
καταστροφή υλικού.
Αυτό αποτρέπει τις πτυχώσεις και τις βλάβες της καλωδίωσης. Εάν η
χρή
καλωδίωση περνά μέσα από μια τρύπα σε μέταλλο, χρησιμοποιήστε ένα
ΠΡΙΝ ΑΠΟ ΤΗ ΣΥΝΔΕΣΜΟΛΟΓΙΑ, ΑΠΟΣΥΝΔΕΣΤΕ ΤΟ
D Πλ
λάστιχο για να μην κοπεί η μόνωση του καλωδίου από τα μεταλλικά
ΚΑΛΩΔΙΟ ΑΠΟ ΤΟΝ ΑΡΝΗΤΙΚΟ ΠΟΛΟ ΤΗΣ ΜΠΑΤΑΡΙΑΣ.
χείλη της τρύπας.
Εφ
Σε αντίθετη περίπτωση μπορεί να προκληθεί ηλεκτροπληξία ή
ΜΗΝ EΓΚΑΘΙΣΤΑΤΕ ΣΕ ΘΕΣΕΙΣ ΜΕ ΠΟΛΛΗ ΥΓΡΑΣΙΑ Ή ΣΚΟΝΗ.
Εικό
τραυματισμός από ηλεκτρικό βραχυκύκλωμα.
Αποφύγετε την εγκατάσταση της μονάδας σε θέσεις με πολλή υγρασία
Πατ
ΜΗΝ ΕΠΙΧΕΙΡΕΙΤΕ ΠΑΡΕΜΒΟΛΗ ΣΕ ΗΛΕΚΤΡΙΚΑ ΚΑΛΩΔΙΑ.
ή σκόνη. Η υγρασία ή η σκόνη που διαπερνούν την μονάδα μπορεί να
δευ
Ποτέ να μην αφαιρείτε τη μόνωση καλωδίων για να δώσετε ρεύμα σε
προκαλέσουν βλάβη του προϊόντος.
άλλες συσκευές. Σε αντίθετη περίπτωση θα υπερβείτε τη χωρητικότητα
Πλη
ΚΡΑΤΗΣΤΕ ΤΑ ΔΑΚΤΥΛΑ ΣΑΣ ΜΑΚΡΙΑ ΕΝΩ Η
μεταφερόμενου ρεύματος του σύρματος και θα προκαλέσετε πυρκαγιά
E Πλ
ή ηλεκτροπληξία.
ΜΗΧΑΝΟΚΙΝΗΤΗ ΜΠΡΟΣΤΙΝΗ ΠΡΟΣΟΨΗ Ή Η ΚΙΝΟΥΜΕΝΗ
ΟΘΟΝΗ ΒΡΙΣΚΕΤΑΙ ΣΕ ΚΙΝΗΣΗ.
Ε
φ
ΝΑ ΜΗΝ ΠΡΟΚΑΛΕΙΤΕ ΒΛΑΒΕΣ ΣΕ ΣΩΛΗΝΕΣ Ή ΚΑΛΩΔΙΑ
Σε αντίθετη περίπτωση μπορεί να προκαλέσετε τραυματισμό ή να
ΟΤΑΝ ΑΝΟΙΓΕΤΕ ΤΡΥΠΕΣ.
Ότα
βλάψετε το προϊόν.
Όταν ανοίγετε τρύπες στο σασί για την εγκατάσταση, να παίρνετε
πατ
προφυλάξεις έτσι ώστε να μην έρχεστε σε επαφή, προκαλείτε βλάβη ή
3 δ
εμποδίζετε σωλήνες, γραμμές τροφοδοσίας με καύσιμο, δεξαμενές ή
ιστ
o
ηλεκτρικές καλωδιώσεις. Αν δεν πάρετε τέτοιες προφυλάξεις μπορεί να
προκαλέσετε πυρκαγιά.
2-GR
ALPINE IVE-W535BT QRG 68-21057Z55-A (GR)

Εγχειριδιο χρηστη Λειτουργία αφή, Θέση χειριστηρίων, Ενεργοποίηση/Απενεργοποίηση τη τροφοδοσία
Έναρξη
ΑΔΙΑ
Λειτουργία αφής
Υ ΓΙΑ
Μπορείτε να χειριστείτε το σύστηα χρησιοποιώντα τον πίνακα αφή στην οθόνη.
των
ου
e
Κοινά πλήκτρα στην οθόνη
καταστάσεις
ταστήσει
: Επιστρέφει στην προηγούενη οθόνη. Ανάλογα τη λειτουργία, αυτό το πλήκτρο πορεί να ακυρώσει
ά, κλπ.
EN
του χειρισού που εφαρόζονται στην οθόνη.
: Κλείνει το παράθυρο.
ΤΟ ΛΕΒΙΕ
πεδίο
Θέση χειριστηρίων
την
DE
FR
σή τους
ΣΤΕΙ
ES
ς ή ζημιά
ωπο ή το
ΟΝΤΑΙ
IT
ύν
A
Πλήκτρο (Απελευθέρωση)
F Πλήκτρ
(AUDIO SETUP)
ας, να
τε αυτό το
Хρησιοποιήστε το πλήκτρο αυτό για να αφαιρέσετε
Εφανίζει την οθόνη “Ρύθιση των στοιχείων Balance/
την πρόσοψη.
Fader/Subwoofer”.
SE
ΙΚΑ ΚΑΙ
Πατήστε και κρατήστε πατηένο για τουλάχιστον 3
B Απομακρυσμένος Αισθητήρας
δευτερόλεπτα για να ενεργοποιήσετε τη λειτουργία
ση μη
Θέστε τον ποπό του τηλεχειριστηρίου προ τον
επιλογή Ρυθίσει ήχου.
ρική βλάβη
αποακρυσένο αισθητήρα έσα σε εβέλεια 2 έτρων.
πορεί να
G Περιστρoφικός κωδικoπoιητής/MUTE/πλήκτρο C
δυνο ή
C Πλήκτρο (My Favorites)
NL
Ρυθίστε την ένταση γυρίζoντα πρo τα αριστερά ή
Η οθονη Αγαπηένων εφανίεται για τον
δεξιά.
ΥΧΩΣΕΙΣ
καταχωρηένo χρήστη 1.
Πατήστε για να ενεργoπoιήσετε/απενεργoπoιήσετε τη
ΕΝΑ.
Πατήστε και κρατήστε πατηένo αυτό τo κoυπί για
νούμενα
λειτoυργία σίγαση.
τoυλάχιστoν 3 δευτερόλεπτα, για να αλλάετε στoν
ίμενα.
Πατήστε και κρατήστε πατηένo επί τoυλάχιστoν 3
RU
ς. Εάν η
χρήστη2.
δευτερόλεπτα για να απενεργoπoιήσετε τη oνάδα.
ποιήστε ένα
D Πλήκτρο
(SOURCE)
ταλλικά
H Πλήκτρο c (Εαγωγή)
Εφανίζει την oθόνη Ήχoυ/Εικόνα. Αν η oθόνη Ήχoυ/
Αφαίρεση δίσκου.
Ή ΣΚΟΝΗ.
Εικόνα εφανίζεται ήδη, θα αλλάξει στην oθόνη πηγή.
PL
λή υγρασία
Πατήστε και κρατήστε πατηένο για τουλάχιστον 3
I Διακόπτης ΕΠΑΝΑΦΟΡΑΣ
μπορεί να
δευτερόλεπτα για να ενεργοποιήσετε τη λειτουργία
Το σύστηα αυτή τη συσκευή έχει επαναρρυθιστεί.
Πληροφορίε κίνηση.
ΟΥΜΕΝΗ
E Πλήκτρο
(PHONE)
GR
Εφανίζει την oθόνη ενoύ τoυ Τηλεφώνoυ.
ό ή να
Όταν είναι συνδεδεένo ένα τηλέφωνo ε hands-free,
πατήστε τo και κρατήστε τo πατηένo για τoυλάχιστoν
3 δευτερόλεπτα, για να εταβείτε στην oθόνη
ιστoρικoύ κλήσεων.
3-GR
ALPINE IVE-W535BT QRG 68-21057Z55-A (GR)
Table of contents
- MOBILE MEDIA STATION
- 1 Turn the ignition key to the ACC or ON position.
- 1 Press the (My Favorites) button. 5 Touch [Search].
- 4 Touch the selected artist name.
- 8 Touch [Audio] or [Hands-free] of the device
- 2 Mounting the Microphone.
- 5 Slide the IVE-W535BT into the dashboard
- 1 Drehen Sie den Zündschlüssel in die Stellung ACC oder EIN.
- 1 Drücken Sie die Taste (My Favorites). 5 Berühren Sie [Suchen].
- 4 Berühren Sie den Namen des ausgewählten
- 8 Berühren Sie [Audio] oder [Hands-free] für
- 2 Befestigung des Mikrofons.
- 4 Falls das Fahrzeug eine Stützhalterung
- 1 Placer la touche de démarrage sur ACC ou ON.
- 1 Appuyez sur le bouton (My Favorites). 5 Appuyez sur la touche [Chercher].
- 4 Appuyez sur le nom de l’artiste sélectionné.
- 8 Appuyez sur [Audio] ou [Hands-free] du
- 2 Montage du microphone.
- 4 Si votre véhicule possède un support, 5 Faites glisser l’IVE-W535BT dans le tableau
- 1 Gire la llave de contacto a la posición ACC u ON.
- 1 Pulse el botón (My Favorites). 5 Toque [Buscar].
- 4 Toque el nombre del artista seleccionado.
- 8 Toque [Audio] o [Hands-free] del
- 2 Instalación del micrófono.
- 4 Si su vehículo posee soporte, instale 5 Deslice el IVE-W535BT en el salpicadero
- 1 Girare la chiave di accensione sulla posizione di attivazione (ACC o ON).
- 1 Premere il tasto (My Favorites). 5 Toccare [Ricerca].
- 4 Toccare il nome dell’artista selezionato.
- 1 Toccare l’icona [Setup] nella barra
- 2 Montaggio del Microfono.
- 4 Una volta dotata la vettura della staffa, 5 Far scorrere l’unità IVE-W535BT nel
- 1 Vrid tändningsnyckeln till läge ACC eller ON.
- 1 Tryck på -knappen (My Favorites). 5 Peka på [Sök].
- 4 Tryck på det markerade artistnamnet.
- 8 Tryck på [Audio] eller [Hands-free] för den
- 2 Montera mikrofonen.
- 5 Skjut in IVE-W535BT i instrumentpanelen
- 1 Draai de contactsleutel naar de ACC of AAN positie.
- 1 Druk op de -knop (My Favorites). 5 Raak [Zoeken] aan.
- 4 Raak de naam van de geselecteerde artiest
- 8 Raak [Audio] of [Hands-free] aan van het
- 2 Montage van de Microfoon.
- 4 Wanneer uw voertuig uitgerust is met de
- 1 Поверните ключ зажигания в положение ACC или ON.
- 1 Нажмите кнопку (My Favorites). 5 Нажмите [Поиск].
- 1 Во время воспроизведения коснитесь [
- 8 Коснитесь кнопки [Audio] или [Hands-
- 2 Установка микрофона.
- 4 Если автомобиль оборудован
- 1 Obróć kluczyk zapłonu w pozycję ACC lub ON.
- 1 Naciśnij przycisk (My Favorites). 5 Dotknij przycisku [Szukaj].
- 4 Dotknij nazwę wybranego wykonawcy.
- 8 Dla urządzenia z listy, które chcesz
- 2 Montaż mikrofonu.
- 5 Wsuń urządzenie IVE-W535BT w deskę 4 Jeżeli w pojeździe dostępny jest wspornik,
- 1 Θέστε το κλειδί έναρξης στη θέση ACC ή ON (ΕΝΕΡΓΟΠΟΙΗΣΗ).
- 1 Πατήστε το πλήκτρο (My Favorites). 5 Πιέστε το [Αναζήτηση].
- 1 Πιέστε το [ (Αναζήτηση)] κατά την
- 1 Πιέστε το εικονίδιο [Setup] της Πάνω
- 2 Τοποθέτηση του μικροφώνου.
- 4 Αν το όχημά σας διαθέτει το Υποστήριγμα,




