Alpine IVE-W535BT: 4 Wanneer uw voertuig uitgerust is met de
4 Wanneer uw voertuig uitgerust is met de : Alpine IVE-W535BT

Schuif het toestel in het montageframe en
aan een zuiver metalen punt met een
Aan
bevestig het.
schroef (*1) die al met het chassis van het
Montageframe
voertuig is verbonden. Sluit alle andere
(meegeleverd)
kabels van de IVE-W535BT aan volgens
Aanslu
Dashboard
de details omschreven in het onderdeel
Aansluitingen.
Rubberen kapje
(meegeleverd)
Schroef
Dit toestel
Beugelsleutel
Zeskantmoer (M5)
2
*
Schroefbout
Druk
1
platen*
Zeskantbout
(meegeleverd)
Metalen
montageband
1
*
2
Frontplaat*
(meegeleverd)
Aardingskabel
Dit toestel
Onderstel
*1
Als het montageframe loszit in het dashboard, kunt u de
drukplaten licht plooien om het probleem op te lossen.
•
Voor de schroef gemarkeerd met “*2”, gebruikt u een
*2 De bijgeleverde frontplaat kan gemonteerd worden.
geschikte schroef voor de gekozen montageplaats.
4 Wanneer uw voertuig uitgerust is met de
beugel, monteert u de lange zeskantbout
5 Schuif de IVE-W535BT in het dashboard
op het achterpaneel van de IVE-W535BT
totdat u een klikgeluid hoort. Dit zorgt
en plaatst u het rubberen kapje op de
ervoor dat het toestel stevig op zijn plaats
zeskantbout. Versterk de hoofdeenheid
zit en niet per ongeluk uit het dashboard
met de metalen montageband (niet
zal vallen.
meegeleverd) indien uw voertuig niet is
uitgerust met de montagebeugel. Maak
de aardingskabel van het apparaat vast
Aansluitingsschema van SPST-schakelaar (apart verkrijgbaar)
(Als de ACC-stroomvoorziening niet beschikbaar is)
ACC
ZEKERING (5A)
(Rood)
SPST-SCH. (optioneel)
(optioneel)
IVE-W535BT
BATTERY
(Geel)
ZEKERING (20A)
(optioneel)
Accu
•
Voeg een SPST (Single-Pole, Single-Throw)-schakelaar (apart verkrijgbaar) en zekering (apart verkrijgbaar) toe als uw
voertuig geen ACC-stroomvoorziening heeft.
•
Bovenstaand diagram en bovenstaande stroomsterkte gelden als de IVE-W535BT individueel wordt gebruikt.
•
Als de geschakelde stroomkabel (ontsteking) van de IVE-W535BT rechtstreeks op de positieve (+) pool van de accu van
het voertuigis aangesloten, verbruikt de IVE-W535BT een minimale hoeveelheid stroom (enkele honderden milliampères),
zelfs als de schakelaar in de OFF-stand staat, en kan de accu leeglopen.
12-NL
ALPINE IVE-W535BT QRG 68-21057Z55-A (NL)

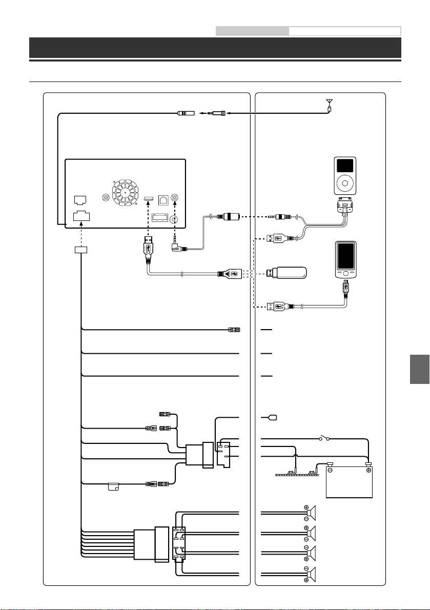
Gebruikershandleiding Aansluitingen
en
Aansluitingen
an het
dere
ens
Aansluitingen 1/2
deel
Antenne
ISO-antenneaansluiting
EN
iPod/iPhone
(Apart verkrijgbaar)
DE
Aansluitset KCU-461iV
(Apart verkrijgbaar)
FR
estel
Nokia-telefoon
(Apart verkrijgbaar)
u een
ES
iPod VIDEO AV-verlengkabel
USB-geheugen (Apart
ts.
(Meegeleverd met KCU-461iV)
verkrijgbaar)
USB-verlengkabel
oard
(Meegeleverd)
IT
orgt
plaats
Aansluitset voor Nokia-telefoon
board
KCU-230NK (Apart verkrijgbaar)
REMOTE TURN-ON
Naar versterker of equalizer
SE
(Blauw/Wit)
REVERSE
Naar plus-zijde van de achterlichtsignaalkabel van
(Oranje/Wit)
de wagen
PARKING BRAKE
NL
Naar signaalkabel van handrem
(Geel/Blauw)
RU
Naar elektrische antenne
IGNITION
(Rood)
GND
Contactsleutel
(Zwart)
POWER ANT
PL
(Blauw)
BATTERY
Accu
(Geel)
10A
GR
(Groen)
Linksachter
(Groen/Zwart)
(Wit)
als uw
Linksvoor
(Wit/Zwart)
Luidsprekers
(Grijs/Zwart)
Rechtsvoor
(Grijs)
cu van
ampères),
(Paars/Zwart)
Rechtsachter
(Paars)
13-NL
ALPINE IVE-W535BT QRG 68-21057Z55-A (NL)

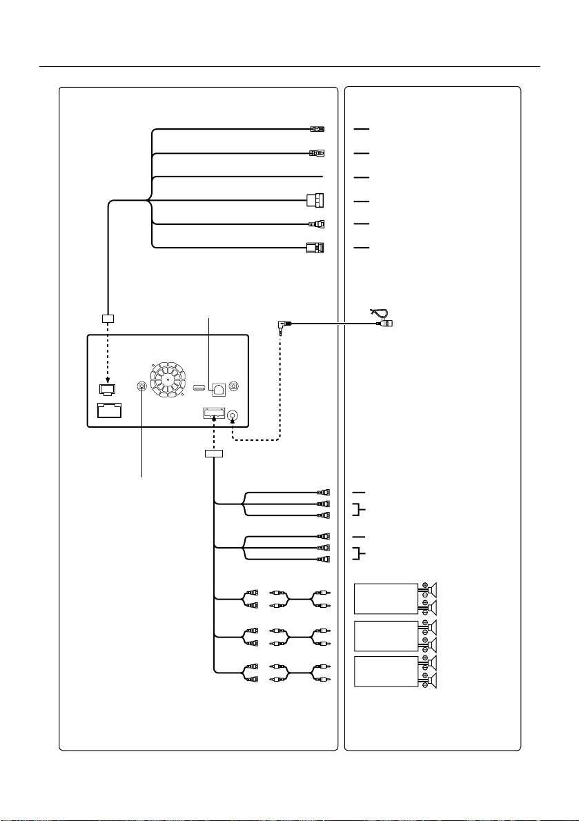
Aansluitingen 2/2
Spe
MONITO
Schermgro
REMOTE OUT
Lcd-type
Naar invoerkabel voor afstandsbediening
(Bruin)
Besturings
s
REMOTE IN
Aantal bee
Naar uitgangskabel voor afstandsbediening
(Bruin)
Effectief aa
SPEED SENSOR
Naar de lijn met het snelheidssignaal van het
(Groen/Wit)
Verlichting
s
voertuig
CAMERA1
Naar Vooraanzicht/Achteruitrijcamera
FM-TUN
CAMERA2
Naar achter/overige/camera
Afstembere
Bruikbare g
CAMERA SW
Niet gebruikt
50 dB stilte
Afwisselen
d
Signaal/rui
s
Stereosche
Sluit dit aan op de optionele
Ontvangst
v
Scherminterfacedoos in het
Voertuig.
Microfoon (meegeleverd)
MW-TUN
Afstembere
Bruikbare G
LW-TUN
Afstembere
Gevoelighe
USB-GED
USB-vereist
Max. stroom
USB-klasse
Naar de interfacebox van de
(Geel)
stuurafstandsbediening.
Naar video-uitgang
Bestandss
y
(Rood)
MP3-decod
(Wit)
Naar audio-uitgangen (R, L)
WMA-deco
AAC-decod
(Geel)
Naar video-ingang
Aantal kana
(Rood)
Frequentie
(Wit)
Naar audio-ingangen (R, L)
Totale har
m
Dynamisc
h
Linksachter
Signaal/ruis
Versterker
Rechtsachter
Kanaalsche
*
De frequ
Linksvoor
codering
Versterker
Rechtsvoor
CD/DVD
Versterker
Subwoofers
Frequentie
Snelheidsfl
Totale har
m
Dynamisc
h
Kanaalsche
Signaalsyst
Horizontal
e
Video-uitvo
14-NL
ALPINE IVE-W535BT QRG 68-21057Z55-A (NL)

Gebruikershandleiding Specificaties
Specificaties
MONITORSECTIE
Video S/N-verhouding DVD: 60 dB
Audio S/N-verhouding 100 dB
Schermgrootte 6,1”
Lcd-type Transparant type TN lcd
ONTVANGST
Besturingssysteem Actieve tft-matrix
Aantal beeldelementen 1.152.000 stuks (800 × 3 × 480)
Golflengte DVD: 666 nm
Effectief aantal beeldelementen
CD: 785 nm
99% of meer
Laserkracht CLASS II
EN
Verlichtingssysteem LED
BLUETOOTH-GEDEELTE
FM-TUNERGEDEELTE
BLUETOOTH-Specificatie Bluetooth V2.1+EDR
Afstembereik 87,5 – 108,0 MHz
Uitgangsvermogen +4 dBm Max. (Vermogensklasse 2)
DE
Bruikbare gevoeligheid mono
Profiel HFP (Profiel Handenvrij)
8,1 dBf (0,7 µV/75 ohm)
OPP (Profiel Object Indrukken)
50 dB stiltegevoeligheid 12 dBf (1,1 µV/75 ohm)
PBAP (Profiel Toegang tot
Afwisselende kanaalselectiviteit
Telefoonboek)
80 dB
A2DP (Profiel Geavanceerde
FR
Signaal/ruis-verhouding 65 dB
Audioverdeling)
Stereoscheiding 35 dB
AVRCP (Profiel Afstandsbediening
Ontvangstverhouding 2,0 dB
Audio/Video)
MW-TUNERGEDEELTE
ALGEMEEN
ES
Afstembereik 531 – 1.602 kHz
Stroomvereiste 14,4 V DC
Bruikbare Gevoeligheid 25,1 µV/28 dBf
(11–16 V toelaatbaar)
Bedrijfstemperatuur -20°C tot + 60°C
LW-TUNERGEDEELTE
Maximaal uitgangsvermogen 50 W × 4
Uitvoervoltage 2.000 mV/10.000 ohm
IT
Afstembereik 153 – 281 kHz
Gewicht 2,23 kg
Gevoeligheid (IEC-standaard) 31,6 µV/30 dBf
Audio-uitvoerniveau
Preout (voor, achter): 2 V/10.000 ohm (max.)
USB-GEDEELTE
Preout (subwoofer): 2 V/10.000 ohm (max.)
SE
USB-vereisten USB 1.1/2.0
AUX OUT: 1,2 V/10.000 ohm
Max. stroomverbruik 1.000 mA
USB-klasse USB (Play From Device)/
CHASSIS-GROOTTE
USB (Mass Storage Class)
Breedte 178 mm
Bestandssysteem FAT12/16/32
Hoogte 100 mm
NL
MP3-decodering MPEG-1/2 AUDIO Layer-3
Diepte 164,4 mm
WMA-decodering Windows Media™ Audio
AAC-decodering AAC-LC-indeling “.m4a”-bestand
NEUSFORMAAT
Aantal kanalen 2-kanaals (stereo)
Frequentierespons* 5-20.000 Hz (±1 dB)
Breedte 170 mm
RU
Totale harmonische vervorming
Hoogte 95 mm
0,008 % (bij 1 kHz)
Diepte 18,5 mm
Dynamisch bereik 95 dB (bij 1 kHz)
Signaal/ruis-verhouding 100 dB
•
Ten gevolge van voortdurende verbetering van de
Kanaalscheiding 85 dB (bij 1 kHz)
producten, kunnen specificaties en ontwerp wijzigen
PL
zonder enige kennisgeving.
*
De frequentierespons kan verschillen afhankelijk van de
coderingssoftware/bitsnelheid.
•
Het lcd-paneel is gefabriceerd met een uiterst precieze
fabricagetechnologie. De effectieve pixelverhouding is
CD/DVD-gedeelte
meer dan 99,99 %. Dit betekent dat er een mogelijkheid
is dat 0,01 % van de pixels altijd aan of uit (ON/OFF)
GR
Frequentierespons 5 – 20.000 Hz (±1dB)
Snelheidsfluctuaties (% WRMS)
zijn.
Onder meetbare limiet
Totale harmonische vervorming
0,008 % (bij 1 kHz)
Dynamisch bereik 95 dB (bij 1 kHz)
Kanaalscheiding 85 dB (bij 1 kHz)
Signaalsysteem NTSC/PAL
Horizontale resolutie 500 lijnen of meer
Video-uitvoerniveau 1Vp-p (75 ohm)
15-NL
ALPINE IVE-W535BT QRG 68-21057Z55-A (NL)

•
Dit product bevat geïntegreerde
copyrightbeveiligingstechnologie die beschermd word
door Amerikaanse patenten en andere intellectuele
eigendomsrechten van Rovi Corporation. Reverse
engineering en demontage zijn verboden.
•
Gefabriceerd onder licentie van Dolby Laboratories.
Dolby en het dubbele D-symbool zijn handelsmerken
van Dolby Laboratories.
•
Windows Media en het Windows-logo zijn
handelsmerken of gedeponeerde handelsmerken van
Microsoft Corporation in de Verenigde Staten en/of
andere landen.
•
iPhone, iPod, iPod classic, iPod nano en iPod touch en
iTunes zijn handelsmerken van Apple Inc., geregistreerd
in de VS en andere landen.
•
“Made for iPod”, en “Made for iPhone”, betekenen
dat een elektronische accessoire specifiek werd
ontworopen om te worden aangesloten op een iPod
of iPhone en gecertificeerd is door de ontwikkelaar om
te beantwoorden aan de prestatienormen van Apple.
Apple is niet verantwoordelijk voor de bediening van
dit toestel of het voldoen ervan aan veiligheidsnormen
en regelgeving. Merk op dat het gebruik van dit
accessoire met iPod of iPhone mogelijk de draadloze
prestaties beïnvloedt.
•
© 2010 Nokia. Alle rechten voorbehouden. Nokia en
Works with Nokia zijn handelsmerken of geregistreerde
handelsmerken van Nokia Corporation.
•
DivX®, DivX Certified® en bijbehorende logo’s
zijn handelsmerken van Rovi Corporation of
dochtermaatschappijen ervan en worden onder
licentie gebruikt.
•
Het BLUETOOTH® woordmerk en logo’s zijn
gedeponeerde handelsmerken van Bluetooth SIG,
Inc. en elk gebruik van zulke merken door Alpine
Electronics, Inc. is onder licentie.
•
“MPEG Layer-3 audiocoderingstechnologie onder
licentie van Fraunhofer IIS en Thomson.”
•
“De aankoop van dit product verleent enkel
toestemming voor privé-, niet-commercieel gebruik
en verleent geen toestemming nog enig recht om
dit product te gebruiken in om het even welke
commerciële (d.w.z. met winstoogmerk) real time-
uitzending (land, satelliet, kabel en/of andere media),
uitzenden/streaming via het internet, intranetten
en/of andere netwerken of in andere elektronische
systemen voor informatieverspreiding, zoals pay-audio
of audio-on-demand-toepassingen. Voor dergelijke
toepassingen is een aparte licentie vereist. Meer
informatie kunt u vinden op
http://www.mp3licensing.com”
Delen ©2011, Microsoft Corporation. Alle rechten
voorbehouden.
16-NL
ALPINE IVE-W535BT QRG 68-21057Z55-A (NL)

Содержание
ПРЕДУПРЕЖДЕНИЕ ............................................................................................................................................2
ВНИМАНИЕ ............................................................................................................................................................2
Приступая к работе ...........................................................................................................................................3
Регистрация пользователя ............................................................................................................................5
Использование радио ......................................................................................................................................6
EN
Использование проигрывателя MP3/WMA/AAC .................................................................................6
Использование проигрывателя DVD ........................................................................................................7
Использование iPod/iPhone (приобретается дополнительно) .....................................................8
DE
Работа USB-накопителя (приобретается дополнительно) ..............................................................9
Функция телефона Hands-Free ...................................................................................................................10
Установка .............................................................................................................................................................11
Соединения ........................................................................................................................................................13
FR
Технические характеристики .....................................................................................................................15
ES
IT
ВАЖНО
Запишите серийный номер своего устройства в предоставленном далее месте и сохраните его
SE
для дальнейшего использования.
СЕРИЙНЫЙ НОМЕР:
СЕРИЙНЫЙ НОМЕР ISO: AL
NL
ДАТА УСТАНОВКИ:
КТО УСТАНАВЛИВАЛ:
МЕСТО ПРИОБРЕТЕНИЯ:
RU
Подробную информацию о всех функциях см. в “Руководстве пользователя”, записанном
на прилагаемом компакт-диске. (Так как это информационный компакт- диск, его нельзя
PL
использовать для воспроизведения музыки или изображений на проигрывателе.)
При необходимости дилер ALPINE всегда сможет предоставить вам печатную версию
“Руководства пользователя”, записанного на компакт-диске.
GR
1-RU
ALPINE IVE-W535BT QRG 68-21057Z55-A (RU)

Руководст
ПРЕДУПРЕЖДЕНИЕ
При
НЕ ИСПОЛЬЗУЙТЕ БОЛТЫ ИЛИ ГАЙКИ ТОРМОЗНОЙ
Управл
СИСТЕМЫ ИЛИ СИСТЕМЫ РУЛЕВОГО УПРАВЛЕНИЯ ДЛЯ
ПРЕДУПРЕЖДЕНИЕ
ЗАЗЕМЛЕНИЯ.
Системо
Болты или гайки из тормозной системы или системы рулевого
Этот символ обозначает важные инструкции.
управления (или любой другой связанной с безопасностью системы)
или баков НИКОГДА не следует использовать при установке или
e
Осн
о
Их несоблюдение может привести к травме или
заземлении. Использование таких деталей может блокировать
смертельному исходу.
управление автомобилем и стать причиной возгорания.
НЕ УСТАНАВЛИВАЙТЕ УСТРОЙСТВО В МЕСТАХ, ГДЕ ОНО
НЕ ПРЕДПРИНИМАЙТЕ НИКАКИХ ДЕЙСТВИЙ, КОТОРЫЕ МОГУТ
МОЖЕТ МЕШАТЬ РАБОТЕ АВТОМОБИЛЯ, НАПРИМЕР, РЯДОМ
ОТВЛЕЧЬ ВАС ОТ БЕЗОПАСНОГО ВОЖДЕНИЯ АВТОМОБИЛЯ.
С РУЛЕВЫМ КОЛЕСОМ ИЛИ РЫЧАГОМ ПЕРЕКЛЮЧЕНИЯ
Любые действия, отвлекающие внимание на продолжительный
СКОРОСТЕЙ.
срок, должны выполняться только после полной остановки. Перед
В противном случае устройство может создать помехи для переднего
Располо
выполнением таких действий всегда останавливайте автомобиль в
обзора или затруднить движение, что может привести к серьезной
безопасном месте.
аварии.
Несоблюдение этого требования может привести к аварии.
ХРАНИТЕ НЕБОЛЬШИЕ ОБЪЕКТЫ, ТАКИЕ КАК ГАЙКИ, В
НЕДОСТУПНЫХ ДЛЯ ДЕТЕЙ МЕСТАХ.
Глотание таких объектов может нанести серьезную травму. Если
ребенок проглотил подобный объект, немедленно обратитесь к врачу.
ВНИМАНИЕ
ПОДДЕРЖИВАЙТЕ ГРОМКОСТЬ НА УРОВНЕ, ПОЗВОЛЯЮЩЕМ
Этот символ обозначает важные инструкции.
СЛЫШАТЬ ВНЕШНИЕ ЗВУКИ ВО ВРЕМЯ ДВИЖЕНИЯ.
Чрезмерно высокий уровень громкости, заглушающий такие
Их несоблюдение может привести к травме или
звуки, как сирены автомобилей аварийной службы и дорожные
выходу из строя Вашего устройства.
предупредительные сигналы (при пересечении ж/д путей и т.д.), может
быть опасным и привести к аварии. ИСПОЛЬЗОВАНИЕ ВЫСОКОГО
УРОВНЯ ГРОМКОСТИ В АВТОМОБИЛЕ МОЖЕТ ТАКЖЕ
ПРИ ВОЗНИКНОВЕНИИ ПРОБЛЕМ, НЕМЕДЛЕННО
ВЫЗЫВАТЬ ДЕФЕКТ СЛУХА.
ПРЕКРАТИТЕ ИСПОЛЬЗОВАНИЕ ПРОДУКТА.
В противном случае это может привести к получению травмы или
НЕ РАЗБИРАТЬ И НЕ ИЗМЕНЯТЬ.
повреждению продукта. Верните продукт своему авторизованному
Это может вызывать аварийную ситуацию, возгорание или удар
дилеру Alpine или в ближайший сервисный центр Alpine для ремонта.
электрическим током.
ПРОКЛАДКА ПРОВОДОВ И УСТАНОВКА ДОЛЖНЫ БЫТЬ
ИСПОЛЬЗОВАТЬ ТОЛЬКО В АВТОМОБИЛЯХ С ЗАЗЕМЛЕНИЕМ
ВЫПОЛНЕНЫ СПЕЦИАЛИСТАМИ.
ОТРИЦАТЕЛЬНОГО ПОЛЮСА НА 12 ВОЛЬТ.
A Кн
Для прокладки проводов и установки данного устройства требуются
(В случае сомнений проконсультируйтесь у своего дилера.) Несоблюдение
специальные технические навыки и опыт. В целях обеспечения
этого требования может привести к возникновению огня и т.п.
Ис
п
безопасности для выполнения работы всегда обращайтесь к дилеру, у
ПРИ ЗАМЕНЕ ПРЕДОХРАНИТЕЛЕЙ ИСПОЛЬЗУЙТЕ ТОЛЬКО
которого был приобретен этот продукт.
B Да
АНАЛОГИЧНЫЕ ПО НОМИНАЛУ.
ИСПОЛЬЗУЙТЕ ТОЛЬКО СПЕЦИАЛИЗИРОВАННЫЕ
На
п
Несоблюдение этого требования может привести к возгоранию и
УСТАНОВОЧНЫЕ КОМПОНЕНТЫ И ТЩАТЕЛЬНО ИХ
поражению электрическим током.
упр
ЗАКРЕПЛЯЙТЕ.
НЕ ЗАКРЫВАЙТЕ ВЕНТИЛЯЦИОННЫЕ ОТВЕРСТИЯ ИЛИ
Используйте только специфицированные вспомогательные
C Кн
ПАНЕЛИ РАДИАТОРА.
компоненты. Использование непредусмотренных компонентов может
В противном случае возможен нагрев внутренних деталей, который
вызвать внутренние повреждения устройства или стать причиной его
От
о
может привести к возгоранию.
ненадежной установки. В результате может нарушиться крепление
зар
таких компонентов, приводя к возникновению опасности или сбою
ИСПОЛЬЗУЙТЕ ЭТОТ ПРОДУКТ ТОЛЬКО ДЛЯ АВТОМОБИЛЕЙ
продукта.
Наж
С БОРТОВОЙ СЕТЬЮ НАПРЯЖЕНИЕМ 12 В.
мен
Неправильное использование может привести к возгоранию,
ПРАВИЛЬНО ПРОЛОЖЕННАЯ ПРОВОДКА НЕ ДОЛЖНА
поражению электрическим током или другим травмам.
ИЗГИБАТЬСЯ ИЛИ ЗАЩЕМЛЯТЬСЯ ОСТРЫМИ
D Кн
МЕТАЛЛИЧЕСКИМИ КРАЯМИ.
НЕ ПОМЕЩАЙТЕ РУКИ, ПАЛЬЦЫ ИЛИ ПОСТОРОННИЕ
Прокладывайте кабели и проводку далеко от движущихся частей
От
к
ОБЪЕКТЫ ВО ВХОДНЫЕ РАЗЪЕМЫ.
(например, направляющих сиденья) и острых или заостренных краев.
вид
Это может привести к получению травмы или повреждению продукта.
Это позволяет предотвратить защемление или зажатие проводов.
Если провода проходит через металлическое отверстие, используйте
ист
ВЫПОЛНЯЙТЕ ПРАВИЛЬНЫЕ ПОДКЛЮЧЕНИЯ.
резиновое уплотнительное кольца, чтобы предотвратить повреждение
Неправильное подключение может привести к возгоранию или
Наж
изоляции металлическим краем отверстия.
повреждению продукта.
для
НЕ УСТАНАВЛИВАЙТЕ УСТРОЙСТВО В МЕСТАХ С ВЫСОКИМ
ПЕРЕД ПОДКЛЮЧЕНИЕМ ПРОВОДОВ ОТСОЕДИНИТЕ КАБЕЛЬ
дор
УРОВНЕМ ВЛАЖНОСТИ ИЛИ ЗАПЫЛЕННОСТИ.
ОТ ОТРИЦАТЕЛЬНОГО ПОЛЮСА БАТАРЕИ.
Избегайте устанавливать устройство в местах с высоким уровнем
Несоблюдение этого требования может привести к поражению
E Кн
влажности или запыленности. Проникающие в устройство влага и
электрическим током или к травме вследствие короткого замыкания.
пыль могут вызвать его неисправность.
От
к
НЕ СРАЩИВАЙТЕ С ЭЛЕКТРИЧЕСКИМИ КАБЕЛЯМИ.
БЕРЕГИТЕ ПАЛЬЦЫ ВО ВРЕМЯ ПЕРЕМЕЩЕНИЯ
Есл
Никогда не срезайте кабельную изоляцию для подключения питания
МОТОРИЗОВАННОЙ ПЕРЕДНЕЙ ПАНЕЛИ ИЛИ МОНИТОРА.
рук
к другому оборудованию. В противном случае будет превышена
Неосторожность может привести к получению травмы или
допустимая нагрузка по току для данного провода, и в результате
мен
повреждению продукта.
возможно возгорание и поражение электрическим током.
выз
НЕ ПОВРЕДИТЕ ТРУБОПРОВОДЫ ИЛИ ПРОВОДКУ ПРИ
F Кн
СВЕРЛЕНИИ ОТВЕРСТИЙ.
При сверлении установочных отверстий в корпусе примите меры
От
к
предосторожности, чтобы избежать контакта, повреждения или
закупоривания трубок топливопроводов или электропроводки.
Sub
Несоблюдение этого требования может привести к возгоранию.
Наж
3 се
2-RU
ALPINE IVE-W535BT QRG 68-21057Z55-A (RU)

Руководство по эксплуатации Управление касанием, Расположение элементов управления, Включение и выключение питания
Приступая к работе
Управление касанием
ДЛЯ
Системой можно управлять при помощи сенсорной панели на экране.
ого
системы)
ке или
e
Основные сенсорные кнопки
ать
: Используется для возврата к предыдущему экрану. В зависимости от функции данной кнопкой
EN
можно отменить выполненные на экране операции.
ОНО
Р, РЯДОМ
: Используется для закрытия окна.
НИЯ
переднего
Расположение элементов управления
ьезной
DE
FR
кции.
ме или
ES
мы или
анному
я ремонта.
IT
ЫТЬ
A Кнопка (Снятие панели)
G Вращающийся регулятор/MUTE/кнопка C
ребуются
ния
Используется для снятия передней панели.
Поверните регулятор влево и вправо, чтобы
к дилеру, у
настроить уровень громкости.
B Датчик дистанционного управления
SE
Нажмите, чтобы включить/выключить режим
Направьте передатчик пульта дистанционного
отключения звука.
управления на этот датчик с расстояния до 2 метров.
Нажмите и удерживайте нажатой эту кнопку не
C Кнопка
(My Favorites)
менее 3 секунд, чтобы выключить питание.
тов может
ичиной его
Отображается экран My Favorites для
NL
H Кнопка c (Извлечение)
пление
зарегистрированного пользователя 1.
ли сбою
Используется для извлечения диска.
Нажмите и удерживайте эту кнопку в течение не
менее 3 секунд для переключения к пользователю 2.
I Кнопка RESET
НА
Восстанавливается система этого устройства.
D Кнопка
(SOURCE)
RU
частей
Открытие экрана аудио/видео. Если экран аудио/
ных краев.
видео уже отображается, будет выполнена смена
водов.
ользуйте
источника.
вреждение
Нажмите и удерживайте в течение не менее 3 секунд
PL
для включения режима информации о ситуации на
СОКИМ
дорогах.
овнем
E Кнопка
(PHONE)
влага и
Открытие экрана меню телефона.
GR
Если подключен телефон с функцией “Свободные
ИТОРА.
руки”, нажмите и удерживайте кнопку в течение не
менее 3 секунд для переключения к экрану журнала
вызовов.
F Кнопка
(AUDIO SETUP)
Открытие экрана “Настройка Balance/Fader/
Subwoofer”.
Нажмите и удерживайте кнопку в течение не менее
3 секунд для включения режима “Настройка звука”.
3-RU
ALPINE IVE-W535BT QRG 68-21057Z55-A (RU)
Table of contents
- MOBILE MEDIA STATION
- 1 Turn the ignition key to the ACC or ON position.
- 1 Press the (My Favorites) button. 5 Touch [Search].
- 4 Touch the selected artist name.
- 8 Touch [Audio] or [Hands-free] of the device
- 2 Mounting the Microphone.
- 5 Slide the IVE-W535BT into the dashboard
- 1 Drehen Sie den Zündschlüssel in die Stellung ACC oder EIN.
- 1 Drücken Sie die Taste (My Favorites). 5 Berühren Sie [Suchen].
- 4 Berühren Sie den Namen des ausgewählten
- 8 Berühren Sie [Audio] oder [Hands-free] für
- 2 Befestigung des Mikrofons.
- 4 Falls das Fahrzeug eine Stützhalterung
- 1 Placer la touche de démarrage sur ACC ou ON.
- 1 Appuyez sur le bouton (My Favorites). 5 Appuyez sur la touche [Chercher].
- 4 Appuyez sur le nom de l’artiste sélectionné.
- 8 Appuyez sur [Audio] ou [Hands-free] du
- 2 Montage du microphone.
- 4 Si votre véhicule possède un support, 5 Faites glisser l’IVE-W535BT dans le tableau
- 1 Gire la llave de contacto a la posición ACC u ON.
- 1 Pulse el botón (My Favorites). 5 Toque [Buscar].
- 4 Toque el nombre del artista seleccionado.
- 8 Toque [Audio] o [Hands-free] del
- 2 Instalación del micrófono.
- 4 Si su vehículo posee soporte, instale 5 Deslice el IVE-W535BT en el salpicadero
- 1 Girare la chiave di accensione sulla posizione di attivazione (ACC o ON).
- 1 Premere il tasto (My Favorites). 5 Toccare [Ricerca].
- 4 Toccare il nome dell’artista selezionato.
- 1 Toccare l’icona [Setup] nella barra
- 2 Montaggio del Microfono.
- 4 Una volta dotata la vettura della staffa, 5 Far scorrere l’unità IVE-W535BT nel
- 1 Vrid tändningsnyckeln till läge ACC eller ON.
- 1 Tryck på -knappen (My Favorites). 5 Peka på [Sök].
- 4 Tryck på det markerade artistnamnet.
- 8 Tryck på [Audio] eller [Hands-free] för den
- 2 Montera mikrofonen.
- 5 Skjut in IVE-W535BT i instrumentpanelen
- 1 Draai de contactsleutel naar de ACC of AAN positie.
- 1 Druk op de -knop (My Favorites). 5 Raak [Zoeken] aan.
- 4 Raak de naam van de geselecteerde artiest
- 8 Raak [Audio] of [Hands-free] aan van het
- 2 Montage van de Microfoon.
- 4 Wanneer uw voertuig uitgerust is met de
- 1 Поверните ключ зажигания в положение ACC или ON.
- 1 Нажмите кнопку (My Favorites). 5 Нажмите [Поиск].
- 1 Во время воспроизведения коснитесь [
- 8 Коснитесь кнопки [Audio] или [Hands-
- 2 Установка микрофона.
- 4 Если автомобиль оборудован
- 1 Obróć kluczyk zapłonu w pozycję ACC lub ON.
- 1 Naciśnij przycisk (My Favorites). 5 Dotknij przycisku [Szukaj].
- 4 Dotknij nazwę wybranego wykonawcy.
- 8 Dla urządzenia z listy, które chcesz
- 2 Montaż mikrofonu.
- 5 Wsuń urządzenie IVE-W535BT w deskę 4 Jeżeli w pojeździe dostępny jest wspornik,
- 1 Θέστε το κλειδί έναρξης στη θέση ACC ή ON (ΕΝΕΡΓΟΠΟΙΗΣΗ).
- 1 Πατήστε το πλήκτρο (My Favorites). 5 Πιέστε το [Αναζήτηση].
- 1 Πιέστε το [ (Αναζήτηση)] κατά την
- 1 Πιέστε το εικονίδιο [Setup] της Πάνω
- 2 Τοποθέτηση του μικροφώνου.
- 4 Αν το όχημά σας διαθέτει το Υποστήριγμα,




