Alpine IVE-W535BT: 4 Una volta dotata la vettura della staffa, 5 Far scorrere l’unità IVE-W535BT nel
4 Una volta dotata la vettura della staffa, 5 Far scorrere l’unità IVE-W535BT nel : Alpine IVE-W535BT

Far scorrere l’unità nel manicotto di
separatamente). Fissare il cavo di massa
Coll
montaggio e fissarla.
dell’unità a una parte in metallo libera
Manicotto di montaggio
per mezzo di una vite (*1) già attaccata
(in dotazione)
al telaio della vettura. Collegare tutti gli
Colleg
Cruscotto
altri cavi dell’unità IVE-W535BT secondo le
indicazioni della sezione COLLEGAMENTI.
Cappuccio in gomma
(in dotazione)
Vite
Questa unità
Staffa
Dado esagonale (M5)
2
*
Prigioniero
Piastrine di
1
pressione*
Bullone
esagonale
Staffa di
(in dotazione)
montaggio in
metallo
1
*
2
Mascherina*
(in dotazione)
Cavo di massa
Questa unità
Telaio
*1 Se il manicotto di montaggio installato è allentato
nel cruscotto, piegare leggermente le piastrine di
•
Per la vite contrassegnata con “*2”, usare una vite
pressione per risolvere il problema.
appropriata alla posizione di montaggio scelta.
*2 È possibile montare la mascherina in dotazione.
4 Una volta dotata la vettura della staffa,
5 Far scorrere l’unità IVE-W535BT nel
montare il bullone esagonale lungo
cruscotto fino a quando non si sente uno
sul pannello posteriore dell’unità IVE-
scatto. Questo assicura che l’unità sia
W535BT e applicare al bullone esagonale
bloccata adeguatamente e che non cada
il cappuccio in gomma. Se la vettura non
accidentalmente fuori dal cruscotto.
è dotata del supporto di montaggio,
rinforzare l’unità principale con la
staffa di montaggio in metallo (venduta
Diagramma di collegamento dell’interruttore SPST (venduto separatamente)
(se l’alimentazione ACC non è disponibile)
ACC
FUSIBILE (5A)
(rosso)
SPST SW (opzionale)
(opzionale)
IVE-W535BT
BATTERY
(giallo)
FUSIBILE (20A)
(opzionale)
Batteria
•
Se la vettura non è dotata di alimentazione ACC, aggiungere un interruttore SPST (Single-Pole, Single-Throw) venduto
separatamente e un fusibile venduto separatamente.
•
Il diagramma e l’amperaggio del fusibile di cui sopra si riferiscono all’uso della sola unità IVE-W535BT.
•
Se il cavo di alimentazione (accensione) dell’unità IVE-W535BT è collegato direttamente al polo positivo (+) della
batteria della vettura, l’unità IVE-W535BT consuma una certa corrente (alcune centinaia di milliampere) anche quando
l’interruttore è nella posizione OFF; pertanto, la batteria si può scaricare.
12-IT
ALPINE IVE-W535BT QRG 68-21057Z55-A (IT)

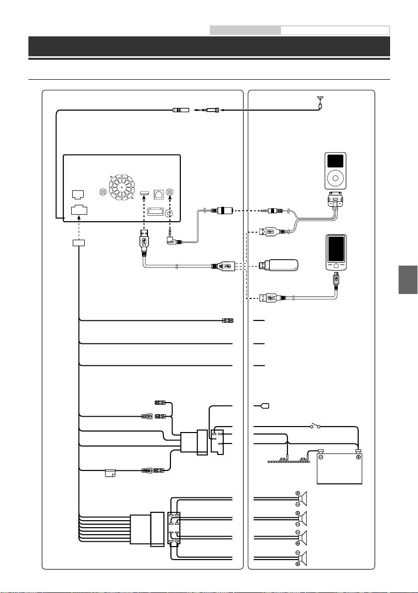
Istruzioni per l’uso Collegamenti
assa
Collegamenti
era
ata
ti gli
Collegamenti 1/2
ondo le
MENTI.
Antenna
Spina antenna ISO
EN
iPod/iPhone
(venduto separatamente)
DE
Kit di collegamento KCU-461iV
(venduto separatamente)
FR
a unità
Nokia Phone
(venduto separatamente)
vite
ES
Prolunga AV VIDEO per iPod
Memoria USB
(in dotazione con KCU-461iV)
(venduta separatamente)
Prolunga USB (in dotazione)
IT
e uno
ia
Kit di collegamento per telefono Nokia KCU-
cada
230NK (acquistabile separatamente)
REMOTE TURN-ON
.
All’amplificatore o equalizzatore
SE
(blu/bianco)
REVERSE
Al lato positivo del cavo del segnale delle luci
(arancione/bianco)
posteriori della vettura
PARKING BRAKE
NL
Al conduttore del segnale del freno di
(giallo/blu)
stazionamento
e)
RU
All’antenna
IGNITION
(rosso)
GND
Chiave di accensione
(nero)
POWER ANT
PL
(blu)
BATTERY
Batteria
(giallo)
10A
GR
(verde)
Posteriore sinistro
(verde/nero)
enduto
(bianco)
Anteriore sinistro
(bianco/nero)
Altoparlanti
(grigio/nero)
la
Anteriore destro
(grigio)
e quando
(viola/nero)
Posteriore destro
(viola)
13-IT
ALPINE IVE-W535BT QRG 68-21057Z55-A (IT)

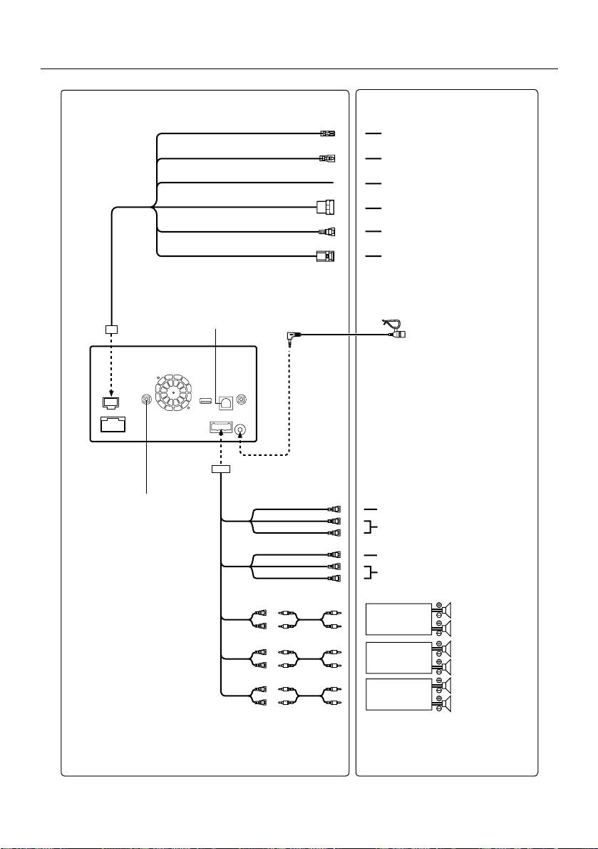
Collegamenti 2/2
Spe
SEZIONE
Dimension
REMOTE OUT
Al conduttore di ingresso del telecomando
Tipo LCD
(marrone)
Sistema o
p
REMOTE IN
Al cavo di uscita del telecomando
Numero di
(marrone)
SPEED SENSOR
Numero di
Alla linea impulsi di velocità del veicolo
(verde/bianco)
Sistema di
CAMERA1
Alla telecamera anteriore/posteriore
SEZIONE
CAMERA2
Alla telecamera posteriore/altra telecamera/
Gamma di
telecamera
Sensibilità
u
CAMERA SW
Non utilizzato
Sensibilità p
Selettività
Rapporto s
Separazion
Rapporto
d
Collegarlo al box interfaccia display
opzionale della vettura.
Microfono (in dotazione)
SEZIONE
Gamma di
Sensibilità
u
SEZIONE
Gamma di
Sensibilità
(
SEZIONE
Requisiti US
Consumo e
Categoria
U
Alla scatola interfaccia del telecomando
(giallo)
sullo sterzo.
Al terminale di uscita video
(rosso)
File System
(bianco)
Ai terminali di uscita audio (L/R)
Decodifica
Decodifica
(giallo)
Al terminale di ingresso video
Decodifica
(rosso)
Numero di
(bianco)
Ai terminali di ingresso audio (L/R)
Risposta in
Distorsion
e
Gamma din
Posteriore sinistro
Rapporto s
Amplificatore
Posteriore destro
Separazion
*
La rispo
s
Anteriore sinistro
per la cod
Amplificatore
Anteriore destro
SEZIONE
Amplificatore
Subwoofer
Risposta in
Wow & Flu
t
Distorsione
Gamma din
Separazion
Sistema de
Risoluzion
e
Livello uscit
Rapporto S
Rapporto S
14-IT
ALPINE IVE-W535BT QRG 68-21057Z55-A (IT)

Istruzioni per l’uso Specifiche
Specifiche
SEZIONE MONITOR
PICKUP
Dimensioni schermo 6,1”
Lunghezza d’onda DVD: 666 nm
Tipo LCD TN LCD di tipo trasparente
CD: 785 nm
Sistema operativo Matrice attiva TFT
Potenza laser CLASS II
Numero di pixel 1.152.000 pixel
(800 × 3 × 480)
SEZIONE BLUETOOTH
Numero di pixel effettivo 99% o superiore
EN
Specifica BLUETOOTH Bluetooth V 2.1+EDR
Sistema di illuminazione LED
Potenza in uscita +4 dBm Max. (Classe potenza 2)
Profilo HFP (Hands-Free Profile)
SEZIONE SINTONIZZATORE FM
OPP (Object Push Profile)
Gamma di sintonizzazione 87,5 – 108,0 MHz
PBAP (Phone Book Access Profile)
DE
Sensibilità utile 8,1 dBf (0,7 µV/75 ohm)
A2DP (Advanced Audio
Sensibilità per 50 dB 12 dBf (1,1 µV/75 ohm)
Distribution Profile)
Selettività 80 dB
AVRCP (Audio/Video Remote
Rapporto segnale-rumore 65 dB
Control Profile)
FR
Separazione stereo 35 dB
Rapporto di cattura 2,0 dB
GENERALI
Potenza richiesta 14,4 V CC
SEZIONE SINTONIZZATORE MW
(11–16 V consentiti)
Gamma di sintonizzazione 531 – 1.602 kHz
Temperatura di esercizio da -20°C a + 60°C
ES
Sensibilità utile 25,1 µV/28 dBf
Uscita di potenza massima 50 W × 4
Tensione in uscita 2.000 mV/10k ohm
SEZIONE SINTONIZZATORE LW
Peso 2,23 kg
Livello uscita audio
Gamma di sintonizzazione 153 – 281 kHz
IT
Preout (anteriore, posteriore):
Sensibilità (IEC Standard) 31,6 µV/30 dBf
2 V/10k ohm (max.)
Pre-out (subwoofer): 2 V/10k ohm (max.)
SEZIONE USB
AUX OUT: 1,2 V/10k ohm
Requisiti USB USB 1.1/2.0
SE
Consumo energetico massimo
DIMENSIONI DEL TELAIO
1.000 mA
Ampiezza 178 mm
Categoria USB USB (Riproduzione da dispositivo)/
Altezza 100 mm
USB (Archiviazione di massa)
Profondità 164,4 mm
File System FAT12/16/32
NL
Decodifica MP3 MPEG-1/2 AUDIO Layer-3
DIMENSIONI DEL FRONTALINO
Decodifica WMA Windows Media™ Audio
Decodifica AAC File “.m4a” formato AAC-LC
Ampiezza 170 mm
Numero di canali 2 canali (Stereo)
Altezza 95 mm
RU
Risposta in frequenza* 5-20.000 Hz (±1 dB)
Profondità 18,5 mm
Distorsione armonica totale 0,008% (a 1 kHz)
•
A causa di continui miglioramenti del prodotto, i dati
Gamma dinamica 95 dB (a 1 kHz)
tecnici e il design sono soggetti a modifiche senza
Rapporto segnale-rumore 100 dB
preavviso.
Separazione fra canali 85 dB (a 1 kHz)
PL
•
Il pannello LCD viene fabbricato usando tecnologie
*
La risposta in frequenza potrebbe variare a seconda del software
di costruzione ad altissima precisione. Il numero di
per la codifica o della velocità di trasmissione.
pixel effettivo è pari a 99,99%. Ciò significa che c’è una
possibilità che lo 0,01% di pixel potrebbe essere sempre
SEZIONE CD/DVD
accesa o sempre spenta.
GR
Risposta in frequenza 5 – 20.000 Hz (±1 dB)
Wow & Flutter (% WRMS) Al di sotto dei limiti misurabili
Distorsione armonica totale 0,008% (a 1 kHz)
Gamma dinamica 95 dB (a 1 kHz)
Separazione fra canali 85 dB (a 1 kHz)
Sistema dei segnali NTSC/PAL
Risoluzione orizzontale 500 linee o superiore
Livello uscita video 1Vp-p (75 ohm)
Rapporto S/N video DVD: 60 dB
Rapporto S/N audio 100 dB
15-IT
ALPINE IVE-W535BT QRG 68-21057Z55-A (IT)

•
Questo prodotto incorpora una tecnologia di
protezione dalla copia protetta da brevetti USA e da
altri diritti di proprietà intellettuale di Rovi Corporation.
Sono proibite la decompilazione e il disassemblaggio.
•
Prodotto con licenza di Dolby Laboratories. Dolby
e il simbolo della doppia D sono marchi di Dolby
Laboratories.
•
Windows Media e il logo di Windows sono marchi di
fabbrica o marchi di fabbrica registrati di Microsoft
Corporation negli Stati Uniti e/o in altri paesi.
•
iPhone, iPod, iPod classic, iPod nano, iPod touch e
iTunes sono marchi di Apple Inc., registrati negli Stati
Uniti e in altri paesi.
•
“Made for iPod,” e “Made for iPhone,” significano che un
accessorio elettronico è stato progettato per essere
collegato specificatamente a un iPod o a un iPhone,
rispettivamente, e ha la certificazione dallo sviluppatore
di soddisfare gli standard di prestazione di Apple. Apple
non è responsabile del funzionamento del presente
dispositivo o della sua conformità agli standard
normativi e di sicurezza. Si noti che l’uso di questo
accessorio con un iPod o iPhone potrebbe influire sulle
prestazioni della rete senza fili.
•
© 2010 Nokia. Tutti i diritti riservati. Nokia e Works
with Nokia sono marchi o marchi registrati di Nokia
Corporation.
•
DivX®, DivX Certified® e i relativi logo sono marchi di
fabbrica di Rovi Corporation o delle sue sussidiarie e
vengono utilizzati su licenza.
•
La parola e i loghi BLUETOOTH® sono marchi di fabbrica
registrati di proprietà di Bluetooth SIG, Inc. e qualsiasi
utilizzo di questi marchi da parte di Alpine Electronics,
Inc. avviene su licenza.
•
“Tecnologia di codifica audio MPEG Layer-3 concessa in
licenza da Fraunhofer IIS e Thomson.”
•
“La fornitura del presente prodotto concede soltanto
una licenza per uso privato, non commerciale e non
garantisce licenze né implica diritti d’uso del prodotto
in trasmissioni in tempo reale di tipo commerciale
(cioè con ricavo di profitti) di tipo terrestre, satellitare,
via cavo e/o mediante altri supporti, trasmissioni/
streaming via Internet, intranet e/o altre reti o in altri
sistemi di distribuzione elettronica del contenuto, quali
applicazioni pay-audio o audio-on-demand. È richiesta
una licenza indipendente per tali usi. Per informazioni,
visitare http://www.mp3licensing.com”
Portions ©2011, Microsoft Corporation. Tutti i diritti
riservati.
16-IT
ALPINE IVE-W535BT QRG 68-21057Z55-A (IT)

Innehåll
VARNING ..................................................................................................................................................................2
FÖRSIKTIGT .............................................................................................................................................................2
Komma igång ........................................................................................................................................................3
Registrering av användare ................................................................................................................................5
Radiofunktion ........................................................................................................................................................6
EN
MP3/WMA/AAC-användning ...........................................................................................................................6
DVD-funktion.........................................................................................................................................................7
Använda iPod/iPhone (tillval) ..........................................................................................................................8
DE
USB-minnesanvändning (tillval) .....................................................................................................................9
Styrning av handsfree-telefon .......................................................................................................................10
Installation ............................................................................................................................................................11
Anslutningar ........................................................................................................................................................13
FR
Specifikationer ....................................................................................................................................................15
ES
IT
VIKTIGT
Skriv in enhetens serienummet i fältet nedan och ha det alltid tillgängligt som referens.
SE
SERIENUMMER:
ISO SERIENUMMER: AL
INSTALLATIONSDATUM:
NL
INSTALLATIONSTEKNIKER:
INKÖPSSTÄLLE:
RU
Läs användarhandledningen på den medföljande cd-skivan för detaljerad information om alla
funktioner (eftersom det är en dataskiva kan den inte användas för uppspelning av musik och
bilder på spelaren). Vid behov kan en ALPINE-återförsäljare enkelt förse dig med en utskrift av den
PL
användarhandledning som finns på cd-skivan.
GR
1-SE
ALPINE IVE-W535BT QRG 68-21057Z55-A (SE)

VARNING
Kom
MONTERA VARKEN MUTTRAR ELLER BULTAR I NÅGON DEL
Peksty
AV BROMSSYSTEMET VID JORDANSLUTNINGAR.
VARNING
Bultar eller muttrar som hör till någon vätsketank, styr- eller
Du kan st
bromssystemet (eller något annan system som är av betydelse
Denna symbol indikerar viktiga instruktioner.
för säkerheten) ska ALDRIG användas för kabeldragning eller
e
Vanli
Om dessa inte följs kan det kan leda till allvarliga
jordanslutning. Användandet av sådana delar kan leda till att fordonets
skador eller dödsfall.
styrförmåga försämras och orsaka bromsfel, brand eller personskada.
MONTERA INTE APPARATEN PÅ EN PLATS DÄR DEN KAN
UTFÖR ALDRIG NÅGON OPERATION SOM INNEBÄR ATT
UTGÖRA RISK FÖR FORDONETS MANÖVRERING, T.EX. I
UPPMÄRKSAMHETEN DRAS BORT FRÅN KÖRNINGEN.
NÄRHETEN AV RATT ELLER VÄXELSPAK.
Stanna alltid fordonet på en säker plats innan apparaten manövreras. I
Om installationen försämrar sikten eller hindrar rörelsen hos väsentliga
Kontroll
annat fall kan olyckor lätt inträffa.
funktioner kan det lätt leda till olyckor.
FÖRVARA SMÅ FÖREMÅL SOM T.EX. BULTAR OCH SKRUVAR
UTOM RÄCKHÅLL FÖR BARN.
Om något föremål skulle sväljas, skall en läkare kontaktas omedelbart.
STÄLL IN LJUDVOLYMEN PÅ EN NIVÅ MED VILKEN DET
FÖRSIKTIGT
FORTFARANDE ÄR MÖJLIGT ATT HÖRA YTTRE LJUD UNDER
PÅGÅENDE KÖRNING.
Denna symbol indikerar viktiga instruktioner.
För hög volym som döljer utryckningsfordons sirener eller vägsignaler
Underlåtenhet att följa dem kan leda till skador på
(t ex järnvägsövergångar) kan vara farlig och orsaka en olycka. DET
person eller egendom.
KAN OCKSÅ ORSAKA HÖRSELSKADA OM MAN LYSSNAR PÅ FÖR
HÖGA VOLYMER I EN BIL.
AVBRYT GENAST ANVÄNDNING OM PROBLEM UPPSTÅR.
TAG INTE ISÄR OCH GÖR INGA ÄNDRINGAR.
I annat fall kan personskador eller skador på själva enheten uppstå.
Det kan resultera i en olycka, brand eller elektriska stötar.
Lämna apparaten till återförsäljaren för reparation.
ANVÄND BARA ENHETEN I BILAR MED 12-VOLTSYSTEM SOM
LÅT EN FACKKUNNIG TEKNIKER GÖRA KABELDRAGNINGEN
HAR NEGATIV (–) JORD.
OCH MONTERINGEN.
(Återförsäljaren kan hjälpa dig om du är osäker.) Felaktig anslutning kan
Kabeldragningen och monteringen av denna apparat kräver teknisk
resultera i brand, elektriska stötar eller andra skador.
kunskap och erfarenhet. Kontakta återförsäljaren, som sålde apparaten,
A -k
ANVÄND RÄTT AMPERETAL VID BYTE AV SÄKRINGAR.
för utförandet av säker montering.
Anv
Fel amperetal kan orsaka brand eller elektriska stötar.
ANVÄND ALLTID SPECIFICERADE TILLBEHÖR OCH MONTERA
BLOCKERA INTE VENTILATIONS-ÖPPNINGAR ELLER VÄRME-
TILLBEHÖREN ORDENTLIGT.
B Fjä
PANELER.
Användandet av andra delar än som är avsedda för denna apparat kan
Rikt
Det kan göra att värme alstras inuti apparaten, vilket kan leda till brand.
leda till att apparaten skadas invändigt eller till ostadig montering på
avs
grund av lossnande delar.
DEN HÄR PRODUKTEN ÁR ENDAST AVSEDD FÖR
C -
MONTERING I BILAR MED 12 VOLTS-SYSTEM.
DRA KABLARNA RAKA OCH SÅ ATT DE INTE KOMMER I KLÄM
Annan användning kan resultera i brand, elektriska stötar eller andra
ELLER SKAVER MOT SKARPA KANTER.
Skä
skador.
Undvik kläm- och nötskador genom att se till att kablarna går fria från
visa
rörliga delar (t.ex. bilsätenas glidbanor) och skarpa och spetsiga kanter.
STOPPA INTE IN FINGRAR, HÄNDER ELLER FRÄMMANDE
Hål
Om kablarna måste dras genom hål i plåten bör gummibussningar
FÖREMÅL I ÖPPNINGAR ELLER HÅL.
vä
x
användas som skydd, så att inte kablarna ligger och nöter mot metallen.
Det kan leda till personskada eller skada på utrustningen.
D -
MONTERA INTE APPARATEN DÄR DEN UTSÄTTS FÖR FUKT
GÖR ANSLUTNINGARNA PÅ KORREKT SÄTT.
ELLER DAMM.
Vis
a
Felaktiga anslutningar kan orsaka brand eller skador på enheten.
Undvik att installera enheten på platser där fukt och damm kan tränga
visa
KOPPLA UR KABELN FRÅN DET NEGATIVA (–) UTTAGET PÅ
in och ställa till skador.
Hål
BILBATTERIET INNAN ANSLUTNINGARNA GÖRS.
HÅLL FINGRARNA BORTA NÄR DEN MOTORDRIVNA
tra
f
Detta för att undvika risken för elektriska stötar eller olycksfall på grund
FRONTPANELEN ELLER MONITORN ÄR I RÖRELSE.
av kortslutning.
E -
Det kan resultera i personskador eller skador på enheten.
KAPA INTE BORT KABELMANTELN FRÅN EN STRÖMKABEL
Visa
FÖR ATT STRÖMFÖRSÖRJA NÅGOT ANNANT TILLBEHÖR.
Hål
Det leder till en för hög kabelbelastning och kan resultera i brand eller
ha
n
elektriska stötar.
för
SE TILL ATT VARKEN RÖR, VÄTSKELEDNINGAR ELLER KABLAR
VIDRÖRS, SKADAS ELLER FÖRHINDRAS VID BORRNING AV
F
-
HÅL.
Visa
Undersök chassit innan hålen borras så att inte några slangar, kablar,
Hål
bränsleledningar eller liknande råkar skadas. Det kan leda till att brand
val
uppstår.
2-SE
ALPINE IVE-W535BT QRG 68-21057Z55-A (SE)

Användarhandledning Pekstyrning, Kontrollernas placering, Slå på eller stänga av strömmen
Komma igång
ON DEL
Pekstyrning
Du kan styra systemet med hjälp av pekskärmen.
e
r
e
Vanliga knappar på skärmen
fordonets
onskada.
: Återgår till föregående skärm. Beroende på funktionen kanske denna knapp avbryter åtgärderna som
EN
utförts på skärmen.
KAN
EX. I
: Stänger fönstret.
s väsentliga
Kontrollernas placering
DE
FR
ner.
ador på
ES
STÅR.
uppstå.
NINGEN
IT
teknisk
apparaten,
A -knappen (Release)
G Vridkontrollen/MUTE/C-knappen
Använd denna knapp för att ta bort frontpanelen.
Du ställer in volymen genom att vrida kontrollen åt
MONTERA
vänster eller höger.
B Fjärrsensor
SE
Tryck för att aktivera/avaktivera ljudavstängningsläget.
parat kan
Rikta fjärrkontrollens sändare mot fjärrsensorn inom ett
ering på
Du stänger av strömmen genom att hålla knappen
avstånd på 2 meter.
intryckt i minst 3 sekunder.
C
-knappen (My Favorites)
ER I KLÄM
H c-knappen (Eject)
Skärmen Mina favoriter för att registrera Användare 1
NL
Matar ut skivan.
r fria från
visas.
iga kanter.
Håll denna knapp intryckt i minst 3 sekunder för att
I RESET-brytare
ningar
växla till Användare 2.
Enhetens system återställs.
t metallen.
D
-knappen (SOURCE)
R FUKT
RU
Visar skärmen Ljud/Bild. Om skärmen Ljud/Bild redan
kan tränga
visas, byts källan.
Håll intryckt i minst 3 sekunder för att aktivera
A
trafikinformationsläget.
PL
E
-knappen (PHONE)
Visa telefonmenyskärmen.
Håll knappen intryckt i minst 3 sekunder när en
handsfreetelefon är ansluten för att växla till skärmen
GR
för samtalshistorik.
F
-knappen (AUDIO SETUP)
Visar skärmen ”Ställa in Balance/Fader/Subwoofer”.
Håll intryckt i minst 3 sekunder för att aktivera läget för
val av Ljudinställning.
3-SE
ALPINE IVE-W535BT QRG 68-21057Z55-A (SE)
Table of contents
- MOBILE MEDIA STATION
- 1 Turn the ignition key to the ACC or ON position.
- 1 Press the (My Favorites) button. 5 Touch [Search].
- 4 Touch the selected artist name.
- 8 Touch [Audio] or [Hands-free] of the device
- 2 Mounting the Microphone.
- 5 Slide the IVE-W535BT into the dashboard
- 1 Drehen Sie den Zündschlüssel in die Stellung ACC oder EIN.
- 1 Drücken Sie die Taste (My Favorites). 5 Berühren Sie [Suchen].
- 4 Berühren Sie den Namen des ausgewählten
- 8 Berühren Sie [Audio] oder [Hands-free] für
- 2 Befestigung des Mikrofons.
- 4 Falls das Fahrzeug eine Stützhalterung
- 1 Placer la touche de démarrage sur ACC ou ON.
- 1 Appuyez sur le bouton (My Favorites). 5 Appuyez sur la touche [Chercher].
- 4 Appuyez sur le nom de l’artiste sélectionné.
- 8 Appuyez sur [Audio] ou [Hands-free] du
- 2 Montage du microphone.
- 4 Si votre véhicule possède un support, 5 Faites glisser l’IVE-W535BT dans le tableau
- 1 Gire la llave de contacto a la posición ACC u ON.
- 1 Pulse el botón (My Favorites). 5 Toque [Buscar].
- 4 Toque el nombre del artista seleccionado.
- 8 Toque [Audio] o [Hands-free] del
- 2 Instalación del micrófono.
- 4 Si su vehículo posee soporte, instale 5 Deslice el IVE-W535BT en el salpicadero
- 1 Girare la chiave di accensione sulla posizione di attivazione (ACC o ON).
- 1 Premere il tasto (My Favorites). 5 Toccare [Ricerca].
- 4 Toccare il nome dell’artista selezionato.
- 1 Toccare l’icona [Setup] nella barra
- 2 Montaggio del Microfono.
- 4 Una volta dotata la vettura della staffa, 5 Far scorrere l’unità IVE-W535BT nel
- 1 Vrid tändningsnyckeln till läge ACC eller ON.
- 1 Tryck på -knappen (My Favorites). 5 Peka på [Sök].
- 4 Tryck på det markerade artistnamnet.
- 8 Tryck på [Audio] eller [Hands-free] för den
- 2 Montera mikrofonen.
- 5 Skjut in IVE-W535BT i instrumentpanelen
- 1 Draai de contactsleutel naar de ACC of AAN positie.
- 1 Druk op de -knop (My Favorites). 5 Raak [Zoeken] aan.
- 4 Raak de naam van de geselecteerde artiest
- 8 Raak [Audio] of [Hands-free] aan van het
- 2 Montage van de Microfoon.
- 4 Wanneer uw voertuig uitgerust is met de
- 1 Поверните ключ зажигания в положение ACC или ON.
- 1 Нажмите кнопку (My Favorites). 5 Нажмите [Поиск].
- 1 Во время воспроизведения коснитесь [
- 8 Коснитесь кнопки [Audio] или [Hands-
- 2 Установка микрофона.
- 4 Если автомобиль оборудован
- 1 Obróć kluczyk zapłonu w pozycję ACC lub ON.
- 1 Naciśnij przycisk (My Favorites). 5 Dotknij przycisku [Szukaj].
- 4 Dotknij nazwę wybranego wykonawcy.
- 8 Dla urządzenia z listy, które chcesz
- 2 Montaż mikrofonu.
- 5 Wsuń urządzenie IVE-W535BT w deskę 4 Jeżeli w pojeździe dostępny jest wspornik,
- 1 Θέστε το κλειδί έναρξης στη θέση ACC ή ON (ΕΝΕΡΓΟΠΟΙΗΣΗ).
- 1 Πατήστε το πλήκτρο (My Favorites). 5 Πιέστε το [Αναζήτηση].
- 1 Πιέστε το [ (Αναζήτηση)] κατά την
- 1 Πιέστε το εικονίδιο [Setup] της Πάνω
- 2 Τοποθέτηση του μικροφώνου.
- 4 Αν το όχημά σας διαθέτει το Υποστήριγμα,




