Alpine IVE-W535BT: 4 Falls das Fahrzeug eine Stützhalterung
4 Falls das Fahrzeug eine Stützhalterung : Alpine IVE-W535BT

Schieben Sie das Gerät in den
Sichern Sie das Massekabel des Geräts
Ans
Einbaurahmen und sichern Sie es.
mit Hilfe einer bereits am Chassis des
Einbaurahmen
Fahrzeugs vorhandenen Schraube (*1)
(mitgeliefert)
an einer sauberen Metallstelle. Schließen
Anschl
Armaturenbrett
Sie alle anderen Kabel des IVE-W535BT
an dieses Gerät gemäß den Angaben im
Gummikappe
(mitgeliefert)
Abschnitt ANSCHLÜSSE an.
Dieses Gerät
Halterung-
Schraube
sklammer
Sechskantmutter (M5)
2
*
Stiftschraube
Druck-
1
Platten*
Sechskantbolzen
(mitgeliefert)
Befestigungsstrebe
2
Frontplatte*
1
*
(mitgeliefert)
*1
Wenn der angebrachte Einbaurahmen lose im
Armaturenbrett sitzt, können die Druckplatten geringfügig
Massekabel
Dieses Gerät
Chassis
gebogen werden, um das Problem zu beheben.
•
Für die Schraube, gekennzeichnet mit „*2“, eine für den
*2 Die mitgelieferte Frontplatte kann angebracht werden.
gewählten Einbauort geeignete Schraube verwenden.
4 Falls das Fahrzeug eine Stützhalterung
aufweist, bringen Sie die lange
5 Schieben Sie den IVE-W535BT in das
Sechskantschraube an der Rückseite des
Armaturenbrett, bis ein Klicken ertönt.
IVE-W535BT an und decken sie mit der
Hierdurch wird sichergestellt, dass das
Gummikappe ab. Bei einem Fahrzeug ohne
Gerät vorschriftsmäßig arretiert ist und
Stützhalterung muss das Hauptgerät mit
nicht aus dem Armaturenbrett rutschen
Hilfe einer Befestigungsstrebe (nicht im
kann.
Lieferumfang) hinten abgestützt werden.
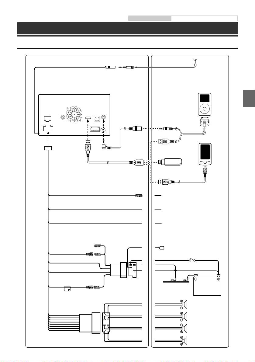
Anschlussschema für SPST-Schalter (separat erhältlich)
(Falls keine ACC-Spannungsversorgung vorhanden ist)
ACC
SICHERUNG
(Rot)
SPST SW (Option)
(5A) (Option)
IVE-W535BT
BATTERY
(Gelb)
SICHERUNG
(20A) (Option)
Batterie
•
Wenn Ihr Fahrzeug keine ACC-Spannungsversorgung bietet, schließen Sie das Gerät über einen separat erhältlichen
SPST-Schalter (einpoliger Ein-/Ausschalter) und über eine separat erhältliche Sicherung an.
•
Das Diagramm und die oben angegebene Amperezahl der Sicherung beziehen sich auf den Fall, in dem der IVE-W535BT
allein verwendet wird.
•
Wenn das Zuleitungskabel für die geschaltete Stromversorgung (Zündung) des IVE-W535BT direkt mit dem Pluspol (+)
der Batterie des Fahrzeugs verbunden ist, zieht der IVE-W535BT auch im ausgeschalteten Zustand Strom (einige hundert
Milliampere), was ein Entladen der Batterie zur Folge haben kann.
12-DE
ALPINE IVE-W535BT QRG 68-21057Z55-A (DE)

Bedienungsanleitung Anschlüsse
äts
Anschlüsse
es
*1)
ießen
Anschlüsse 1/2
5BT
n im
Antenne
ISO-Antennenstecker
EN
iPod/iPhone
(separat erhältlich)
DE
Verbindungssatz KCU-
461iV (separat erhältlich)
FR
Nokia-Phone
(separat erhältlich)
Gerät
ES
iPod VIDEO AV-Verbindungskabel
USB-Speicher
e für den
(Mitgeliefert mit KCU-461iV)
(separat erhältlich)
nden.
USB-Verlängerungskabel
(mitgeliefert)
IT
s
önt.
Verbindungssatz KCU-230NK für
das
Nokia-Telefon (separat erhältlich)
REMOTE TURN-ON
und
An den Verstärker bzw. Equalizer
SE
(Blau/Weiß)
chen
REVERSE
An die Plusader des Rückfahrscheinwerferkabels
(Orange/Weiß)
am Fahrzeug
PARKING BRAKE
NL
An das Handbremsen-Signalkabel
(Gelb/Blau)
RU
An die Motorantenne
IGNITION
(Rot)
GND
Zündschlüssel
(Schwarz)
POWER ANT
PL
(Blau)
BATTERY
Batterie
(Gelb)
10A
GR
(Grün)
Hinten links
(Grün/Schwarz)
hen
(Weiß)
Vorne links
(Weiß/Schwarz)
W535BT
Lautsprecher
(Grau/Schwarz)
Vorne rechts
spol (+)
(Grau)
e hundert
(Violett/Schwarz)
Hinten rechts
(Violett)
13-DE
ALPINE IVE-W535BT QRG 68-21057Z55-A (DE)

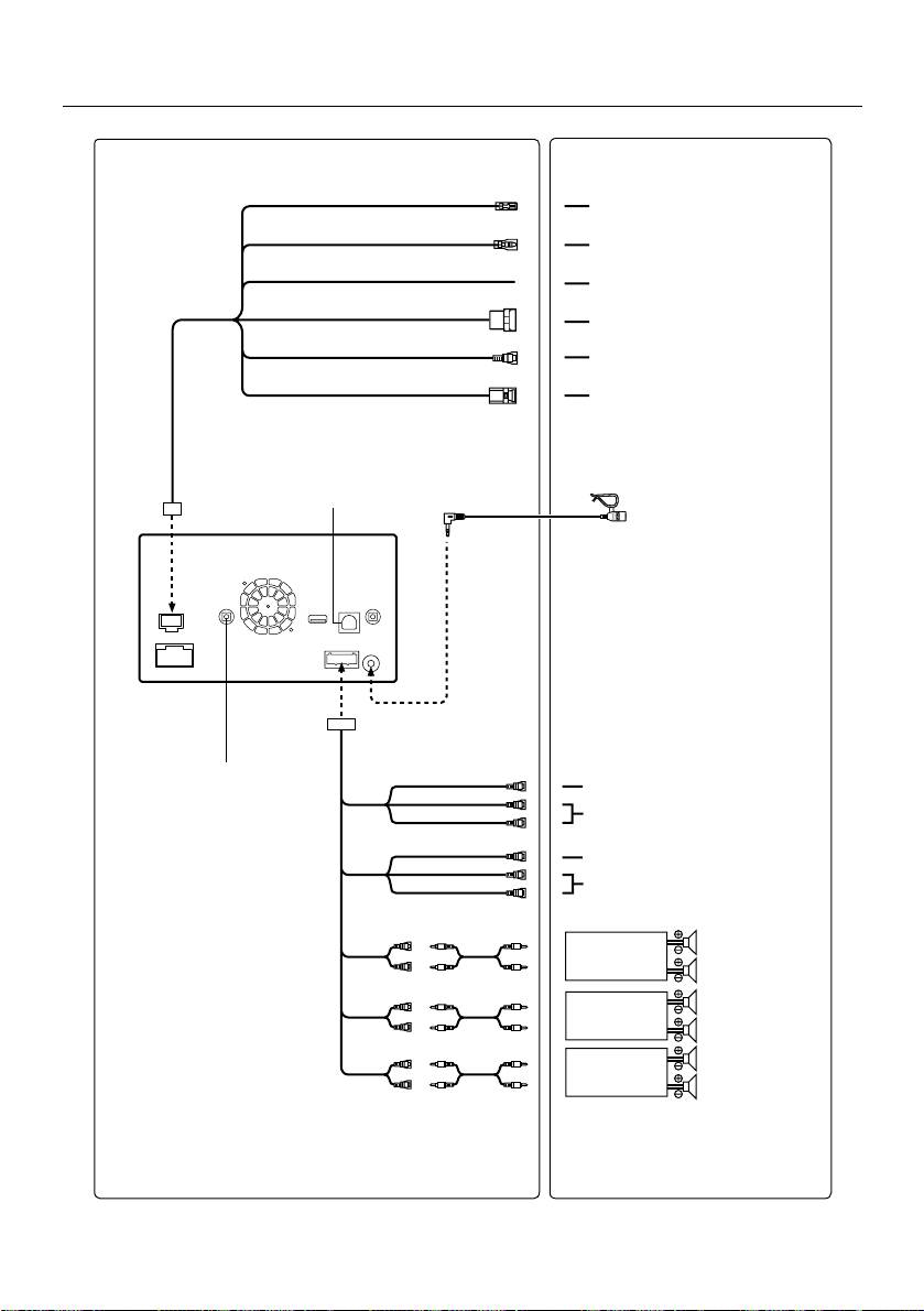
Anschlüsse 2/2
Tech
MONITO
Bildschirmg
REMOTE OUT
LCD-Typ (Fl
An das Fernbedienungs-Eingangskabel
(Braun)
REMOTE IN
Arbeitsprin
An das Fernbedienungsausgangskabel
(Braun)
Anzahl Bild
SPEED SENSOR
An die Fahrzeug-Drehzahlpausenleitung
(Grün/Weiß)
Effektive A
n
CAMERA1
An die Front-/Rear-Kamera
Beleuchtu
n
CAMERA2
An Rear/Other/Kamera
UKW-TU
CAMERA SW
Empfangsb
Nicht verwendet
Mono-Emp
Geräuschbe
Ersatzkanal
Störabstan
d
Stereokana
Verbinden Sie dies mit der optionalen
Gleichwelle
Fahrzeug-Display-Schnittstellenbox.
Mikrofon (mitgeliefert)
MW-TUN
Empfangsb
Nutzbare E
LW-TUN
Empfangsb
Empfindlich
USB-ABS
USB-Anford
Max. Energ
USB-Klasse
An Lenkradfernbedienungs-Schnittstellenbox.
(Gelb)
An Videoausgang
Dateisyste
m
(Rot)
MP3-Decod
(Weiß)
An Audioausgängen (R, L)
WMA-Deco
AAC-Decod
(Gelb)
An Videoeingang
Anzahl der
(Rot)
Frequenzg
a
(Weiß)
An Audioeingängen (R, L)
Gesamtklirr
Dynamikum
Störabstand
Linker Hecklautsprecher
Kanaltrenn
Verstärker
Rechter Hecklautsprecher
*
Frequen
z
abweiche
Linker Frontlautsprecher
Verstärker
Rechter Frontlautsprecher
CD/DVD
Frequenzga
Verstärker
Subwoofer
Gleichlaufs
Gesamtklir
r
Dynamikum
Kanaltrenn
Signalnor
m
Horizontale
Video-Ausg
Video-Störa
Audio-Sign
14-DE
ALPINE IVE-W535BT QRG 68-21057Z55-A (DE)

Bedienungsanleitung Technische Daten
Technische Daten
MONITOR-ABSCHNITT
PICKUP
Bildschirmgröße 6,1”
Wellenlänge DVD: 666 nm
LCD-Typ (Flüssigkristallanzeige)
CD: 785 nm
Transparentes TN LCD
Laserleistung CLASS II
Arbeitsprinzip TFT-Aktivmatrix
Anzahl Bildelemente 1.152.000 Pixel
BLUETOOTH-ABSCHNITT
(800 × 3 × 480)
EN
BLUETOOTH-Spezifikation Bluetooth V2.1+EDR
Effektive Anzahl an Bildelementen
Ausgangsleistung +4 dBm Max. (Leistungsklasse 2)
mindestens 99%
Profile HFP (Hands Free Profile)
Beleuchtung LED
OPP (Object Push Profile)
PBAP (Phone Book Access Profile)
UKW-TUNER
DE
A2DP (Advanced Audio
Empfangsbereich 87,5 - 108,0 MHz
Distribution Profile)
Mono-Empfindlichkeit 8,1 dBf (0,7 µV/75 Ohm)
AVRCP (Audio/Video Remote
Geräuschberuhigung, 50 dB 12 dBf (1,1 µV/75 Ohm)
Control Profile)
Ersatzkanal-Abstimmschärfe 80 dB
FR
Störabstand 65 dB
ALLGEMEINES
Stereokanaltrennung 35 dB
Spannungsversorgung 14,4 V Gleichspannung
Gleichwellenselektion 2,0 dB
(11 - 16 V zulässig)
Betriebstemperatur -20°C bis + 60°C
MW-TUNER
Maximale Ausgangsleistung 50 W × 4
ES
Empfangsbereich 531 - 1.602 kHz
Ausgangsspannung 2.000 mV/10 kOhm
Nutzbare Empfindlichkeit 25,1 µV/28 dBf
Gewicht 2,23 kg
Audio-Ausgangspegel
Vorverstärkerausgang
LW-TUNER
(Front, Heck): 2 V/10 kOhm (max.)
IT
Empfangsbereich 153 - 281 kHz
Vorverstärkerausgang
Empfindlichkeit (IEC-Standard) 31,6 µV/30 dBf
(Subwoofer): 2 V/10 kOhm (max.)
AUX OUT: 1,2 V/10 kOhm
USB-ABSCHNITT
SE
USB-Anforderungen USB 1.1/2.0
GEHÄUSEGRÖSSE
Max. Energieverbrauch 1.000 mA
Breite 178 mm
USB-Klasse USB (Wiedergabe vom Gerät)/
Höhe 100 mm
USB (Massenspeicher)
Tiefe 164,4 mm
Dateisystem FAT12/16/32
NL
MP3-Decodierung MPEG-1/2 AUDIO Layer-3
VORSPRUNGGRÖSSE
WMA-Decodierung Windows Media™ Audio
AAC-Decodierung AAC-LC-Format, „.m4a“-Datei
Breite 170 mm
Anzahl der Kanäle 2-Kanal (Stereo)
Höhe 95 mm
Frequenzgang* 5-20.000 Hz (±1 dB)
Tiefe 18,5 mm
RU
Gesamtklirrfaktor 0,008% (bei 1 kHz)
•
Aufgrund ständiger Produktverbesserungen bleiben
Dynamikumfang 95 dB (bei 1 kHz)
Störabstand 100 dB
Änderungen an technischen Daten und Design ohne
her
Kanaltrennung 85 dB (bei 1 kHz)
Vorankündigung vorbehalten.
cher
*
Frequenzgang kann abhängig von Codierungssoftware/Bitrate
•
Das LCD-Display (Flüssigkristallbildschirm) wird mit
PL
abweichen.
hochpräzisen Fertigungsverfahren hergestellt. Der Anteil
her
der effektiven Bildpunkte beträgt mehr als 99,99%. Dies
cher
CD/DVD-ABSCHNITT
wiederum bedeutet, dass bis zu 0,01% der Bildpunkte
unter Umständen dauerhaft aktiviert oder deaktiviert
Frequenzgang 5 - 20.000 Hz (±1 dB)
GR
Gleichlaufschwankungen (% WRMS)
sind.
unterhalb messbarer Grenzen
Gesamtklirrfaktor 0,008% (bei 1 kHz)
Dynamikumfang 95 dB (bei 1 kHz)
Kanaltrennung 85 dB (bei 1 kHz)
Signalnorm NTSC/PAL
Horizontale Auflösung mindestens 500 Zeilen
Video-Ausgangspegel 1 Vs-s (75 Ohm)
Video-Störabstand DVD: 60 dB
Audio-Signal-Rauschabstand 100 dB
15-DE
ALPINE IVE-W535BT QRG 68-21057Z55-A (DE)

•
In diesem Gerät kommt Kopierschutztechnologie zum
Einsatz, die durch US-Patente und andere geistige
Eigentumsrechte der Rovi Corporation geschützt
sind. Reverse Engineering und Disassemblierung sind
verboten.
•
Hergestellt unter Lizenz von Dolby Laboratories. Dolby
und das Doppel-D-Symbol sind Marken der Dolby
Laboratories.
•
Windows Media und das Windows-Logo sind Marken
oder eingetragene Marken der Microsoft Corporation
in den USA und/oder anderen Ländern.
•
iPhone, iPod, iPod classic, iPod nano, iPod touch und
iTunes sind Marken von Apple Inc. in den USA und
anderen Ländern.
•
„Made for iPod“ und „Made for iPhone“ bedeuten,
dass ein elektronisches Zubehör speziell für den
Anschluss eines iPod bzw. iPhone entworfen und
vom Entwickler für die Übereinstimmung mit den
Leistungsstandards von Apple zertifiziert wurde. Apple
ist nicht verantwortlich für den Betrieb dieses Geräts
oder dessen Einhaltung der Sicherheitsstandards und
behördlichen Auflagen. Beachten Sie bitte, dass der
Gebrauch dieses Zubehörs mit einem iPod oder iPhone
die Funkleistung beeinträchtigen kann.
•
© 2010 Nokia. Alle Rechte vorbehalten. Nokia und
Works with Nokia sind Marken oder eingetragene
Marken der Nokia Corporation.
•
DivX®, DivX Certified® und die zugehörigen Logos
sind Marken der Rovi Corporation oder ihrer
Tochtergesellschaften und werden unter Lizenz
verwendet.
•
Die Wortmarke BLUETOOTH® und die Logos sind
eingetragene Marken von Bluetooth SIG, Inc.,
und jegliche Nutzung solcher Marken von Alpine
Electronics, Inc. unterliegt den Lizenzbestimmungen.
•
„MPEG Layer-3 Audio-Codiertechnologie ist von
Fraunhofer IIS und Thomson lizenziert.“
•
„Die Lieferung dieses Produkts schließt lediglich eine
Lizenz für private, nicht kommerzielle Nutzung ein und
beinhaltet weder eine Lizenz noch ein impliziertes
Nutzungsrecht für einen kommerziellen (d. h. Gewinn
bringenden) Einsatz für Echtzeit-Rundfunk (terrestrisch,
über Satellit, Kabel und/oder beliebige andere Medien),
Senden/Streaming über das Internet, Intranets und/
oder andere Netzwerke sowie andere elektronische
Inhalts-Vertriebssysteme wie Pay-Audio- oder Audio-
on-Demand-Anwendungen. Für solche Einsatzzwecke
ist eine unabhängige Lizenz erforderlich. Weitere
Einzelheiten finden Sie unter
http://www.mp3licensing.com“
Teile ©2011, Microsoft Corporation. Alle Rechte
vorbehalten.
16-DE
ALPINE IVE-W535BT QRG 68-21057Z55-A (DE)

Contenu
AVERTISSEMENT ...................................................................................................................................................2
ATTENTION .............................................................................................................................................................2
Mise en route .........................................................................................................................................................3
Enregistrement de l’utilisateur ........................................................................................................................5
Fonctionnement de la radio .............................................................................................................................6
EN
Utilisation de MP3/WMA/AAC .........................................................................................................................6
Fonctionnement du lecteur DVD ...................................................................................................................7
Fonctionnement de l’iPod/iPhone (en option) .........................................................................................8
DE
Utilisation d’un lecteur USB (en option) ......................................................................................................9
Utilisation de la fonction mains libres ........................................................................................................10
Installation ............................................................................................................................................................11
Raccordements ...................................................................................................................................................13
FR
Caractéristiques techniques ...........................................................................................................................15
ES
IT
IMPORTANT
Notez le numéro de série de l’appareil dans l’espace prévu ci-contre et conservez-le.
SE
NUMÉRO DE SÉRIE:
NUMÉRO DE SÉRIE ISO : AL
DATE D’INSTALLATION:
NL
INSTALLATEUR:
LIEU D’ACHAT:
RU
Pour obtenir de plus amples informations sur l’ensemble des fonctions, reportez-vous au mode
d’emploi fourni sur le CD-ROM. (Étant donné qu’il s’agit d’un CD de données, ce CD ne peut pas
être utilisé pour lire des fichiers audio ou image sur le lecteur.) Si vous le souhaitez, demandez
PL
à votre revendeur ALPINE de vous fournir la version papier du mode d’emploi contenu dans le
CD-ROM.
GR
1-FR
ALPINE IVE-W535BT QRG 68-21057Z55-A (FR)

AVERTISSEMENT
Mise
NE PAS UTILISER DES ECROUS NI DES BOULONS DU CIRCUIT
Utilisa
DE FREINAGE OU DE DIRECTION POUR LES CONNEXIONS DE
AVERTISSEMENT
MASSE.
Vous pou
Les boulons et les écrous utilisés pour les circuits de freinage et de
Ce symbole désigne des instructions importantes.
direction (ou de tout autre système de sécurité) ou les réservoirs ne
e
Touc
Le non-respect de ces instructions peut entraîner
peuvent JAMAIS être utilisés pour l’installation ou la liaison à la masse.
de graves blessures, voire la mort.
L’utilisation de ces organes peut désactiver le système de contrôle du
véhicule et causer un incendie, etc.
N’ACTIVER AUCUNE FONCTION SUSCEPTIBLE DE
NE PAS INSTALLER A DES ENDROITS SUSCEPTIBLES
DETOURNER VOTRE ATTENTION DE LA CONDUITE DU
D’ENTRAVER LA CONDUITE DU VEHICULE, COMME LE
VEHICULE.
VOLANT OU LE LEVIER DE VITESSES.
Les fonctions requérant une attention prolongée ne doivent être
Emplac
La vue vers l’avant pourrait être obstruée ou les mouvements gênés, etc.,
exploitées qu’à l’arrêt complet du véhicule. Toujours arrêter le véhicule à
et provoquer un accident grave.
un endroit sûr avant d’activer ces fonctions.
Il y a risque de provoquer un accident.
GARDER LES PETITS OBJETS COMME LES VIS HORS DE LA
PORTEE DES ENFANTS.
ATTENTION
L’ingestion de tels objets peut entraîner de graves blessures. En cas
d’ingestion, consulter immédiatement un médecin.
Ce symbole désigne des instructions importantes.
GARDER LE VOLUME À FAIBLE NIVEAU DE MANIÈRE À
Le non-respect de ces instructions peut entraîner
POUVOIR ENTENDRE LES BRUITS EXTÉRIEURS PENDANT LA
des blessures ou des dommages matériels.
CONDUITE.
Des niveaux de volume excessifs qui couvrent les sirènes des ambulances
ou les signaux routiers (passages à niveau, etc.) peuvent être dangereux
INTERROMPRE TOUTE UTILISATION EN CAS DE PROBLEME.
et provoquer un accident. UN NIVEAU DE VOLUME TROP ÉLEVÉ
Le non-respect de cette précaution peut entraîner des blessures ou
À L’INTÉRIEUR DU VÉHICULE PEUT ÉGALEMENT AVOIR DES
endommager l’appareil. Retourner l’appareil auprès du distributeur
EFFETS IRRÉVERSIBLES SUR VOTRE AUDITION.
Alpine agréé ou un centre de service après-vente Alpine en vue de la
réparation.
NE PAS DESASSEMBLER NI MODIFIER L’APPAREIL.
Il y a risque d’accident, d’incendie ou de choc électrique.
FAIRE INSTALLER LE CABLAGE ET L’APPAREIL PAR DES
A Bo
EXPERTS.
A UTILISER UNIQUEMENT SUR DES VOITURES A MASSE
Uti
Le câblage et l’installation de cet appareil requiert des compétences
NEGATIVE DE 12 VOLTS.
techniques et de l’expérience. Pour garantir la sécurité, faire procéder à
B Ca
p
(Vérifiez auprès de votre concessionnaire si vous n’en êtes pas certain.) Il
l’installation de cet appareil par le distributeur qui vous l’a vendu.
y a risque d’incendie, etc.
Poi
UTILISER LES ACCESSOIRES SPECIFIES ET LES INSTALLER
UTILISER DES FUSIBLES DE L’AMPERAGE APPROPRIE.
de
CORRECTEMENT.
Il y a risque d’incendie ou de décharge électrique.
Utiliser uniquement les accessoires spécifiés. L’utilisation d’autres
C Bo
NE PAS OBSTRUER LES SORTIES D’AIR NI LES PANNEAUX DU
composants que les composants spécifiés peut causer des dommages
L’é
c
RADIATEUR.
internes à cet appareil ou son installation risque de ne pas être effectuée
enr
Une surchauffe interne peut se produire et provoquer un incendie.
correctement. Les pièces utilisées risquent de se desserrer et de
Ma
provoquer des dommages ou une défaillance de l’appareil.
UTILISER CET APPAREIL POUR DES APPLICATIONS MOBILES
m
o
DE 12 V.
FAIRE CHEMINER LE CABLAGE DE MANIERE A NE PAS LE
Toute utilisation autre que l’application désignée comporte un risque
COINCER CONTRE UNE ARETE METALLIQUE.
D Bo
d’incendie, de choc électrique ou de blessure.
Faire cheminer les câbles à l’écart des pièces mobiles (comme les rails
Ce
d’un siège) et des arêtes acérées ou pointues. Cela évitera ainsi de coincer
NE PAS INTRODUIRE LES MAINS, LES DOIGTS NI DE CORPS
l’é
c
et d’endommager les câbles. Si un câble passe dans un orifice métallique,
ETRANGERS DANS LES FENTES ET LES INTERSTICES.
utiliser un passe-cloison en caoutchouc pour éviter que la gaine isolante
de
Il y a risque de blessures ou de dommages à l’appareil.
du câble ne soit endommagée par le rebord métallique de l’orifice.
Ma
EFFECTUER CORRECTEMENT LES CONNEXIONS.
NE PAS INSTALLER A DES ENDROITS TRES HUMIDES OU
se
c
Il y a risque de blessures ou de dommages à l’appareil.
POUSSIEREUX.
E Bo
AVANT TOUTE CONNEXION, DEBRANCHER LE CABLE DE LA
Eviter d’installer l’appareil à des endroits soumis à une forte humidité ou
BORNE NEGATIVE DE LA BATTERIE.
Ce
à de la poussière en excès. La pénétration d’humidité ou de poussière à
Il y a risque de choc électrique ou de blessure par courts-circuits.
l’intérieur de cet appareil risque de provoquer une défaillance.
Tél
é
NE PAS DENUDER LES CABLES ELECTRIQUES.
Lor
NE PAS TOUCHER LE PANNEAU FRONTAL MOTORISE NI
Ne jamais enlever la gaine isolante pour alimenter un autre appareil. Il y
BOUGER LE MONITEUR EN MOUVEMENT.
ma
a risque de dépassement de la capacité de courant et, partant, d’incendie
Il y a risque de blessures ou de dommages à l’appareil.
se
c
ou de choc électrique.
F Bo
NE PAS ENDOMMAGER DE CONDUITES NI DE CABLES LORS
Ce
DU FORAGE DES TROUS.
Lors du forage de trous dans le châssis en vue de l’installation, veiller
Bal
a
à ne pas entrer en contact, endommager ni obstruer de conduites,
Ma
de tuyaux à carburant ou de fils électriques. Le non-respect de cette
3 s
e
précaution peut entraîner un incendie.
rég
2-FR
ALPINE IVE-W535BT QRG 68-21057Z55-A (FR)

Mode d’emploi Utilisation de l’écran tactile, Emplacement des commandes, Mise sous et hors tension
Mise en route
U CIRCUIT
Utilisation de l’écran tactile
XIONS DE
Vous pouvez utiliser le système via l’écran tactile.
et de
oirs ne
e
Touches communes de l’écran
à la masse.
rôle du
: Revient à l’écran précédent. Selon la fonction, cette touche peut annuler les opérations exécutées à
EN
l’écran.
S
: Ferme la fenêtre.
LE
Emplacement des commandes
gênés, etc.,
DE
FR
tantes.
raîner
ES
OBLEME.
es ou
buteur
ue de la
IT
DES
A Bouton (Retrait)
G Bouton rotatif/bouton MUTE/C
Utilisez cette touche pour enlever le panneau frontal.
Réglez le volume en tournant le bouton vers la gauche
tences
procéder à
ou vers la droite.
B Capteur de télécommande
SE
ndu.
Appuyez dessus pour activer/désactiver le mode de
Pointez l’émetteur de la télécommande vers le capteur
ALLER
coupure du son.
de télécommande dans un rayon de 2 mètres.
Appuyez sur cette touche et maintenez-la enfoncée
utres
C Bouton
(My Favorites)
pendant au moins 3 secondes pour mettre l’appareil
mmages
L’écran Mes favoris correspondant à l’Utilisateur 1
hors tension.
NL
e effectuée
enregistré s’affiche.
de
H Bouton c (éjection)
Maintenez enfoncé ce bouton touche pendant au
Éjecte le disque.
moins 3 secondes pour passer à l’Utilisateur 2.
AS LE
I Commutateur RESET
D Bouton
(SOURCE)
RU
les rails
Le système de cet appareil est réinitialisé.
Ce bouton permet d’afficher l’écran Audio/Visuel. Si
si de coincer
l’écran Audio/Visuel est déjà affiché, ce bouton permet
métallique,
ne isolante
de changer de source.
ifice.
Maintenez enfoncé ce bouton pendant au moins 3
PL
S OU
secondes pour activer le mode info-trafic.
E Bouton
(PHONE)
humidité ou
Ce bouton permet de rappeler l’écran du menu
oussière à
e.
Téléphone.
GR
Lorsqu’un téléphone mains libres est connecté,
E NI
maintenez ce bouton enfoncé pendant au moins 3
secondes pour passer à l’écran de l’historique des appels.
F Bouton (AUDIO SETUP)
Ce bouton permet d’afficher l’écran « Réglage de
Balance/Fader/Subwoofer ».
Maintenez enfoncé ce bouton pendant au moins
3 secondes pour activer le mode de sélection des
réglages Audio.
3-FR
ALPINE IVE-W535BT QRG 68-21057Z55-A (FR)
Table of contents
- MOBILE MEDIA STATION
- 1 Turn the ignition key to the ACC or ON position.
- 1 Press the (My Favorites) button. 5 Touch [Search].
- 4 Touch the selected artist name.
- 8 Touch [Audio] or [Hands-free] of the device
- 2 Mounting the Microphone.
- 5 Slide the IVE-W535BT into the dashboard
- 1 Drehen Sie den Zündschlüssel in die Stellung ACC oder EIN.
- 1 Drücken Sie die Taste (My Favorites). 5 Berühren Sie [Suchen].
- 4 Berühren Sie den Namen des ausgewählten
- 8 Berühren Sie [Audio] oder [Hands-free] für
- 2 Befestigung des Mikrofons.
- 4 Falls das Fahrzeug eine Stützhalterung
- 1 Placer la touche de démarrage sur ACC ou ON.
- 1 Appuyez sur le bouton (My Favorites). 5 Appuyez sur la touche [Chercher].
- 4 Appuyez sur le nom de l’artiste sélectionné.
- 8 Appuyez sur [Audio] ou [Hands-free] du
- 2 Montage du microphone.
- 4 Si votre véhicule possède un support, 5 Faites glisser l’IVE-W535BT dans le tableau
- 1 Gire la llave de contacto a la posición ACC u ON.
- 1 Pulse el botón (My Favorites). 5 Toque [Buscar].
- 4 Toque el nombre del artista seleccionado.
- 8 Toque [Audio] o [Hands-free] del
- 2 Instalación del micrófono.
- 4 Si su vehículo posee soporte, instale 5 Deslice el IVE-W535BT en el salpicadero
- 1 Girare la chiave di accensione sulla posizione di attivazione (ACC o ON).
- 1 Premere il tasto (My Favorites). 5 Toccare [Ricerca].
- 4 Toccare il nome dell’artista selezionato.
- 1 Toccare l’icona [Setup] nella barra
- 2 Montaggio del Microfono.
- 4 Una volta dotata la vettura della staffa, 5 Far scorrere l’unità IVE-W535BT nel
- 1 Vrid tändningsnyckeln till läge ACC eller ON.
- 1 Tryck på -knappen (My Favorites). 5 Peka på [Sök].
- 4 Tryck på det markerade artistnamnet.
- 8 Tryck på [Audio] eller [Hands-free] för den
- 2 Montera mikrofonen.
- 5 Skjut in IVE-W535BT i instrumentpanelen
- 1 Draai de contactsleutel naar de ACC of AAN positie.
- 1 Druk op de -knop (My Favorites). 5 Raak [Zoeken] aan.
- 4 Raak de naam van de geselecteerde artiest
- 8 Raak [Audio] of [Hands-free] aan van het
- 2 Montage van de Microfoon.
- 4 Wanneer uw voertuig uitgerust is met de
- 1 Поверните ключ зажигания в положение ACC или ON.
- 1 Нажмите кнопку (My Favorites). 5 Нажмите [Поиск].
- 1 Во время воспроизведения коснитесь [
- 8 Коснитесь кнопки [Audio] или [Hands-
- 2 Установка микрофона.
- 4 Если автомобиль оборудован
- 1 Obróć kluczyk zapłonu w pozycję ACC lub ON.
- 1 Naciśnij przycisk (My Favorites). 5 Dotknij przycisku [Szukaj].
- 4 Dotknij nazwę wybranego wykonawcy.
- 8 Dla urządzenia z listy, które chcesz
- 2 Montaż mikrofonu.
- 5 Wsuń urządzenie IVE-W535BT w deskę 4 Jeżeli w pojeździe dostępny jest wspornik,
- 1 Θέστε το κλειδί έναρξης στη θέση ACC ή ON (ΕΝΕΡΓΟΠΟΙΗΣΗ).
- 1 Πατήστε το πλήκτρο (My Favorites). 5 Πιέστε το [Αναζήτηση].
- 1 Πιέστε το [ (Αναζήτηση)] κατά την
- 1 Πιέστε το εικονίδιο [Setup] της Πάνω
- 2 Τοποθέτηση του μικροφώνου.
- 4 Αν το όχημά σας διαθέτει το Υποστήριγμα,




