Alpine IVE-W535BT: 4 Αν το όχημά σας διαθέτει το Υποστήριγμα,
4 Αν το όχημά σας διαθέτει το Υποστήριγμα, : Alpine IVE-W535BT

Γλιστρήστε τη μονάδα μέσα στο κάλυμμα
στερέωσης (δεν παρέχεται). Ασφαλίστε
Συν
στερέωσης και ασφαλίστε την.
τον ακροδέκτη γείωσης της μονάδας
Κάλυμμα στερέωσης
σε ένα καθαρό μεταλλικό σημείο
(συμπεριλαμβάνεται)
χρησιμοποιώντας μια βίδα (*1) που είναι
Συνδέσ
Ταμπλό αυτοκινήτου
ήδη προσαρτημένη στο σασί του οχήματος.
Συνδέστε όλους τους ακροδέκτες του IVE-
Ελαστική τάπα
(συμπεριλαμβάνεται)
W535BT σύμφωνα με τις λεπτομέρειες που
Κλειδί
Αυτή η μονάδα
υποστηρίγματος
περιγράφονται στην ενότητα ΣΥΝΔΕΣΗ.
Εξαγωνικό
Βίδα
παξιμάδι (Μ5)
Πλάκες
1
Πίεσης*
2
Εξαγωνικό μπουλόνι
*
Στήριγμα μπουλονιού
(Συμπεριλαμβάνεται)
2
Πλάκα πρόσοψης*
Μεταλλική ταινία
(Συμπεριλαμβάνεται)
στερέωσης
1
*
*1 Αν το κάλυα στερέωση, όταν εγκατασταθεί,
εφανίζεται χαλαρό έσα στο ταπλό του
αυτοκινήτου, πορείτε να διορθώσετε το πρόβληα
Ακροδέκτης γείωσης
Αυτή η μονάδα
Σασί
λυγίζοντα λίγο τι πλάκε πίεση.
*2 Το παρεχόενο κάλυα πρόσοψη πορεί να
•
Για την βίδα με το σημάδι “*2”, χρησιμοποιήστε
τοποθετηθεί.
μια κατάλληλη βίδα για την επιλεγμένη τοποθεσία
στερέωσης.
4 Αν το όχημά σας διαθέτει το Υποστήριγμα,
στερεώστε το μακρύ εξαγωνικό μπουλόνι
5 Σύρετε το IVE-W535BT μέσα στο ταμπλό
στον πίσω πίνακα του IVE-W535BT και
του αυτοκινήτου μέχρι να κάνει κλικ.
φορέστε του την ελαστική τάπα. Αν το
Αυτό διασφαλίζει το σωστό κλείδωμα της
όχημά σας δεν διαθέτει το Υποστήριγμα
μονάδας και ότι δεν θα βγει τυχαία από το
Στερέωσης, ενισχύστε τη μονάδα
ταμπλό του αυτοκινήτου.
της κεφαλής με την μεταλλική ταινία
Διάγραμμα σύνδεσης Διακόπτη SPST (πωλείται ξεχωριστά)
(Αν τροφοδοσία ACC δεν είναι διαθέσιη)
ACC
ΑΣΦΑΛΕΙΑ (5A)
(Κόκκινο)
SPST SW (προαιρετικό)
(προαιρετικό)
IVE-W535BT
BATTERY
(Κίτρινο)
ΑΣΦΑΛΕΙΑ (20A)
(προαιρετικό)
Μπαταρία
•
Αν το όχημά σας δεν διαθέτει τροφοδοσία ACC, προσθέστε ένα διακόπτη SPST (μονοπολικός, μιας θέσης) (πωλείται
ξεχωριστά) και ασφάλεια (πωλείται ξεχωριστά).
•
Το διάγραμμα και η ποσότητα ρεύματος της ασφάλειας που φαίνονται παραπάνω είναι στην περίπτωση που το IVE-
W535BT χρησιμοποιείται ξεχωριστά.
•
Αν το καλώδιο της μίζας του IVE-W535BT έχει συνδεθεί απευθείας με το θετικό (+) πόλο της μπαταρίας ’ του οχήματος,
το IVE-W535BT καταναλώνει κάποιο ρεύμα (αρκετές εκατοντάδες milliampere) ακόμη και όταν ο διακόπτης βρίσκεται
στη θέση OFF, με αποτέλεσμα την αποφόρτιση της μπαταρίας.
12-GR
ALPINE IVE-W535BT QRG 68-21057Z55-A (GR)

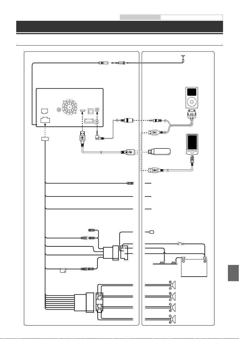
Εγχειριδιο χρηστη Συνδέσει
ίστε
Συνδέσεις
ας
είναι
Συνδέσεις 1/2
χήματος.
ου IVE-
Κεραία
ιες που
Βύσα κεραία ISO
ΕΣΗ.
EN
iPod/iPhone
(Πωλείται ξεχωριστά)
DE
λονιού
Κουτί Συνδετήρων KCU-461iV
(Πωλείται ξεχωριστά)
FR
Τηλέφωνο Nokia
(Πωλείται ξεχωριστά)
ονάδα
ES
Καλώδιο προέκταση AV ΒΙΝΤΕΟ iPod
Μνήη USB
(Περιλαβάνεται στο KCU-461iV)
(Πωλείται ξεχωριστά)
ε
εσία
Καλώδιο επέκταση USB
(Συπεριλαβάνεται)
IT
Κιτ σύνδεση τηλεφώνου Nokia
μπλό
KCU-230NK (Πωλείται ξεχωριστά)
REMOTE TURN-ON
κ.
Προ ενισχυτή ή equalizer
SE
(Μπλε/Λευκό)
μα της
REVERSE
από το
Προ θετική πλευρά του ακροδέκτη πίσω λυχνία
(Πορτοκαλί/Λευκό)
σήατο του αυτοκινήτου
PARKING BRAKE
NL
Προ ακροδέκτη σήατο χειρόφρενου
(Κίτρινο/Μπλε)
RU
Προ κεραία ισχύο
IGNITION
(Κόκκινο)
GND
Κλειδί ίζα
(Μαύρο)
POWER ANT
PL
(Μπλε)
BATTERY
Μπαταρία
(Κίτρινο)
10A
GR
(Πράσινη)
Πίσω αριστερό
(Πράσινο/Μαύρο)
είται
(Λευκό)
Μπροστά αριστερό
(Λευκό/Μαύρο)
IVE-
Ηχεία
(Γκρι/Μαύρο)
Μπροστά δεξί
(Γκρι)
οχήματος,
βρίσκεται
(Μοβ/Μαύρο)
Πίσω δεξί
(Μοβ)
13-GR
ALPINE IVE-W535BT QRG 68-21057Z55-A (GR)

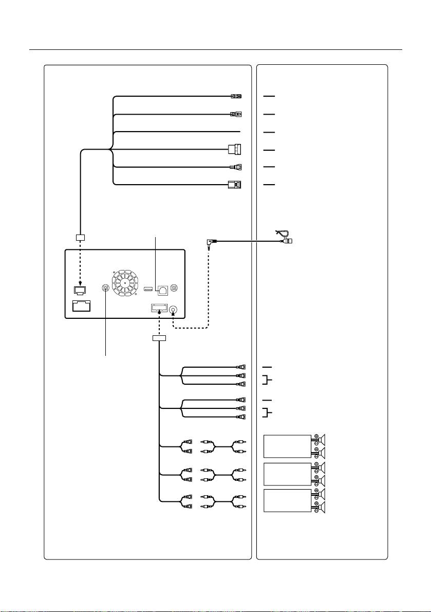
Συνδέσεις 2/2
Προ
ΤΜΗΜΑ
Μέγεθο οθ
REMOTE OUT
Τύπο LCD
Προ ακροδέκτη αποακρυσένη εισόδου
(Καφέ)
Σύστηα λ
ε
REMOTE IN
Αριθό εικ
Προ ακροδέκτη αποακρυσένη εξόδου
(Καφέ)
SPEED SENSOR
Πραγατικό
Προ τη γραή παύση ταχύτητα οχήατο
(Πράσινο/Λευκό)
Σύστηα φ
CAMERA1
Προ την Μπροστινή κάερα/Κάερα
οπισθοπορεία
ΤΜΗΜΑ
CAMERA2
Προ την Κάερα οπισθοπορεία/Άλλη κάερα
Εύρο συντ
Αποτελεσ
CAMERA SW
εν χρησιοποιείται
50 dB Ευαι
σ
Ευαισθησία
Αναλογία
σ
Συνδέστε αυτό ε το κουτί τη προαιρετική
ιεπαφή Ελέγχου Οχήατο.
Στερεοφω
ν
Μικρόφωνο (συμπεριλαμβάνεται)
Αναλογία λ
ΤΜΗΜΑ
Εύρο συντ
Αποτελεσ
ΤΜΗΜΑ
Εύρο συντ
Ευαισθησία
ΤΜΗΜΑ
Απαιτήσει
Μέγιστη κ
α
Κλάση USB
Στο κουτί διασύνδεση τηλεχειριστηρίου
(Κίτρινο)
οδήγηση.
Προ τερατικό εξόδου βίντεο
(Κόκκινο)
(Λευκό)
Προ τερατικά εξόδου ήχου (, Α)
Σύστηα α
Αποκωδικ
ο
(Κίτρινο)
Αποκωδικο
Προ τερατικό εισόδου βίντεο
(Κόκκινο)
Αποκωδικο
(Λευκό)
Προ τερατικά εισόδου ήχου (, Α)
Αριθό κα
Απόκριση σ
Συνολική α
Πίσω αριστερό
Ενισχυτή
υναικό
ε
Πίσω δεξί
Αναλογία σ
Μπροστά αριστερό
Ενισχυτή
ιαχωρισ
ό
Μπροστά δεξί
*
Η απόκρ
λογισμικ
Ενισχυτή
Subwoofer
ΤΜΗΜΑ
Απόκριση σ
Wow & Flut
Συνολική α
υναικό
ε
ιαχωρισό
Σύστηα σ
Οριζόντια
α
14-GR
ALPINE IVE-W535BT QRG 68-21057Z55-A (GR)

Εγχειριδιο χρηστη Προδιαγραφέ
Προδιαγραφές
ΤΜΗΜΑ ΜΟΝΙΤΟΡ
Επίπεδο εξόδου βίντεο 1Vp-p (75 ohm)
Αναλογία S/N βίντεο DVD: 60 dB
Μέγεθο οθόνη 6,1”
Αναλογία S/N Audio 100 dB
Τύπο LCD ιαφανή τύπο TN LCD
Σύστηα λειτουργία Ενεργή ήτρα TFT
ΑΝΑΓΝΩΣΗ
Αριθό εικονοστοιχείων 1.152.000 pcs.
Μήκο κύατο DVD: 666 nm
(800 × 3 × 480)
CD: 785 nm
Πραγατικό αριθό εικονοστοιχείων
EN
Ισχύ Laser CLASS II
99% ή περισσότερα
Σύστηα φωτισού LED
ΤΟΜΕΑΣ BLUETOOTH
ΤΜΗΜΑ ΣΥΝΤΟΝΙΣΤΗ FM
Προδιαγραφή BLUETOOTH Bluetooth V2.1+EDR
α
Ισχύ Εξόδου +4 dBm Μεγ. (Ισχύ κλάση 2)
Εύρο συντονισού 87,5 – 108,0 MHz
DE
Προφίλ HFP (Προφίλ Hands-Free)
Αποτελεσατική ονοφωνική ευαισθησία
OPP (Προφίλ Ώθηση Αντικειένου)
8,1 dBf (0,7 µV/75 ohm))
PBAP (Προφίλ Πρόσβαση
50 dB Ευαισθησία σίγαση 12 dBf (1,1 µV/75 ohm)
Καταλόγου)
Ευαισθησία εναλλακτικού καναλιού
A2DP (Προφίλ Προηγένη
80 dB
FR
ιανοή Ήχου)
Αναλογία σήατο προ θόρυβο
AVRCP (Προφίλ Τηλεχειριστηρίου
65 dB
Ήχου/Βίντεο)
Στερεοφωνικό διαχωρισό 35 dB
Αναλογία λήψη 2,0 dB
ΓΕΝΙΚΑ
ES
ΤΜΗΜΑ ΣΥΝΤΟΝΙΣΤΗ MW
Απαιτήσει ισχύο 14,4 V DC
(11–16 V επιτρεπόενο)
Εύρο συντονισού 531 – 1.602 kHz
Θεροκρασία λειτουργία -20°C to + 60°C
Αποτελεσατική ευαισθησία 25,1 µV/28 dBf
Μέγιστη ισχύ εξόδου 50 W × 4
Τάση εξόδου 2.000 mV/10k ohms
IT
ΤΜΗΜΑ ΣΥΝΤΟΝΙΣΤΗ LW
Βάρο 2,23 kg
Εύρο συντονισού 153 – 281 kHz
Επίπεδο εξόδου ήχου
Ευαισθησία (πρότυπο IEC) 31,6 µV/30 dBf
Preout (Επρό, πίσω): 2 V/10k ohms (έγ.)
Preout (Subwoofer): 2 V/10k ohms (έγ.)
ΤΜΗΜΑ USB
AUX OUT: 1,2 V/10k ohms
SE
Απαιτήσει USB USB 1.1/2.0
Μέγιστη κατανάλωση ισχύο 1.000 mA
ΜΕΓΕΘΟΣ
Κλάση USB USB (Αναπαραγωγή από τη
Πλάτο 178 mm
συσκευή)/USB (Κλάση αζική
Ύψο 100 mm
αποθήκευση)
NL
Βάθο 164,4 mm
Σύστηα αρχείων FAT12/16/32
Αποκωδικοποίηση MP3 MPEG-1/2 AUDIO Layer-3
ΜΕΓΕΘΟΣ ΠΡΟΣΟΨΗΣ
Αποκωδικοποίηση WMA Windows Media™ Audio
Πλάτο 170 mm
Αποκωδικοποίηση AAC Αρχείο “.m4a” ορφή AAC-LC
Ύψο 95 mm
Αριθό καναλιών 2 κανάλια (Στερεοφωνικά)
RU
Βάθο 18,5 mm
Απόκριση συχνότητα* 5-20.000 Hz (±1 dB)
Συνολική αρονική παραόρφωση
•
Λόγω των διαρκών βελτιώσεων του προϊόντος, οι
0,008% (στο 1 kHz)
προδιαγραφές και ο σχεδιασμός υπόκεινται σε αλλαγές
υναικό εύρο 95 dB (στο 1 kHz)
χωρίς προειδοποίηση.
Αναλογία σήατο προ θόρυβο
PL
100 dB
•
Η οθόνη LCD κατασκευάζεται χρησιμοποιώντας μια
ιαχωρισό καναλιών 85 dB (στο 1 kHz)
τεχνολογία κατασκευής εξαιρετικά μεγάλης ακρίβειας.
*
Η απόκριση συχνότητας μπορεί να διαφέρει ανάλογα με το
Η πραγματική αναλογία των pixel της υπερβαίνει το
λογισμικό κωδικοποίησης/ρυθμό bit.
99,99%. Αυτό σημαίνει ότι υπάρχει πιθανότητα το
GR
0,01% των pixel να είναι πάντα είτε ενεργοποιημένα
ΤΜΗΜΑ CD/DVD
(ON) είτε απενεργοποιημένα (OFF).
Απόκριση συχνότητα 5 - 20.000 Hz (±1 dB)
Wow & Flutter (% WRMS) Κάτω από τα ετρήσια όρια
Συνολική αρονική παραόρφωση
0,008% (στο 1 kHz)
υναικό εύρο 95 dB (στο 1 kHz)
ιαχωρισό καναλιών 85 dB (στο 1 kHz)
Σύστηα σηάτων NTSC/PAL
Οριζόντια ανάλυση 500 γραέ ή περισσότερε
15-GR
ALPINE IVE-W535BT QRG 68-21057Z55-A (GR)

•
Αυτό το στοιχείο ενσωατώνει τεχνολογία
Ελ. Βενιζέλου 173
προστασία από αντιγραφή που προστατεύεται
146 71 Ν. Ερυθραία
από τι ευρεσιτεχνίε των ΗΠΑ και άλλα πνευατικά
δικαιώατα τη Rovi Corporation. Απαγορεύονται ο
Τηλ.: 210-6251500
αντίστροφο σχεδιασό και η αποσυναρολόγηση.
•
Κατασκευάστηκε ε άδεια από την Dolby Laboratories.
Το Dolby και το σύβολο ε το διπλό D είναι επορικά
σήατα τη Dolby Laboratories.
•
Το Windows Media και το λογότυπο Windows είναι
επορικά σήατα ή καταχωρηένα επορικά σήατα
τη Microsoft Corporation στι Ηνωένε Πολιτείε
και/ή σε άλλε χώρε.
•
Τα iPhone, iPod, iPod classic, iPod nano, iPod touch,
και iTunes είναι επορικά σήατα τη Apple Inc.,
καταχωρηένα στι ΗΠΑ και σε άλλε χώρε.
•
“Made for iPod,” και “Made for iPhone,” σηαίνουν ότι
ένα ηλεκτρονικό αξεσουάρ έχει σχεδιαστεί για να
συνδέεται συγκεκριένα ε iPod ή iPhone αντιστοίχω,
και έχει πιστοποιηθεί από τον προγραατιστή να
καλύπτει τι προδιαγραφέ απόδοση τη Apple.
Η Apple δεν ευθύνεται για τη λειτουργία αυτή τη
συσκευή ή για τη συόρφωσή τη ε νοικέ
προδιαγραφέ και προδιαγραφέ ασφαλεία.
Παρακαλώ προσέξτε ότι η χρήση αυτού του αξεσουάρ
ε iPod ή iPhone ενδέχεται να επηρεάσει την απόδοση
τη ασύρατη τηλεφωνία.
•
© 2010 Nokia. Με την επιφύλαξη παντό δικαιώατο.
Οι ονοασίε “Nokia” και “Works with Nokia” είναι
επορικά σήατα ή σήατα κατατεθέντα τη Nokia
Corporation.
•
Τα DivX®, DivX Certified® και τα συνδυαζόενα
λογότυπα είναι επορικά σήατα τη Rovi Corporation
ή των θυγατρικών εταιρειών τη και χρησιοποιούνται
ε άδεια.
•
Το λεκτικό σήα και τα λογότυπα BLUETOOTH® είναι
καταχωρηένα επορικά σήατα που ανήκουν στην
Bluetooth SIG, Inc. Και κάθε χρήση τέτοιων σηάτων
από την Alpine Electronics, Inc. γίνεται ε άδεια.
•
“Η τεχνολογία κωδικοποίηση ήχου MPEG Layer-3 έχει
άδεια από την Fraunhofer IIS and Thomson.”
•
“Η προήθεια αυτού του προϊόντο εταβιβάζει
όνο άδεια για ιδιωτική, η επορική χρήση και
δεν εταβιβάζει άδεια ή υποδηλώνει οποιοδήποτε
δικαίωα για χρήση του προϊόντο σε οποιοδήποτε
επορική (πχ. έσοδα-παραγωγή) ετάδοση σε
πραγατικό χρόνο (επίγεια, δορυφορική, καλωδιακή
και/ή άλλων έσων), ετάδοση/ροή έσω ίντερνετ,
ενδοδίκτυα, όπω εφαρογέ pay-audio ή audio-
on-demand. Απαιτείται ανεξάρτητη άδεια για τέτοια
χρήση. Για λεπτοέρειε, παρακαλώ επισκεφθείτε το
http://www.mp3licensing.com”
Μερίδιο πνευατικών δικαιωάτων ©2011, Microsoft
Corporation. Με την επιφύλαξη παντό δικαιώατο.
16-GR
ALPINE IVE-W535BT QRG 68-21057Z55-A (GR)

ALPINE IVE-W535BT QRG 68-21057Z55-A (EN)

R
ALPINE ELECTRONICS MARKETING, INC.
ALPINE ELECTRONICS OF U.K. LTD.
1-7, Yukigaya-Otsukamachi, Ota-ku,
Alpine House Fletchamstead Highway,
Tokyo 145-0067, JAPAN
Coventry CV4 9TW, U.K.
Phone: 03-5499-4531
Phone 0870-33 33 763
ALPINE ELECTRONICS OF AMERICA, INC.
ALPINE ELECTRONICS FRANCE S.A.R.L.
19145 Gramercy Place, Torrance,
(RCS PONTOISE B 338 101 280)
California 90501, U.S.A.
98, Rue de la Belle Etoile, Z.I. Paris Nord Il,
Phone 1-800-ALPINE-1 (1-800-257-4631)
B.P. 50016, 95945 Roissy Charles de Gaulle Cedex,
1-888-NAV-HELP (1-888-628-4357)
France
Phone 01-48638989
ALPINE ELECTRONICS OF CANADA, INC.
777 Supertest Road, Toronto,
ALPINE ITALIA S.p.A.
Ontario M3J 2M9, Canada
Viale C. Colombo 8, 20090 Trezzano
Phone 1-800-ALPINE-1 (1-800-257-4631)
Sul Naviglio (MI), Italy
1-888-NAV-HELP (1-888-628-4357)
Phone 02-484781
ALPINE ELECTRONICS OF AUSTRALIA PTY. LTD.
ALPINE ELECTRONICS DE ESPAÑA, S.A.
161-165 Princes Highway,
Portal de Gamarra 36, Pabellón, 32
Hallam Victoria 3803, Australia
01013 Vitoria (Alava)-APDO 133, Spain
Phone 03-8787-1200
Phone 945-283588
ALPINE ELECTRONICS GmbH
Wilhelm-Wagenfeld-Str. 1-3,
80807 München, Germany
Phone 089-32 42 640
S/NO. LABEL
YAMAGATA (Wuxi) Co., Ltd.
Designed by ALPINE Japan
No.163 Xixian Road, Meicun, WND, Wuxi,
Printed in China
Jiangsu Province, China 214112
68-21057Z55-A (Y_A5)
ALPINE IVE-W535BT QRG 68-21057Z55-A (EN)
Table of contents
- MOBILE MEDIA STATION
- 1 Turn the ignition key to the ACC or ON position.
- 1 Press the (My Favorites) button. 5 Touch [Search].
- 4 Touch the selected artist name.
- 8 Touch [Audio] or [Hands-free] of the device
- 2 Mounting the Microphone.
- 5 Slide the IVE-W535BT into the dashboard
- 1 Drehen Sie den Zündschlüssel in die Stellung ACC oder EIN.
- 1 Drücken Sie die Taste (My Favorites). 5 Berühren Sie [Suchen].
- 4 Berühren Sie den Namen des ausgewählten
- 8 Berühren Sie [Audio] oder [Hands-free] für
- 2 Befestigung des Mikrofons.
- 4 Falls das Fahrzeug eine Stützhalterung
- 1 Placer la touche de démarrage sur ACC ou ON.
- 1 Appuyez sur le bouton (My Favorites). 5 Appuyez sur la touche [Chercher].
- 4 Appuyez sur le nom de l’artiste sélectionné.
- 8 Appuyez sur [Audio] ou [Hands-free] du
- 2 Montage du microphone.
- 4 Si votre véhicule possède un support, 5 Faites glisser l’IVE-W535BT dans le tableau
- 1 Gire la llave de contacto a la posición ACC u ON.
- 1 Pulse el botón (My Favorites). 5 Toque [Buscar].
- 4 Toque el nombre del artista seleccionado.
- 8 Toque [Audio] o [Hands-free] del
- 2 Instalación del micrófono.
- 4 Si su vehículo posee soporte, instale 5 Deslice el IVE-W535BT en el salpicadero
- 1 Girare la chiave di accensione sulla posizione di attivazione (ACC o ON).
- 1 Premere il tasto (My Favorites). 5 Toccare [Ricerca].
- 4 Toccare il nome dell’artista selezionato.
- 1 Toccare l’icona [Setup] nella barra
- 2 Montaggio del Microfono.
- 4 Una volta dotata la vettura della staffa, 5 Far scorrere l’unità IVE-W535BT nel
- 1 Vrid tändningsnyckeln till läge ACC eller ON.
- 1 Tryck på -knappen (My Favorites). 5 Peka på [Sök].
- 4 Tryck på det markerade artistnamnet.
- 8 Tryck på [Audio] eller [Hands-free] för den
- 2 Montera mikrofonen.
- 5 Skjut in IVE-W535BT i instrumentpanelen
- 1 Draai de contactsleutel naar de ACC of AAN positie.
- 1 Druk op de -knop (My Favorites). 5 Raak [Zoeken] aan.
- 4 Raak de naam van de geselecteerde artiest
- 8 Raak [Audio] of [Hands-free] aan van het
- 2 Montage van de Microfoon.
- 4 Wanneer uw voertuig uitgerust is met de
- 1 Поверните ключ зажигания в положение ACC или ON.
- 1 Нажмите кнопку (My Favorites). 5 Нажмите [Поиск].
- 1 Во время воспроизведения коснитесь [
- 8 Коснитесь кнопки [Audio] или [Hands-
- 2 Установка микрофона.
- 4 Если автомобиль оборудован
- 1 Obróć kluczyk zapłonu w pozycję ACC lub ON.
- 1 Naciśnij przycisk (My Favorites). 5 Dotknij przycisku [Szukaj].
- 4 Dotknij nazwę wybranego wykonawcy.
- 8 Dla urządzenia z listy, które chcesz
- 2 Montaż mikrofonu.
- 5 Wsuń urządzenie IVE-W535BT w deskę 4 Jeżeli w pojeździe dostępny jest wspornik,
- 1 Θέστε το κλειδί έναρξης στη θέση ACC ή ON (ΕΝΕΡΓΟΠΟΙΗΣΗ).
- 1 Πατήστε το πλήκτρο (My Favorites). 5 Πιέστε το [Αναζήτηση].
- 1 Πιέστε το [ (Αναζήτηση)] κατά την
- 1 Πιέστε το εικονίδιο [Setup] της Πάνω
- 2 Τοποθέτηση του μικροφώνου.
- 4 Αν το όχημά σας διαθέτει το Υποστήριγμα,




