Alpine IVE-W535BT: 4 Si su vehículo posee soporte, instale 5 Deslice el IVE-W535BT en el salpicadero
4 Si su vehículo posee soporte, instale 5 Deslice el IVE-W535BT en el salpicadero : Alpine IVE-W535BT

Deslice la unidad en la funda de montaje y
la unidad en un punto metálico desnudo
Con
fíjela.
con un tornillo (*1) ya fijado al chasis del
Funda de montaje
vehículo.
(incluida)
Conecte todos los cables del IVE-W535BT
Conexi
Salpicadero
siguiendo las indicaciones de la sección
CONEXIONES.
Funda de caucho
(incluida)
Tornillo
Esta unidad
Llave de
Tuerca hexagonal (M5)
soporte
2
*
Pasador
Presión
1
Placas*
Pasador
hexagonal
Brida
(incluida)
metálica de
montaje
1
*
2
Placa frontal*
(incluida)
Cable de tierra
Esta unidad
Bastidor
*1 Si el manguito de montaje instalado en el salpicadero
está flojo, las placas de presión pueden doblarse un
poco para solventar el problema.
•
Para el tornillo con la marca “*2”, utilice un tornillo
adecuado para la ubicación de montaje elegida.
*2 La placa frontal suministrada se puede montar.
4 Si su vehículo posee soporte, instale
5 Deslice el IVE-W535BT en el salpicadero
el perno hexagonal largo en el panel
hasta que oiga un clic. Esto permite
posterior del IVE-W535BT y coloque el
asegurarse de que la unidad queda
tapón de caucho sobre dicho perno. Si
correctamente fijada y no se saldrá
su vehículo no dispone de soporte de
accidentalmente del salpicadero.
montaje, refuerce la unidad principal
con una brida de montaje metálica (no
suministrada). Fije el cable de tierra de
Diagrama de conexión del interruptor SPST (vendido por separado)
(Si la fuente de alimentación de ciclo combinado no está disponible)
ACC
FUSIBLE (5 A)
(Rojo)
SPST SW (Opcional)
(Opcional)
IVE-W535BT
BATTERY
(Amarillo)
FUSIBLE (20 A)
(Opcional)
Batería
•
Si su vehículo no tiene fuente de alimentación de ciclo combinado, agregue un interruptor SPST (Single-Pole, Single-
Throw) (vendido por separado) y un fusible (vendido por separado).
•
El diagrama y el amperaje de los fusibles que se muestran arriba corresponden a los casos en los que IVE-W535BT se
utiliza individualmente.
•
Si el cable de alimentación conmutado (contacto) del IVE-W535BT se conecta directamente al polo positivo (+) de la
batería del vehículo, el IVE-W535BT absorbe parte de la corriente (unos cientos de miliamperios), incluso cuando el
interruptor está apagado (posición OFF), y la batería podría descargarse.
12-ES
ALPINE IVE-W535BT QRG 68-21057Z55-A (ES)

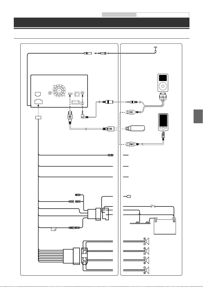
Manual de operación Conexiones
nudo
Conexiones
is del
535BT
Conexiones 1/2
ción
Antena
Conector de antena ISO
EN
iPod/iPhone
(vendido por separado)
DE
Kit de conexión KCU-461iV
(vendido por separado)
FR
nidad
Teléfono Nokia
(vendido por separado)
rnillo
ES
Prolongador iPod VIDEO AV
Memoria USB
.
(incluido con KCU-461iV)
(se vende por separado)
Prolongador USB (incluido)
dero
IT
Kit de conexión para teléfono Nokia
KCU-230NK (vendido por separado)
REMOTE TURN-ON
Al amplificador o al ecualizador
SE
(Azul/Blanco)
REVERSE
Al polo positivo del cable de señal de la luz trasera
(Naranja/Blanco)
del coche
PARKING BRAKE
NL
Al cable de señal del freno de mano
(Amarillo/Azul)
RU
A la antena eléctrica
IGNITION
(Rojo)
GND
Llave de contacto
(Negro)
POWER ANT
PL
(Azul)
BATTERY
Batería
(Amarillo)
10A
GR
(Verde)
Posterior izquierdo
(Verde/Negro)
gle-
(Blanco)
Frontal izquierdo
(Blanco/Negro)
BT se
Altavoces
(Gris/Negro)
Frontal derecho
(Gris)
de la
do el
(Violeta/Negro)
Posterior derecho
(Violeta)
13-ES
ALPINE IVE-W535BT QRG 68-21057Z55-A (ES)

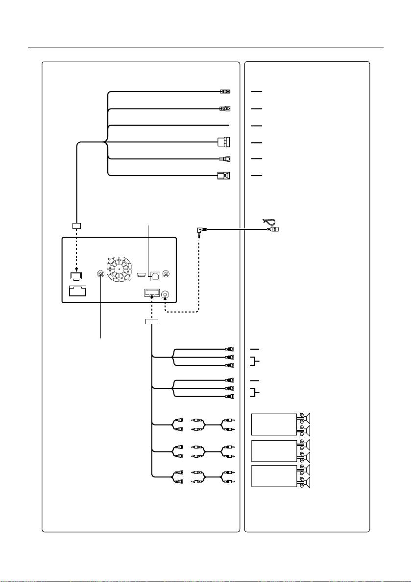
Conexiones 2/2
Espe
SECCIÓN
Tamaño de
REMOTE OUT
Tipo de LCD
Al cable de entrada remota
(Marrón)
Sistema op
REMOTE IN
Número de
Al cable de salida remota
(Marrón)
SPEED SENSOR
Al la línea de pausa de velocidad del vehículo
(Verde/Blanco)
Número ef
e
CAMERA1
A la cámara frontal/trasera
Sistema de
CAMERA2
A la cámara trasera/otra/cámara
SECCIÓN
Rango de s
CAMERA SW
No se utiliza
Sensibilidad
Umbral de
Selectivida
d
Relación d
e
Conéctelo a la caja de interfaz de la
Separación
pantalla del vehículo opcional.
Relación d
e
Micrófono (Incluido)
SECCIÓN
Rango de s
Sensibilidad
SECCIÓN
Rango de s
Sensibilidad
SECCIÓN
Requisitos d
Consumo m
Clase USB
A la caja de la interfaz de control remoto
(Amarillo)
del volante.
Al terminal de salida de vídeo
Sistema de
(Rojo)
Decodifica
c
(Blanco)
A los terminales de salida de audio (R, L)
Decodificac
Decodificac
(Amarillo)
Número de
Al terminal de entrada de vídeo
(Rojo)
Respuesta d
(Blanco)
A los terminales de entrada de audio (R, L)
Distorsión a
Gama diná
Relación d
e
Posterior izquierdo
Separación
Amplificador
*
La respu
e
Posterior derecho
de codifi
Frontal izquierdo
Amplificador
SECCIÓN
Frontal derecho
Respuesta d
Fluctuación
Amplificador
Subwoofers
Distorsión
a
Gama diná
Separación
Sistema de
Resolución
Nivel de sa
Relación s
e
Relación se
14-ES
ALPINE IVE-W535BT QRG 68-21057Z55-A (ES)

Manual de operación Especificaciones
Especificaciones
SECCIÓN DEL MONITOR
RECEPCIÓN
Tamaño de la pantalla 6,1”
Longitud de onda DVD: 666 nm
Tipo de LCD TN LCD de tipo transparente
CD: 785 nm
Sistema operativo Matriz activa TFT
Potencia de láser CLASS II
Número de elementos de la imagen
1.152.000 elementos
SECCIÓN BLUETOOTH
(800 × 3 × 480)
Especificación del BLUETOOTH Bluetooth V2.1+EDR
EN
Número efectivo de elementos de la imagen
Potencia de Salida +4 dBm Máx. (Clase de Potencia 2)
99% o más
Perfil HFP (Hands-Free Profile, perfil
Sistema de iluminación LED
manos libres)
OPP (Object Push Profile, perfil
SECCIÓN DEL SINTONIZADOR FM
empujar objeto)
DE
Rango de sintonía 87,5 – 108,0 MHz
PBAP (Phone Book Access Profile,
Sensibilidad útil en mono 8,1 dBf (0,7 µV/75 ohmios)
perfil de acceso a la agenda)
Umbral de sensibilidad 50 dB 12 dBf (1,1 µV/75 ohmios)
A2DP (Advanced Audio
Selectividad de canal alternativo
Distribution Profile, perfil de
80 dB
distribución avanzada de audio)
FR
Relación de señal/ruido 65 dB
AVRCP (Audio/Video Remote
Separación estéreo 35 dB
Control Profile, perfil de control
Relación de captura 2,0 dB
remoto de Audio/Video)
SECCIÓN DEL SINTONIZADOR MW
GENERAL
ES
Rango de sintonía 531 – 1.602 kHz
Alimentación 14,4 V CC
Sensibilidad útil 25,1 µV/28 dBf
(11–16 V de margen permisible)
Temperatura de funcionamiento
SECCIÓN DEL SINTONIZADOR DE LW
-20°C a + 60°C
IT
Salida de alimentación máxima
Rango de sintonía 153 – 281 kHz
50 W × 4
Sensibilidad (Norma IEC) 31,6 µV/30 dBf
Voltaje de salida 2.000 mV/10 k ohmios
SECCIÓN DE USB
Peso 2,23 kg
Nivel de salida de audio
Requisitos de USB USB 1.1/2.0
SE
Salida previa (delantero, trasero)
: 2 V/10 k ohmios (máx.)
Consumo máx. energía 1.000 mA
Salida previa (subwoofer): 2 V/10 k ohmios (máx.)
Clase USB USB (dispositivo de reproducción)/
AUX OUT: 1,2 V/10 k ohmios
USB (almacenamiento masivo)
Sistema de archivos FAT12/16/32
TAMAÑO DEL CHASIS
Decodificación MP3 MPEG-1/2 AUDIO Layer-3
NL
Anchura 178 mm
Decodificación WMA Windows Media™ Audio
Altura 100 mm
Decodificación AAC Archivo “.m4a” en formato AAC-LC
Profundidad 164,4 mm
Número de canales 2 canales (estéreo)
Respuesta de frecuencia* 5-20.000 Hz (±1 dB)
TAMAÑO CUERPO DELANTERO
Distorsión armónica total 0,008% (a 1 kHz)
RU
Gama dinámica 95 dB (a 1 kHz)
Anchura 170 mm
Relación de señal/ruido 100 dB
Altura 95 mm
Separación de canales 85 dB (a 1 kHz)
Profundidad 18,5,4 mm
*
La respuesta de frecuencia puede variar en función del software
•
Debido a la mejora continua del producto, las
PL
de codificación o la velocidad de bits.
especificaciones y el diseño están sujetos a cambio sin
previo aviso.
SECCIÓN DE CD/DVD
•
El panel LCD se fabrica utilizando una tecnología de
Respuesta de frecuencia 5 – 20.000 Hz (±1 dB)
fabricación de una precisión extremadamente alta. Su
Fluctuación & trémolo (% WRMS)
GR
Por debajo de los límites medibles
ratio de píxel efectivo es superior al 99,99%. Ello significa
Distorsión armónica total 0,008% (a 1 kHz)
que existe una posibilidad de que el 0,01% de los píxeles
Gama dinámica 95 dB (a 1 kHz)
estén siempre ON u OFF.
Separación de canales 85 dB (a 1 kHz)
Sistema de señal NTSC/PAL
Resolución horizontal 500 líneas o más
Nivel de salida de vídeo 1Vp-p (75 ohmios)
Relación señal/ruido de vídeo DVD: 60 dB
Relación señal/ruido de audio 100 dB
15-ES
ALPINE IVE-W535BT QRG 68-21057Z55-A (ES)

•
Este producto incorpora tecnología de protección
de derechos de autor amparada en patentes
estadounidenses y otros derechos de propiedad
intelectual de Rovi Corporation. Están prohibidos la
ingeniería inversa y el desmontaje.
•
Fabricado bajo licencia de Dolby Laboratories. Dolby y
la marca de doble D son marcas registradas de Dolby
Laboratories.
•
Windows Media y el logotipo Windows son marcas
comerciales o marcas registradas de Microsoft
Corporation en los Estados Unidos de América y/o en
otros países.
•
iPhone, iPod, iPod classic, iPod nano, iPod touch
e iTunes son marcas comerciales de Apple Inc.,
registradas en Estados Unidos y en otros países.
•
“Made for iPod”, y “Made for iPhone”, significa que un
accesorio electrónico se ha diseñado exclusivamente
para conectarse a un iPod o iPhone, respectivamente,
y su cumplimiento de las normas de funcionamiento
de Apple ha sido certificado por los programadores.
Apple no se hace responsable del funcionamiento
de este dispositivo o cumplimiento con los requisitos
normativos y de seguridad. Tenga en cuenta que el
uso de este accesorio con un iPod o un iPhone puede
afectar el rendimiento inalámbrico.
•
© 2010 Nokia. Todos los derechos reservados. Nokia
y Works with Nokia son marcas comerciales o marcas
comerciales registradas de Nokia Corporation.
•
DivX®, DivX Certified® y los logotipos asociados
son marcas comerciales de Rovi Corporation o sus
subsidiarios y deben utilizarse en virtud de una licencia.
•
La marca y los logotipos de la palabra BLUETOOTH® son
marcas comerciales registradas propiedad de Bluetooth
SIG, Inc. y cualquier uso de dichas marcas realizado por
Alpine Electronics, Inc. se realiza bajo licencia.
•
“Tecnología de codificación de audio MPEG Layer-3
con licencia de Fraunhofer IIS y Thomson”.
•
“El suministro de este producto solo cubre la licencia
para uso privado y no comercial, y no implica una
licencia ni ningún derecho de uso de este producto
en ninguna difusión comercial (es decir, que genere
ingresos) en tiempo real (terrestre, por satélite, por
cable y/u otros medios), la difusión/reproducción
mediante Internet, intranets y/u otras redes o
mediante otros sistemas de distribución de contenido
electrónico, como aplicaciones de audio de pago
o audio bajo demanda. Es necesaria una licencia
independiente para dicho uso. Para más información,
consulte http://www.mp3licensing.com”
Fragmentos ©2011, Microsoft Corporation. Todos los
derechos reservados.
16-ES
ALPINE IVE-W535BT QRG 68-21057Z55-A (ES)

Indice
AVVERTIMENTO ....................................................................................................................................................2
ATTENZIONE ..........................................................................................................................................................2
Funzionamento del pannello a sfioramento ..............................................................................................3
Registrazione degli utenti .................................................................................................................................5
Funzionamento della radio ..............................................................................................................................6
EN
Funzionamento MP3/WMA/AAC ....................................................................................................................6
Funzionamento DVD ..........................................................................................................................................7
Funzionamento dell’iPod/iPhone (Opzionale) ..........................................................................................8
DE
Funzionamento memoria USB (Opzionale) ................................................................................................9
Controllo vivavoce del telefono ....................................................................................................................10
Installazione .........................................................................................................................................................11
Collegamenti .......................................................................................................................................................13
FR
Specifiche ..............................................................................................................................................................15
ES
IT
IMPORTANTE
Riportare il numero di serie dell’unità nell’apposito spazio sottostante e conservarlo per riferimenti
SE
futuri.
NUMERO DI SERIE:
NUMERO DI SERIE ISO: AL
NL
DATA DI INSTALLAZIONE:
TECNICO DI INSTALLAZIONE:
LUOGO DI ACQUISTO:
RU
Per informazioni dettagliate su tutte le funzioni, consultare le Istruzioni per l’uso memorizzate nel
CD-ROM fornito. (Trattandosi di un CD dati, non è possibile utilizzare il CD per riprodurre musica e
PL
immagini sul lettore). Se necessario, il rivenditore ALPINE fornirà prontamente una copia cartacea
delle Istruzioni per l’uso contenute nel CD.
GR
1-IT
ALPINE IVE-W535BT QRG 68-21057Z55-A (IT)

AVVERTIMENTO
Fun
PER ESEGUIRE I COLLEGAMENTI DI TERRA, NON UTILIZZARE
Funzio
BULLONI O DADI DEI SISTEMI DI FRENATA O DI STERZO.
AVVERTIMENTO
Non utilizzare MAI bulloni o dadi dei sistemi di frenata e di sterzo
È possibi
(o di qualsiasi altro sistema di sicurezza), o dei serbatoi per eseguire
Questo simbolo indica istruzioni importanti. La
l’installazione o per i collegamenti di terra. L’utilizzo di queste parti
e
Tasti
non osservanza di tali norme potrebbe causare
potrebbe inibire il controllo del veicolo e causare incendi o altro.
gravi ferite o morte.
NON INSTALLARE IN LUOGHI CHE POTREBBERO INTERFERIRE
CON LE OPERAZIONI DI GUIDA QUALI LO STERZO O LA LEVA
NON EFFETTUARE ALCUNA OPERAZIONE CHE POSSA
DEL CAMBIO.
DISTOGLIERE L’ATTENZIONE DALLA GUIDA DEL VEICOLO.
Diversamente si potrebbe ostruire la visuale della strada o interferire con
Qualsiasi operazione che necessita di attenzione prolungata deve essere
i movimenti del conducente e causare gravi incidenti.
effettuata solo dopo il completo arresto del veicolo. Arrestare sempre il
Individ
veicolo in un luogo sicuro prima di effettuare queste operazioni.
In caso contrario si potrebbero causare incidenti.
TENERE LE PARTI PICCOLE QUALI VITI FUORI DALLA
ATTENZIONE
PORTATA DEI BAMBINI.
Se ingeriti potrebbero causare gravi danni. In caso di ingerimento,
consultare immediatamente un medico.
Questo simbolo indica istruzioni importanti. La
non osservanza di queste norme potrebbe causare
TENERE IL VOLUME AD UN LIVELLO CHE PERMETTA DI UDIRE
ferite o provocare danni alle cose.
I RUMORI ESTERNI DURANTE LA GUIDA.
Livelli eccessivi di volume, in grado di coprire suoni quali le sirene
dei mezzi di soccorso o segnali stradali di attenzione (ad esempio,
INTERROMPERE IMMEDIATAMENTE L’USO IN CASO DI
passaggi a livello, ecc.), possono essere pericolosi e provocare incidenti.
PROBLEMI.
INOLTRE, L’ASCOLTO DI AUDIO AD ALTO VOLUME IN AUTO
Diversamente si potrebbero causare danni alla persona o al prodotto.
PUÒ PROVOCARE DANNI ALL’UDITO.
Per riparazioni, rivolgersi ad un rivenditore autorizzato Alpine o al più
vicino centro di assistenza Alpine.
NON SMONTARE O MODIFICARE.
Tale azione potrebbe causare incidenti, incendi o scosse elettriche.
I COLLEGAMENTI E L’INSTALLAZIONE DEVONO ESSERE
EFFETTUATI DA PERSONALE QUALIFICATO.
UTILIZZARE SOLO IN VEICOLI CON TERRA NEGATIVA A 12
I collegamenti e l’installazione dell’apparecchio richiedono conoscenze
VOLT.
A Tas
tecniche ed esperienza particolari. Per ragioni di sicurezza, contattare
(se non si è sicuri, controllare con il proprio rivenditore.) Diversamente
Usa
sempre il rivenditore presso il quale è stato acquistato il prodotto per
si potrebbero causare incendi o altri danni.
eseguire l’installazione.
B Sen
USARE FUSIBILI DI RICAMBIO DELL’AMPERAGGIO
UTILIZZARE LE PARTI ACCESSORIE SPECIFICATE E
Rim
CORRETTO.
INSTALLARLE IN MODO CORRETTO.
Altrimenti potrebbero derivarne incendi o scosse elettriche.
tras
Assicurarsi di utilizzare solo parti accessorie specificate. L’utilizzo di
del
NON BLOCCARE LE FESSURE O I PANNELLI DI IRRADIAZIONE.
altri componenti potrebbe danneggiare l’apparecchio all’interno o
Bloccandoli si potrebbe causare un surriscaldamento interno
determinare in un’installazione non corretta. I componenti potrebbero
C Ta
s
dell’apparecchio che potrebbe dare luogo a incendi.
non rimanere collegati in modo saldo e provocare problemi di
Vie
funzionamento o pericoli.
UTILIZZARE IL PRODOTTO IN VEICOLI CON BATTERIA DA
re
g
12 V.
SISTEMARE I CAVI IN MODO CHE NON VENGANO PIEGATI O
Per
Un utilizzo diverso da quello indicato potrebbe causare incendi, scosse
COMPRESSI DA PARTI METALLICHE TAGLIENTI.
elettriche o altri incidenti.
per
Per evitare che vengano danneggiati o piegati, sistemare i cavi e i fili
lontano da parti mobili (quali le guide dei sedili) o da parti taglienti
NON INSERIRE LE MANI, LE DITA O OGGETTI ESTRANEI
D Tas
o aguzze. Se i cavi vengono fatti passare attraverso un foro metallico,
NELLE FESSURE O NELLE APERTURE.
Con
utilizzare un anello di gomma per evitare che l’isolante dei cavi venga
Diversamente si potrebbero causare danni alla persona o al prodotto.
tagliato dal bordo metallico del foro.
già
ESEGUIRE CORRETTAMENTE I COLLEGAMENTI.
Te
n
NON INSTALLARE IN LUOGHI ECCESSIVAMENTE UMIDI O
Altrimenti ne potrebbero derivarne incendi o danni al prodotto.
mo
POLVEROSI.
PRIMA DI ESEGUIRE I COLLEGAMENTI, SCOLLEGARE IL CAVO
Evitare di installare l’apparecchio in luoghi eccessivamente umidi o
E Tas
DEL TERMINALE NEGATIVO DELLA BATTERIA.
polverosi. La presenza di umidità o polvere all’interno del prodotto
Altrimenti potrebbero derivare scosse elettriche o altre lesioni dovute a
Con
potrebbe causare problemi di funzionamento.
cortocircuiti.
tele
NON AVVICINARE LE DITA ALL’APPARECCHIO QUANDO IL
NON UTILIZZARE I CAVI PER EFFETTUARE ALTRI
Qu
PANNELLO FRONTALE ELETTRICO O IL MONITOR MOBILE
COLLEGAMENTI.
SONO IN MOVIMENTO.
pr
e
Non eliminare mai le parti isolanti dei cavi per alimentare altri
Diversamente si potrebbero causare danni alla persona o al prodotto.
sch
apparecchi. Diversamente la capacità di trasporto di corrente del cavo in
questione viene superata causando incendi o scosse elettriche.
F Tas
NELL’EFFETTUARE I FORI, NON DANNEGGIARE I TUBI O I
Con
CAVI.
Bala
Nell’effettuare i fori nel telaio per l’installazione, fare attenzione a
Ten
non entrare in contatto, danneggiare o ostruire i tubi, i condotti
mo
della benzina, i serbatoi o i cavi elettrici. La non osservanza di queste
precauzioni potrebbe causare incendi.
2-IT
ALPINE IVE-W535BT QRG 68-21057Z55-A (IT)

Istruzioni per l’uso Funzionamento del pannello a sfioramento, Individuazione dei comandi, Accensione o spegnimento
Funzionamento del pannello a sfioramento
ILIZZARE
Funzionamento del pannello a sfioramento
RZO.
sterzo
È possibile utilizzare il sistema tramite il pannello a sfioramento sullo schermo.
seguire
e parti
e
Tasti comuni sullo schermo
tro.
: Consente di ritornare alla schermata precedente. In base alla funzione, questo tasto potrebbe
TERFERIRE
EN
cancellare le operazioni effettuate sullo schermo.
O LA LEVA
: Chiude la finestra.
terferire con
Individuazione dei comandi
DE
ti. La
FR
causare
ES
rodotto.
ne o al più
ERE
IT
onoscenze
A Tasto (Sgancio)
G Tasto manopola/MUTE/C
ontattare
Usare questo tasto per rimuovere il pannello anteriore.
Consente di regolare il volume mediante rotazione a
otto per
sinistra o a destra.
B Sensore del telecomando
SE
Premere per attivare/disattivare l’audio.
Rimanendo entro un raggio di 2 metri, puntare il
Tenere premuto per almeno 3 secondi per disattivare
trasmettitore del telecomando in direzione del sensore
lizzo di
l’alimentazione.
del telecomando.
rno o
H Tasto c (Espulsione)
otrebbero
C Tasto
(My Favorites)
NL
di
Consente di estrarre il disco.
Viene visualizzata la schermata Preferiti per l’utente 1
registrato.
I Interruttore RESET
EGATI O
Per passare all’utente 2, tenere premuto questo tasto
Viene reimpostato il sistema di questa unità.
per almeno 3 secondi.
i e i fili
RU
aglienti
D Tasto
(SOURCE)
etallico,
Consente di visualizzare la schermata Audio/Visual. Se è
vi venga
già visualizzata, consente di commutare la sorgente.
Tenere premuto per almeno 3 secondi per attivare il
MIDI O
PL
modo Notiziari sul traffico.
midi o
E Tasto
(PHONE)
odotto
Consente di richiamare la schermata del menu del
telefono.
NDO IL
GR
Quando è connesso un telefono con vivavoce, tenere
OBILE
premuto per almeno 3 secondi per passare alla
rodotto.
schermata dei registri delle chiamate.
F Tasto
(AUDIO SETUP)
Consente di visualizzare la schermata “Impostazioni di
Balance/Fades/Subwoofer“.
Tenere premuto per almeno 3 secondi per attivare la
modalità di selezione Impostazioni Audio.
3-IT
ALPINE IVE-W535BT QRG 68-21057Z55-A (IT)
Table of contents
- MOBILE MEDIA STATION
- 1 Turn the ignition key to the ACC or ON position.
- 1 Press the (My Favorites) button. 5 Touch [Search].
- 4 Touch the selected artist name.
- 8 Touch [Audio] or [Hands-free] of the device
- 2 Mounting the Microphone.
- 5 Slide the IVE-W535BT into the dashboard
- 1 Drehen Sie den Zündschlüssel in die Stellung ACC oder EIN.
- 1 Drücken Sie die Taste (My Favorites). 5 Berühren Sie [Suchen].
- 4 Berühren Sie den Namen des ausgewählten
- 8 Berühren Sie [Audio] oder [Hands-free] für
- 2 Befestigung des Mikrofons.
- 4 Falls das Fahrzeug eine Stützhalterung
- 1 Placer la touche de démarrage sur ACC ou ON.
- 1 Appuyez sur le bouton (My Favorites). 5 Appuyez sur la touche [Chercher].
- 4 Appuyez sur le nom de l’artiste sélectionné.
- 8 Appuyez sur [Audio] ou [Hands-free] du
- 2 Montage du microphone.
- 4 Si votre véhicule possède un support, 5 Faites glisser l’IVE-W535BT dans le tableau
- 1 Gire la llave de contacto a la posición ACC u ON.
- 1 Pulse el botón (My Favorites). 5 Toque [Buscar].
- 4 Toque el nombre del artista seleccionado.
- 8 Toque [Audio] o [Hands-free] del
- 2 Instalación del micrófono.
- 4 Si su vehículo posee soporte, instale 5 Deslice el IVE-W535BT en el salpicadero
- 1 Girare la chiave di accensione sulla posizione di attivazione (ACC o ON).
- 1 Premere il tasto (My Favorites). 5 Toccare [Ricerca].
- 4 Toccare il nome dell’artista selezionato.
- 1 Toccare l’icona [Setup] nella barra
- 2 Montaggio del Microfono.
- 4 Una volta dotata la vettura della staffa, 5 Far scorrere l’unità IVE-W535BT nel
- 1 Vrid tändningsnyckeln till läge ACC eller ON.
- 1 Tryck på -knappen (My Favorites). 5 Peka på [Sök].
- 4 Tryck på det markerade artistnamnet.
- 8 Tryck på [Audio] eller [Hands-free] för den
- 2 Montera mikrofonen.
- 5 Skjut in IVE-W535BT i instrumentpanelen
- 1 Draai de contactsleutel naar de ACC of AAN positie.
- 1 Druk op de -knop (My Favorites). 5 Raak [Zoeken] aan.
- 4 Raak de naam van de geselecteerde artiest
- 8 Raak [Audio] of [Hands-free] aan van het
- 2 Montage van de Microfoon.
- 4 Wanneer uw voertuig uitgerust is met de
- 1 Поверните ключ зажигания в положение ACC или ON.
- 1 Нажмите кнопку (My Favorites). 5 Нажмите [Поиск].
- 1 Во время воспроизведения коснитесь [
- 8 Коснитесь кнопки [Audio] или [Hands-
- 2 Установка микрофона.
- 4 Если автомобиль оборудован
- 1 Obróć kluczyk zapłonu w pozycję ACC lub ON.
- 1 Naciśnij przycisk (My Favorites). 5 Dotknij przycisku [Szukaj].
- 4 Dotknij nazwę wybranego wykonawcy.
- 8 Dla urządzenia z listy, które chcesz
- 2 Montaż mikrofonu.
- 5 Wsuń urządzenie IVE-W535BT w deskę 4 Jeżeli w pojeździe dostępny jest wspornik,
- 1 Θέστε το κλειδί έναρξης στη θέση ACC ή ON (ΕΝΕΡΓΟΠΟΙΗΣΗ).
- 1 Πατήστε το πλήκτρο (My Favorites). 5 Πιέστε το [Αναζήτηση].
- 1 Πιέστε το [ (Αναζήτηση)] κατά την
- 1 Πιέστε το εικονίδιο [Setup] της Πάνω
- 2 Τοποθέτηση του μικροφώνου.
- 4 Αν το όχημά σας διαθέτει το Υποστήριγμα,




