Alpine IVE-W535BT: 5 Skjut in IVE-W535BT i instrumentpanelen
5 Skjut in IVE-W535BT i instrumentpanelen : Alpine IVE-W535BT

Skjut in enheten i monteringskassetten och
Anslut alla andra kablar till IVE-W535BT
Ans
sätt fast den.
enligt beskrivningen i kopplingsschemat.
Monteringskassett
Skruv
(medföljer)
Sexkants-mutter (M5)
Anslut
Instrumentbräda
Gummihatt
2
*
Pinnbult
(medföljer)
Den här enheten
Kassettnyckel
Metallbygel
1
*
Tryck-
1
plåtar*
Sexkantsbult
(medföljer)
Jordledning
Den här
Chassi
enheten
2
Frontplåt*
•
För skruven märkt ”*2”, måste du använda en lämplig
(medföljer)
skruv för den valda monteringsplatsen.
*1 Om den installerade monteringskassetten är lös i
instrumentbrädan kan du åtgärda det genom att böja
5 Skjut in IVE-W535BT i instrumentpanelen
tryckplåtarna något.
tills det klickar. Detta garanterar att
*2 Den medföljande frontplåten kan monteras.
enheten fästs ordentligt och inte kan
lossna från instrumentbrädan av misstag.
4 Om det redan finns ett fäste på
bilen sätter du i den långa bulten på
baksidan av IVE-W535BT och sätter på
gummihatten på bulten. Om det inte
finns något monteringsstöd på bilen
skall huvudenheten förstärkas med
metallbygeln (medföljer ej). Anslut
jordkabeln till en ren metallpunkt med en
skruv (*1), som redan finns på bilens chassi.
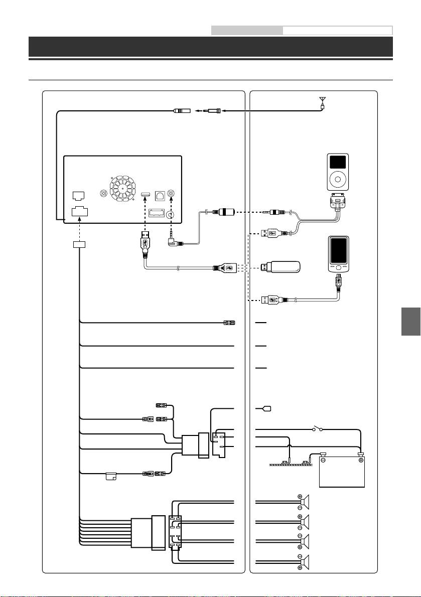
Kopplingsschema för SPST-brytare (säljs separat)
(Om ACC-strömförsörjning inte är tillgänglig)
ACC
SÄKRING
(Röd)
SPST SW (Tillval)
(5A) (Tillval)
IVE-W535BT
BATTERY
(Gul)
SÄKRING
(20A) (Tillval)
Batteri
•
Om du inte kan ta ström direkt från tändningslåset, bör du montera en särskild SPST-brytare (Single-Pole, Single-Throw)
(säljs separat) och en säkring (säljs separat).
•
Diagrammet och säkringens amperevärde som visas ovan gäller då IVE-W535BT används individuellt.
•
Om strömkabeln (tändning) från IVE-W535BT ansluts direkt till fordonsbatteriets pluspol (+) drar IVE-W535BT en liten
mängd ström (åtskilliga hundra milliampere) även då strömbrytaren är avstängd. Det kan orsaka att batteriet laddas ur.
12-SE
ALPINE IVE-W535BT QRG 68-21057Z55-A (SE)

Användarhandledning Anslutningar
35BT
Anslutningar
hemat.
Anslutningar 1/2
Antenn
ISO-antennanslutning
EN
en iPod/iPhone-
enhet (säljs separat)
DE
är
en
Anslutningssats KCU-461iV
lämplig
(säljs separat)
FR
Nokia-telefon
(säljs separat)
nelen
ES
t
iPod VIDEO AV-förlängningskabel
USB-minne
(Medföljer KCU-461iV)
(säljs separat)
n
sstag.
Förlängningskabel för USB
(medföljer)
IT
Anslutningssats för Nokia-telefon KCU-
230NK (säljs separat) (endast INE-W928R)
REMOTE TURN-ON
Till förstärkare eller equalizer
SE
(Blå/Vit)
REVERSE
Till pluspolen på bilens signalkabel för backljuset
(Orange/Vit)
PARKING BRAKE
NL
Till handbromsens signalkabel
(Gul/Blå)
RU
Till motorantenn
IGNITION
(Röd)
GND
Tändningslåset
(Svart)
POWER ANT
PL
(Blå)
BATTERY
Batteri
(Gul)
10A
GR
(Grön)
Vänster bak
(Grön/Svart)
(Vit)
e-Throw)
Vänster fram
(Vit/Svart)
Högtalare
(Grå/Svart)
Höger fram
(Grå)
T en liten
addas ur.
(Violett/Svart)
Höger bak
(Violet)
13-SE
ALPINE IVE-W535BT QRG 68-21057Z55-A (SE)

Anslutningar 2/2
Spe
BILDSKÄ
Skärmstorle
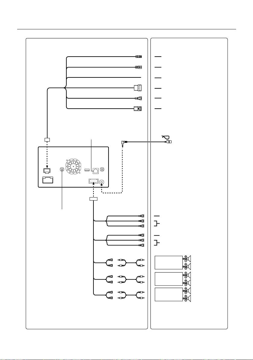
REMOTE OUT
Till fjärrstyrningsingång
LCD
(Brun)
Driftsyste
m
REMOTE IN
Till fjärrstyrningsutgångens kabel
Antal bilde
(Brun)
SPEED SENSOR
Antal effek
t
Till fordonets hastighetspausledning
(Grön/Vit)
Belysningss
CAMERA1
Till Front/Backkamera
FM TUNE
CAMERA2
Till Back-/Annan/kamera
Mottagning
Enkanalig a
CAMERA SW
Används inte
Känslighet
Alternativ
k
Signalbrusf
Anslut denna till boxen för fordonets
Stereosepa
bildskärmsgränssnitt (tillval).
Infångning
Mikrofon (medföljer)
MW TUN
Mottagning
Användbar
LW TUNE
Mottagning
Känslighet
USB-AVS
USB-krav
Max. ström
Till gränssnittsdosan för fjärrstyrning.
(Gul)
USB-klass
Till videoutgångsanslutning
(Röd)
(Vit)
Till ljudutgångsanslutningar (R, L)
Filsystem
MP3-avko
d
(Gul)
Till videoingångsanslutning
WMA-avko
(Röd)
AAC-avko
d
(Vit)
Till ljudingångsanslutningar (R, L)
Antal kanal
Frekvensåt
e
Total harmo
Vänster bak
Dynamikom
Förstärkare
Höger bak
Signalbrusf
Kanalsepar
Vänster fram
*
Frekven
s
Förstärkare
Höger fram
kodnings
CD/DVD
Förstärkare
Subwoofers
Frekvensåte
Svaj (% WR
Total harm
o
Dynamikom
Kanalsepar
Signalsyste
Horisontell
Videosigna
Signalbrus
f
14-SE
ALPINE IVE-W535BT QRG 68-21057Z55-A (SE)

Användarhandledning Specifikationer
Specifikationer
BILDSKÄRMSAVSNITT
Signalbrusförhållande för ljud 100 dB
Skärmstorlek 6,1”
PICKUP
LCD Genomskinlig typ TN LCD
Driftsystem TFT aktiv matris
Våglängd DVD: 666 nm
Antal bildelement 1 152 000 st.
CD: 785 nm
(800 × 3 × 480)
Lasereffekt CLASS II
Antal effektiva bildelement 99% eller fler
EN
Belysningssystem LED
BLUETOOTH-DELEN
BLUETOOTH-specifikationer Bluetooth V2.1+EDR
FM TUNER-AVSNITT
Uteffekt +4 dBm max. (Effektklass 2)
Mottagningsomfång 87,5 – 108,0 MHz
Profil HFP (Hands-Free Profile)
DE
Enkanalig användbarkänslighet
OPP (Object Push Profile)
8,1 dBf (0,7 µV/75 ohm)
PBAP (Phone Book Access Profile)
Känslighet vid 50 dB:sstöravstånd
A2DP (Advanced Audio
12 dBf (1,1 µV/75 ohm)
Distribution Profile)
FR
Alternativ kanalselektivitet 80 dB
AVRCP (Audio/Video Remote
Signalbrusförhållande 65 dB
Control Profile)
Stereoseparation 35 dB
Infångningsindex 2,0 dB
GENERAL
Strömförsörjning 14,4 V likström
ES
MW TUNER-AVSNITT
(11–16 V tolerans)
Mottagningsomfång 531 – 1 602 kHz
Driftstemperatur -20°C till + 60°C
Användbar känslighet 25,1 µV/28 dBf
Maximal uteffekt 50 W × 4
Spänning ut 2 000 mV/10k ohm
IT
LW TUNER-AVSNITT
Vikt 2,23 kg
Ljudnivå ut
Mottagningsomfång 153 – 281 kHz
Preout (fram, bak): 2 V/10k ohm (max.)
Känslighet (IEC standard) 31,6 µV/30 dBf
Preout (Subwoofer): 2 V/10k ohm (max.)
AUX OUT: 1,2 V/10k ohm
SE
USB-AVSNITT
USB-krav USB 1.1/2.00
CHASSISTORLEK
Max. strömförbrukning 1 000 mA
Bredd 178 mm
USB-klass USB(uppspelning från enhet)/
Höjd 100 mm
USB (masslagringsklass)
NL
Djup 164,4 mm
Filsystem FAT12/16/32
MP3-avkodning MPEG-1/2 AUDIO Layer-3
FRONTSTORLEK
WMA-avkodning Windows Media™ -ljud
AAC-avkodning AAC-LC-format ”.m4a”-fil
Bredd 170 mm
RU
Antal kanaler 2-kanals (Stereo)
Höjd 95 mm
Frekvensåtergivning* 5 – 20 000 Hz (±1 dB)
Djup 18,5 mm
Total harmonisk förvrängning 0,008 % (vid 1 kHz)
•
Till följd av fortgående produktförbättringar förbehålls
Dynamikomfång 95 dB (vid 1 kHz)
rätten till ändringar av tekniska data och utförande utan
Signalbrusförhållande 100 dB
PL
föregående meddelande.
Kanalseparation 85 dB (vid 1 kHz)
•
LCD-skärmen är tillverkad med ytterst hög precision.
*
Frekvensomfånget kan variera beroende på
Andelen fullt fungerande bildpunkter överstiger 99,99%
kodningsprogramvara/bitfrekvens.
av hela skärmen. Det innebär att 0,01 % av punkterna
kan vara ständigt tända eller släckta.
GR
CD/DVD
Frekvensåtergivning 5 – 20 000 Hz (±1 dB)
Svaj (% WRMS) Under den mätbara gränsen
Total harmonisk förvrängning 0,008 % (vid 1 kHz)
Dynamikomfång 95 dB (vid 1 kHz)
Kanalseparation 85 dB (vid 1 kHz)
Signalsystem NTSC/PAL
Horisontell upplösning 500 linjer eller större
Videosignalnivå 1Vp-p (75 ohms)
Signalbrusförhållande för bild DVD: 60 dB
15-SE
ALPINE IVE-W535BT QRG 68-21057Z55-A (SE)

•
Denna produkt innehåller kopieringsskyddsteknologi
som är skyddad av patent i USA och andra intellektuella
egendomsrättigheter som tillhör Rovi Corporation.
Reverse engineering eller demontering är förbjuden.
•
Tillverkas under licens från Dolby Laboratories. Dolby
och dubbel-D-symbolen är varumärken som tillhör
Dolby Laboratories.
•
Windows Media och Windows-logotypen är
varumärken eller registrerade varumärken som ägs av
Microsoft Corporation i USA och/eller i andra länder.
•
iPhone, iPod, iPod classic, iPod nano, iPod touch och
iTunes är varumärken som tillhör Apple Inc., registrerat i
USA och andra länder.
•
”Made for iPod,” och ”Made for iPhone,” innebär att ett
elektroniskt tillbehör har utvecklats specifikt för att
anslutas till iPod respektive iPhone och har certifierats
av utvecklaren så att de uppfyller de prestandakrav
som Apple ställer. Apple är inte ansvarigt för denna
enhets funktion eller dess överensstämmelse med
säkerhetsföreskrifter och standarder. Notera att
användning av detta tillbehör med iPod eller iPhone
kan påverka trådlösa funktioner.
•
© 2010 Nokia. Alla rättigheter förbehålls. Nokia och
Works with Nokia är varumärken eller registrerade
varumärken som ägs av Nokia Corporation.
•
DivX®, DivX Certified® och tillhörande logotyper är
varumärken som tillhör Rovi Corporation och används
på licens.
•
BLUETOOTH®-märket och logotypen är registrerade
varumärken som tillhör Bluetooth SIG, Inc. och all
användning av sådana märken av Alpine Electronics,
Inc. sker på licens.
•
”Ljudkodningstekniken MPEG Layer-3 licensierad av
Fraunhofer IIS och Thomson”.
•
”Med denna produkt medföljer endast en licens för
privat, icke-kommersiellt bruk och inte en licens eller
några rättigheter för att använda denna produkt för
kommersiell (dvs. inkomstbringande) realtidssändning
(via markbundna nät, satellit, kabel och/eller annan
media), sändning/dataöverföring via internet, intranät
och/eller andra nätverk eller i andra elektroniska
distributionssystem, t.ex. betalkanaler eller audio-on-
demand-applikationer. Det krävs en speciell licens för
sådan användning. Besök
http://www.mp3licensing.com för mer information”
Delar ©2011, Microsoft Corporation. Med ensamrätt.
16-SE
ALPINE IVE-W535BT QRG 68-21057Z55-A (SE)

Inhoudsopgave
WAARSCHUWING .................................................................................................................................................2
OPGELET ..................................................................................................................................................................2
Aan de slag .............................................................................................................................................................3
Registratie van een gebruiker .........................................................................................................................5
Radiobediening ....................................................................................................................................................6
EN
MP3/WMA/AAC gebruiken ...............................................................................................................................6
Bediening van de DVD .......................................................................................................................................7
Bediening iPod/iPhone (Optioneel) ..............................................................................................................8
DE
USB-geheugen gebruiken (optioneel) .........................................................................................................9
Handenvrije bediening van de telefoon ....................................................................................................10
Installatie ...............................................................................................................................................................11
Aansluitingen .....................................................................................................................................................13
FR
Specificaties .........................................................................................................................................................15
ES
IT
BELANGRIJK
Noteer het serienummer van uw toestel in de daartoe voorziene ruimte hieronder en houd het bij als
SE
referentie.
SERIENUMMER:
ISO-SERIENUMMER: AL
NL
DATUM VAN INSTALLATIE:
INSTALLATIETECHNICUS:
PLAATS VAN AANKOOP:
RU
Raadpleeg de gebruiksaanwijzing op de bijgeleverde cd-rom voor meer informatie over alle
functies. (Dit is een data-cd en bijgevolg niet geschikt voor weergave van muziek en beelden op
PL
de speler.) Indien nodig zal een ALPINE-dealer u meteen een afgedrukte versie bezorgen van de
gebruiksaanwijzing die op de cd-rom is opgeslagen.
GR
1-NL
ALPINE IVE-W535BT QRG 68-21057Z55-A (NL)

WAARSCHUWING
Aan
GEBRUIK GEEN BOUTEN OF MOEREN IN DE REM- OF
Aanraa
STUURINRICHTING OM EEN AARDING TE MAKEN.
WAARSCHUWING
Bouten of moeren die worden gebruikt in de rem- of stuurinrichting (of
U kunt he
een ander veiligheidssysteem) of tanks mogen NOOIT gebruikt worden
Dit symbool wijst op belangrijke instructies.
voor installaties of als aardverbinding. Het gebruik van dergelijke
e
Algem
Het negeren van deze instructies kan ernstige
onderdelen kan leiden tot een controleverlies over de auto en brand enz.
veroorzaken.
verwondingen of de dood tot gevolg hebben.
INSTALLEER NIET OP LOCATIES DIE HET BESTUREN VAN UW
GEBRUIK HET TOESTEL NIET WANNEER DIT U VERHINDERT
VOERTUIG KUNNEN HINDEREN, ZOALS HET STUUR OF DE
VEILIG MET UW VOERTUIG TE RIJDEN.
VERSNELLINGSPOOK.
Wanneer een functie uw langdurige aandacht vereist, dient u eerst
Wanneer u dit doet, kan dit uw gezichtsvermogen of uw bewegingen
volledig stil te staan voor u deze uitvoert. Parkeer uw voertuig steeds op
belemmeren met ernstige ongevallen tot gevolg.
Uitlijnin
een veilige plaats vooraleer u een functie gaat gebruiken.
Doet u dit niet, dan loopt u het gevaar een ongeval te veroorzaken.
HOUD KLEINE VOORWERPEN ZOALS SCHROEVEN BUITEN
HET BEREIK VAN KINDEREN.
OPGELET
Wanneer deze worden ingeslikt, kan dit leiden tot ernstige
verwondingen. Contacteer in dit geval onmiddellijk een dokter.
Dit symbool wijst op belangrijke instructies. Het
BEPERK HET VOLUME ZODAT U GELUIDEN BUITEN DE AUTO
negeren van deze instructies kan verwondingen
NOG STEEDS KUNT HOREN TIJDENS HET RIJDEN.
of schade aan het product tot gevolg hebben.
Een te hoog volumeniveau kan geluiden, zoals de sirene van een
ambulanceof waarschuwingssignalen langs de weg (bij overwegen,
enz.) dempen, wat kan leiden tot gevaarlijke situaties en mogelijk tot
ZET ONMIDDELLIJK HET GEBRUIK STOP WANNEER ZICH EEN
een ongeval. EEN TE HOOG VOLUMENIVEAU IN EEN AUTO KAN
PROBLEEM VOORDOET.
OOK GEHOORSCHADE VEROORZAKEN.
Doet u dit niet, dan kan dit leiden tot letsel of schade aan het product.
Breng het toestel ter reparatie terug naar uw bevoegde Alpine-dealer of
DEMONTEER OF WIJZIG HET TOESTEL NIET.
het dichtstbijzijnde Alpine-servicecenter.
Indien u dit wel doet, kan dit leiden tot een ongeval, brand of
elektrocutie.
LAAT DE AANSLUITING EN INSTALLATIE UITVOEREN DOOR
ENKEL TE GEBRUIKEN IN AUTO’S MET EEN NEGATIEVE
DESKUNDIGEN.
De aansluiting en installatie van dit toestel vereist specifieke technische
A -k
AARDING VAN 12 V.
kennis en ervaring. Contacteer voor uw eigen veiligheid steeds de
(contacteer bij twijfel uw verdeler). Indien u deze instructie niet opvolgt,
Geb
verdeler waar u dit product hebt gekocht om de installatie te laten
kan dit leiden tot brand, enz.
uitvoeren.
B Afs
GEBRUIK DE CORRECTE AMPÈREWAARDE BIJ HET
GEBRUIK GESPECIFICEERDE ACCESSOIRES EN INSTALLEER ZE
Ric
VERVANGEN VAN DE ZEKERINGEN.
OP DE JUISTE MANIER.
Doet u dit niet, dan kan dit leiden tot brand of elektrocutie.
afs
t
Zorg ervoor dat u enkel de gespecificeerde accessoires gebruikt.
BLOKKEER DE VENTILATIEOPENINGEN OF
me
Gebruik van andere dan de genoemde onderdelen kunnen interne
RADIATORPANELEN NIET.
schade veroorzaken aan het toestel of zorgen mogelijk voor een slechte
C -
Indien u dit wel doet, kan het toestel binnenin erg warm worden en zo
installatie van het toestel. Daardoor kunnen onderdelen loskomen, met
brand veroorzaken.
gevaren of storingen tot gevolg.
Het
Geb
GEBRUIK DIT PRODUCT VOOR MOBIELE 12V-TOEPASSINGEN.
SCHIK DE KABELS ZODAT ZE NIET GEKNELD ZITTEN OF
Gebruik voor andere toepassingen kan leiden tot brand, elektrocutie of
Ho
GEKNEPEN WORDEN DOOR EEN SCHERPE METALEN KANT.
andere verwondingen.
Leid de kabels en bedrading weg van bewegende onderdelen (zoals
ov
e
de zetelrails) of scherpe of puntige kanten. Zo vermijdt u knelpunten
PLAATS UW HANDEN, VINGERS OF VREEMDE VOORWERPEN
D -
en schade aan de bedrading. Wanneer de kabels door een metalen
NIET IN DE SLEUVEN VAN HET TOESTEL.
gat lopen, gebruik dan een rubberen ring om te voorkomen dat de
Hi
e
Indien u dit wel doet, kan dit leiden tot letsel of schade aan het product.
kabelisolatie doorgesneden wordt door de metalen rand van het gat.
Als
SLUIT ALLES CORRECT AAN.
INSTALLEER NIET OP PLAATSEN MET VEEL VOCHT OF STOF.
ku
n
Zaken verkeerd aansluiten, kan vuur of schade aan het product
Vermijd installatie van het toestel op plaatsen waar veel vocht of stof
veroorzaken.
Ho
aanwezig is. Wanneer er vocht of stof terechtkomt in het toestel, kan dit
VERWIJDER DE KABEL VAN DE NEGATIEVE
storingen veroorzaken.
de
BATTERIJAANSLUITING VOOR U HET TOESTEL AANSLUIT.
RAAK HET TOESTEL NIET AAN TERWIJL HET
E
-
Doet u dit niet, dan kan dit leiden tot elektrocutie of letsels ten gevolge
GEMOTORISEERDE VOORPANEEL OF HET BEWEGENDE
van kortsluitingen.
Hie
SCHERM IN BEWEGING IS.
Als
SPLITS GEEN ELEKTRISCHE KABELS.
Doet u dit wel, dan kan dit leiden tot letsels of schade aan het product.
Snijd nooit de kabelisolatie weg om stroom te voorzien voor een ander
ho
u
apparaat. Wanneer u dit wel doet, zal de stroomcapaciteit van de kabel
om
overschreden worden, wat kan leiden tot brand of elektrocutie.
opr
BESCHADIG GEEN BUIZEN OF KABELS TIJDENS HET BOREN
F -
VAN GATEN.
Neem uw voorzorgen tijdens het boren van gaten in het chassis voor de
Hie
installatie, zodat u geen buizen, brandstoftoevoeren, brandstoftanks of
Inst
elektrische bedradingen raakt, beschadigt of blokkeert. Zoniet kan dit
Ho
leiden tot brand.
de
2-NL
ALPINE IVE-W535BT QRG 68-21057Z55-A (NL)

Gebruikershandleiding Aanraakbediening, Uitlijning van bedieningselementen, Het toestel in- of uitschakelen
Aan de slag
F
Aanraakbediening
richting (of
U kunt het systeem met behulp van het aanraakpaneel op het scherm bedienen.
ikt worden
lijke
e
Algemene knoppen op het scherm
brand enz.
: keert terug naar het vorige scherm. Afhankelijk van de functie, annuleert deze knop de handelingen
EN
VAN UW
die op het scherm zijn uitgevoerd.
OF DE
: sluit het venster.
egingen
Uitlijning van bedieningselementen
DE
FR
s. Het
ngen
en.
ZICH EEN
ES
product.
e-dealer of
N DOOR
IT
technische
A -knop (loskoppelen)
G Draaiknop/MUTE/C-knop
ds de
Gebruik deze knop om het voorpaneel te verwijderen.
U kunt het volume regelen door deze knop naar links
laten
of rechts te draaien.
B Afstandsbedieningssensor
SE
Druk op deze knop om het geluid te dempen of het
ALLEER ZE
Richt de optionele afstandsbedieningszender naar de
dempen te annuleren.
afstandsbedieningssensor binnen een bereik van 2
kt.
Houd deze knop gedurende minstens 3 seconden
meter.
terne
ingedrukt om het toestel uit te schakelen.
en slechte
C
-knop (My Favorites)
NL
omen, met
H c-knop (uitwerpen)
Het scherm Mijn favorieten voor de geregistreerde
Hiermee kunt u een disc uitwerpen.
Gebruiker 1 wordt weergegeven.
N OF
Houd deze knop minstens 3 seconden ingedrukt om
I RESET-schakelaar
N KANT.
(zoals
over te schakelen naar Gebruiker 2.
Het systeem van dit toestel is gereset.
RU
lpunten
D
-knop (SOURCE)
talen
dat de
Hiermee kunt u het Audio/Video-scherm weergeven.
het gat.
Als het Audio/Video-scherm al wordt weergegeven,
OF STOF.
kunt u hiermee de bron wijzigen.
t of stof
PL
Houd gedurende minstens 3 seconden ingedrukt om
tel, kan dit
de modus verkeersinformatie te activeren.
E
-knop (PHONE)
NDE
Hiermee roept u het telefoonmenuscherm op.
GR
Als er een handenvrije telefoon aangesloten is,
t product.
houdt u deze knop minstens 3 seconden ingedrukt
om over te schakelen naar het scherm met de
oproepgeschiedenis.
F
-knop (AUDIO SETUP)
Hiermee kunt u het “De Balance/Fader/Subwoofer
Instellen”-scherm weergeven.
Houd gedurende minstens 3 seconden ingedrukt om
de selectiemodus Geluidsinstellingen te activeren.
3-NL
ALPINE IVE-W535BT QRG 68-21057Z55-A (NL)
Table of contents
- MOBILE MEDIA STATION
- 1 Turn the ignition key to the ACC or ON position.
- 1 Press the (My Favorites) button. 5 Touch [Search].
- 4 Touch the selected artist name.
- 8 Touch [Audio] or [Hands-free] of the device
- 2 Mounting the Microphone.
- 5 Slide the IVE-W535BT into the dashboard
- 1 Drehen Sie den Zündschlüssel in die Stellung ACC oder EIN.
- 1 Drücken Sie die Taste (My Favorites). 5 Berühren Sie [Suchen].
- 4 Berühren Sie den Namen des ausgewählten
- 8 Berühren Sie [Audio] oder [Hands-free] für
- 2 Befestigung des Mikrofons.
- 4 Falls das Fahrzeug eine Stützhalterung
- 1 Placer la touche de démarrage sur ACC ou ON.
- 1 Appuyez sur le bouton (My Favorites). 5 Appuyez sur la touche [Chercher].
- 4 Appuyez sur le nom de l’artiste sélectionné.
- 8 Appuyez sur [Audio] ou [Hands-free] du
- 2 Montage du microphone.
- 4 Si votre véhicule possède un support, 5 Faites glisser l’IVE-W535BT dans le tableau
- 1 Gire la llave de contacto a la posición ACC u ON.
- 1 Pulse el botón (My Favorites). 5 Toque [Buscar].
- 4 Toque el nombre del artista seleccionado.
- 8 Toque [Audio] o [Hands-free] del
- 2 Instalación del micrófono.
- 4 Si su vehículo posee soporte, instale 5 Deslice el IVE-W535BT en el salpicadero
- 1 Girare la chiave di accensione sulla posizione di attivazione (ACC o ON).
- 1 Premere il tasto (My Favorites). 5 Toccare [Ricerca].
- 4 Toccare il nome dell’artista selezionato.
- 1 Toccare l’icona [Setup] nella barra
- 2 Montaggio del Microfono.
- 4 Una volta dotata la vettura della staffa, 5 Far scorrere l’unità IVE-W535BT nel
- 1 Vrid tändningsnyckeln till läge ACC eller ON.
- 1 Tryck på -knappen (My Favorites). 5 Peka på [Sök].
- 4 Tryck på det markerade artistnamnet.
- 8 Tryck på [Audio] eller [Hands-free] för den
- 2 Montera mikrofonen.
- 5 Skjut in IVE-W535BT i instrumentpanelen
- 1 Draai de contactsleutel naar de ACC of AAN positie.
- 1 Druk op de -knop (My Favorites). 5 Raak [Zoeken] aan.
- 4 Raak de naam van de geselecteerde artiest
- 8 Raak [Audio] of [Hands-free] aan van het
- 2 Montage van de Microfoon.
- 4 Wanneer uw voertuig uitgerust is met de
- 1 Поверните ключ зажигания в положение ACC или ON.
- 1 Нажмите кнопку (My Favorites). 5 Нажмите [Поиск].
- 1 Во время воспроизведения коснитесь [
- 8 Коснитесь кнопки [Audio] или [Hands-
- 2 Установка микрофона.
- 4 Если автомобиль оборудован
- 1 Obróć kluczyk zapłonu w pozycję ACC lub ON.
- 1 Naciśnij przycisk (My Favorites). 5 Dotknij przycisku [Szukaj].
- 4 Dotknij nazwę wybranego wykonawcy.
- 8 Dla urządzenia z listy, które chcesz
- 2 Montaż mikrofonu.
- 5 Wsuń urządzenie IVE-W535BT w deskę 4 Jeżeli w pojeździe dostępny jest wspornik,
- 1 Θέστε το κλειδί έναρξης στη θέση ACC ή ON (ΕΝΕΡΓΟΠΟΙΗΣΗ).
- 1 Πατήστε το πλήκτρο (My Favorites). 5 Πιέστε το [Αναζήτηση].
- 1 Πιέστε το [ (Αναζήτηση)] κατά την
- 1 Πιέστε το εικονίδιο [Setup] της Πάνω
- 2 Τοποθέτηση του μικροφώνου.
- 4 Αν το όχημά σας διαθέτει το Υποστήριγμα,




