Alpine IVE-W535BT: 4 Si votre véhicule possède un support, 5 Faites glisser l’IVE-W535BT dans le tableau
4 Si votre véhicule possède un support, 5 Faites glisser l’IVE-W535BT dans le tableau : Alpine IVE-W535BT

Faites glisser l’appareil dans la gaine de
attache de montage métallique (non
Racc
montage, puis fixez-le.
fournie). Fixez le fil de terre de l’appareil
Gaine de montage
à un élément métallique propre à l’aide
(fourni)
d’une vis (*1) déjà fixée au châssis du
Raccor
Tableau de bord
véhicule. Raccordez tous les fils de l’IVE-
W535BT selon les indications de la section
Capuchon en caoutchouc
(fourni)
RACCORDEMENTS.
Cet appareil
Clé de
Vis
support
Écrou hexagonal (M5)
2
*
Tige filetée
Compression
1
Plaques*
Boulon hex
(fourni)
Languette
de fixation
métallique
2
Cadran*
1
*
(fourni)
*1 Si la gaine de montage installée n’épouse pas bien la
forme du tableau de bord, les plaques de compression
Fil de terre
Cet appareil
Châssis
peuvent être légèrement pliées pour remédier au
problème.
•
Pour la vis désignée par le symbole « *2 », utilisez une
vis appropriée à l’emplacement de montage choisi.
*2 Le cadran fourni peut être monté.
4 Si votre véhicule possède un support,
5 Faites glisser l’IVE-W535BT dans le tableau
installez le long boulon à tête hexagonale
de bord jusqu’à ce que vous entendiez un
sur le panneau arrière de l’appareil
clic. Cela permet de s’assurer que l’appareil
IVE-W535BT et placez le capuchon en
est correctement bloqué et qu’il ne risque
caoutchouc sur le boulon. Si le véhicule
pas de sortir accidentellement du tableau
ne possède pas de support de montage,
de bord.
renforcez l’appareil principal avec une
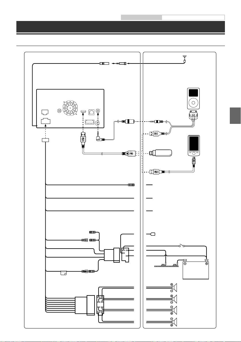
Schéma de raccordement de l’interrupteur SPST (vendu séparément)
(Si l’alimentation ACC n’est pas disponible)
ACC
FUSIBLE (5 A)
(Rouge)
SPST SW (en option)
(en option)
IVE-W535BT
BATTERY
(Jaune)
FUSIBLE (20 A)
(en option)
Batterie
•
Si votre véhicule est dépourvu d’alimentation ACC, installez un interrupteur SPST (Single-Pole, Single-Throw) (vendu
séparément) et un fusible (vendu séparément).
•
Le schéma et l’ampérage des fusibles indiqués ci-dessus s’appliquent lorsque l’IVE-W535BT est utilisé seul.
•
Si le fil de l’alimentation commutée (allumage) de l’IVE-W535BT est directement raccordé à la borne positive (+) de la
batterie du véhicule l’IVE-W535BT véhicule un certain courant (plusieurs centaines de milliampères) même lorsqu’il est
hors tension, ce qui risque de décharger la batterie.
12-FR
ALPINE IVE-W535BT QRG 68-21057Z55-A (FR)

Mode d’emploi Raccordements
n
Raccordements
pareil
aide
u
Raccordements 1/2
’IVE-
section
Antenne
Fiche d’antenne ISO
EN
l’iPod/iPhone
(vendu séparément)
DE
Kit de connexion KCU-461iV
(vendu séparément)
FR
Téléphone Nokia
(vendu séparément)
ppareil
ES
Câble d’extension AV de l’iPod
Clé USB
sez une
(Inclus avec KCU-461iV)
(vendue séparément)
isi.
Câble d’extension USB
(fourni)
IT
tableau
iez un
Kit de connexion du téléphone Nokia
appareil
KCU-230NK (vendu séparément)
REMOTE TURN-ON
risque
Vers l’amplificateur ou l’égaliseur
SE
(Bleu/Blanc)
ableau
REVERSE
Vers côté positif du fil du signal du feu de recul
(Orange/Blanc)
du véhicule
PARKING BRAKE
NL
Vers le fil du signal du frein à main
(Jaune/Bleu)
RU
Vers l’antenne électrique
IGNITION
(Rouge)
GND
Clé de contact
(Noir)
POWER ANT
PL
(Bleu)
BATTERY
Batterie
(Jaune)
10A
GR
(Vert)
Arrière gauche
(Vert/Noir)
vendu
(Blanc)
Avant gauche
(Blanc/Noir)
Enceintes
(Gris/Noir)
) de la
Avant droite
(Gris)
qu’il est
(Violet/Noir)
Arrière droite
(Violet)
13-FR
ALPINE IVE-W535BT QRG 68-21057Z55-A (FR)

Raccordements 2/2
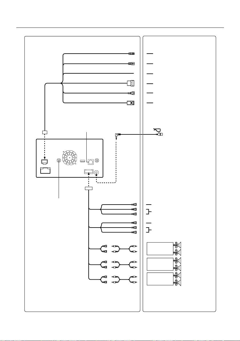
Cara
SECTION
Taille de l’éc
REMOTE OUT
Type d’affic
Vers le fil d’entrée de la télécommande
(Brun)
REMOTE IN
Vers fil de sortie de la télécommande
Système d
e
(Brun)
Nombre d’é
SPEED SENSOR
À la ligne du capteur de vitesse du véhicule
Nombre eff
(Vert/Blanc)
CAMERA1
Système d’
i
Pour la Caméra frontale/de recul
CAMERA2
SECTION
À la caméra arrière/autre
Plage d’acc
CAMERA SW
Sensibilité u
Non utilisé
Sensibilité
d
Sélectivité
d
Connectez ceci au boîtier optionnel de
Rapport si
g
l’interface d’affichage pour véhicule.
Séparation
Microphone (fourni)
Rapport d
e
SECTION
Plage d’acc
Sensibilité u
SECTION
Plage d’acc
Sensibilité (
SECTION
Version USB
Consomma
Classe USB
Vers le boîtier d’interface de la télécommande
(Jaune)
au volant.
Vers borne de sortie vidéo
(Rouge)
(Blanc)
Vers bornes de sortie audio (R, L)
Système d
e
Décodage
(Jaune)
Décodage
W
Vers la borne d’entrée vidéo
(Rouge)
Décodage
(Blanc)
Vers les bornes d’entrée audio (R, L)
Nombre d
e
Réponse en
Distorsion h
Gamme dy
Arrière gauche
Rapport sig
Amplificateur
Séparation
Arrière droite
*
La répo
n
Avant gauche
codage o
Amplificateur
Avant droite
SECTION
Réponse en
Amplificateur
Caissons de graves
Pleurage et
Distorsion
h
Gamme dy
Séparation
Système d
e
Résolution
Niveau de
s
Rapport sig
Rapport sig
14-FR
ALPINE IVE-W535BT QRG 68-21057Z55-A (FR)

Mode d’emploi Caractéristiques techniques
Caractéristiques techniques
SECTION DU MONITEUR
MÉCANISME DE LECTURE
Taille de l’écran 6,1”
Longueur d’onde DVD : 666 nm
Type d’affichage à cristaux liquides
CD : 785 nm
Affichage à cristaux liquides TN de
Puissance du laser CLASS II
type transparent
Système de fonctionnement Matrice active TFT
SECTION BLUETOOTH
Nombre d’éléments d’image 1 152 000 pixels (800 × 3 × 480)
Spécifications BLUETOOTH Bluetooth V2.1+EDR
EN
Nombre effectif d’éléments d’image
Puissance de sortie +4 dBm Max. (Puissance classe 2)
99% ou plus
Profil HFP (Profil mains libres)
Système d’illumination LED
OPP (Profil d’envoi de fichiers)
PBAP (Profil d’accès au répertoire
SECTION DU TUNER FM
téléphonique)
DE
Plage d’accord 87,5 – 108,0 MHz
A2DP (Profil de distribution audio
Sensibilité utilisable en mode mono
avancé)
8,1 dBf (0,7 µV/75 ohms)
AVRCP (Profil de télécommande
Sensibilité du silencieux à 50dB
multimédia)
12 dBf (1,1 µV/75 ohms)
FR
Sélectivité du canal de remplacement
GÉNÉRALITÉS
80 dB
Puissance requise 14,4 V CC
Rapport signal/bruit 65 dB
(11-16 V admissibles)
Séparation stéréo 35 dB
Température de fonctionnement
Rapport de captage 2,0 dB
-4°F to +140°F
ES
(-20°C à + 60°C)
SECTION DU TUNER MW
Puissance de sortie maximum 50 W × 4
Plage d’accord 531 – 1 602 kHz
Tension de sortie 2 000 mV/10k ohms
Sensibilité utilisable 25,1 µV/28 dBf
Poids 2,23 kg
Niveau de sortie audio
IT
SECTION DU TUNER LW
Présortie (avant, arrière) : 2 V/10k ohms (max.)
Présortie (caisson de graves) :
Plage d’accord 153 – 281 kHz
2 V/10k ohms (max.)
Sensibilité (norme CEI) 31,6 µV/30 dBf
AUX OUT : 1,2 V/10k ohms
SECTION USB
SE
DIMENSIONS DU CHÂSSIS
Version USB USB 1.1/2.0
Largeur 178 mm
Consommation maximale 1 000 mA
Hauteur 100 mm
Classe USB USB (lecture depuis le
Profondeur 164,4 mm
périphérique)/USB (classe de
stockage de masse)
NL
TAILLE DU NEZ
Système de fichiers FAT12/16/32
Décodage MP3 MPEG-1/2 AUDIO Layer-3
Largeur 170 mm
Décodage WMA Windows Media™ Audio
Hauteur 95 mm
Décodage AAC Fichier « .m4a » au format AAC-LC
Profondeur 18,5 mm
Nombre de canaux 2 canaux (stéréo)
RU
Réponse en fréquence* 5-20 000 Hz (±1 dB)
•
En raison des améliorations que nous apportons
Distorsion harmonique totale 0,008% (à 1 kHz)
continuellement à nos produits, les caractéristiques
Gamme dynamique 95 dB (à 1 kHz)
techniques et la conception peuvent être modifiés sans
Rapport signal/bruit 100 dB
avis préalable.
Séparation des canaux 85 dB (à 1 kHz)
•
L’affichage à cristaux liquides a été fabriqué avec des
PL
*
La réponse en fréquence peut varier en fonction du logiciel de
technologies de construction de très haute précision. Sa
codage ou du débit binaire.
résolution effective est supérieure à 99,99%. Il est donc
possible que 0,01% des pixels soient toujours ON ou OFF.
SECTION CD/DVD
Réponse en fréquence 5-20 000 Hz (±1 dB)
GR
Pleurage et scintillement (% WRMS)
Inférieur aux limites mesurables
Distorsion harmonique totale 0,008% (à 1 kHz)
Gamme dynamique 95 dB (à 1 kHz)
Séparation des canaux 85 dB (à 1 kHz)
Système de signaux NTSC/PAL
Résolution horizontale 500 lignes ou davantage
Niveau de sortie vidéo 1Vp-p (75 ohms)
Rapport signal/bruit vidéo DVD : 60 dB
Rapport signal/bruit audio 100 dB
15-FR
ALPINE IVE-W535BT QRG 68-21057Z55-A (FR)

•
Cet élément inclut une technologie de protection
des droits qui est protégée par des brevets américains
et d’autres droits de propriétés intellectuelles de la
société Rovi. La rétro-conception et le démontage sont
interdits.
•
Fabriqué sous licence des laboratoires Dolby. Dolby
et la marque au double D sont des marques de Dolby
Laboratories.
•
Windows Media et le logo Windows sont des marques
ou des marques déposées enregistrées de Microsoft
Corporation aux États-Unis et/ou dans d’autres pays.
•
iPhone, iPod, iPod classic, iPod nano, iPod touch et
iTunes sont des marques commerciales d’Apple Inc.
déposées aux États-Unis et dans d’autres pays.
•
« Made for iPod » et « Made for iPhone » indiquent
que l’accessoire électronique a été conçu pour se
connecter spécifiquement a un iPod ou un iPhone,
respectivement, et qu’il a été certifié conforme par le
développeur aux normes de performance Apple. Apple
n’est pas responsable quant au fonctionnement de ce
système ou bien du respect de celui-ci de la législation
ou des normes de sécurité en vigueur. Notez que
l’utilisation de cet accessoire avec un appareil iPod ou
iPhone peut avoir une incidence sur les performances
sans-fils.
•
© 2010 Nokia. Tous droits réservés. Nokia et Works with
Nokia sont des marques ou des marques déposées de
Nokia Corporation.
•
DivX®, DivX Certified® et les logos associés sont des
marques de la société Rovi et ses filiales, et sont utilisés
sous licence.
•
La marque et les logos BLUETOOTH® sont des marques
de commerce appartenant à Bluetooth SIG, Inc. et
ces marques sont utilisées sous licence par Alpine
Electronics, Inc.
•
« Technologie de codage audio MPEG Layer-3 sous
licence de Fraunhofer IIS et Thomson ».
•
« L’acquisition de ce produit ne fournit qu’une seule
licence pour un usage privé et ne permet pas à
l’utilisateur d’utiliser ce produit à des fins commerciales
(par exemple pour générer des recettes), pour une
télétransmission en direct (terrestre, par satellite, par
câble et/ou tout autre média), pour une transmission
par Internet, intranet et/ou autres réseaux, ou avec
des systèmes de distribution de contenu électronique
(plates-formes payantes ou applications de
téléchargements de matériel audio). Il est nécessaire
d’acquérir une licence indépendante pour de telles
utilisations. Pour en savoir plus, veuillez visiter le site
http://www.mp3licensing.com »
Portions ©2011, Microsoft Corporation. Tous droits
réservés.
16-FR
ALPINE IVE-W535BT QRG 68-21057Z55-A (FR)

Índice
ADVERTENCIA........................................................................................................................................................2
PRECAUCIÓN .........................................................................................................................................................2
Primeros pasos ......................................................................................................................................................3
Registro de usuarios ............................................................................................................................................5
Funcionamiento de la radio .............................................................................................................................6
EN
Funcionamiento MP3/WMA/AAC...................................................................................................................6
Funcionamiento del DVD ..................................................................................................................................7
Funcionamiento del iPod/iPhone (Opcional) ............................................................................................8
DE
Funcionamiento Memoria USB (Opcional) .................................................................................................9
Control de teléfonos manos libres ...............................................................................................................10
Instalación ............................................................................................................................................................11
Conexiones ...........................................................................................................................................................13
FR
Especificaciones..................................................................................................................................................15
ES
IT
IMPORTANTE
Anote el número de serie de la unidad en el espacio proporcionado a continuación y consérvelo
SE
como registro permanente.
NÚMERO DE SERIE:
NÚMERO DE SERIE ISO: AL
NL
FECHA DE INSTALACIÓN:
INSTALADOR:
LUGAR DE ADQUISICIÓN:
RU
Para obtener información detallada de todas las funciones, consulte el manual del propietario
contenido en el CD-ROM que se suministra. (Al ser un CD de datos, el CD no se puede utilizar para
PL
reproducir música o imágenes en el reproductor.) Si es necesario, un distribuidor de ALPINE podrá
facilitarle una copia impresa del manual del propietario incluido en el CD-ROM.
GR
1-ES
ALPINE IVE-W535BT QRG 68-21057Z55-A (ES)

ADVERTENCIA
Prim
NO UTILICE TUERCAS O PERNOS EN EL SISTEMA DE FRENOS O
Funcio
DE DIRECCIÓN PARA REALIZAR LAS CONEXIONES A MASA.
ADVERTENCIA
Los pernos o tuercas empleados en los sistemas de freno o de dirección
Puede m
(o en cualquier otro sistema relacionado con la seguridad del vehículo),
Este símbolo indica que las instrucciones son
o los depósitos, NUNCA deben utilizarse para instalaciones de cableado
e
Boto
importantes. De no tenerse en cuenta, podrían
o conexión a masa. Si utiliza tales partes podrá incapacitar el control del
vehículo y provocar un incendio, etc.
ocasionarse heridas graves o muerte.
NO INSTALE EL EQUIPO EN LUGARES QUE PUEDAN INTERFERIR
NO REALICE NINGUNA OPERACIÓN QUE PUEDA DISTRAER SU
CON LA OPERACIÓN DEL VEHÍCULO, COMO EL VOLANTE DE
ATENCIÓN Y COMPROMETER LA SEGURIDAD DURANTE LA
DIRECCIÓN O LA CAJA DE CAMBIOS DE VELOCIDAD.
CONDUCCIÓN DEL VEHÍCULO.
Esto podría obstaculizar la visibilidad y dificultar el movimiento, etc. y
Las operaciones que requieren su atención durante más tiempo sólo deben
provocar accidentes graves.
Ubicac
realizarse después de detener completamente el vehículo. Estacione el
vehículo en un lugar seguro antes de realizar dichas operaciones.
De lo contrario, podría ocasionar un accidente.
MANTENGA LOS OBJETOS PEQUEÑOS, COMO TORNILLOS,
PRECAUCIÓN
FUERA DEL ALCANCE DE LOS NIÑOS.
La ingestión de estos objetos puede provocar lesiones graves. Si esto ocurre,
Este símbolo indica que las instrucciones son
consulte con un médico inmediatamente.
importantes. De no tenerse en cuenta, podrían
MANTENGA EL VOLUMEN A UN NIVEL QUE NO LE IMPIDA
ocasionarse heridas graves o daños materiales.
ESCUCHAR LOS SONIDOS DEL EXTERIOR MIENTRAS CONDUCE.
Los niveles de volumen demasiado altos que reducen la percepción de
otros sonidos como las sirenas de emergencia o posibles señales acústicas
DEJE DE USAR LA UNIDAD INMEDIATAMENTE SI APARECE
de advertencia en carretera (cruces de trenes, etc.) podrían ser peligrosos
ALGÚN PROBLEMA.
y provocar un accidente. LOS NIVELES DE VOLUMEN ALTOS EN EL
Su uso en estas condiciones podría ocasionar lesiones personales o daños al
VEHÍCULO TAMBIÉN PUEDEN DAÑAR EL SISTEMA AUDITIVO DE
producto. Lleve la unidad a un distribuidor Alpine autorizado o al Centro de
LOS PASAJEROS.
servicio Alpine más próximo para repararla.
NO DESMONTE NI ALTERE LA UNIDAD.
CONFÍE EL CABLEADO Y LA INSTALACIÓN A PROFESIONALES.
Si lo hace, podrá ocasionar un accidente, un incendio o una descarga
El cableado y la instalación de este equipo requieren una competencia y
eléctrica.
experiencia técnica confirmada. Para garantizar la seguridad, póngase
A Bot
siempre en contacto con el distribuidor al que ha comprado el equipo para
UTILICE LA UNIDAD SOLAMENTE EN VEHÍCULOS QUE TENGAN
confiarle estas tareas.
Uti
12 VOLTIOS CON NEGATIVO A MASA.
(Consulte a su distribuidor en caso de duda.) De no ser así, podría ocasionar
UTILICE LOS ACCESORIOS ESPECIFICADOS E INSTÁLELOS
B Se
n
un incendio, etc.
CORRECTAMENTE.
Apu
Asegúrese de utilizar los accesorios especificados solamente. La utilización
UTILICE EL AMPERAJE CORRECTO CUANDO CAMBIE FUSIBLES.
de otras piezas no designadas puede ser la causa de daños en el interior de la
el s
De lo contrario, puede producirse un incendio o una descarga eléctrica.
unidad o de una instalación incorrecta. Las piezas pueden aflojarse, lo que,
me
NO OBSTRUYA LOS ORIFICIOS DE VENTILACIÓN O LOS PANELES
además de ser peligroso, puede provocar averías.
C Bot
DEL RADIADOR.
DISPONGA EL CABLEADO DE FORMA QUE LOS CABLES NO SE
Si los bloquea, el calor podría acumularse en el interior y producir un
Mu
DOBLEN, NO SE CONTRAIGAN NI ROCEN UN BORDE METÁLICO
incendio.
AFILADO.
reg
UTILICE ESTE PRODUCTO CON APLICACIONES MÓVILES DE 12 V.
Aleje los cables y el cableado de piezas móviles (como los raíles de los
Pul
Si se emplea para otra aplicación distinta de la prevista, podría producirse
asientos) o de bordes puntiagudos o afilados. De esta forma evitará dobleces
m
e
un incendio, una descarga eléctrica u otras lesiones.
y daños en el cableado. Si los cables se introducen por un orificio de metal,
utilice una arandela de goma para evitar que el borde metálico del orificio
D Bot
NO INTRODUZCA LAS MANOS, LOS DEDOS NI OTROS OBJETOS
corte el aislamiento del cable.
EXTRAÑOS EN LAS RANURAS DE INSERCIÓN O EN LAS
Mu
ABERTURAS.
NO INSTALE LA UNIDAD EN LUGARES MUY HÚMEDOS O LLENOS
Visu
Si lo hiciera, podría sufrir heridas u ocasionar daños al equipo.
DE POLVO.
Pul
Evite instalar la unidad en lugares con altos índices de humedad o polvo. Si
REALICE LAS CONEXIONES CORRECTAMENTE.
entra polvo o humedad, el equipo puede averiarse.
m
e
Una conexión incorrecta puede producir un incendio o dañar el equipo.
de
NO TOQUE LA UNIDAD CON LOS DEDOS MIENTRAS EL PANEL
ANTES DE EFECTUAR EL CABLEADO, DESCONECTE EL CABLE
FRONTAL O MONITOR MOTORIZADOS ESTÁN EN MOVIMIENTO.
DEL TERMINAL NEGATIVO DE LA BATERÍA.
E Bo
t
Esto podría ocasionar lesiones personales o daños al producto.
De no hacerlo así, podría ocasionar una descarga eléctrica o heridas debido
Rec
a cortocircuitos eléctricos.
Si h
NO EMPALME CABLES ELÉCTRICOS.
bot
Nunca corte el aislamiento de un cable para suministrar energía a otro
seg
equipo. Esto hace que la capacidad portadora del cable se supere y puede ser
la causa de incendios o descargas eléctricas.
llam
EVITE DAÑAR LOS TUBOS Y EL CABLEADO CUANDO TALADRE
F Bot
AGUJEROS.
Mu
Si taladra agujeros en el chasis durante la instalación, tome las precauciones
necesarias para no rozar, dañar u obstruir los tubos, las tuberías de
Sub
combustible, los depósitos o el cableado eléctrico. De lo contrario, podría
Pul
provocar un incendio.
m
e
Aju
2-ES
ALPINE IVE-W535BT QRG 68-21057Z55-A (ES)

Manual de operación Funcionamiento del Touch (Toque), Ubicación de los controles, Encendido y apagado
Primeros pasos
RENOS O
Funcionamiento del Touch (Toque)
ASA.
rección
Puede manejar el sistema utilizando el touch panel en la pantalla.
hículo),
cableado
e
Botones en pantalla comunes
ntrol del
: Vuelve a la pantalla anterior. Dependiendo de la función, este botón puede cancelar las operaciones
EN
TERFERIR
que se realizan en la pantalla.
TE DE
: Cierra la ventana.
o, etc. y
Ubicación de los controles
DE
FR
on
rían
ales.
ECE
ES
s o daños al
al Centro de
ONALES.
IT
tencia y
ngase
A Botón (Extraer)
G Codificador giratorio/botón MUTE/C
quipo para
Utilice este botón para extraer el panel frontal.
Ajuste el volumen girando el codificador giratorio a la
izquierda o a la derecha.
LOS
B Sensor Remoto
SE
Pulse este botón para activar/desactivar el modo
Apunte el transmisor del mando a distancia hacia
utilización
silenciado.
nterior de la
el sensor remoto desde una distancia máxima de 2
Manténgalo pulsado durante al menos 3 segundos
rse, lo que,
metros.
para apagar la unidad.
C Botón
(My Favorites)
NL
S NO SE
H Botón c (Expulsar)
Muestra la pantalla Mis Favoritos para el Usuario 1
METÁLICO
Expulsa el disco.
registrado.
de los
Pulse este botón y manténgalo presionado durante al
I Interruptor RESET
ará dobleces
menos 3 segundos para cambiar al Usuario 2.
El sistema de esta unidad es reseteado.
o de metal,
RU
el orificio
D Botón
(SOURCE)
Muestra la pantalla Audio/Visual. Si la pantalla Audio/
O LLENOS
Visual ya está visible, cambia la fuente.
Pulse el botón y manténgalo presionado durante al
o polvo. Si
PL
menos 3 segundos para activar el modo Información
de tráfico.
L PANEL
VIMIENTO.
E Botón
(PHONE)
Recupera la pantalla del menú del teléfono.
GR
Si hay un teléfono manos libres conectado, pulse este
botón y manténgalo presionado durante al menos 3
segundos para cambiar a la pantalla del historial de
llamadas.
F Botón
(AUDIO SETUP)
Muestra la pantalla “Ajustar el Balance/Fader/
Subwoofer”.
Pulse el botón y manténgalo presionado durante al
menos 3 segundos para activar el modo de selección
Ajustes de Sonido.
3-ES
ALPINE IVE-W535BT QRG 68-21057Z55-A (ES)
Table of contents
- MOBILE MEDIA STATION
- 1 Turn the ignition key to the ACC or ON position.
- 1 Press the (My Favorites) button. 5 Touch [Search].
- 4 Touch the selected artist name.
- 8 Touch [Audio] or [Hands-free] of the device
- 2 Mounting the Microphone.
- 5 Slide the IVE-W535BT into the dashboard
- 1 Drehen Sie den Zündschlüssel in die Stellung ACC oder EIN.
- 1 Drücken Sie die Taste (My Favorites). 5 Berühren Sie [Suchen].
- 4 Berühren Sie den Namen des ausgewählten
- 8 Berühren Sie [Audio] oder [Hands-free] für
- 2 Befestigung des Mikrofons.
- 4 Falls das Fahrzeug eine Stützhalterung
- 1 Placer la touche de démarrage sur ACC ou ON.
- 1 Appuyez sur le bouton (My Favorites). 5 Appuyez sur la touche [Chercher].
- 4 Appuyez sur le nom de l’artiste sélectionné.
- 8 Appuyez sur [Audio] ou [Hands-free] du
- 2 Montage du microphone.
- 4 Si votre véhicule possède un support, 5 Faites glisser l’IVE-W535BT dans le tableau
- 1 Gire la llave de contacto a la posición ACC u ON.
- 1 Pulse el botón (My Favorites). 5 Toque [Buscar].
- 4 Toque el nombre del artista seleccionado.
- 8 Toque [Audio] o [Hands-free] del
- 2 Instalación del micrófono.
- 4 Si su vehículo posee soporte, instale 5 Deslice el IVE-W535BT en el salpicadero
- 1 Girare la chiave di accensione sulla posizione di attivazione (ACC o ON).
- 1 Premere il tasto (My Favorites). 5 Toccare [Ricerca].
- 4 Toccare il nome dell’artista selezionato.
- 1 Toccare l’icona [Setup] nella barra
- 2 Montaggio del Microfono.
- 4 Una volta dotata la vettura della staffa, 5 Far scorrere l’unità IVE-W535BT nel
- 1 Vrid tändningsnyckeln till läge ACC eller ON.
- 1 Tryck på -knappen (My Favorites). 5 Peka på [Sök].
- 4 Tryck på det markerade artistnamnet.
- 8 Tryck på [Audio] eller [Hands-free] för den
- 2 Montera mikrofonen.
- 5 Skjut in IVE-W535BT i instrumentpanelen
- 1 Draai de contactsleutel naar de ACC of AAN positie.
- 1 Druk op de -knop (My Favorites). 5 Raak [Zoeken] aan.
- 4 Raak de naam van de geselecteerde artiest
- 8 Raak [Audio] of [Hands-free] aan van het
- 2 Montage van de Microfoon.
- 4 Wanneer uw voertuig uitgerust is met de
- 1 Поверните ключ зажигания в положение ACC или ON.
- 1 Нажмите кнопку (My Favorites). 5 Нажмите [Поиск].
- 1 Во время воспроизведения коснитесь [
- 8 Коснитесь кнопки [Audio] или [Hands-
- 2 Установка микрофона.
- 4 Если автомобиль оборудован
- 1 Obróć kluczyk zapłonu w pozycję ACC lub ON.
- 1 Naciśnij przycisk (My Favorites). 5 Dotknij przycisku [Szukaj].
- 4 Dotknij nazwę wybranego wykonawcy.
- 8 Dla urządzenia z listy, które chcesz
- 2 Montaż mikrofonu.
- 5 Wsuń urządzenie IVE-W535BT w deskę 4 Jeżeli w pojeździe dostępny jest wspornik,
- 1 Θέστε το κλειδί έναρξης στη θέση ACC ή ON (ΕΝΕΡΓΟΠΟΙΗΣΗ).
- 1 Πατήστε το πλήκτρο (My Favorites). 5 Πιέστε το [Αναζήτηση].
- 1 Πιέστε το [ (Αναζήτηση)] κατά την
- 1 Πιέστε το εικονίδιο [Setup] της Πάνω
- 2 Τοποθέτηση του μικροφώνου.
- 4 Αν το όχημά σας διαθέτει το Υποστήριγμα,




