Alpine IVE-W535BT: 4 Если автомобиль оборудован
4 Если автомобиль оборудован : Alpine IVE-W535BT

Сдвиньте устройство в монтажную
Прикрепите заземляющий провод
Сое
рамку и закрепите.
устройства к оголенной металлической
Монтажная рамка
поверхности с помощью винта
(в комплекте)
(*1), уже закрепленного на корпусе
Соеди
Приборная панель
автомобиля. Подключите все выводы
устройства IVE-W535BT в соответствии с
Резиновый колпачок
(в комплекте)
описанием, представленным в разделе
Данное устройство
Ключ для
ПОДКЛЮЧЕНИЕ.
кронштейна
Шуруп
Шестигранная гайка (M5)
Нажимные
2
1
*
пластины*
Болт с
Двухсторонний болт
шестигранной
головкой
(в комплекте)
2
Лицевая панель*
Металлическая
(в комплекте)
монтажная полоса
1
*
*1
Если установленная монтажная рамка не закреплена
в приборной панели, то эту проблему можно
устранить за счет разжатия нажимных пластин.
Вывод
Данное
Корпус
заземления
устройство
*2
Можно установить входящую в комплект лицевую панель.
•
Для винтов с маркировкой “*2”: используйте
4 Если автомобиль оборудован
соответствующие винты для выбранного
кронштейном, вставьте длинный болт
расположения установки.
с шестигранной головкой в заднюю
панель устройства IVE-W535BT и
5 Вставьте устройство IVE-W535BT в
наденьте на болт резиновый колпачок.
приборную панель до щелчка. Это
Если автомобиль не оборудован
гарантирует правильную фиксацию
кронштейном, укрепите на главном
устройства и не позволяет ему случайно
блоке металлическую монтажную
выскочить из приборной панели.
полосу (не входит в комплект).
Схема подключения однополюсного выключателя (приобретается
дополнительно)
(Если источник питания ACC недоступен)
ACC
ОДНОПОЛЮСНЫЙ ПЕРЕКЛЮЧАТЕЛЬ
ПРЕДОХРАНИТЕЛЬ (5 A)
(Красный)
(приобретается дополнительно)
(приобретается дополнительно)
IVE-W535BT
BATTERY
(Желтый)
ПРЕДОХРАНИТЕЛЬ (20 A)
(приобретается дополнительно)
Аккуму
лятор
•
Если в автомобиле не установлен источник питания ACC, установите приобретаемые дополнительно
однополюсный переключатель и предохранитель.
•
Показанные выше схема подключения и сила тока предохранителя применяются в случае индивидуального
использования устройства IVE-W535BT.
•
Если переключаемый вывод питания (зажигание) устройства IVE-W535BT напрямую подключен к
положительному (+) полюсу автомобильного аккумулятора, устройство IVE-W535BT потребляет небольшой
ток (несколько сотен миллиампер) даже при выключении переключателя питания, и аккумулятор может
разрядиться.
12-RU
ALPINE IVE-W535BT QRG 68-21057Z55-A (RU)

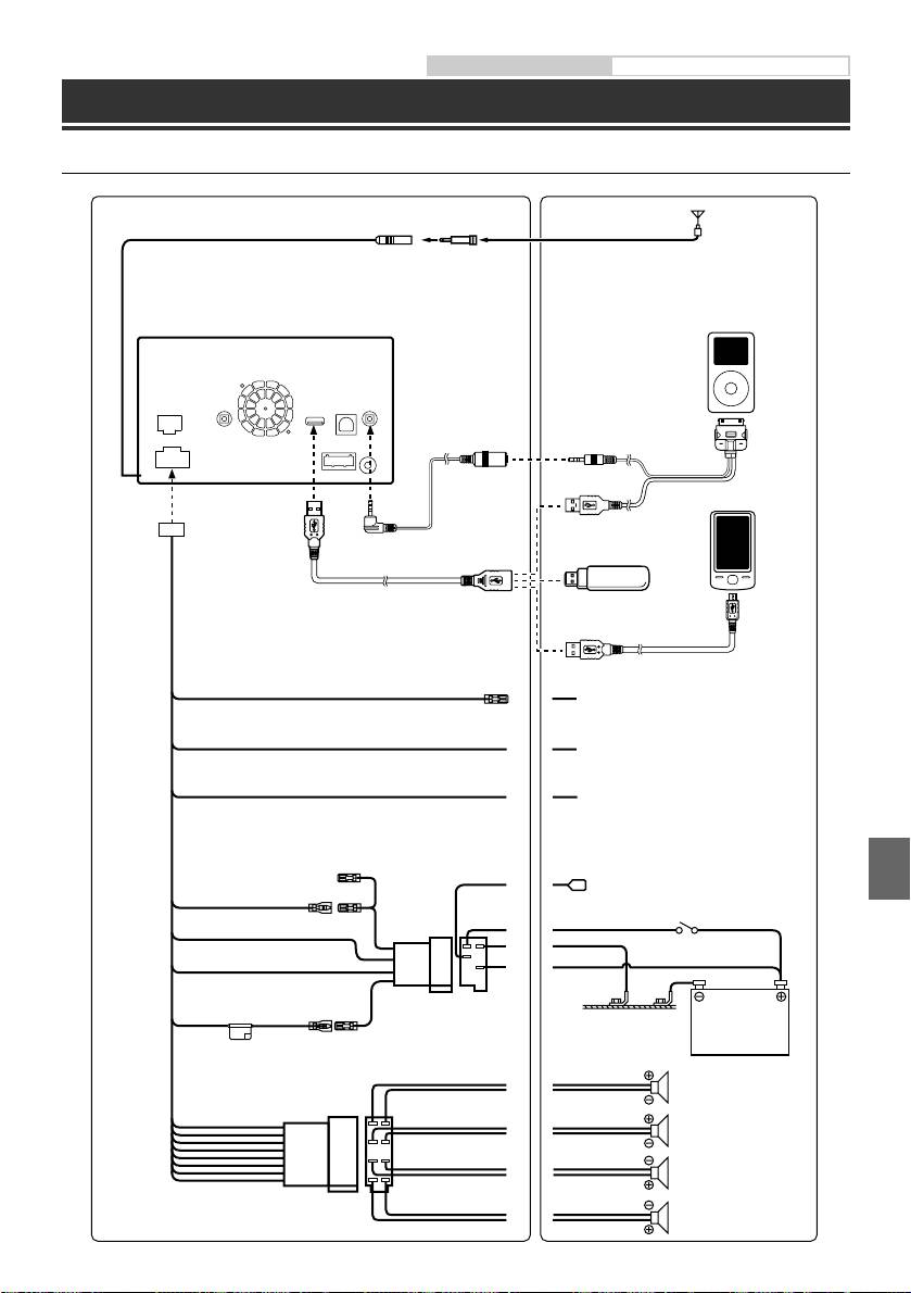
Руководство по эксплуатации Соединения
д
Соединения
еской
се
Соединения 1/2
оды
ствии с
Антенна
зделе
Антенный ISO-разъем
EN
iPod/iPhone
(приобретается дополнительно)
DE
болт
Набор инструментов
для подключения KCU-
461iV (приобретается
дополнительно)
FR
Телефон Nokia
(приобретается дополнительно)
е
USB-накопитель
ES
Удлинительный кабель iPod VIDEO
(приобретается
ство
AV (поставляется с KCU-461iV)
дополнительно)
те
Удлинительный USB-кабель
(тип I) (в комплекте)
IT
Комплект для подключения телефона
Nokia KCU-230NK (приобретается отдельно)
в
REMOTE TURN-ON
К усилителю или эквалайзеру
SE
о
(синий/белый)
ию
REVERSE
К плюсовой клемме сигнального провода
учайно
(оранжевый/белый)
лампочки заднего хода автомобиля
PARKING BRAKE
NL
К сигнальному проводу стояночного тормоза
(желтый/синий)
RU
К питанию антенны
IGNITION
(Красный)
GND
Замок зажигания
льно)
(Черный)
POWER ANT
PL
(Синий)
BATTERY
Аккумулятор
(Желтый)
10A
GR
(Зеленый)
Тыловой левый
(Зеленый/черный)
но
(Белый)
Фронтальный левый
(Белый/черный)
ьного
Динамики
(Серый/черный)
Фронтальный правый
(Серый)
(Фиолетовый/черный)
большой
Тыловой правый
(Фиолетовый)
жет
13-RU
ALPINE IVE-W535BT QRG 68-21057Z55-A (RU)

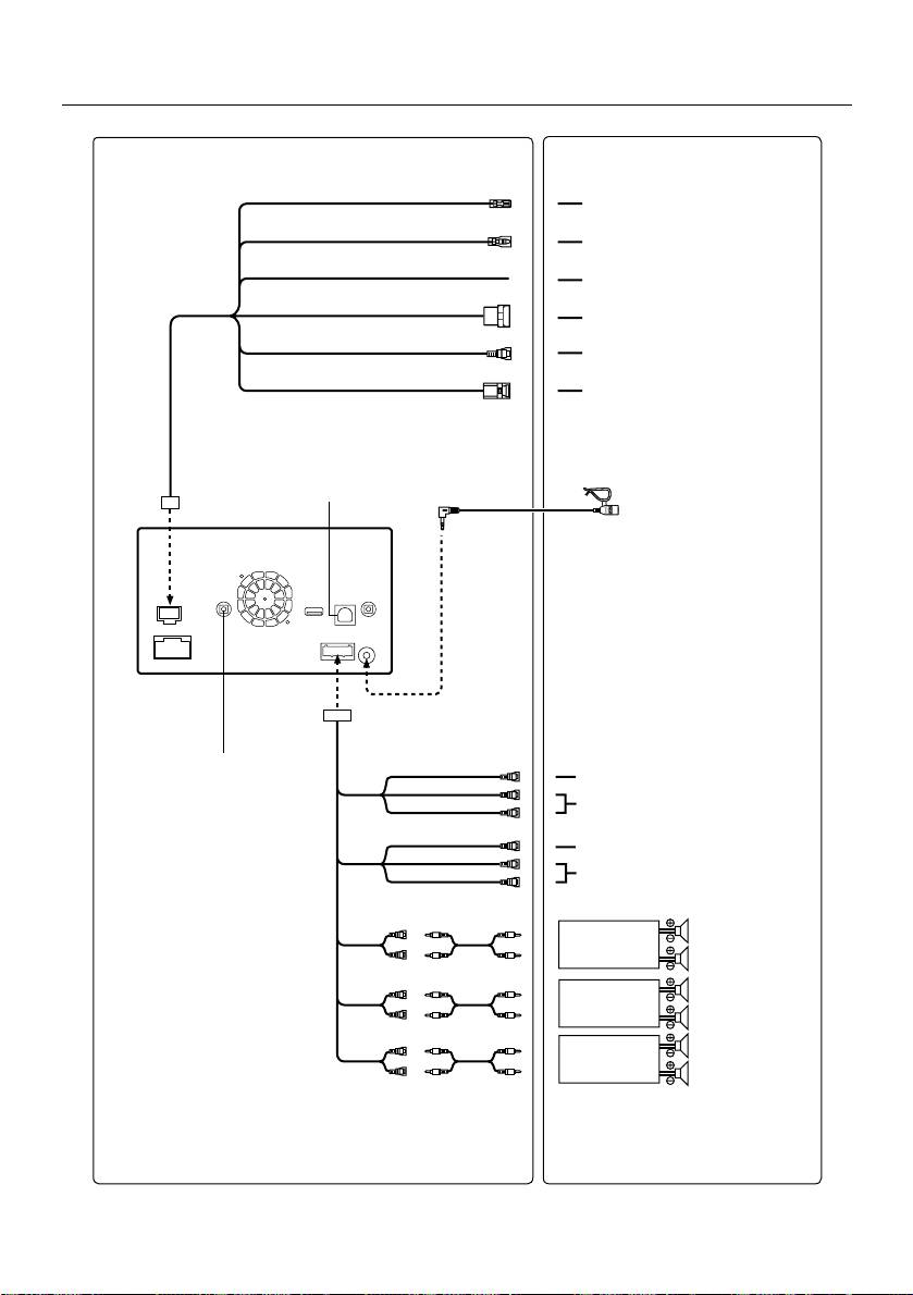
Соединения 2/2
Те хн
МОНИТО
Размер экр
REMOTE OUT
Тип LCD
К входному проводу ДУ
(Коричневый)
Операцио
н
Количество
REMOTE IN
К выходному проводу ДУ
(Коричневый)
SPEED SENSOR
Количеств
о
К линии приостановки скорости автомобиля
(Зеленый/белый)
CAMERA1
Система п
о
К передней камере/камере заднего вида
FM-ТЮН
CAMERA2
К задней камере/другого вида
Диапазон н
Пороговая
CAMERA SW
Не используется
Порогова
я
Избирател
Отношени
Подключите разъем к интерфейсному
Переходн
о
блоку автомобильного дисплея.
Микрофон (в комплекте)
Коэффици
е
MW-ТЮ
Диапазон н
Пороговая
LW-ТЮН
Диапазон н
Чувствител
USB-РАЗ
Требовани
Максималь
Подключите к интерфейсу кнопок ДУ.
(Желтый)
Класс USB
К разъему видеовыхода
(Красный)
(Белый)
К разъемам аудиовыхода (R, L)
Файловая
с
Декодиров
(Желтый)
К разъему видеовхода
Декодиров
(Красный)
Декодиров
(Белый)
К разъемам аудиовхода (R, L)
Количество
Частотная
Суммарны
й
Тыловой левый
Сабвуфер
Динамиче
с
Тыловой правый
Отношени
Разделени
Фронт. левый
Сабвуфер
*
Частотн
Фронт. правый
от прог
р
скорости
Сабвуфер
Усилитель
CD/DVD
FЧастотная
Коэффицие
Суммарны
й
Динамиче
с
Разделени
Система ц
в
Горизонтал
14-RU
ALPINE IVE-W535BT QRG 68-21057Z55-A (RU)

Руководство по эксплуатации Технические характеристики
Технические характеристики
МОНИТОР
Уровень выходного видеосигнала
1 В (75 Ом)
Размер экрана 6,1”
Отношение сигнал/шум видеосигнала
Тип LCD Прозрачный тип TN LCD
DVD: 60 дБ
Операционная система Активная матрица TFT
Отношение сигнал/шум аудиосигнала
Количество элементов изображения
100 дБ
1152000 пикселей
(800 × 3 × 480)
Оптический звукосниматель
Количество эффективных 99% или более
EN
я
Длина волны DVD: 666 нм
элементов изображения
CD: 785 нм
Система подсветки LED
Мощность лазера CLASS II
FM-ТЮНЕР
РАЗДЕЛ BLUETOOTH
Диапазон настройки 87,5 – 108,0 МГц
DE
Спецификация BLUETOOTH Bluetooth V2.1+EDR
Пороговая чувствительность одного канала
Выходная мощность +4 мВт макс. (Класс мощности 2)
8,1 дБ (0,7 мкВ/75 Ом)
Профиль HFP (профиль гарнитуры)
Пороговая чувствительность 50 дБ
OPP (профиль пересылки
12 дБ (1,1 мкВ/75 Ом)
объектов)
Избирательность альтернативного канала
FR
PBAP (профиль доступа к
80 дБ
телефонной книге)
Отношение сигнал/шум 65 дБ
A2DP (расширенный профиль
Переходное затухание между стереоканалами
распространения аудио)
35 дБ
AVRCP (профиль дистанционного
Коэффициент захвата 2,0 дБ
управления Аудио/Видео)
ES
MW-ТЮНЕР
ОБЩИЕ
Диапазон настройки 531 – 1602 кГц
Питание 14,4 В постоянного напряжения
Пороговая чувствительность 25,1 мкВ/28 дБ
(допускается 11–16 В)
LW-ТЮНЕР
Диапазон рабочих температур
от -20°C до + 60°C
IT
Максимальная выходная мощность
Диапазон настройки 153 – 281 кГц
50 Вт × 4
Чувствительность (стандарт МЭК)
Выходное напряжение 2000 мВ/10 кОм
31,6 мкВ/30 дБ
Вес 2,23 кг
USB-РАЗЪЕМ
Уровень выходного аудиосигнала
SE
Предварительный
Требования к USB USB 1.1/2.0
выход (фронт, тыл): 2 В/10 кОм (макс.)
Максимальная потребляемая мощность
Предварительный выход
1000 мА
(сабвуфер, центр): 2 В/10 кОм (макс.)
Класс USB USB (воспроизведение с
AUX OUT: 1,2 В/10 кОм
устройства)/USB (класс массовой
NL
памяти)
РАЗМЕР КОРПУСА
Файловая система FAT12/16/32
Ширина 178 мм
Декодирование MP3 MPEG-1/2 AUDIO Layer-3
Высота 100 мм
Декодирование WMA Windows Media™ Audio
Глубина 164,4 мм
Декодирование AAC Файл формата AAC-LC “.m4a”
Количество каналов 2-канальный звук (стерео)
RU
РАЗМЕР ВЫСТУПАЮЩЕЙ ЧАСТИ
Частотная характеристика* 5-20000 Гц (±1 дБ)
Ширина 170 мм
Суммарный коэффициент гармонических искажений
Высота 95 мм
0,008% (при 1 кГц)
Глубина 18,5 мм
Динамический диапазон 95 дБ (при 1 кГц)
Отношение сигнал/шум 100 дБ
Срок службы данного изделия - три года.
PL
Разделение каналов 85 дБ (при 1 кГц)
•
Из-за непрерывного совершенствования продукта
*
Частотная характеристика может отличаться в зависимости
его технические характеристики и дизайн могут
от программного обеспечения устройства кодирования/
изменяться без предварительного уведомления.
скорости передачи бит.
•
Панель LCD изготовлена по сверхточной
GR
CD/DVD SECTION
технологии. Количество эффективных пикселей
FЧастотная характеристика 5 – 20000 Гц (±1 дБ)
превышает 99,99%. Это означает, что
Коэффициент& детонации (% ср-кв)
существует вероятность наличия 0,01% пикселей,
Ниже измеримого предела
которые всегда включены или всегда выключены.
Суммарный коэффициент гармонических искажений
0,008% (при 1 кГц)
Динамический диапазон 95 дБ (при 1 кГц)
Разделение каналов 85 дБ (при 1 кГц)
Система цветности сигнала NTSC/PAL
Горизонтальное разрешение 500 линий или больше
15-RU
ALPINE IVE-W535BT QRG 68-21057Z55-A (RU)

•
В этом устройстве применяется система защиты
ООО «Компания Бонанза»
от копирования, защищенная патентами в
Информация о сервисных центрах
США и другими правами на интеллектуальную
доступна на сайте www.alpine.ru
собственность корпорации Rovi. Воспроизведение и
разборка устройства запрещены.
•
Изготовлено по лицензии компании Dolby
Laboratories. “Dolby” и двойной символ “D” являются
товарными знаками Dolby Laboratories.
•
Windows Media и логотип Windows являются
товарными знаками или зарегистрированными
товарными знаками Microsoft Corporation в США
и/или других странах.
•
iPhone, iPod, iPod classic, iPod nano, iPod touch и iTunes
являются товарными знаками корпорации Apple Inc.,
зарегистрированными в США и других странах.
•
“Made for iPod” и “Made for iPhone” означают, что
электронный аксессуар разработан специально
для подключения к устройству iPod или iPhone,
соответственно, и сертифицирован разработчиком
как удовлетворяющий эксплуатационным стандартам
Apple. Корпорация Apple не несет ответственность
за работу данного устройства или его соответствие
стандартам безопасности и регулятивным нормам.
Имейте в виду, что использование данного
аксессуара с iPod или iPhone может повлиять на
работу беспроводной связи.
•
© 2010 Nokia. Все права защищены. Nokia и Works
with Nokia являются товарными знаками или
зарегистрированными товарными знаками Nokia
Corporation.
•
DivX®, DivX Certified® и связанные логотипы являются
товарными знаками корпорации Rovi или ее
дочерних компаний и используются по лицензии.
•
Словесный знак и логотипы BLUETOOTH® являются
товарными знаками корпорации Bluetooth SIG, Inc.
и используются корпорацией Alpine Electronics, Inc.
по лицензии.
•
“Лицензия на технологию кодирования звука MPEG
Layer-3 получена от Fraunhofer IIS и Thomson”.
•
“При поставке этого продукта предоставляется
лицензия на частное, некоммерческое использование
и не предоставляется лицензия и не подразумеваются
какие-либо права на использование данного
продукта в целях коммерческого (т.е. для получения
прибыли) радиовещания в режиме реального
времени (наземного, спутникового, кабельного
и/или иного), широкого вещания или потоковой
передачи данных через Интернет, интрасети
и/или иные сети или другие сети распределения
электронного содержания, такие как приложения
звуковоспроизведения за плату или по требованию.
Для такого использования требуется отдельная
лицензия. Для получения дополнительной
информации посетите веб-сайт
http://www.mp3licensing.com”
Portions ©, Microsoft Corporation, 2011. Все права
защищены.
16-RU
ALPINE IVE-W535BT QRG 68-21057Z55-A (RU)

Spis treści
OSTRZEŻENIE .........................................................................................................................................................2
PRZESTROGA .........................................................................................................................................................2
Wprowadzenie ......................................................................................................................................................3
Rejestracja użytkownika ....................................................................................................................................5
Obsługa Radia .......................................................................................................................................................6
EN
Obsługa MP3/WMA/AAC ...................................................................................................................................6
Obsługa DVD .........................................................................................................................................................7
Obsługa urządzenia iPod/iPhone (opcja) ....................................................................................................8
DE
Obsługa pamięci USB (opcja) ..........................................................................................................................9
Obsługa telefonu bez użycia rąk ..................................................................................................................10
Montaż ...................................................................................................................................................................11
Połączenia ............................................................................................................................................................13
FR
Dane techniczne .................................................................................................................................................15
ES
IT
WAŻNE
Należy zapisać poniżej numer seryjny urządzenia i zachować go w celach archiwalnych.
SE
NUMER SERYJNY:
NUMER SERYJNY ISO: AL
DATA MONTAŻU:
NL
IMIĘ I NAZWISKO TECHNIKA:
MIEJSCE ZAKUPU:
RU
Szczegółowe informacje dotyczące wszystkich funkcji można znaleźć w Instrukcji użytkownika
na dostarczonej płycie CD-ROM. (Płyta CD zawiera dane, dlatego nie może być używana do
odtwarzania muzyki i przeglądania zdjęć w odtwarzaczu). W razie potrzeby przedstawiciel firmy
PL
ALPINE może dostarczyć papierową wersję Instrukcji użytkownika znajdującej się na płycie CD-
ROM.
GR
1-PL
ALPINE IVE-W535BT QRG 68-21057Z55-A (PL)

OSTRZEŻENIE
Wpr
W TRAKCIE WIERCENIA UWAŻAĆ, ABY NIE USZKODZIĆ RUR I
Obsług
PRZEWODÓW SAMOCHODU.
OSTRZEŻENIE
W wypadku konieczności wiercenia dziur w podwoziu należy przedsięwziąć
System m
wszelkie środki ostrożności, aby nie uszkodzić ani nie zablokować rur, przewodu
Ten symbol umieszczany jest przy ważnych
paliwowego, baku albo instalacji elektrycznej. Niezastosowanie odpowiednich
środków ostrożności może być przyczyną pożaru.
e
Popu
instrukcjach. Nieprzestrzeganie ich może
spowodować poważne obrażenia ciała lub śmierć.
NIE UZIEMIAĆ INSTALACJI ELEKTRYCZNEJ ZA POŚREDNICTWEM
ŚRUB I NAKRĘTEK UKŁADU HAMULCOWEGO I KIEROWNICZEGO.
Śruby i nakrętki wykorzystywane w układzie hamulcowym, kierowniczym (i
NIE WYKONYWAĆ ŻADNYCH CZYNNOŚCI ODWRACAJĄCYCH
w innych układach mających wpływ na bezpieczeństwo pojazdu) jak również
UWAGĘ OD BEZPIECZNEGO PROWADZENIA POJAZDU.
baku, BEZWZGLĘDNIE nie mogą być wykorzystywane jako elementy instalacji
Każdą czynność wymagającą dłuższej uwagi należy wykonywać dopiero po
elektrycznej ani uziemiającej. W przeciwnym wypadku może dojść do utraty
całkowitym zatrzymaniu pojazdu. Należy zatrzymać pojazd w bezpiecznym
kontroli nad pojazdem, pożaru, itp.
Rozmies
miejscu przed podjęciem dalszych czynności.
Niezastosowanie się do tego wymogu może spowodować wypadek.
NIE WOLNO MONTOWAĆ URZĄDZENIA W MIEJSCU, W KTÓRYM
UTRUDNIAŁOBY ONO STEROWANIE POJAZDEM, TAKIM JAK
NIEWIELKIE PRZEDMIOTY, TAKIE WKRĘTY, PRZECHOWYWAĆ W
KIEROWNICA CZY DŹWIGNIA ZMIANY BIEGÓW.
MIEJSCU NIEDOSTĘPNYM DLA DZIECI.
W przeciwnym wypadku może dojść do ograniczenia widoczności kierowcy lub
Połknięcie może spowodować poważne obrażenia ciała. W wypadku połknięcia
ograniczenia jego ruchów, a w konsekwencji do poważnego wypadku.
należy niezwłocznie skontaktować się z lekarzem.
NIE NALEŻY ZWIĘKSZAĆ NATĘŻENIA DŹWIĘKU POWYŻEJ
POZIOMU, PRZY KTÓRYM NIE SŁYCHAĆ ODGŁOSÓW
DOBIEGAJĄCYCH SPOZA POJAZDU.
Zbyt wysokie natężenie dźwięku, które uniemożliwia kierowcy usłyszenie
PRZESTROGA
sygnałów takich jak: dźwięk syreny pojazdów ratunkowych lub sygnałów
ostrzegawczych (np. przy przejeździe kolejowym) może stanowić zagrożenie
Ten symbol umieszczany jest przy ważnych
i doprowadzić do wypadku. SŁUCHANIE GŁOŚNEJ MUZYKI W
SAMOCHODZIE MOŻE TEŻ BYĆ PRZYCZYNĄ USZKODZENIA SŁUCHU.
instrukcjach. Nieprzestrzeganie ich może
spowodować obrażenia ciała lub szkody materialne.
NIE ROZKŁADAĆ I NIE WYKONYWAĆ SAMODZIELNYCH
MODYFIKACJI.
W przeciwnym wypadku może dojść do wypadku, pożaru lub porażenia
W WYPADKU WYSTĄPIENIA PROBLEMU NALEŻY NIEZWŁOCZNIE
prądem.
WYŁĄCZYĆ URZĄDZENIE.
W przeciwnym wypadku może dojść do obrażeń ciała lub zniszczenia
UŻYWAĆ TYLKO W POJAZDACH Z ZASILANIEM 12 V I UJEMNYM
A Prz
urządzenia. Należy dostarczyć urządzenie do naprawy do autoryzowanego
UZIEMIENIEM.
przedstawiciela firmy Alpine lub najbliższego centrum serwisowego Alpine.
Um
(W razie wątpliwości należy skontaktować się z najbliższym przedstawicielem
firmy). Niezastosowanie się do tego wymogu może spowodować pożar lub inne
WYKONANIE I PODŁĄCZENIE INSTALACJI KABLOWEJ NALEŻY
B Czu
wypadki.
POZOSTAWIĆ SPECJALIŚCIE.
Wykonanie i podłączenie instalacji do tego urządzenia wymaga specjalistycznych
Skie
PRZY WYMIANIE BEZPIECZNIKÓW NALEŻY PRZESTRZEGAĆ
umiejętności technicznych i doświadczenia. Ze względów bezpieczeństwa należy
WŁAŚCIWEGO NATĘŻENIA PRĄDU.
zda
zlecić te prace przedstawicielowi firmy, od której urządzenie zostało nabyte.
Niezastosowanie się do tego wymogu może spowodować pożar lub porażenie
me
prądem.
DO PRAC MONTAŻOWYCH STOSOWAĆ WYSZCZEGÓLNIONE
AKCESORIA I MOCOWAĆ JE W SPOSÓB PEWNY.
C Prz
NIE ZAKRYWAĆ OTWORÓW WENTYLACYJNYCH I PANELI
Zawsze stosować wyłącznie wyszczególnione akcesoria. Użycie części innych niż
RADIATORÓW.
Pow
wyszczególnione może skutkować uszkodzeniem podzespołów wewnętrznych
W przeciwnym wypadku nieodprowadzone ciepło może spowodować zapalenie
urządzenia lub jego niewłaściwym zamocowaniem. W efekcie części mogą ulec
zare
urządzenia.
poluzowaniu i stanowić zagrożenie dla ludzi lub innych przedmiotów.
Nac
URZĄDZENIE STOSOWAĆ TYLKO W MOBILNYCH INSTALACJACH
PRZEWODY INSTALACJI NALEŻY POPROWADZIĆ W TAKI SPOSÓB,
sek
PRĄDU 12 V.
BY NIE BYŁY ŚCIŚNIĘTE OSTRYMI METALOWYMI KRAWĘDZIAMI.
Niezastosowanie się do tego wymogu może spowodować pożar, porażenie
Kable i przewody należy poprowadzić z dala od części ruchomych (jak np.
D Prz
prądem lub inne obrażenia ciała.
szyn siedzeń) oraz ostrych lub spiczastych krawędzi. Zapobiegnie to ściśnięciu
Pow
NIE WKŁADAĆ RĄK, PALCÓW LUB PRZEDMIOTÓW OBCYCH W
przewodu i uszkodzeniu instalacji. Jeżeli konieczne jest przeprowadzenie
przewodów przez otwór w metalu, należy zastosować gumową przelotkę, aby
ekr
GNIAZDA WEJŚCIOWE URZĄDZENIA LUB SZCZELINY.
W przeciwnym wypadku może dojść do obrażeń ciała lub uszkodzenia
zapobiec ocieraniu się izolacji o krawędź metalu.
po
w
urządzenia.
NIE MONTOWAĆ W MIEJSCACH O DUŻEJ WILGOTNOŚCI LUB
Nac
PRAWIDŁOWO PODŁĄCZYĆ URZĄDZENIE.
ZAPYLENIU.
włą
Nieprawidłowe podłączenie może spowodować pożar lub uszkodzenie
Unikać montażu urządzenia w miejscach o dużej wilgotności lub zapyleniu.
urządzenia.
Wilgoć i pył przenikają do wnętrza urządzenia i mogą powodować awarie.
E Prz
PRZED PODŁĄCZENIEM PRZEWODÓW NALEŻY ODŁĄCZYĆ
NIE NALEŻY DOTYKAĆ PORUSZAJĄCEGO SIĘ PANELU PRZEDNIEGO
Prz
PRZEWÓD OD UJEMNEGO BIEGUNA AKUMULATORA.
ANI MONITORA.
Jeś
Niezastosowanie się do tego wymogu może spowodować porażenie prądem lub
Nieprzestrzeganie tego zalecenia może spowodować obrażenia ciała lub
gł
o
obrażenia ciała w wyniku zwarcia instalacji elektrycznej.
uszkodzenie urządzenia.
prz
NIE WOLNO SPLATAĆ ZE SOBĄ PRZEWODÓW ELEKTRYCZNYCH.
hist
Nie wolno zdejmować z kabli elektrycznych izolacji w celu doprowadzenia
prądu do innych urządzeń. W przeciwnym wypadku nastąpi przekroczenie
F Prz
obciążalności prądowej przewodu, czego skutkiem będzie pożar lub porażenie
prądem.
Pow
Fad
Nac
włą
2-PL
ALPINE IVE-W535BT QRG 68-21057Z55-A (PL)

Instrukcja obsługi Obsługa dotykowa, Rozmieszczenie elementów sterujących, Włączanie i wyłączanie zasilania
Wprowadzenie
UR I
Obsługa dotykowa
dsięwziąć
System można obsługiwać za pomocą panelu dotykowego na ekranie.
ur, przewodu
owiednich
e
Popularne przyciski ekranowe
CTWEM
: Powoduje powrót do poprzedniego ekranu. Zależnie od funkcji, ten przycisk może anulować operacje
CZEGO.
EN
wykonywane na ekranie.
niczym (i
k również
: Zamyka okno.
nty instalacji
do utraty
Rozmieszczenie elementów sterujących
DE
ÓRYM
AK
kierowcy lub
ku.
FR
ES
terialne.
OCZNIE
IT
nia
A Przycisk (zwalnianie)
G Pokrętło/przycisk MUTE/C
wanego
Alpine.
Umożliwia zdjęcie panelu przedniego.
Aby dostosować poziom głośności, obróć pokrętło w
LEŻY
lewo lub w prawo.
B Czujnik zdalnego sterowania
SE
Naciśnij, aby włączyć lub wyłączyć tryb wyciszenia.
cjalistycznych
Skieruj pilot zdalnego sterowania w kierunku czujnika
Naciśnij i przytrzymaj przez przynajmniej 3 sekundy,
ństwa należy
zdalnego sterowania z odległości nie większej niż 2
nabyte.
aby wyłączyć zasilanie.
metry.
NE
H Przycisk c (Wysuń)
C Przycisk
(My Favorites)
NL
ci innych niż
Umożliwia wysunięcie płyty.
Powoduje wyświetlenie ekranu Ulubione dla
wnętrznych
i mogą ulec
zarejestrowanego Użytkownika 1.
I Przycisk RESET
w.
Naciśnij i przytrzymaj ten przycisk przez co najmniej 3
System tego urządzenia zostaje zresetowany.
SPOSÓB,
sekundy, aby przełączyć na Użytkownika 2.
RU
DZIAMI.
ak np.
D Przycisk
(SOURCE)
o ściśnięciu
Powoduje wyświetlenie ekranu Audio/wideo. Jeśli
zenie
lotkę, aby
ekran Audio/wideo jest już wyświetlany, przycisk
powoduje zmianę źródła.
PL
LUB
Naciśnij i przytrzymaj przez co najmniej 3 sekundy, aby
włączyć tryb Informacje o ruchu drogowym.
pyleniu.
awarie.
E Przycisk
(PHONE)
ZEDNIEGO
Przechodzi do ekranu menu telefonu.
GR
Jeśli podłączony jest telefon z obsługą trybu
lub
głośnomówiącego, naciśnij i przytrzymaj ten przycisk
przez co najmniej 3 sekundy, aby przełączyć na ekran
historii połączeń.
F Przycisk
(AUDIO SETUP)
Powoduje wyświetlenie ekranu „Ustawianie Balance/
Fader/Subwoofer”.
Naciśnij i przytrzymaj przez co najmniej 3 sekundy, aby
włączyć tryb wyboru Ustawienia dźwięku).
3-PL
ALPINE IVE-W535BT QRG 68-21057Z55-A (PL)
Table of contents
- MOBILE MEDIA STATION
- 1 Turn the ignition key to the ACC or ON position.
- 1 Press the (My Favorites) button. 5 Touch [Search].
- 4 Touch the selected artist name.
- 8 Touch [Audio] or [Hands-free] of the device
- 2 Mounting the Microphone.
- 5 Slide the IVE-W535BT into the dashboard
- 1 Drehen Sie den Zündschlüssel in die Stellung ACC oder EIN.
- 1 Drücken Sie die Taste (My Favorites). 5 Berühren Sie [Suchen].
- 4 Berühren Sie den Namen des ausgewählten
- 8 Berühren Sie [Audio] oder [Hands-free] für
- 2 Befestigung des Mikrofons.
- 4 Falls das Fahrzeug eine Stützhalterung
- 1 Placer la touche de démarrage sur ACC ou ON.
- 1 Appuyez sur le bouton (My Favorites). 5 Appuyez sur la touche [Chercher].
- 4 Appuyez sur le nom de l’artiste sélectionné.
- 8 Appuyez sur [Audio] ou [Hands-free] du
- 2 Montage du microphone.
- 4 Si votre véhicule possède un support, 5 Faites glisser l’IVE-W535BT dans le tableau
- 1 Gire la llave de contacto a la posición ACC u ON.
- 1 Pulse el botón (My Favorites). 5 Toque [Buscar].
- 4 Toque el nombre del artista seleccionado.
- 8 Toque [Audio] o [Hands-free] del
- 2 Instalación del micrófono.
- 4 Si su vehículo posee soporte, instale 5 Deslice el IVE-W535BT en el salpicadero
- 1 Girare la chiave di accensione sulla posizione di attivazione (ACC o ON).
- 1 Premere il tasto (My Favorites). 5 Toccare [Ricerca].
- 4 Toccare il nome dell’artista selezionato.
- 1 Toccare l’icona [Setup] nella barra
- 2 Montaggio del Microfono.
- 4 Una volta dotata la vettura della staffa, 5 Far scorrere l’unità IVE-W535BT nel
- 1 Vrid tändningsnyckeln till läge ACC eller ON.
- 1 Tryck på -knappen (My Favorites). 5 Peka på [Sök].
- 4 Tryck på det markerade artistnamnet.
- 8 Tryck på [Audio] eller [Hands-free] för den
- 2 Montera mikrofonen.
- 5 Skjut in IVE-W535BT i instrumentpanelen
- 1 Draai de contactsleutel naar de ACC of AAN positie.
- 1 Druk op de -knop (My Favorites). 5 Raak [Zoeken] aan.
- 4 Raak de naam van de geselecteerde artiest
- 8 Raak [Audio] of [Hands-free] aan van het
- 2 Montage van de Microfoon.
- 4 Wanneer uw voertuig uitgerust is met de
- 1 Поверните ключ зажигания в положение ACC или ON.
- 1 Нажмите кнопку (My Favorites). 5 Нажмите [Поиск].
- 1 Во время воспроизведения коснитесь [
- 8 Коснитесь кнопки [Audio] или [Hands-
- 2 Установка микрофона.
- 4 Если автомобиль оборудован
- 1 Obróć kluczyk zapłonu w pozycję ACC lub ON.
- 1 Naciśnij przycisk (My Favorites). 5 Dotknij przycisku [Szukaj].
- 4 Dotknij nazwę wybranego wykonawcy.
- 8 Dla urządzenia z listy, które chcesz
- 2 Montaż mikrofonu.
- 5 Wsuń urządzenie IVE-W535BT w deskę 4 Jeżeli w pojeździe dostępny jest wspornik,
- 1 Θέστε το κλειδί έναρξης στη θέση ACC ή ON (ΕΝΕΡΓΟΠΟΙΗΣΗ).
- 1 Πατήστε το πλήκτρο (My Favorites). 5 Πιέστε το [Αναζήτηση].
- 1 Πιέστε το [ (Αναζήτηση)] κατά την
- 1 Πιέστε το εικονίδιο [Setup] της Πάνω
- 2 Τοποθέτηση του μικροφώνου.
- 4 Αν το όχημά σας διαθέτει το Υποστήριγμα,




