Stiebel Eltron HDB-E Si с 01.02.2013: instalaCe
instalaCe: Stiebel Eltron HDB-E Si с 01.02.2013
www.stiebel-eltron.com
HDB-E Si |
51
če
sk
y
instalaCe
Bezpečnost
instalaCe
7. Bezpečnost
Instalaci, uvedení do provozu, údržbu a opravy přístroje smí pro-
vádět pouze odborník.
7.1 Všeobecné bezpečnostní pokyny
Řádnou funkci a spolehlivý provoz lze zaručit pouze v případě
použití původního příslušenství a originálních náhradních dílů
určených pro tento přístroj.
!
Věcné škody
Dodržujte maximální vstupní teplotu. Při vyšších teplo-
tách může dojít k poškození přístroje.
7.2 Předpisy, normy a ustanovení
Upozornění
Dodržujte všechny národní a místní předpisy a ustanove-
ní. V Německu se jedná např. o DIN 1988/EN 806.
- Krytí IP 25 (ochrana proti stříkající vodě) je zaručeno pouze v
případě řádně namontované kabelové spony.
- Specifický elektrický odpor vody nesmí být menší než hod-
nota, která je uvedena na typovém štítku. V případě sloučení
několika vodovodních sítí je nezbytné vzít v úvahu nejnižší
elektrický odpor vody (viz kapitola „Technické údaje / Oblasti
použití“). Hodnoty specifického elektrického odporu vody
nebo elektrické vodivosti vody zjistíte od společnosti, která
vás zásobuje vodou.
8. Popis přístroje
8.1 rozsah dodávky
- Závěsná lišta
- Dvojitá vsuvka
- Třícestný kulový uzavírací ventil na studenou vodu
- Tvarovka T na teplou vodu
- Plochá těsnění
- Sítko
- Omezovač průtoku
- Plastová tvarovka
- Plastový uzávěr
- Plastové spojky
- Vodicí prvky na zadní stěnu
8.2 Příslušenství
armatury
- MEKD - kuchyňská tlaková armatura kohoutky
- MEBD - tlaková armatura kohoutky pro koupelnové vany
Vodovodní zátka g ½ a
Tyto vodovodní zátky jsou nezbytné, pokud použijete jiné tlakové
armatury kohoutky na omítku, než jaké doporučujeme.
montážní sada k instalaci na omítku
- Pájené šroubení - měděná trubka pro pájenou přípojku
Ø 12 mm.
- Lisovaná fitinka - měděná trubka.
- Lisovaná fitinka - plastová trubka (vhodná pro Viega: Sanfix-
-Plus nebo Sanfix-Fosta).
univerzální montážní rám
Montážní rám s elektrickými přípojkami.
sada potrubí nástrčných vodoinstalačních spojek dHB
2 vodoinstalační spojky, jejichž pomocí můžete ke stávajícím vo-
dovodním nástrčným přípojkám DHB připojit přístroj.
Zátěžové relé (lr 1-a)
Zátěžové relé k instalaci do elektrorozvodného systému umožňuje
prioritní spínání průtokového ohřívače při současném provozu
např. elektrických zařízení k ohřevu zásobníku.
9. Příprava
f
f
Řádně propláchněte přívod vody.
armatury
f
f
Použijte vhodné tlakové armatury (viz kapitola „Popis přístro-
je/příslušenství“). Otevřené armatury nejsou dovolené.
Použití pojistného ventilu není nutné.
!
Věcné škody
Křížový prvek nesmíte používat k redukování průtoku!
Slouží pouze k uzavírání.
dovolené materiály vodovodního potrubí
- Přívod studené vody:
Žárově zinkovaná ocelová trubka, trubka z ušlechtilé oceli,
měděná trubka nebo plastová trubka
- Výtok teplé vody:
Trubka z ušlechtilé oceli, měděná trubka nebo plastová
trubka.
!
Věcné škody
V případě použití plastových potrubních systémů dodr-
žujte maximální dovolenou teplotu a maximální dovo-
lený tlak, uvedené v kapitole „Technické údaje/Tabulka
s údaji“.
Průtok
f
f
Zkontrolujte, zda je dosaženo objemového průtoku (viz ka-
pitola „Technické údaje/Tabulka s údaji“, zapnuto) k zapnutí
přístroje.
f
f
Zvyšte tlak ve vodovodu, pokud není dosaženo při plně ote-
vřeném odběrném ventilu potřebného objemového průtoku.
52
| HDB-E Si
www.stiebel-eltron.com
instalaCe
montáž
Hydraulický tlak
Pokud není dosaženo průtoku k zapnutí přístroje ani při zcela ote-
vřené armatuře, musíte demontovat omezovač průtoku. Vyměňte
jej za dodanou plastovou tvarovku. Případně ovšem také můžete
zvýšit tlak ve vodovodní instalaci.
26
�0
2�
02
�0
82
0
2
1
1 Omezovač průtoku
2 Plastová tvarovka
Upozornění
Za provozu s armaturou s termostatem musíte používat
omezovač průtoku.
Flexibilní přívody vody
f
f
Při instalaci s flexibilními vodovodními rozvody zabraňte
zkroucení a deformaci kolen. Kolena jsou namontována k pří-
stroji pomocí bajonetového uzávěru.
f
f
Upevněte zadní stěnu dole pomocí dalšího šroubu.
9.1 místo montáže
!
Věcné škody
Přístroj smí být instalován pouze v místnosti chráněné
před mrazem.
f
f
Přístroj montujte ve svislé poloze v blízkosti odběrného
místa.
Přístroj je vhodný k montáži pod a nad umyvadlo.
Upozornění
Přístroj musíte namontovat na dostatečně nosnou stěnu.
montáž pod umyvadlo
26
�02
�02
�1
37
3
1
2
1 Přítok studené vody
2 Výtok teplé vody
montáž nad umyvadlo
26
�02
�02
�1
37
4
1
2
1 Přítok studené vody
2 Výtok teplé vody
9.2 nastavení z výroby
Přístroje jsou při dodání připraveny:
- Elektrická přípojka „zespodu“, instalace ve stěně (pod
omítkou)
- Vodovodní přípojka s instalací ve stěně (pod omítkou)
10. montáž
V této kapitole je uveden popis montáže v souladu s výrobním
nastavením.
Další možnosti montáže viz kapitola „Alternativní postupy mon-
táže“.
26
�02
�02
�1
36
7
f
f
Otevřete přístroj.
www.stiebel-eltron.com
HDB-E Si |
53
če
sk
y
instalaCe
montáž
26
�02
�02
�1
10
1
f
f
Zatlačte na obě háčkové pojistky a zatáhněte spodní díl zadní
stěny dopředu.
26
�0
2�
02
�0
81
0�
f
f
Vyznačte body pro otvory, viz kapitola „Technické údaje/Roz-
měry a přípojky“.
f
f
Vyvrtejte otvory a upevněte závěsnou lištu pomocí 2 šroubů a
2 hmoždinek (šrouby a hmoždinky nejsou součástí dodávky).
Upozornění
V případě montáže s použitím flexibilních vodovodních
přípojek musíte zadní stěnu navíc upevnit šroubem.
f
f
Namontujte závěsnou lištu.
160
≥ 30
26
�0
2�
02
�0
88
7
f
f
Instalujte přívodní kabel.
instalace vodovodní přípojky
!
Věcné škody
Veškeré vodovodní přípojky a instalace provádějte podle
předpisů.
26
�0
2�
02
�0
79
8
f
f
Upevněte a přišroubujte dvojitou vsuvku.
1
2
26
�0
2�
02
�0
79
9
1 Tvarovka T
2 Křížový prvek
f
f
Našroubujte na kroužkovou vložku tvarovku T a křížový
prvek, přitom použijte těsnění.
instalace sítka
!
Věcné škody
Z důvodu funkce přístroje musíte instalovat sítko.
f
f
Při výměně přístroje zkontrolujte, zda je instalováno
sítko.
26
�0
2�
02
�0
85
6
f
f
Namontujte na přítoku studené vody do přístroje dodané
sítko.
instalace omezovače průtoku dmB
26
�0
2�
02
�0
85
7
f
f
Namontujte na přítoku studené vody do přístroje dodaný
omezovač průtoku.
54
| HDB-E Si
www.stiebel-eltron.com
instalaCe
montáž
montáž přístroje
26
�0
2�
02
�0
81
1
f
f
Z důvodu snadnější montáže zatlačte kabelovou vsuvku horní
elektrické přípojky zezadu do zadní stěny.
f
f
Odstraňte z vodovodních přípojek ochranná transportní víčka.
f
f
Vyjměte upevňovací páku z horního dílu zadní stěny.
f
f
Zaveďte elektrický přívodní kabel zezadu do kabelové spony
tak, aby došlo k dosednutí spony na plášť kabelu. Srovnejte
elektrický přívodní kabel.
V případě průřezu > 6 mm² zvětšete otvor v kabelové vsuvce.
f
f
Zatlačte přístroj proti šroubům v závěsné liště tak, aby došlo
k proražení měkkého těsnění. Případně použijte šroubovák.
f
f
Nasaďte upevňovací páku na svorník se závitem závěsné lišty.
f
f
Pevně přitlačte zadní stěnu a zajistěte upevňovací páčku oto-
čením doprava o 90°.
26
�0
2�
02
�0
85
8
f
f
Přišroubujte potrubí s plochým těsněním na dvojitou vsuvku.
Připojení přívodu elektrické energie
VÝSTRAHA - Elektrický proud
Veškerá elektrická zapojení a instalace provádějte podle
předpisů.
VÝSTRAHA - Elektrický proud
Přípojka k elektrické síti smí být provedena pouze jako
pevná přípojka v kombinaci se snímatelnou kabelovou
vsuvkou. Přístroj musí být možné odpojit od síťové pří-
pojky na všech pólech na vzdálenost minimálně 3 mm.
VÝSTRAHA - Elektrický proud
Pamatujte, že přístroj musí být připojen k ochrannému
vodiči.
26
�0
2�
02
�1
12
2�
f
f
Připojte elektrický přívodní kabel k síťové přívodní svorce (viz
kapitola „Technické údaje/Schéma elektrického zapojení“).
Uvedené napětí se musí shodovat se síťovým napětím.
10.1 dokončení montáže
26
�02
�02
�1
102
�
f
f
Namontujte spodní díl zadní stěny. Zajistěte, aby došlo k za-
jištění spodního dílu zadní stěny.
f
f
Upravte polohu namontovaného přístroje. Uvolněte upevňo-
vací páku, upravte polohu elektrické přípojky a zadní stěny.
Opět upevněte upevňovací páku. Pokud zadní stěna přístroje
nepřiléhá, můžete přístroj upevnit dalším šroubem.
10.2 alternativy montáže
- Elektrická přípojka ve zdi - nahoře
- Velké průřezy vodičů pro elektrickou přípojku dole
- Připojení zátěžového relé
- Vodovodní instalace umístěná na stěnu
- Vodovodní instalace provedená na stěně s pájenou přípoj-
kou / tlakovou fitinkou
www.stiebel-eltron.com
HDB-E Si |
55
če
sk
y
instalaCe
montáž
- Vodovodní instalace provedená na stěnu, montáž krytu
přístroje
- Montáž spodního dílu zadní stěny
- Použití stávajících závěsných lišt při výměně přístroje
- Instalace na předsazených obkladech
elektrická přípojka ve zdi - nahoře
26
�02
�02
�1
12
3�
f
f
Ořízněte kabelovou vsuvku pro přívodní elektrický kabel.
f
f
Stiskněte háčkovou pojistku k upevnění přívodní síťové svorky
směrem dolů a vytáhněte ji.
f
f
Přemístěte přívodní síťovou svorku v přístroji zespodu naho-
ru. Upevněte svorku přívodního kabelu jejím nasunutím pod
upevňovací háček.
Velké průřezy vodičů pro elektrickou přípojku dole
V případě použití velkých průřezů vodičů můžete namontovat ka-
belovou vsuvku po provedení montáže přístroje.
1.
3.
4.
2.
26
�02
�02
�1
37
0
f
f
Před zahájením montáže přístroje musíte vytlačit kabelovou
vsuvku pomocí šroubováku.
f
f
Nasuňte kabelovou sponu na přívodní elektrický kabel. V pří-
padě průřezu > 6 mm² zvětšete otvor v kabelové vsuvce.
f
f
Nasaďte kabelovou vsuvku do zadní stěny a zajistěte ji.
Připojení zátěžového relé
Zátěžové relé používejte v kombinaci s jinými elektrickými pří-
stroji, například s topnými elektrickými akumulačními zásobníky,
v elektrickém rozvodu. K sepnutí relé dojde za provozu průto-
kového ohřívače. Zátěžové relé dodáváme formou příslušenství.
!
Věcné škody
Připojte fázi, která spíná zátěžové relé, k označené svor-
ce elektrického síťového přívodu v přístroji (viz kapitola
„Technické údaje/Schéma elektrického zapojení“).
Vodovodní instalace umístěná na stěnu
Armatury, viz kapitola „Popis přístroje/příslušenství“.
D
00000
33
10
4
1
2
1 Vodovodních zátek
2 Tlaková armatura
f
f
Namontujte vodovodní zátku spolu s těsněním tak, aby došlo
k uzavření přívodu instalovaného ve zdi. U našich tlakových
armatur kohoutky jsou zátky a těsnění součástí dodávky.
U ostatních tlakových armatur, než které doporučujeme, si
můžete zátky a těsnění objednat jako příslušenství.
f
f
Namontujte armaturu.
f
f
Nasaďte zadní spodní díl pod připojovací trubky armatury
a nasuňte na zadní stěnu.
f
f
Přišroubujte přívodní trubky k přístroji.
Vodovodní instalace provedená na stěně s pájenou přípojkou /
tlakovou fitinkou
Použitím příslušenství pod názvem „pájená přípojka“ nebo „tlako-
vá fitinka“ můžete spojovat nejen měděná, ale i plastová potrubí.
U „pájené přípojky“ se šroubovým připojením na měděné potrubí
o průměru 12 mm musíte postupovat takto:
f
f
Nasaďte na přívodní potrubí převlečnou matici.
f
f
Připájejte vložené díly k měděnému rozvodu.
f
f
Nasaďte zadní spodní díl pod připojovací trubky armatury
a nasuňte na zadní stěnu.
f
f
Přišroubujte přívodní trubky k přístroji.
Upozornění
Dodržujte pokyny výrobce armatury!
56
| HDB-E Si
www.stiebel-eltron.com
instalaCe
montáž
Vodovodní instalace provedená na stěnu, montáž krytu
přístroje
2
3
1
26
�0
2�
02
�0
91
9
1 Vodicí průchodky víka
2 Otvor průchodky
3 Šroub
f
f
Proveďte čisté proražení průchodek do víka přístroje. Použij-
te případně pilník.
f
f
Nasaďte přiložené průchodky víka do otvorů pro průchodky.
f
f
Upevněte zadní stěnu dole pomocí šroubu. To platí i v přípa-
dě, že budete používat pružné (flexibilní) vodovodní systémy.
montáž spodního dílu zadní stěny
Při použití šroubových připojení na omítce (AP) lze spodní díl
zadní stěny namontovat i po upevnění armatury. Postupujte takto:
f
f
Rozřízněte spodní díl zadní stěny.
f
f
Namontujte spodní díl zadní stěny tak, že ho po stranách
ohnete a povedete přes trubku na omítce.
f
f
Zezadu nasaďte spojky do spodního dílu zadní stěny.
f
f
Zatlačte spodní díl zadní stěny do zadní stěny.
f
f
Upevněte spodní díl zadní stěny šroubem.
2
1
3
26
�0
2�
02
�1
08
0
1 Spodní díl zadní stěny
2 Dodané spojky
3 Šroub
Závěsná lišta při výměně přístroje
Stávající závěsnou lištu výrobce Stiebel Eltron můžete případně
použít při výměně přístroje (výjimkou je průtokový ohřívač DHF).
f
f
Prorazte zadní stěnu přístroje pro závitový svorník na již na-
montované závěsné liště.
Výměna zařízení DHF
26
�0
2�
02
�0
81
5�
f
f
Změňte polohu závitového svorníku na závěsné liště (závitový
svorník má samořezný závit).
f
f
Otočte závěsnou lištu o 180° a namontujte ji na stěnu (popis-
ka DHF je ve správné poloze ke čtení).
instalace na předsazených obkladech
11
0
20
26
�02
�02
�1
37
1
2
1
1 Minimální opěrná plocha přístroje
2 Maximální přesazení obkladů
f
f
Nastavte vzdálenost stěny a upevněte zadní stěnu upevňovací
páčku otočením doprava o 90°.
www.stiebel-eltron.com
HDB-E Si |
57
če
sk
y
instalaCe
Uvedení do provozu
11. uvedení do provozu
VÝSTRAHA - Elektrický proud
Uvedení do provozu smí provádět pouze specializovaný
odborník při dodržení bezpečnostních předpisů.
11.1 První uvedení do provozu
26
�02
�02
�1
375
f
f
Otevřete a uzavřete několikrát všechny připojené odběrné
ventily, dokud nebudou rozvodná síť a přístroj odvzdušněné.
f
f
Proveďte kontrolu těsnosti.
f
f
Aktivujte bezpečnostní omezovač tlaku. Průtokový ohřívač je
dodáván s vypnutým bezpečnostním omezovačem průtoku.
Aktivujte bezpečnostní omezovač tlaku při hydraulickém tlaku
stisknutím tlačítka reset pomocí šroubováku.
f
f
Namontujte víčko a upevněte je šroubem.
f
f
Připojte napájení ze sítě.
f
f
Zkontrolujte funkci přístroje.
f
f
Z displeje ovladače odstraňte ochrannou fólii.
Předání přístroje
f
f
Vysvětlete uživateli funkci přístroje a seznamte ho se způso-
bem jeho užívání.
f
f
Upozorněte uživatele na možná rizika, především na nebez-
pečí opaření.
f
f
Předejte tento návod.
11.2 opětovné uvedení do provozu
!
Věcné škody
Po přerušení dodávky vody je nutné přístroj opětovně
uvést do provozu pomocí následujících kroků, aby nedo-
šlo k poškození topného systému s holou spirálou.
f
f
Odpojte přístroj od napětí vypnutím pojistek.
f
f
Otevřete armaturu, dokud nejsou přístroj a předřa-
zená přípojka studené vody odvzdušněné.
f
f
Opět zapněte napájení ze sítě.
12. uvedení mimo provoz
f
f
Odpojte přístroj na všech pólech od sítě.
f
f
Vypusťte obsah přístroje (viz kapitola „Údržba“).
58
| HDB-E Si
www.stiebel-eltron.com
instalaCe
odstraňování poruch
13. odstraňování poruch
VÝSTRAHA - Elektrický proud
Z důvodu kontroly přístroje musí být k přístroji připo-
jeno síťové napětí.
13.1 Varianty hlášení na diagnostických kontrolkách
led
varianty hlášení
červená
svítí při poruše
žlutá
svítí v topném režimu
zelená
bliká: Přístroj připojený k síti
13.2 tabulka poruch
porucha/stav diagnostické kontrolky led
příčina
odstranění
Přístroj nezapíná.
Ve sprchovací hlavici/v perlátorech se usadil vodní
kámen.
Odstraňte vodní kámen nebo vyměňte sprchovací
hlavici/perlátory.
Průtok je příliš nízký.
Sítko v přístroji je znečištěné.
Očistěte sítko.
Nebylo dosaženo teploty.
Výpadek jedné fáze.
Zkontrolujte pojistky v domovní instalaci.
Ohřev se nezapíná.
Zařízení rozpoznalo ve vodě vyšší obsah vzduchu a na
chvíli vypnulo topný výkon.
Přístroj se za minutu opět zapne.
Žádná teplá voda, kontrolky nesvítí.
Vypnuly pojistky.
Zkontrolujte pojistky v domovní instalaci.
Vypnul bezpečnostní omezovač tlaku (viz kapitola
„Technické údaje/Schéma elektrického zapojení“.
Odstraňte příčinu závady (například defektní tlakové
proplachovací zařízení).
Chraňte systém ohřevu před přehříváním tím, že na
jednu minutu otevřete ventil v odběrném místě za
přístrojem. Z topného systému tak bude vypuštěn
tlak a dojde k ochlazení. Aktivujte bezpečnostní ome-
zovač tlaku při hydraulickém tlaku stisknutím tlačítka
reset, viz též kapitola „První uvedení do provozu“.
Závada elektronického systému.
Zkontrolujte elektroniku, případně proveďte výměnu.
Při průtoku > 2,3 l/min. není dodávána žádná teplá
voda.Kontrolky: Zelená bliká.
Závada elektronického systému.
Zkontrolujte elektroniku, případně proveďte výměnu.
Snímač průtoku není připojen.
Připojte konektor snímače průtoku.
Závada snímače průtoku.
Zkontrolujte snímač průtoku, případně proveďte
výměnu.
Při průtoku > 2,3 l/min. není dodávána žádná teplá
voda.
Kontrolky: Žlutá svítí, zelená bliká.
Bezpečnostní omezovač teploty (viz kapitola „Tech-
nické údaje/Schéma elektrického zapojení“ vypnul
nebo je přerušen.
Zkontrolujte bezpečnostní omezovač teploty a pří-
padně jej vyměňte.
Topný systém je vadný.
Změřte odpor topného systému, případně jej vy-
měňte.
Závada elektronického systému.
Zkontrolujte elektroniku, případně proveďte výměnu.
Neteče teplá voda.
Kontrolky: Červená svítí, zelená bliká.
Teplota přiváděné studené vody je vyšší než 35 °C.
Snižte teplotu studené vody, přiváděné do přístroje.
Snímač studené vody je vadný.
Zkontrolujte elektroniku, případně proveďte výměnu.
www.stiebel-eltron.com
HDB-E Si |
59
če
sk
y
instalaCe
Údržba
14. Údržba
VÝSTRAHA - Elektrický proud
Při všech činnostech odpojte přístroj na všech pólech
od sítě.
Vyprázdnění přístroje
Přístroj můžete vypustit z důvodu údržby nebo z důvodu ochrany
před mrazem.
POZOR opaření
Při vypouštění přístroje může vytékat horká voda.
f
f
Uzavřete ventil na přívodu studené vody.
f
f
Otevřete všechny odběrné ventily.
f
f
Odpojte od přístroje vodovodní přípojky.
f
f
Demontovaný přístroj skladujte tak, aby byl chráněn proti
mrazu. Případné zbytky vody v přístroji mohou zamrznout a
způsobit škody.
15. technické údaje
15.1 rozměry a přípojky
b02
c01
c06
47
0
100
41
4
40
117
20
225
140
35
36
8
30
338
47
b03
35
D
00000
23
60
9
b02 Kabelová průchodka I
b03 Kabelová průchodka II
c01 Přítok studené vody
Vnější závit
G 1/2 A
c06 Výtok teplé vody
Vnější závit
G 1/2 A
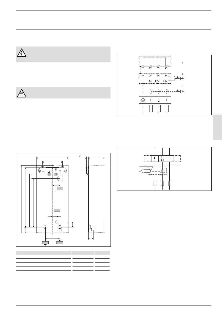
15.2 schéma elektrického zapojení
3/Pe ~ 380 - 415 V
85
�0
2�
02
�0
00
5
1 Topný systém s holou spirálou
2 Bezpečnostní omezovač teploty
3 Bezpečnostní omezovač tlaku
Prioritní spínání se zátěžovým relé (lr 1-a)
Viz též kapitola „Popis zařízení/Příslušenství“
85
�0
2�
02
�0
00
3�
2
1
1 Řídicí obvod stykače 2. přístroje (například elektrické ohřívá-
ní zásobníku).
2 Řídicí kontakt, který se otevře po zapnutí průtokového
ohřívače.
60
| HDB-E Si
www.stiebel-eltron.com
instalaCe
technické údaje
15.3 množství smíšené vody / odtokové množství
Tabulkové hodnoty jsou vztaženy na jmenovité napětí 400 V. Množ-
ství smíšené vody nebo výstupní množství závisí na vstupním tlaku
a na skutečném síťovém napětí.
Používaná teplota ve sprše, k mytí rukou, napouštění vany apod.
cca 38 °C.
6
10
14
4
5
6
7
8
9
10
11
12
13
14
15
4
3
2
1
84
�0
2�
02
�0
03
8
Výstupní teplota v kuchyňském dřezu a při použití armatur s ter-
mostatem cca 55 °C.
2
3
4
5
6
7
8
9
10
6
10
14
4
3
2
1
84
�0
2�
02
�0
03
9
X Teplota studené vody na přítoku ve °C
Y Množství smíšené vody/množství na výtoku v l/min
1 HDB-E 12 Si
2 HDB-E 18 Si
3 HDB-E 21 Si
4 HDB-E 24 Si
15.4 oblasti použití / Převodní tabulka
specifický elektrický odpor a specifická elektrická vodivost, viz
„tabulka údajů“.
Údaj podle normy
při 15 °C
20 °C
25 °C
Spec.
Odpor
ρ ≥
Spec. Vodivost
σ
≤
Spec.
Odpor
ρ ≥
Spec. Vodivost
σ
≤
Spec.
Odpor
ρ ≥
Spec. Vodivost
σ
≤
Ωcm
mS/m μS/cm
Ωcm
mS/m μS/cm
Ωcm
mS/m
μS/cm
900
111
1111
800
125
1250
735
136
1361
1000
100
1000
890
112
1124
815
123
1227
1100
91
909
970
103
1031
895
112
1117
1200
83
833
1070
93
935
985
102
1015
1300
77
769
1175
85
851
1072
93
933
15.5 Ztráty tlaku
tlaková ztráta armatur při objemovém průtoku 10 l/min
Páková baterie cca
MPa
0,04 - 0,08
Armatura s termostatem cca
MPa
0,03 - 0,05
Sprcha cca
MPa
0,03 - 0,15
dimenzování potrubní sítě
K výpočtu dimenzování potrubní sítě je pro přístroj doporučena
tlaková ztráta 0,1 MPa.
15.6 Podmínky v případě poruchy
V případě poruchy v instalaci může krátkodobě vzniknout zatížení
maximálně 95 °C při tlaku 1,2 MPa.
www.stiebel-eltron.com
HDB-E Si |
61
če
sk
y
instalaCe
technické údaje
15.7 tabulka údajů
HDB-E 12 Si
HDB-E 18 Si
HDB-E 21 Si
HDB-E 24 Si
232003
232004
232005
232006
Elektrotechnické údaje
Jmenovité napětí
V
380
400
415
380
400
415
380
400
415
380
400
415
Jmenovitý výkon
kW
9,7
10,7
11,5
16,2
18
19,4
19
21
22,6
21,7
24
25,8
Jmenovitý proud
A
14,4
15,5
16
24,7
26
27
29,5
31
32,2
33,3
35
36,3
Jištění
A
16
16
16
25
25
32
32
32
32
35
35
40
Fáze
3/PE
3/PE
3/PE
3/PE
Frekvence
Hz 50/60 50/60
50/- 50/60 50/60
50/- 50/60 50/60
50/- 50/60 50/60
50/-
Max. impedance sítě při 50 Hz
Ω
0,47
0,45
0,43
0,41
0,39
0,37
0,36
0,34
0,33
Max. impedance při 60 Hz
Ω
0,39
0,37
0,34
0,32
0,29
0,28
Specifický odpor ρ
15
≥ (při
ϑ
studenou vodou ≤35°C)
Ω cm ≥1100 ≥1100 ≥1200 ≥1100 ≥1100 ≥1200 ≥1100 ≥1100 ≥1200 ≥1100 ≥1100 ≥1200
Specifický vodivost
σ
15
≤ (při
ϑ
studenou vodou ≤35°C)
μS/cm
≤910
≤910
≤830
≤910
≤910
≤830
≤910
≤910
≤830
≤910
≤910
≤830
Přípojky
Vodovodní přípojka
G ½ A
G ½ A
G ½ A
G ½ A
Meze použitelnosti
Max. dovolený tlak
MPa
1
1
1
1
Hodnoty
Max. teplota vstupní vody
°C
35
35
35
35
Zap
l/min
>2,3
>2,3
>2,3
>2,3
Průtok pro ztráty tlaku
l/min
3,1
5,2
6,0
6,9
Tlakové ztráty při objemovém proudu
MPa
0,07 (0,02 bez DMB)
0,08 (0,06 bez DMB)
0,10 (0,08 bez DMB)
0,13 (0,1 bez DMB)
Průtok - omezení při
l/min
4
7,5
7,5
8,5
Zobrazení teplé vody
l/min
5,5
9,0
10,5
12
Δ
ϑ
při zobrazení
K
28
28
28
28
Údaje o hydraulickém systému
Jmenovitý objem
l
0,4
0,4
0,4
0,4
Provedení
Nastavení teploty
°C
55
55
55
55
Třída ochrany
1
1
1
1
Izolační blok
Umělá hmota
Umělá hmota
Umělá hmota
Umělá hmota
Topný systém
Holá spirála
Holá spirála
Holá spirála
Holá spirála
Víko a zadní stěna
Umělá hmota
Umělá hmota
Umělá hmota
Umělá hmota
Barva
bílá
bílá
bílá
bílá
Kryti (IP)
IP25
IP25
IP25
IP25
Rozměry
Výška/Šířka/Hloubka
mm
470
225
117
470
225
117
470
225
117
470
225
117
Hmotnosti
Hmotnost
kg
3,6
3,6
3,6
3,6
62
| HDB-E Si
www.stiebel-eltron.com
Záruka | Životní prostředí a recyklace
Záruka
Pro přístroje nabyté mimo území Německa neplatí záruční
podmínky poskytované našimi firmami v Německu. V zemích,
ve kterých některá z našich dceřiných společností distribuuje
naše výrobky, poskytuje záruku jenom tato dceřiná společnost.
Takovou záruku lze poskytnout pouze tehdy, pokud dceřiná
společnost vydala vlastní záruční podmínky. Jinak nelze záruku
poskytnout.
Na přístroje zakoupené v zemích, ve kterých nejsou naše vý-
robky distribuovány žádnou z dceřiných společností, nepo-
skytujeme žádnou záruku. Případné záruky závazně přislíbené
dovozcem zůstávají proto nedotčené.
Životní prostředí a recyklace
Pomozte nám chránit naše životní prostředí. Materiály po pou-
žití zlikvidujte v souladu s platnými národními předpisy.
ZáRuka | ŽivotnÍ pRostředÍ a ReCyKlaCe
www.stiebel-eltron.com
HDB-E Si |
63
če
sk
y
Poznámky

