Heco Victa Prime 602 – страница 2
Инструкция к Heco Victa Prime 602

Prezado cliente da HECO,
Em primeiro lugar, muito obrigado pela aquisição de um produto da HECO. Gostaríamos de parabenizá-
lo por esta decisão. Esta sua decisão inteligente faz com que seja agora proprietário de um produto de
qualidade reconhecida mundialmente.
Por favor, leia cuidadosamente as instruções a seguir antes de utilizar as colunas pela primeira vez.
INFORMAÇÕES GERAIS SOBRE A LIGAÇÃO DAS SUAS COLUNAS HECO VICTA PRIME
Para a ligação das colunas é necessário um cabo especial, que pode ser adquirido numa loja
especializada. A fiz de evitar perdas na qualidade do som, recomendamos para cabos de comprimento
até 3 m uma secção transversal de pelo menos 2,5 mm². Para cabos mais compridos, pelo menos 4 mm².
O amplificador e o receptor devem sempre permanecer desligados até que tenham sido estabelecidas
todas as ligações. Para que se possa medir correctamente o comprimento do cabo, as colunas deveriam
se encontrar na posição prevista. Deve-se usar para ambos os canais cabos com o mesmo comprimento.
Decapar as extremidades dos cabos em um comprimento de 10 a 15mm. As extremidades devem ser
torcidas - o que é melhor do que estanhar. Em seguida, elas devem ser introduzidas nos terminais e
aparafusadas. (Fig. 1)
Ao ligar os cabos, observar impreterivelmente a polaridade correcta, ou seja, os terminais pretos (-) das
colunas devem ser ligados aos terminais (-) do amplificador e os terminais vermelhos (+) das colunas
com os respectivos terminais (+) do amplificador. Para facilitar a ligação com a polaridade correcta, os
cabos comuns para altifalantes têm um dos fios marcados por uma estria ou por uma listra colorida.
Verificar mais uma vez se os cabos estão firmemente fixados e se não há curto-circuito formado por fios
expostos. Isto seria muito perigoso para o amplificador.
COLUNAS HECO VICTA PRIME NO MODO ESTÉREO
Se adquire a posição ideal para escutar quando as colunas e o local onde se encontra a pessoa que
escuta formam um triângulo isósceles. Através da equidistância entre as colunas esquerda e direita e o
local no qual se encontra o ouvinte, os sinais acústicos são reproduzidos em tempo real e é obtido um
som natural e equilibrado. (Fig. 2)
Convém que haja contacto visual entre a pessoa que escuta a música e as colunas. Obstáculos
amortecedores ou reflectores de som deturpam a qualidade. Para instalar colunas, é necessário respeitar
as seguintes distâncias mínimas:
Colunas independentes: Pelo menos 20 cm da parede traseira e pelo menos 30 cm da parede lateral.
Desta maneira evita-se a reprodução exagerada de graves.
Colunas para estantes: Mesmo colunas instaladas em estantes deveriam ser montadas livremente,
mantendo nos lados e na retaguarda uma distância mínima de 10 cm das paredes e objectos. Altifalantes
de agudos devem se encontrar à altura dos ouvidos.
Spikes (Colunas independentes): Deveria usar os spikes juntamente fornecidos para instalar as
colunas. Desta maneira cria-se um isolamento das colunas do solo que evita ressonâncias não desejadas.
Pode-se optar para a coluna de instalação livre por pés de metal ou de borracha endurecida. Os pés
devem ser aparafusados nas roscas no lado inferior da coluna.
COLUNAS HECO VICTA PRIME COMO ALTIFALANTE FRONTAL E DE RETAGUARDA
Os altifalantes frontais devem ser posicionados à esquerda e à direita do televisor, mantendo, dentro do
possível, a mesma distância, na altura dos ouvidos. Os altifalantes de retaguarda devem ser colocados
junto ou melhor ainda atrás da posição do ouvinte, de preferência na altura dos ouvidos ou um pouco
acima. (Fig. 3)
21

COLUNAS HECO VICTA PRIME – BI-WIRING E BI-AMPING
Bi-wiring significa a transmissão de frequências altas e baixas por fios separados. O método Bi-amping
requer, além do segundo fio, um segundo amplificador. Sobretudo o segundo método ajuda melhorar a
qualidade do som mais um pouco.
As colunas VICTA PRIME possuem bornes de ligação especiais que permitem, além do modo
convencional, também um funcionamento em Bi-wiring- e Bi-amping.Por fora, isto se deixa ver pelos
4 bornes de parafuso. Os dois bornes de conexão de cima são para ligar aos sons agudos, os dois de
baixo para ligar aos graves. Os pontos de conexão positivo e negativo estão interligados, de série, por
pontes metálicas. Para um funcionamento Bi-wiring e Bi-amping é necessário desmontar estas pontes.
A ligação correcta das colunas é mostrada nas figuras 4a (convencional), 4b (Bi-wiring) e 4c (Bi-amping).
HECO VICTA PRIME CENTER 102
A coluna central VICTA PRIME CENTER 102 é adequada de forma ideal, tanto no aspecto óptico como
acústico, aos demais modelos de colunas VICTA PRIME. A coluna deve ser posicionada em baixo do
televisor. No mais, observar as instruções gerais nos capítulos anteriores.
HECO VICTA PRIME SUB 252 A
O subwoofer activo VICTA PRIME SUB 252 A é adequado de forma ideal, tanto no aspecto óptico como
acústico, às colunas da série VICTA PRIME. Favor observar as instruções de utilização específica deste
produto.
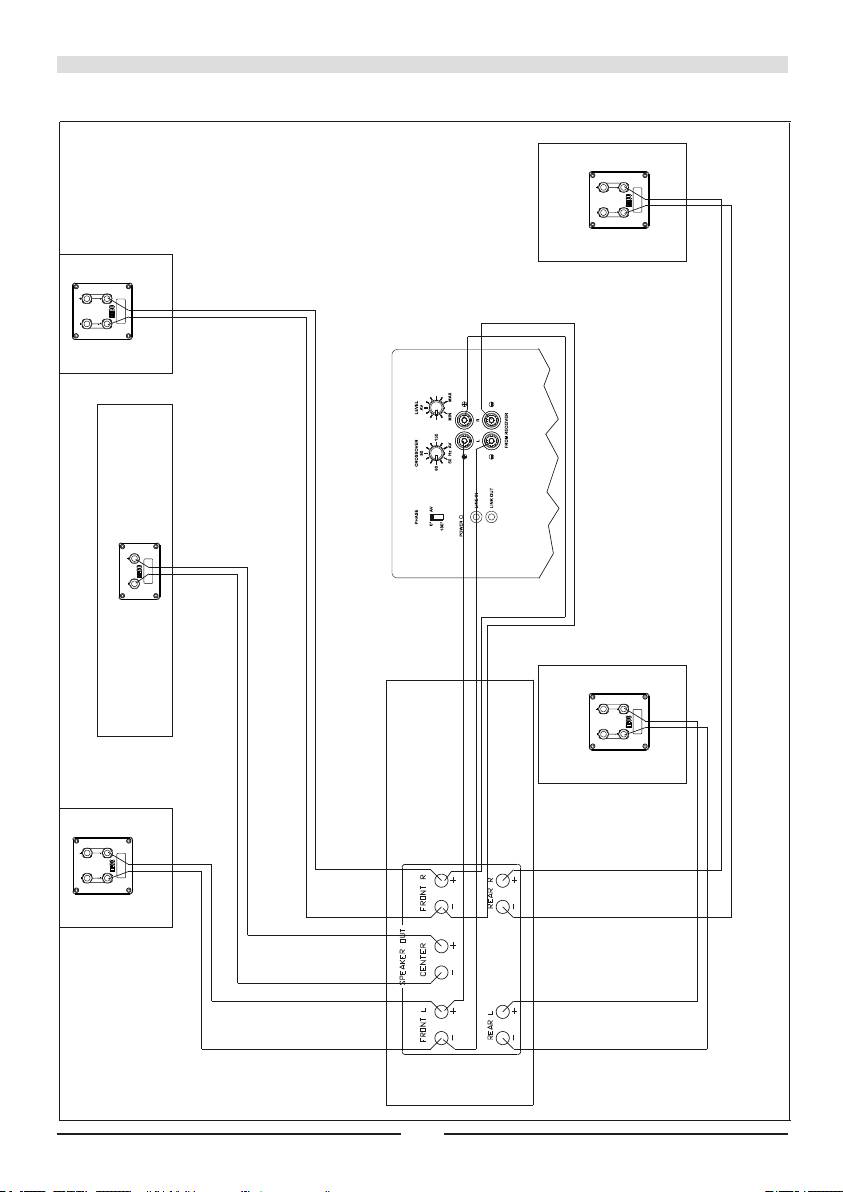
LIGAÇÃO A UM RECEPTOR AV
Nas figuras 5 e 6 são ilustradas duas variadas formas de ligação a um receptor AV.
Fig. 5: Receptor AV sem saída subwoofer
Fig. 6: Receptor AV com saída subwoofer
SUGESTÕES PARA EVITAR AVARIAS
Todos os altifalantes HECO transmitem o melhor som possível quando os reguladores se encontram na
posição central, ou seja, na reprodução linear do amplificador. Com os reguladores ajustados em valor
demasiadamente alto, os altifalantes de graves e agudos recebem mais energia, o que, em caso de
volume alto, pode provocar a destruição dos mesmos.
Caso possua um amplificador que tenha uma potência de saída muito maior do que a capacidade
indicada para os altifalantes, pode ocorrer que um volume muito alto venha a causar a danificação dos
altifalantes. Isto, porém, ocorre somente esporadicamente.
Entretanto, amplificadores com baixa potência de saída já podem ser perigosos para os altifalantes com
um volume médio, pois eles podem ser mais rapidamente sobreexcitados do que amplificadores mais
potentes. Esta sobreexcitação causa distorções claramente audíveis e medíveis, que podem representar
grande perigo para os altifalantes.
Portanto, ao ajustar o volume, observar se há distorções e, neste caso, abaixar imediatamente o
volume. Quem gosta de ouvir música alta deveria cuidar para que a potência de saída do amplificador
corresponda à capacidade dos altifalantes.
22

EM GERAL...
amplificadores, sintonizadores (tuner) e leitores de CD, e não somente nos produtos baratos, podem
gerar oscilações não audíveis e de alta frequência. Caso o altifalante para agudos venha a falhar com
volumes baixos a médio, deixar que o sistema seja verificado por um profissional especializado.
CONSERVAÇÃO
Limpar as superfícies de preferência com um produto suave de limpeza doméstica. Portanto: não usar
nessas superfícies de forma alguma produtos para o polimento de móveis.
DADOS TÉCNICOS
VICTA PRIME 702 VICTA PRIME 602
Configuração: Bassreflex de 3 vias Bassreflex de 3 vias
Capacidade: 170 / 300 Watt 160 / 280 Watt
Impedância: 4 – 8 Ohm 4 – 8 Ohm
Faixa de frequência: 25...40 000 Hz 26...40 000 Hz
Potência recomendada para o
30...300 Watt 30...280 Watt
amplificador:
Rendimento (1 Watt/1 m): 91 dB 91 dB
Dimensões (LxAxP): 203 x 1052 x 315 mm 205 x 1058 x 250 mm (com mono-pé)
167 x 1035 x 235 mm (sem mono-pé)
Acessórios: Pés de metal Pés de metal
VICTA PRIME 502 VICTA PRIME 302
Configuração: Bassreflex de 2 1/2 vias Bassreflex de 2 vias
Capacidade: 145 / 265 Watt 85 / 150 Watt
Impedância: 4 – 8 Ohm 4 – 8 Ohm
Faixa de frequência: 28...40 000 Hz 33...40 000 Hz
Potência recomendada para o
30...265 Watt 30...150 Watt
amplificador:
Rendimento (1 Watt/1 m): 91 dB 90 dB
Dimensões (LxAxP): 203 x 977 x 315 mm 203 x 347 x 315 mm
Pés de metal
VICTA PRIME 202 VICTA PRIME CENTER 102
Configuração: Bassreflex de 2 vias Bassreflex de 2 vias
Capacidade: 65 / 110 Watt 85 / 150 Watt
Impedância: 4 – 8 Ohm 4 – 8 Ohm
Faixa de frequência: 35...40 000 Hz 35...40 000 Hz
Potência recomendada para o
20...110 Watt 20...140 Watt
amplificador:
Rendimento (1 Watt/1 m): 89 dB 90 dB
Dimensões (LxAxP): 167 x 265 x 235 mm 482 x 157 x 265 mm
RESERVADOS OS DIREITOS DE ALTERAÇÕES TÉCNICAS.
23

Kära HECO-kund!
Till att börja med vill vi tacka för att du bestämt dig för en HECO-produkt och samtidigt gratulera till detta
beslut. Genom ditt kloka val är du ägare en kvalitetsprodukt som är uppskattad i hela världen.
Läs igenom följande anvisningar noggrant innan du tar högtalarna i bruk.
ALLMÄNT RÖRANDE ANSLUTNING AV HECO VICTA PRIME HÖGTALARE
För att ansluta högtalarna behövs särskilda högtalarkablar, vilka kan erhållas i fackhandeln. För att
undvika klangförlust rekommenderas max 3 m kabellängd och en kabelarea på minst 2,5 mm², vid större
längd minst 4 mm².
Förstärkaren resp receivern ska principiellt vara frånkopplade tills alla anslutningar gjorts. Ställ högtalarna
på planerad plats för att mäta nödvändig kabellängd. Samma kabellängd bör användas för båda kanalerna.
Avisolera kabeländarna ca 10 – 15 mm. Ändarna förs tvinnade – det är bättre än att förtenna dem – in i
klämmorna och skruvas fast. (Bild 1)
Beakta polningen vid anslutning av kablarna, dvs högtalarnas svarta (-) klämmor anslutas till förstärkarens
minusklämmor och högtalarnas röda klämmor (+) till förstärkarens motsvarande plusklämmor. Vid vanliga
högtalarkablar är en kabelledare räfflad eller färgmarkerad för att underlätta anslutningen till rätt poler.
Kontrollera igen att kablarna sitter fast ordentligt och att ingen kortslutning har bildats genom t ex
utstickande ledare. Detta vore mycket farligt för den anslutna förstärkaren.
VICTA PRIME HÖGTALARE I STEREODRIFT
Lyssnarens bästa position är när högtalare och lyssnarposition bildar en liksidig triangel. Genom samma
avstånd från lyssnarpositionen till båd höger och vänster högtalare återges de akustiska signalerna
tidsriktigt så, att en naturlig harmonisk klang uppstår. (Bild 2)
Från lyssnarplatsen bör man kunna se högtalarna. Ljudabsorberande eller reflekterande föremål stör
klangen. Vidare måste nedanstående avstånd beaktas vid uppställning av högtalarna på stativ (extra
tillbehör):
Stående högtalare: Till bakväggen minst 20 cm och till sidväggen minst 30 cm. Härigenom förhindras
överdriven basåtergivning.
Hyllhögtalare: Om högtalarna placeras på en hylla, bör de placeras så fritt som möjligt, och avståndet
till väggar och föremål baktill och i sidled ska uppgå till minst 10 cm. Diskanthögtalare bör stå i öronhöjd.
Spikes (stående högtalare): Vid uppställning bör även medlevererade spikes eller gummifötter användas.
Härigenom erhåller högtalarna ett visst avstånd från underlaget, vilket förhindrar ovälkommen resonans.
Vid golvhögtalaren kan du välja spikes av metall eller hårdgummi. Skruva in spikes i gänghylsorna på
högtalarens undersida.
VICTA PRIME HÖGTALARE SOM FRONT- ELLER BAKHÖGTALARE
Fronthögtalarna ska placeras i öronhöjd till vänster och höger med om möjligt samma avstånd till
TV-apparaten. Bakhögtalarna placeras till vänster och höger bredvid eller, ännu bättre, bakom
lyssnarplatsen i öronhöjd eller en aning högre. (Bild 3)
VICTA PRIME 702, 602, 502, 302 – BI-WIRING OCH BI-AMPING
Bi-wiring innebär att höga och låga frekvenser transporteras via olika ledare. Bi-ampingmetoden kräver
förutom en andra ledning även en extra ändförstärkare. Huvudsakligen med den sistnämnda metoden
är det möjligt att ytterligare förbättra återgivningen något.
24

VICTA PRIME-högtalarna är genom speciella anslutningsterminaler förberedd för både vanlig drift
liksom för bi-wiring- och bi-ampingdrift. Utidrån syns det på de 4 skruvanslutningarna. De båda övre
leder till diskanthögtalaren, de undre till bashögtalaren. De positiva och negativa anslutningarna har
redan i fabriken anslutits till varandra med metallöverkopplingar, vilka måste avlägsnas vid bi-wiring
och bi-ampingdrift. Högtalarnas anslutning framgår av bilderna 4a ( standard), 4b (bi-wiring) och 4c
(bi-amping).
HECO VICTA PRIME CENTER 102
Center-högtalaren VICTA PRIME CENTER 102 ör optiskt och akustiskt optimerade till de övriga
VICTA PRIME-modellerna. Högtalaren ställs direkt under TV-apparaten. För övrigt gäller de allmänna
anvisningarna i föregående kapitel.
HECO VICTA PRIME SUB 252 A
Den aktiva subwoofer VICTA PRIME SUB 252 A är optiskt och akustiskt optimalt anpassad till de andra
högtalarna i VICTA PRIME-serien. Beakta den separata bruksanvisningen som medföljer denna produkt.
ANSLUTNING TILL EN AV-MOTTAGARE
Två anslutningsvarianter till AV-mottagaren visas i bilderna 5 och 6:
Bild 5: AV-mottagare utan subwoofer-utgång
Bild 6: AV-mottagare med subwoofer-utgång
TIPS FÖR ATT UNDVIKA REPARATIONER
Alla HECO-högtalare är inställda på bästa möjliga klang när klangkontrollerna står i mellanläget, dvs
vid linjär återgivning av förstärkaren. Vid starkt uppvridna kontroller tillförs bashögtalaren och/eller
diskanthögtalaren mer energi, vilket kan leda till att de förstörs.
Om du har en förstärkare med avsevärt högre utgångseffekt än den för boxarna angivna max. tillåtna
belastning, kan större ljudstyrka leda till att högtalarna förstörs – vilket emellertid sällan förekommer.
Förstärkare med liten utgångseffekt kan redan vid mellanljudstyrka bli mycket farliga för boxarna,
eftersom de lättare överstyrs än starka förstärkare. Denna överstyrning förorsakar tydligt mätbar och
hörbar distorsion som är mycket farlig för högtalarna.
Beakta därför eventuell distorsion när du ändrar ljudstyrkan – och sänk den i så fall genast. Den som
lyssnar med hög ljudstyrka måste se til att förstärkaren har minst den ugångseffekt med vilken boxarna
kan belastas.
ALLMÄNT SAGT...
kan förstärkare, tuner och CD-spelare – inte endast vid lågprisprodukter – generera hörbara svängningar
med hög frekvens. Låt en fackman kontrollera anläggningen om diskanthögtalaren bortfaller vid låg resp
mellanljudstyrka.
SKÖTSEL
Torka av ytorna med ett rengöringsmedel för hushållsbruk, använd alltså aldrig möbelpolish eller liknande.
25

TEKNISKA DATA
VICTA PRIME 702 VICTA PRIME 602
Konfiguration: 3 vägs basreflex 3 vägs basreflex
Max belastning: 170 / 300 W 160 / 280 W
Impedans: 4 – 8 ohm 4 – 8 ohm
Frekvensområde: 25 – 40 000 Hz 26 – 40 000 Hz
Rekommenderad förstärkareffekt: 30 – 300 W 30 – 280 W
Verkningsgrad (1 W/1 m): 91 dB 91 dB
Mått (BxHxD): 203 x 1052 x 315 mm 205 x 1058 x 250 mm (med fot)
167 x 1035 x 235 mm (utan fot)
Tillbehör: Metall-spikes Metall-spikes
VICTA PRIME 502 VICTA PRIME 302
Konfiguration: 2 1/2 vägs basreflex 2 vägs basreflex
Max belastning: 145 / 265 W 85 / 150 W
Impedans: 4 – 8 ohm 4 – 8 ohm
Frekvensområde: 28 – 40 000 Hz 33 – 40 000 Hz
Rekommenderad förstärkareffekt: 30 – 265 W 30 – 150 Watt
Verkningsgrad (1 W/1 m): 91 dB 90 dB
Mått (BxHxD): 203 x 977 x 315 mm 203 x 347 x 315 mm
Tillbehör: Metall-spikes
VICTA PRIME 202 VICTA PRIME CENTER 102
Konfiguration 2 vägs basreflex 2 vägs basreflex
Max belastning 65 / 110 W 85 / 150 W
Impedans 4 – 8 ohm 4 – 8 ohm
Frekvensområde 35 – 40 000 Hz 35 – 40 000 Hz
Rekommenderad förstärkareffekt: 20 – 110 W 20 – 140 W
Verkningsgrad (1 W/1 m): 89 dB 90 dB
Mått (BxHxD) 167 x 265 x 235 mm 482 x 157 x 265 mm
VI FÖRBEHÅLLER OSS RÄTTEN TILL TEKNISKA ÄNDRINGAR.
26

Уважаемый потребитель продукции HECO!
Прежде всего, позвольте поблагодарить Вас за то, что Вы сделали выбор в пользу изделий HECO.
Со своей стороны мы поздравляем Вас с этим шагом. Благодаря сделанному выбору Вы стали
владельцем качественной продукции, получившей международное признание.
Прочитайте, пожалуйста, внимательно нижеследующие указания по вводу в эксплуатацию Ваших
громкоговорителей.
ОБЩИЕ УКАЗАНИЯ ПО ПОДКЛЮЧЕНИЮ ГРОМКОГОВОРИТЕЛЕЙ HECO VICTA PRIME
Для подключения громкоговорителей Вам необходимо иметь специальные кабели, приобретаемые
в специализированных магазинах. Во избежание снижения качества звучания мы рекомендуем
Вам применять кабели длиной до 3 м и с площадью сечения не менее 2,5 мм², а при большей
длине - не менее 4 мм².
До тех пор, пока не будут сделаны все соединения, усилитель и приемник должны оставаться в
выключенном состоянии. Для того, чтобы выбрать правильную длину кабелей, громкоговорители
перед этим должны быть размещены на своих местах. Длины кабелей для обоих каналов должны
быть одинаковыми.
Очистите от изоляции концы кабелей на участке 10 – 15 мм. Концы затем скручиваются (это лучше,
чем покрывать их припоем), заводятся в зажимы контактов и надежно закрепляются винтами.
(Рис. 1)
При подключении кабеля обращайте внимание на правильность фазировки подключения, т.е.
черные (-) зажим каждого из громкоговорителей должен быть соединен с (-) зажимами усилителя,
соответственно, красный (+) зажим каждого из громкоговорителей должен быть соединен с (+)
зажимами усилителя. Обычно, с целью облегчения правильной фазировки одна из жил кабеля
для громкоговорителя имеет рифленую или цветовую маркировку.
Еще раз убедитесь в надежности закрепления кабелей и отсутствии короткого замыкания,
например, из-за выступающих из зажимов волокон провода. Это может представлять опасность
для включенного усилителя.
ГРОМКОГОВОРИТЕЛЕЙ HECO VICTA PRIME В СТЕРЕО-РЕЖИМЕ
Оптимальным расположением для прослушивания является такое, при котором громкоговорители
и позиция прослушивания образуют равносторонний треугольник. Благодаря равным
расстояниям от левого и правого громкоговорителя до позиции прослушивания акустические
сигналы воспроизводятся в правильном временном соотношении и создается уравновешенная
естественная звуковая картина. (Рис. 2)
Между громкоговорителями и позицией прослушивания должна сохраняться прямая видимость.
Любое препятствие создает эффекты поглощения или отражения звука и снижает качество
звучания. Кроме этого, при установке громкоговорителей необходимо выдерживать следующие
расстояния:
Напольный громкоговоритель: От стенки позади громкоговорителя - не менее 20 см, от боковой
стенки не менее 30 см. Тем самым можно избежать чрезмерного подчеркивания низких тонов.
Полочный громкоговоритель: Громкоговорители для полок должны быть установлены также, по
возможности, свободно, расстояние до стены и других предметов сзади и сбоку должно составлять
не менее 10 см, громкоговорители для высоких частот должны располагаться на уровне ушей
слушателя.
2727

конусовидные ножки (Напольный громкоговоритель): При установке следует использовать
шипы из комплекта поставки – при этом громкоговоритель оказывается “сцепленным” с
основанием, что позволяет предотвратить возникновение нежелательных резонансов. Для
колонок, устанавливаемых на полу, Вы можете выбирать между металлическими и эбонитовыми
шипами. Шипы ввинчиваются в резьбовые втулки под колонкой.
громкоговорителей HECO VICTA PRIME в качестве фронтальных и тыловых громкоговорителей
Фронтальные громкоговорители размещаются слева и справа по возможности на равном
расстоянии от телевизионного приемника и на уровне ушей слушателя. Таловые громкоговорители
размещаются слева и справа около или лучше позади точки прослушивания на уровне ушей
слушателя или несколько выше. (Рис. 3)
HECO VICTA PRIME 702, 602, 502, 302 – BI-WIRING И BI-AMPING
Bi-wiring означает, что высокие и низкие частоты передаются по отдельным линиям. Согласно
методу Bi-amping помимо второй линии дополнительно требуется второй усилитель мощности.
Главным образом благодаря этому методу возникает возможность еще более повысить качество
воспроизведения.
Громкоговорители VICTA PRIME подготовлен как для обычной эксплуатации, так и для работы в
режимах Bi-wiring и Bi-amping, для чего предусмотрены специальные терминалы подключения.
Внешне это распознается по четырем винтовым зажимам. Верхняя пара зажимов предназначена
для высоких тонов, а нижняя для низких. Положительные и отрицательные зажимы при
поставке соединены между собой металлическим перемычками, которые должны быть удалены
при включении в режимах Bi-wiring и Bi-amping. Правильное соединение громкоговорителей
представлено на рис. 4a ( обычное), 4b (Bi-wiring) и 4c (Bi-amping).
HECO VICTA PRIME CENTER 102
Центральный громкоговоритель VICTA PRIME CENTER 102 по своему внешнему виду и акустике
оптимально согласуется прочими моделями VICTA PRIME. Громкоговоритель устанавливается
непосредственно под телевизионный приемник. В остальном следует руководствоваться общими
указаниями, содержащимися в предыдущем разделе.
HECO VICTA PRIME SUB 252 A
Активный сабвуфер VICTA PRIME SUB 252 A по своему внешнему виду и акустике оптимально
согласуется с остальными громкоговорителями серии VICTA PRIME. Ознакомьтесь, пожалуйста,
с отдельной инструкцией по эксплуатации, находящейся в упаковке изделия.
ПОДКЛЮЧЕНИЕ К АУДИО-ВИДЕО ПРИЕМНИКУ
На рис. 5-6 представлены два варианта подключения к аудио-видео приемнику.
Рис. 5: Аудио-видео приемник без выхода сабвуфера
Рис. 6: Аудио-видео приемник с выходом сабвуфера
СОВЕТЫ ПО ИСКЛЮЧЕНИЮ СИТУАЦИЙ, ТРЕБУЮЩИХ РЕМОНТА
Все громкоговорители HECO настроены на наилучшее воспроизведение в условиях, когда
регулятор уровня звука находится в среднем положении, т.е. на линейном участке работы
усилителя мощности. Существенное повышение уровня звука приводит к тому, что в области
низких и/или верхних тонов выделяется избыточная энергия, что при высокой громкости может
привести к искажению звучания.
28

Если в Вашем распоряжении находится усилитель, который обладает существенно более
высокой выходной мощностью, превышающей паспортную нагрузочную способность колонок,
то такой чрезмерный уровень громкости может привести к разрушению громкоговорителя, что,
впрочем, случается весьма редко.
Усилители со слабым выходом, могут, однако, представлять опасность для колонок уже при
средней силе звука, так как они могут оказаться перегруженными намного быстрее, чем в случае
мощных усилителей. Такая перегрузка обусловливает отчетливо регистрируемые приборами
слышимые искажения, крайне опасные для Вашего громкоговорителя.
В связи с этим просим обращать внимание на искажения, возникающие при регулировании звука,
и, при необходимости, немедленно уменьшать его уровень. Тот, кто любит слушать, должен
следить за тем, чтобы усилитель как можно реже выдавал такую мощность, которая может
привести к перегрузкам в колонках.
В ОБЩЕМ...
усилители, тюнеры и CD плееры - и не только в случае недорогих изделий - могут воспроизводить
воспринимаемые слухом высокочастотные колебания. Если при малом и среднем уровнях
громкости у Вас пропадают высокие тона, то Вашу систему должен проверить специалист.
УХОД
Поверхности же рекомендуется очищать с помощью мягких универсальных чистящих средств, т.
е. ни в коем случае не применять политуру для мебели или т. п.
ТЕХНИЧЕСКИЕ ХАРАКТЕРИСТИКИ
VICTA PRIME 702 VICTA PRIME 602
Конфигурация: 3 полосные “басрефлекс” 3 полосные “басрефлекс”
Нагрузочная способность: 170 / 300 Вт 160 / 280 Вт
Импеданц: 4 – 8 Ом 4 – 8 Ом
Частотный диапазон: 25 – 40 000 Гц 26 – 40 000 Гц
Рекомендуемая мощность усилителя: 30 – 300 Вт 30 – 280 Вт
Коэф. полезного действия (1 Вт/1 м): 91 дБ 91 дБ
Габариты (ШxВxГ): 203 x 1052 x 315 мм 205 x 1058 x 250 мм
(с ножки-подставки)
167 x 1035 x 235 мм
(Без ножки-подставки)
Оснастка Металлические шипы Металлические шипы
VICTA PRIME 502 VICTA PRIME 302
Конфигурация: 2 ½ полосные “басрефлекс” 2 полосные “басрефлекс”
Нагрузочная способность: 145 / 265 Вт 85 / 150 Вт
Импеданц: 4 – 8 Ом 4 – 8 Ом
Частотный диапазон: 28 – 40 000 Гц 33 – 40 000 Гц
Рекомендуемая мощность усилителя: 30 – 265 Вт 30 – 150 Вт
Коэф. полезного действия (1 Вт/1 м): 91 дБ 90 дБ
Габариты (ШxВxГ): 203 x 977 x 315 мм 203 x 347 x 315 мм
Оснастка Металлические шипы
29

VICTA PRIME 202 VICTA PRIME CENTER 102
Конфигурация: 2 полосные “басрефлекс” 2 полосные “басрефлекс”
Нагрузочная способность: 65 / 110 Вт 85 / 150 Вт
Импеданц: 4 – 8 Ом 4 – 8 Ом
Частотный диапазон: 35 – 40 000 Гц 35 – 40 000 Гц
Рекомендуемая мощность усилителя: 20 – 110 Вт 20 – 140 Вт
Коэф. полезного действия (1 Вт/1 м): 89 дБ 90 дБ
Габариты (ШxВxГ): 167 x 265 x 235 мм 482 x 157 x 265 мм
Возможны технические изменения.
30

尊敬的 HECO用户,
首先诚挚感谢您选购了 HECO 产品。我方在此向您表示衷心的祝贺。您选择明智,现在拥有
了一件举世皆认之精品。
在使用您的音箱之前,请您先认真阅读下列各项说明。
连接 HECO VICTA PRIME音箱的简要说明
您需要用专业商店出售的喇叭专用电线来连接音箱。为了避免音质损失,在使用 3 m 以内
的电 线时,我们建议电线截面至少为 2,5mm²,在使用长于 3 m的电线时,截面应至少为
4 mm²。
接线前,原则上应该关掉放大器或接收器,直到各项连接均已建立。音箱应放在事先选好的
位置,以便能够测出合适的电线长度。两个声道应使用相同长度的电线。
然后给电线的终端留出10–15mm 做绝缘。将电线终端扭合起来 – 这个方法比包锡绝缘好 –
插入接线 柱,拧紧螺丝固定。(图 1)
在连接电线时,请您务必注意要接对正负极,即喇叭的黑色(-)端子与放大器的(-)端子相
接,而喇叭的 红色(+)端子与放大器相应的(+)端子相接。为了方便正负极的连接,市场上常
见的喇叭用线的一股线芯是带有纹路的或着了色,作为区别标记。
再仔细检查一遍电线的连接是否无松动,线芯是否翘出毛头,防止引起短路。短路会严重损
坏连接着的放大器。
HECO VICTA PRIME 立体声运作
当音箱的放置位置和视听位置构成一个等边三角形时,这个位置便是最佳视听位置。由于左
右两个音箱与听者之间的距离相等,音响信号于是同时从两边发出而形成一个自然而且均匀
的声振图象。(图 2)
听者应该能够目视两个音响。吸音体或声音反射体会使声音失真。此外,在放置喇叭时,应
注意保持下面规定的距离:
立式音箱:距背面墙壁至少 20 cm,距侧面墙壁至少 30 cm。这样可以防止低音效果过 于
突出。
书架式音箱:如果音箱要放在书架上,那么它的周围也应留出足够的空间,距背面墙壁、侧
面墙壁以及物体至少要保持10 cm的间距,而高音喇叭应该放在听者耳朵的高度。
个销钉(立式音箱):放置音箱时,应使用随货一起收到的销钉,来消除喇叭和其放置托面的
耦合,从而防止产生不良的共鸣。如果是立式音箱,那您可以选用金属销钉或硬橡胶销 钉。
将销钉旋入音箱底面的螺纹套。
HECO VICTA PRIME 用作前置音箱或后置音箱
前置音箱应放在电视机的左右两侧,并且在听者耳朵的高度。它们与电视机的距离应尽可能
地相等。后置音箱应放在视听位置的左右两侧。如果能放在后方,则更为理想,并且要在听
者耳朵的高度或稍高处。(图 3)
31

HECO VICTA PRIME 702, 602, 502, 302 的Bi-wiring/双线分音和Bi-amping/双路功放
推动
Bi-wiring/双线分音是指高频和低频分别由不同的线路分开传送。Bi-amping/双路功放推动
方式时,除 了需要第2条线路外,还需要额外使用第2个终端放大器。后者主要是为了能够
进 一步提高音响效果。
VICTA PRIME音箱配有专门的接线端子,既可供传统运作方式使用,也可供双线分音和双路
功放推动运作方式使用。外部的4个螺栓接口是其识别标志。上方的两个接口接高音喇叭,
下方的接低音喇叭。正负接口在产品出厂前已经通过金属连接桥相互接通。如果是使用双线
分音和双路功放运作方式,必须去除连接桥切断连接。音箱的正确连接见图4a (传统式),图
4b (Bi-wiring/双线分音)和图4c (Bi-amping/双路功放 推动)。
HECO VICTA PRIME CENTER 102
无论是外观还是音响效果,中心音箱 VICTA PRIME CENTER 102 的设计都能与其它各型号
的VICTA PRIME 音箱相配。此 外还请注意遵守前章简要说明中的各注意事项。
HECO VICTA PRIME SUB 252 A
无论是外观还是音响效果,有源超低音音箱VICTA PRIME SUB 252 A 的设计都与VICTA
PRIME系列其它各型的 音箱相配。请注意阅读和遵守产品单独配带的使用说明书。
与AV-接收器连接
图5和图6显示了两种不同的连接AV-接收器的方法。
图5: 无超低音喇叭输入的AV-接收器
图6: 有超低音喇叭输入的AV-接收器
避免需要修机的几点建议
当音色调节器处于中间位置,即放大器线性运作时,所有HECO-喇叭的音色都调在最佳状
态。 如果音色 调节器调得过强,会有更多的电能传给低音和/或高音喇叭,这样在大音量运
作 时,会损坏喇叭。
如果您的放大器的输出功率比喇叭上标注的容许负荷高出很多,这时将发出粗暴的声音,而
会损坏喇叭。但这种现象的出现实为偶然。
输出功率弱的放大器则在中等音量时就会对喇叭造成危险,因为它比大功率放大器更容易超
载。因超载导致的声音失真不但可以清楚地测量出来,而且还听得出来。这对您的喇叭非常
危险。
因此请您在调音量时,要注意观察声音是否失真。一旦出现声音失真,应该立刻调低音量。
喜欢欣赏大音量的人必须注意,放大器发出的输出功率应至少能为喇叭所承受。
总而言之...
放大器、调谐器和 CD 机 –不只是抵挡产品 –都会产生听不见的高频颤动。如果高音喇叭在
开到低音 量到中等音量时消失,应请专业人员来检查您的音响设备。
32

保养
音箱表面建議使用中性的家用清潔劑來清潔.絕對不要使用傢俱護理噴蠟或相關的產品在音
箱表面上.
技术参数
VICTA PRIME 702 VICTA PRIME 602
配置: 3路低音反射 3 路低音反射
负荷: 170 / 300瓦 160 / 280瓦
阻抗: 4 – 8 欧 4 – 8欧
频率范围: 25 – 40 000赫 26 – 40 000赫
最佳放大功率: 30 – 300瓦 30 – 280 瓦
有效系数 (1 瓦/1米): 91 分贝 91 分贝
尺寸 (宽x高x长): 203 x 1052 x 315毫米 205 x 1058 x 250毫米 (有支脚)
167 x 1035 x 235毫米 (无支脚)
附件: 金属销钉 金属销钉
VICTA PRIME 502 VICTA PRIME 302
配置: 2 1/2 路低音反射 2 路低音反射
负荷: 145 / 265瓦 85 / 150 瓦
阻抗: 4 – 8 欧 4 – 8欧
频率范围: 28 – 40 000赫 33 – 40 000赫
最佳放大功率: 30 – 265 瓦 30 – 150 瓦
有效系数 (1 瓦/1米): 91 分贝 90 分贝
尺寸 (宽x高x长): 203 x 977 x 315毫米 203 x 347 x 315毫米
附件: 金属销钉
VICTA PRIME 202 VICTA PRIME CENTER 102
配置: 2 路低音反射 2路低音反射
负荷: 65 / 110瓦 85 / 150 瓦
阻抗: 4 – 8欧 4 – 8 欧
频率范围: 35 – 40 000赫 35 – 40 000赫
最佳放大功率: 20 – 110 瓦 20 – 140 瓦
有效系数 (1 瓦/1米): 89 分贝 90 分贝
尺寸 (宽x高x长): 167 x 265 x 235毫米 482 x 157 x 265毫米
可能做技术改动
33

HECOをご購入されたお客様へ
このたびはHECO製品をお買い求めいただきまして、誠にありがとうございます。当社の製品がお客様のご
要望に応え、ご満足いただけましたら幸いです。お客様がお選びになった当社製品は、その優れた品質に
おいて、世界中で認められております。
なお、お買い求めいただいたスピーカーをご使用いただく前に、下記の注意事項を必ず最後までお読みく
ださい。
HECO VICTA PRIME スピーカーの接続に関する一般的なご注意
スピーカーを接続するためには、専門店でお買い求めになれる特別なスピーカーコードが必要です。音質
が落ちないように、長さが3メートルまでのコードは、断面が最低 2.5 mm²、それ以上 の場合は直 径が最低
4 mm² のコードを用いることをお勧めします。
アンプやレシーバーは、すべての接続作業が終了するまで、スイッチを切っておいてくださ
い。正確なコードの長さを測ることができるように、スピーカーは予定された位置に配置しておきます。両
方のチャンネルに使用するコードは、どちらも同じ長さにしてください。
ここで、コードの先端を約10~15 mm絶縁します。先端は、錫メッキするよりはねじって端子に 入れ たほう
がよく、それをネジで固定します。(図 1)
コードを接続する時は、必ず位相に応じた接続をするよう、気をつけてください。つまり、スピーカーの黒い
端子(-)は、アンプの(-)端子と、それからスピーカーの赤い端子(+)は、アンプの(+)端子と接続してい
なければなりません。市販のスピーカー・コードですと、位相に応じた接続が間違いなく行えるよう、コード
の内部が波型の起伏になっているか、色違いのストライプで印がついています。
コードがしっかり繋がれているか、また突き出た導線などでショートしていないかどうか、よく確かめてくだ
さい。この二つの事項は、アンプに重大な損傷を与える原因となることがありますので、ご注意ください。
HECO VICTA PRIME のステレオ使用
音を楽しむ最良の位置は、スピーカーと聴く位置とが三角形をつくった場合に得られます。左右のスピーカ
ーから聴く位置までが同じ距離だと、音響信号が届くまでの時間も同じなので、調和のとれた自然な音質が
得られます。(図 2)
スピーカーと聴く位置との間には、視界がさえぎられないようにしてください。吸音性や反射性のある障害
物は、音質を落とします。更に、スピーカーを置く場合には、次の距離を守ってください。
スタンドスピーカー: 後ろの壁から最低 20cm、横の壁からは最低30 cm。これにより、ベ ースが響きすぎるの
を防ぐことができます。
壁掛け式スピーカー: 棚型スピーカーをご使用の場合にも横および後ろの壁や物体から10cm以上 の距離
を確保し、高音用スピーカーが耳の高さに来るように置いてください。
スパイク (スタンドスピーカー): スピーカーを設置の時には、一緒に包装されており ますスパイクを使用して
ください。これにより、スピーカーは床の敷物に直接触れることがないので、好ましくない共鳴が起きるのを
防ぐことができます。スタンド式ボックスの場合には金属製スパイクまたは硬ゴム製スパイクをご使用にな
れます。各スパイクはボックス下部のねじスリーブ内にねじ込みます。
HECO VICTA PRIMEをフロントあるいはリア・スピーカーとしてご使用の場合
フロント・スピーカーは、右と左にテレビからできるだけ同じ距離を置いて、耳の高さに取り付けてくださ
い。リア(後部)・スピーカーの場合は、聞く位置の横か、できればその後ろに右と左に、耳の高さか、あるい
はそれよりやや高く、取り付けます。(図 3)
34

HECO VICTA PRIME 702, 602, 502, 302 のバイ・ワイヤリングとバイ・アンピング
バイ・ワイヤリング(2配線)とは、高域・低域周波数が独立してわかれている配線を通して、伝送されること
です。バイ・アンピング法(2増幅)では、2つ目の配線とは別に、当然のことながら2つ目の末端アンプも追加
して必要となります。主にバイ・アンピング法では、再生性能を高めることが可能です。
各VICTA PRIMEスピーカーは、特殊な接続端子によって、従来の配線・増幅方法に加え、バイ・ワイヤリング
やバイ・アンピングも行えるようにつくられています。4つのねじ込み接続は、すぐ見分けがつくようになっ
ています。上部の2つは高音用スピーカーに、下部の2つは低音用スピーカーに、繋ぎます。プラス端子お
よびマイナス端子は出荷時に金属製ブリッジで橋絡されていますので、バイワイヤリング接続およびバイ
アンプ接続の場合にはこれらを取り除いてください。スピーカーの正しい接続方法については、図4a(従来
の方法)、図4b(バイ・ワイヤリング)、図4c(バイ・アンピング法)をご覧ください。
HECO VICTA PRIME CENTER 102
センタースピーカー、VICTA PRIME CENTER 102 は、その他のVICTA PRIMEモデルと外観も音響もぴったり
合う よう、つくられています。このスピーカーは、テレビのすぐ上か下に置いてください。その他については、
前章の一般注意事項をご覧ください。
HECO VICTA PRIME SUB 252 A
アクティブ・サブウーファー VICTA PRIME SUB 252 A は、VICTA PRIMEシリーズの他の各スピーカーと外観も
音響もぴったり合うよう、つくられています。付属の別冊取扱い説明書をご覧ください。
AVレシーバーへの接続
図5と6は、AVレシーバーへの接続バリエーションです。
図5:サブウーファー・アウトレットなしのAVレシーバー
図6:サブウーファー・アウトレット付きのAVレシーバー
修理を必要としないためのアドバイス
HECOのスピーカーはすべて、トーンコントロールが中央のポジションに設定されている時、つまりアンプの
リニア再生状態の場合には、最良の音質が出るように調整されています。トーンコントロールのつまみを大
きく回すと、低音および/または高温にかかるエネルギーが増加して、ボリュームが高い場合にはスピーカ
ーが損傷することがあります。
ボックスの使用負荷よりもずっと高い出力パワーが出せるアンプをお持ちの場合は、音量を無理に上げる
と、非常にまれではありますが、スピーカーが損傷する場合があります。
しかし、出力パワーがもっと弱いアンプの場合ですと、強力なアンプよりもずっと早くボリュームが上がるの
で、中程度の音量でもボックスを損傷する恐れがあります。このようなボリュームの上げ過ぎは明らかに測
定可能で耳に聞き取れるひずみを起こし、スピーカーにとって致命的です。
したがって、ボリュームを調整の場合にはひずみにはくれぐれもご注意ください。そして、ひずみが出た場
合にはただちにボリュームを下げてください。大きい音量を好まれる方は、アンプが、少なくともボックスが
堪えられるだけの出力パワーに抑えるよう、ご注意ください。
一般には…
アンプ、チューナー、およびCDプレイヤーは、低価格の製品に限らず、耳には聞こえないような、高周波の
振動を再生することがあります。お持ちの高音用スピーカーが低い、または中程度のボリュームで音が出な
くなることがございましたら、専門の技術者に点検してもらってください。
35

お手入れ
表面の清掃は家庭用のマイルドな洗剤で行ってください。家具用艶出しクリーナー等はご使用にならない
で下さい。
技術仕様
VICTA PRIME 702 VICTA PRIME 602
機器構成: 3ウェイ 3ウェイ
バスリフレックス バスリフレックス
負荷電力: 170 / 300 W 160 / 280 W
インピーダンス: 4 – 8 Ohm 4 – 8 Ohm
周波数範囲: 25 – 40 000 Hz 26 – 40 000 Hz
推奨アンプ出力: 30 – 300 W 30 – 280 W
効率(1W/1m): 91 dB 91 dB
寸法(WxHxD): 203 x 1052 x 315 mm 205 x 1058 x 250 mm
167 x 1035 x 235 mm (スタンド脚なし)
付属品: 金属製スパイク 金属製スパイク
VICTA PRIME 502 VICTA PRIME 302
機器構成: 2 1/2ウェイ 2ウェイ
バスリフレックス バスリフレックス
負荷電力: 145 / 265 W 85 / 150 W
インピーダンス: 4 – 8 Ohm 4 – 8 Ohm
周波数範囲: 28 – 40 000 Hz 33 – 40 000 Hz
推奨アンプ出力: 30 – 265 W 30 – 150 W
効率(1W/1m): 91 dB 90 dB
寸法(WxHxD): 203 x 977 x 315 mm 203 x 347 x 315 mm
付属品: 金属製スパイク
VICTA PRIME 202 VICTA PRIME CENTER 102
機器構成: 2ウェイ 2ウェイ
バスリフレックス バスリフレックス
負荷電力: 65 / 110 W 85 / 150 W
インピーダンス: 4 – 8 Ohm 4 – 8 Ohm
周波数範囲: 35 – 40 000 Hz 35 – 40 000 Hz
推奨アンプ出力: 20 – 110 W 20 – 140 W
効率(1W/1m): 89 dB 90 dB
寸法(WxHxD): 167 x 265 x 235 mm 482 x 157 x 265 mm
技術仕様データは変更することがありますのでご注意ください。
36

1
37

2
3
38

4a
Amplifier
4b
Amplifier
4c
Amplifier 1 Amplifier 2
39

5
FRONT R
SUBWOOFER
REAR L REAR R
RECEIVER
FRONT L CENTER
40

