Peg-Perego Adventure FI000202G33: инструкция
Раздел: Авто, мото оборудование и транспорт
Тип: Усилитель Для Мотоцикла
Инструкция к Усилителю Для Мотоцикла Peg-Perego Adventure FI000202G33
FI000202G33
1
2
3
4
5
6
7
8
9
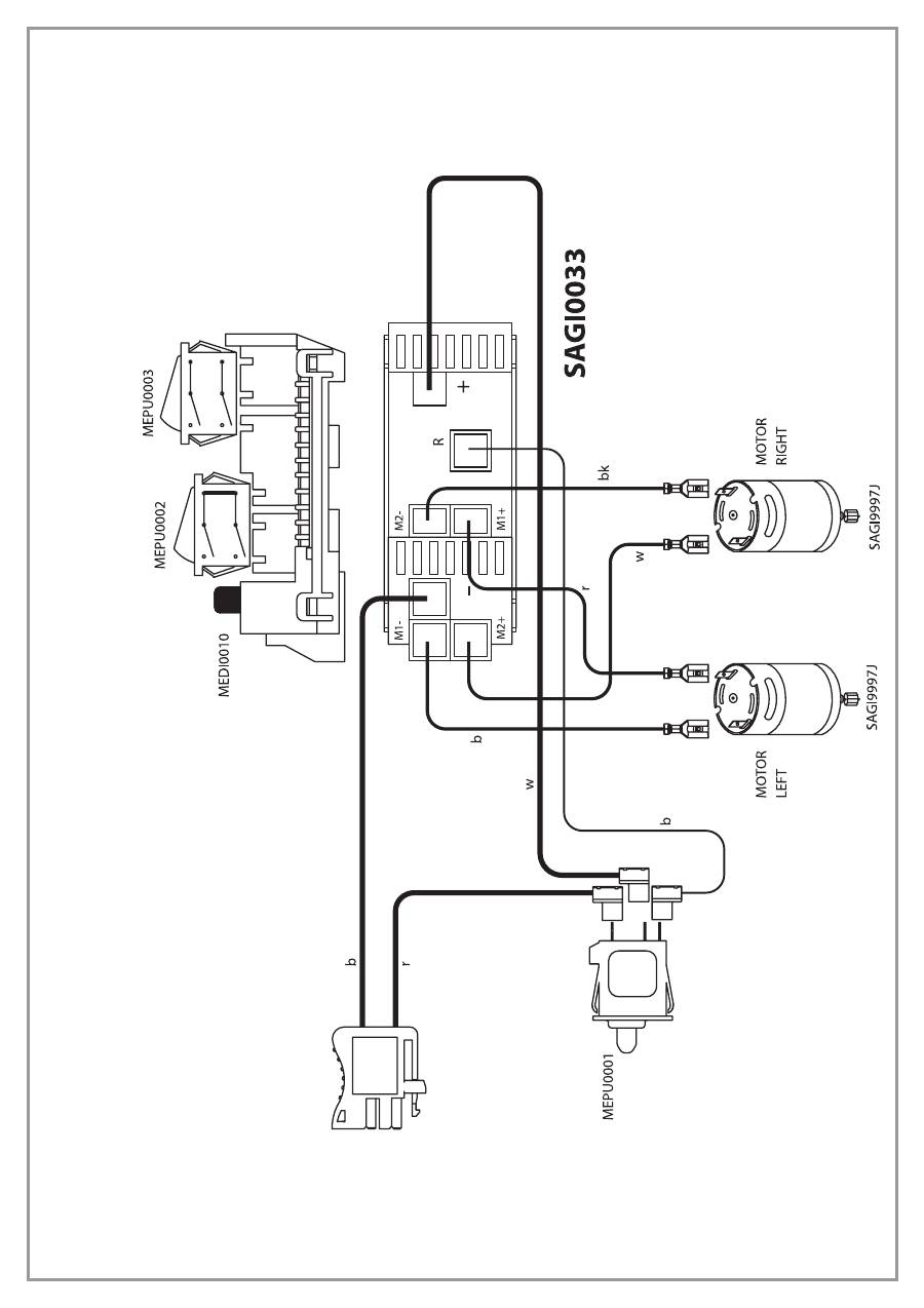
12
11
10
15
14
A C B E NO OK
13
18
17
16
21
20
19
24
23
22
27
26
25
30
29
28
1 2
1 2
A
31
32
33
34
35
36
37
38
39
42
41
40
45
44
43
1 R 2 1 2
A
1 2
48
47
46
51
50
49
54
53
52
180°
R / 1 R / 1 / 2
57
56
55
B C A B A B
b
= blu
bk
= ner
o
r
= r
osso
w
= bianc
o
b
= blue
bk
= black
r
= r
e
d
w
= whit
e
b
= bleu
bk
= noir
r
= r
ouge
w
= blanc
b
= blau
bk
= schwar
z
r
= r
o
t
w
= w
eiß
b
= azul
bk
= negr
o
r
= r
ojo
w
= blanc
o
b
= azul
bk
= pr
et
o
r
= v
e
rmelho
w
= br
anc
o
b
=
ma
vi
bk
= siyah
r
= k
irmizi
w
= beyaz
b
=
синий
bk
=
черньій
r
=
красньій
w
=
бепьій
b
=
Lpke
bk
=
La
r
=
jji
w
=
1
•ASGI0119GRN
2
•SPST8241R
3
•SPST8153GR
4
•IAKB0014
5dx
•SPST8169D
5sx
•
SPST8169S
6
•SA
GI0043GRR
7
•SO
TF0118L30
8
•SPST8164N
9dx
•SARP8178JDNGR
9sx
•
SARP8179JSNGR
10
•SPST8177GR
11
•SPST8189R
12
•SPST8158N
13
•SPST8149GR
14dx
•SPST8157DGP
14sx
•
SPST8157SGP
15
•SA
GI9962X
X
G
16dx
•SARP8178KDNGR
16sx
•
SARP8179KSNGR
17
•SOFF0157L30
18
•SPST8159N
19
•SPST8184N
20dx
•SA
GI8180DN
20sx
•
SA
GI8180SN
21
•IK
CB
22dx
•SPST8173DN
22sx
•
SPST8173SN
23
•SPST8172GR
24
•SPST8185A
25
•SPST8182N
26
•SPST8183N
27
•SPST8174R
28
•SPST8175GR
29
•ASGI0082Y
30dx
•SPST8152DN
30sx
•
SPST8152SN
31dx
•ASGI0132DGP
31dx
•ASGI0132SGP
32
•ASGI0133R
33
•CSADHP00-QL79
34
•SA
GI8166R
35
•ASGI0134NY
36
•SPST8191R
37
•SA
GI8168NY
38
•SPST8171A
39
•SA
GI8170N
40
•SPST8151N
41
•SPST8176N
42
•SA
GI8150JGR
43dx
•ASGI0121DA
43sx
•
ASGI0121SA
44
•SA
GI0033
45
•MME
V0103
46
•SPST8193N
45
44
21
24
23
22sx
25
46
26
20sx
19
18
17
15
12
29
11
8
6
7
5sx
4
3
43sx
31sx
37
36
1
2
42
41
40
39
38
35
33
32
30sx
34
28
27
13
10
9sx
16sx
14sx
IMPIANT
O ELET
TRIC
O
ELECTRIC SY
STEM
CIRCUIT
É
LECTRIQUE
ELEKTRISCHE ANLA
G
E
INST
ALA
C
IÓ
N EL
É
CTRICA
INST
ALA
ÇÃ
O EL
É
TRICA
ELEKTRİK
TESİSA
TI
ЭЛЕКТРИЧЕСКАЯ
СИСТЕМА
ADESIVI
DECAL
DECAL
C
OMANIES
A
UFKLEBER
CAL
C
OMANIAS
ADESIVOS
ÇIKAR
TMALAR
НАКЛЕЙКИ
• La PEG PEREGO vi ringrazia per aver preferito questo prodotto. È da oltre 50 anni
che PEG PEREGO porta a spasso i bambini: appena nati con le sue famose
carrozzine e passeggini, poi con i fantastici veicoli giocattolo a pedali e a batteria.
• Leggete attentamente questo manuale istruzioni per familiarizzare con l’uso del
modello e insegnare al vostro bambino una guida corretta, sicura e divertente.
Conservare poi il manuale per ogni futuro riferimento.
• I nostri giocattoli sono conformi ai requisiti di sicurezza previsti dal Consiglio
della EEC e dal “U.S. Consumer Toy Safety Specification” e approvati dal T.Ü.V.
• La Peg Perego potrà apportare in qualunque momento modifiche ai modelli
descritti in questa pubblicazione, per ragioni di natura tecnica o aziendale.
Anni 3-8
La PEG PEREGO offre un servizio di assistenza post-vendita, direttamente o tramite
un network di centri di assistenza autorizzati, per eventuali riparazioni o
sostituzioni e vendita di ricambi originali. Per contattare i centri assistenza vedere
sul retro della copertina di questo manuale d’istruzioni.
ATTENZIONE: LE OPERAZIONI DI MONTAGGIO DEVONO ESSERE EFFETTUATE SOLO
DA ADULTI.
PRESTARE ATTENZIONE A QUANDO SI ESTRAE IL VEICOLO DALL'IMBALLO.
TUTTE LE VITI SI TROVANO IN UN SACCHETTO ALL'INTERNO DELL'IMBALLO.
MONTAGGIO
1 • Svitare la vite di sicurezza dello sportello del vano batteria.
2 • Premere verso il basso la linguetta come mostra la figura.
3 • Sganciare e aprire lo sportello.
4 • Posizionare il gruppo del cofano sulla base del veicolo inserendo i quattro
ganci (posti sotto i fanali) negli appositi fori.
5 • Prima di completare il fissaggio del cofano, assicurarsi che la parte inferiore
della leva cambio (visibile da sotto il cruscotto) sia posizionata come in figura
(vedi particolare E). NOTA: nel riquadro piccolo, e' rappresentato l'aggancio
scorretto del pezzo.
6 • Completare il fissaggio del gruppo del cofano premendo verso il basso.
Assicurarsi che sia agganciato nei punti indicati dalle frecce. Richiudere lo
sportello del vano batteria.
7 • Inserire l’asta volante con la parte terminale orientata come in figura (vedi
particolare nella fig.8).
8 • Sezione della corsa dell’asta volante. A= tirante sterzo delle ruote B= vano
batteria C= cruscotto.
9 • Unire le due parti del volante.
10 • Inserire il volante sull’asta volante allineando i rispettivi fori.
11 • Fissare il volante con l'apposita vite e dado. ATTENZIONE: il dado si fissa nel
foro esagonale, la vite nel foro circolare.
12 • Posizionare il gruppo fari inserendo le linguette posteriori nei 2 fori del
parabrezza.
13 • Completare l’aggancio premendo in centro fino a clik.
14 • Prima di posizionare il sedile, controllare che i fili del motore siano ben
collegati.
15 • Infilare il coprisedile come in figura.
16 • Tendere il coprisedile e calzandolo dietro lo schienale.
17 • Completare il fissaggio sulla parte anteriore.
18 • Posizionare il sedile inserendo i due ganci posteriori nei fori della scocca fino
alla prima tacca (vedi particolare nel tondo).
19 • Completare il fissaggio del sedile premendo fino ad agganciare il perno
sottostante nel secondo foro (indicato dalla freccia). Attenzione, il sedile e’
predisposto per essere fissato in due posizioni diverse a seconda dall’altezza
del bambino. Qualora il sedile risultasse troppo in avanti, prima di procedere
con le altre operazioni di montaggio, spostare il sedile nella seconda
posizione come illustrato nelle figure 25 e 26.
20 • Inserire la vaschetta porta oggetti dietro il sedile.
21 • Fissare la vaschetta porta oggetti al sedile con la vite in dotazione.
22 • Applicare le griglie del roll-bar come in figura.
23 • Posizionare il roll-bar inserendo per prima le linguette anteriori nei fori della
scocca.
24 • Fissare il roll-bar con le due viti fornite.
25 • Se dovete spostare il sedile nella seconda posizione, agite come segue.
Spingere il sedile verso l’esterno per sganciarlo dal fermo sottostante.
Eseguire la stessa operazione dall’altro lato.
26 • Alzare il sedile nella parte anteriore e spingerlo indietro fino ad agganciare la
seconda tacca (vedi particolare nel tondo). Completare il fissaggio
agganciando il primo foro del sedile (da entrambi i lati) nella parte anteriore.
27 • Inserire nei tagli dei parafanghi le due linguette delle pedane. ATTENZIONE: le
due pedane sono diverse tra loro; posizionare sul lato sinistro del veicolo la
pedana contrassegnata all’interno con la lettera S e sul lato destro quella
contrassegnata con la lettera D.
28 • Ruotare verso il basso la pedana per bloccarla (1) e premere nei due punti
indicati dalle frecce (2).
29 • Applicare a pressione i supporti pedana.
30 • Applicare a scatto la targa sul retro del veicolo.
31 • Applicare a scatto la luce targa sul retro del veicolo.
32 • Per applicare i fanali posteriori, inserire nei fori della scocca la linguetta
superiore e poi ruotare il fanale nel senso della freccia. I due fanali devono
risultare come indicato nel riquadro A.
33 • Premere per completare il fissaggio.
34 • Prima del montaggio dei fanali, applicare gli adesivi n° 4s e 4d sul paraurti
anteriore in coincidenza dei quattro fori (vedi schema A). Montare i fanali
come mostra la figura.
SERVIZIO ASSISTENZA
ISTRUZIONI DI MONTAGGIO
ITALIANO
35 • Posizionare la griglia anteriore inserendola nelle tre linguette della scocca.
Ruotarla nel senso della freccia.
36 • Premere per completare il fissaggio.
37 • Applicare a pressione il tappo serbatoio.
38 • Svitare la vite dello sportellino posto sul lato destro del cruscotto.
39 • Inserire due pile stilo AA da 1,5 V -Non Fornite- nell’apposita sede rispettando
la giusta polarità.
ATTENZIONE: non usare pile ricaricabili.
40 • Riposizionare lo sportellino e fissarlo riavvitando la vite.
41 • Aprire il vano batteria.
42 • Collegare le due spine.
43 • Richiudere lo sportello del vano batteria riavvitando la vite di sicurezza.
44 • MICROFONO: premendo il pulsante sul microfono si azionano i suoni
elettronici.
45 • LEVA CAMBIO: 1: prima velocità di marcia. 2: seconda velocità di marcia. R:
retromarcia.
46 • SECONDA VELOCITÀ: Nota: la leva cambio é dotata di un blocco di sicurezza
per la seconda velocità già assemblato alla leva cambio. Quando è posizionato
come in figura, il veicolo marcia solo alla velocità più bassa e in retro.
47 • Una volta che il bambino ha preso dimestichezza con l’uso del veicolo, si può
passare alla seconda velocità. Svitare la vite di fissaggio e seguire le istruzioni
seguenti.
48 • Ruotare il blocco velocità di 180°.
49 • Riposizionarlo sulla leva cambio e riavvitare la vite.
50 • Con la piastrina in questa posizione, il veicolo può viaggiare anche alla
velocità più alta. Per viaggiare in seconda velocità abbassare la leva cambio.
51 • PEDALE ACCELERATORE/FRENO ELETTRICO: sollevando il piede, il freno
entrerà in funzione automaticamente.
SOSTITUZIONE DELLA BATTERIA
52 • Svitare la vite e aprire il coperchio del vano batteria. Scollegare le spine
premendole lateralmente.
53 • Estrarre il fermabatteria.
54 • Estrarre e sostituire la batteria. Riposizionare il fermabatteria, ricollegare le
spine e richiudere tutto riavvitando la vite di sicurezza.
CARICA DELLA BATTERIA
ATTENZIONE: LA CARICA DELLE BATTERIE E
QUALSIASI INTERVENTO ALL'IMPIANTO ELETTRICO DEVONO ESSERE EFFETTUATE
DA ADULTI.
LA BATTERIA DEVE ESSERE RIMOSSA DAL GIOCO PRIMA DI ESSERE CARICATA.
55 • Scollegare la spina A dell' impianto elettrico dalla spina B della batteria
premendo lateralmente.
56 • Inserire la spina del caricabatterie ad una presa domestica seguendo le sue
istruzioni allegate. Collegare la spina B con la spina C del caricabatterie. A
carica ultimata staccare il caricabatteria dalla presa domestica, poi scollegare
la spina C dalla spina B.
57 • Inserire a fondo, fino allo scatto, la spina B nella spina A. Ad operazioni
ultimate ricordarsi sempre di chiudere e fissare lo sportello del vano batteria.
Prima di utilizzare il veicolo per la prima volta, caricare le batterie per 18 ore. Non
osservare questa procedura potrebbe causare danni irreversibili alla batteria.
AVVERTENZE
La carica delle batterie deve essere effettuata e supervisionata solo dagli adulti.
Non lasciare che i bambini giochino con le batterie.
CARICA DELLA BATTERIA
• Caricare la batteria seguendo le istruzioni allegate al caricabatterie e comunque
non superare le 24 ore.
• Caricare per tempo la batteria non appena il veicolo perde velocità, eviterete
danni.
• Se lasciate fermo il vostro veicolo per lungo tempo, ricordatevi di caricare la
batteria e di tenerla scollegata dall'impianto; ripetete l'operazione di ricarica
almeno ogni tre mesi.
• La batteria non deve essere caricata capovolta.
• Non dimenticare le batterie in carica! Controllare periodicamente.
• Usare solo il caricabatterie in dotazione e le batterie originali PEG PEREGO.
• Non mischiare vecchie e nuove batterie.
• Le batterie devono essere inserite con la corretta polarità.
• Le batterie sono sigillate e non necessitano manutenzione.
ATTENZIONE
• LE BATTERIE CONTENGONO SOSTANZE TOSSICHE CORROSIVE.
NON MANOMETTERLE.
• Le batterie contengono elettrolita a base acida.
• Non provocare contatto diretto tra i terminali della batteria, evitare forti urti:
rischio di esplosione e/o incendio.
• Durante la carica la batteria produce gas. Caricare la batteria in luogo ben
ventilato, lontano da fonti di calore e materiali infiammabili.
• Le batterie esaurite devono essere rimosse dal veicolo.
• È sconsigliato appoggiare le batterie agli indumenti; si potrebbero danneggiare.
SE VI É UNA PERDITA
Proteggete i vostri occhi; evitare il contatto diretto con l'elettrolita: proteggete le
vostre mani.
Mettere la batteria in una borsa di plastica e seguire le istruzioni sullo smaltimento
batterie.
SE PELLE O OCCHI ENTRANO IN CONTATTO CON L’ ELETTROLITA
Lavare abbondantemente con acqua corrente la parte intaccata.
Consultare il medico immediatamente.
SE L’ ELETTROLITA VIENE INGERITO
Bere piccoli sorsi d’acqua, latte di magnesia o albumi d’uovo.
Non indurre vomito.
Consultare il medico immediatamente.
MANUTENZIONE E SICUREZZA BATTERIE
SMALTIMENTO DELLE BATTERIE
Contribuite alla salvaguardia dell’ambiente.
Le batterie usate, non vanno buttate tra i rifiuti domestici.
Potete depositarle presso un centro di raccolta di batterie usate o di smaltimento
rifiuti speciali; informatevi presso il vostro comune.
AVVERTENZE PILA 1,5 VOLT
L’inserimento delle batterie deve essere effettuato e supervisionato solo dagli
adulti. Non lasciare che i bambini giochino con le batterie.
• Le pile devono essere sostituite da un adulto.
• Rispettare la polarità +/-
• Non cortocircuitare i morsetti di alimentazione, rischio di fuoco o esplosione.
• Ritirare sempre le pile quando il gioco non é utilizzato per un lungo periodo.
• Non gettare le pile nel fuoco.
• Non cercare mai di ricaricare le pile.
• Gettare le pile scariche negli appositi contenitori per il riciclaggio delle batterie
usate.
Questo prodotto è conforme alla Norma di Sicurezza EN 71e alla Norma di
Sicurezza per i giocattoli elettrici EN 50088; non è conforme alle disposizioni
delle norme di circolazione su strada e pertanto non può circolare su strade
pubbliche.
MANUTENZIONE E CURA
• Controllare regolarmente lo stato del veicolo, in particolare l’impianto elettrico, i
collegamenti delle spine, i cappucci di protezione ed il caricabatterie. In caso di
difetti accertati, il veicolo elettrico ed il caricabatterie non devono essere
utilizzati. Per riparazioni usare solo pezzi di ricambio originali PEG PEREGO.
• La PEG PEREGO non si assume nessuna responsabilità in caso di manomissione
dell’impianto elettrico.
• Non lasciare le batterie o il veicolo vicino a fonti di calore come caloriferi,
caminetti, etc.
• Proteggere il veicolo da acqua, pioggia, neve etc.; usarlo su sabbia o fango
potrebbe causare danni a pulsanti, motori e riduttori.
• Se il veicolo agisce in condizioni di sovraccarico, come su sabbia soffice, fango
o terreni molto sconnessi, l’interruttore di sovraccarico toglierà immediatamente
potenza. L’erogazione di potenza riprenderà dopo alcuni secondi.
• Lubrificare periodicamente (con olio leggero) parti semovibili come cuscinetti,
sterzo etc.
• Le superfici del veicolo possono essere pulite con un panno umido e, se
necessario, con prodotti di uso domestico non abrasivi.
Le operazioni di pulizia devono essere effettuate solo da adulti.
• Non smontare mai i meccanismi del veicolo o i motori, se non autorizzati dalla
PEG PEREGO.
Conforme a EN 50088
Batteria ricaricabile da 12V 7Ah al piombo sigillata.
2 motori da 140 W
SICUREZZA
ATTENZIONE! LA SUPERVISIONE DI UN ADULTO É SEMPRE NECESSARIA.
• Non adatto ai bambini di età inferiore ai 36 mesi per caratteristiche funzionali.
• Non usare il veicolo su strade pubbliche, dove c’è traffico e macchine
parcheggiate, su pendenze ripide, vicino a gradini e scale, corsi d’acqua e
piscine.
• I bambini devono sempre indossare scarpe durante l’uso del veicolo.
• Quando il veicolo è operativo fare attenzione affinché i bambini non mettano
mani, piedi o altre parti del corpo, indumenti o altre cose, vicino alle parti in
movimento.
• Non bagnare mai componenti del veicolo come motori, impianti, pulsanti, etc.
• Vicino al veicolo non usare benzine o altre sostanze infiammabili.
• Il veicolo deve essere usato esclusivamente da un solo bambino.
DIVERTIMENTO SENZA INTERRUZIONI: tenete sempre un set-batterie carico di
ricambio pronto all’uso.
Per la sicurezza del bambino: prima di azionare il veicolo, leggere e seguire
attentamente le seguenti istruzioni.
• ATTENZIONE:
Controllare che tutte le borchie di fissaggio siano ben salde.
2ª VELOCITÁ
Inizialmente si consiglia l’utilizzo della 1ª marcia.
Prima di inserire la 2ª velocità, assicurarsi che il bambino abbia acquisito
dimestichezza con il veicolo.
• 1ª VELOCITÁ (per principianti):
Con entrambe le mani sul volante premere il pedale dell’acceleratore; il veicolo
si mette in moto ad una velocità ridotta di circa 3,2 Km/h.
• 2ª VELOCITÁ (per esperti):
Con entrambe le mani sul volante premere il pedale dell’acceleratore; il veicolo
si mette in moto ad una velocità di circa 6,3 Km/h.
• RETROMARCIA:
Abbassare con una mano la leva del cambio. Posizionare l’altra mano sul
volante e premere con il piede l’acceleratore. Il veicolo procede in retromarcia
ad una velocità di circa 4 Km/h.
ENGLISH
• FRENO:
Per frenare alzare il piede dal pedale acceleratore, il freno entrerà in funzione
automaticamente.
Insegnate al vostro bambino un uso corretto del veicolo per una guida sicura e
divertente.
• Prima di partire assicurarsi che il percorso sia sgombro da persone o cose.
• Guidare con le mani sul volante e guardare sempre la strada.
• Frenare per tempo per evitare scontri.
• Inserire la 2ª velocità solo quando il bambino ha imparato correttamente l’uso
del volante, della 1ª velocità e del freno.
• ATTENZIONE! in prima velocità, il veicolo é dotato di effetto differenziale come
le vere automobili: su terreni lisci e con un solo bambino, le due ruote possono
avere velocità diverse con possibilità di slittamento/rallentamento delle stesse.
IL VEICOLO NON FUNZIONA?
• Verificare che non ci siano cavi scollegati sotto la piastra dell’ acceleratore.
• Controllare il funzionamento del pulsante dell’acceleratore ed eventualmente
sostituirlo.
• Controllare che la batteria sia attaccata all’ impianto elettrico.
IL VEICOLO NON HA POTENZA?
• Caricare le batterie. Se dopo la ricarica il problema persiste far controllare le
batterie ed il caricabatterie da un centro assistenza.
REGOLE PER UNA GUIDA SICURA
PROBLEMI?
MANUTENZIONE E SICUREZZA VEICOLO
•PEG PEREGO® thanks you for choosing this product. For over 50 years, PEG
PEREGO has been taking children for an outing: first with its famous baby
carriages and strollers, later with its pedal and battery operated toy vehicles.
•Read this instruction manual carefully to learn the use of this vehicle and to teach
your child safe and enjoyable driving. Please keep this manual for use as a
reference in the future.
•Our toys conform with the safety requirements provided by the Council of the
EEC, of the T.Ü.V; and the U.S. Consumer Toy Safety Specification F963.
•Peg Perego reserves the right to modify or change their product. Price, literature,
manufacturing processes or locations or any combination of these above
mentioned entities may change at any time for any reason without notice with
impunity.
Years 3-8
PEG PEREGO offers after-sales services, directly or with a network of authorized
service centers for repairs or replacement parts. See the back cover of this
instruction manual for a list of service centers.
ADULT ASSEMBLY REQUIRED.
USE CARE WHEN UNPACKING AS COMPONENTS TO BE ASSEMBLED MAY POSE A
SMALL PARTS/SHARP EDGE HAZARD.
ASSEMBLY
1 • Unscrew the battery compartment cover.
2 • Press the tab as show in the figure.
3 • Release and open up the cover.
4 • Place the bonnet unit on the vehicle's base and insert the four fasteners
(below the headlights) into the corresponding holes.
5 • Before you complete the fitting of the bonnet, make sure that the base of the
gear lever (visible below the dashboard) is as shown in the figure (see detail
E). NOTE: In the small box, the component is fitted incorrectly.
6 • Push down the bonnet unit to complete the fitting. Make sure the unit is
correctly fitted checking the fixing points shown by the arrows. Close the
battery compartment.
7 • Insert the steering rod holding out the end as shown in the figure (see detail
in figure #8).
8 • Section of the steering rod stroke.
A: wheel steering rod;
B : battery compartment;
C : dashboard.
9 • Join the two parts of the steering wheel.
10 • Insert the steering wheel on the steering rod aligning the corresponding
holes.
11 • Fix the steering wheel with the screw and nut provided. NOTE:The nut fits into
the hexagonal hole, the screw into the round hole.
12 • To fit the headlights, insert the rear tabs in the two windscreen holes.
13 • Press till it clicks to complete the fitting.
14 • Before fitting the seat, check that the engine wires are correctly connected.
15 • Install the seat cover as shown in the picture.
16 • Stretch the seat cover and fit it to the backrest.
17 • Complete the installation to the front.
18 • To fit the seat, insert the two rear fasteners bodywork hole sup to the first
notch (see the round inset).
CUSTOMER SERVICE
ASSEMBLY INSTRUCTIONS
19 • To complete the fitting, push down to let the pin below the seat click into the
second hole (shown with the arrow). Attention: the seat is designed to be
mounted in two different positions, depending on the child's height. If the
seat is too far forward, before completing the other assembly operations shift
the seat to the second position, as shown in Figures 25 and 26.
20 • Insert the container behind the seat.
21 • Fasten the container with the supplied screw.
22 • Fit the roll bar grills as shown in the figure.
23 • To fit the roll bar, insert the front tabs in the bodywork holes.
24 • Fix the roll bar tightening the screws provided.
25 • If you need to shift the seat to the second position, proceed as follows. Push
the seat toward the outside to release it from the stop below. Perform the
same operation on the other side.
26 • Raise the front part of the seat and push it back until the second notch is
hooked (see round inset). Finish fastening, starting with the first hole on the
front part of the seat (on both sides).
27 • Insert the two footboard tabs into the mudguard slots. CAUTION: The vehicle
has two different footboards. Be sure that you insert the footboard with the S
on the left and that with the D on the right.
28 • Turn down to fix the footboard (1) and push the two points indicated by the
arrows (2).
29 • Fit the footboard stands pushing in the arrow direction.
30 • Snap the license plate to the rear of the vehicle.
31 • Snap the license plate light to the rear of the vehicle.
32 • To fit the rear headlights, insert the upper tab into the holes and turn the
headlight as shown by the arrow.The correct position of the lights is shown in
detail A.
33 • Push to complete the fitting.
34 • Before fitting the headlights, stick decals # 4s and 4d to the front bumper
aligning them to the four holes (see A). Fit the lights as shown in the figure.
35 • Fit the front grill to the three tabs into the bodywork. Turn as shown by the
arrow.
36 • Push to complete the fitting.
37 • Press on the filler cap to fix it.
38 • Remove the screw from the door on the right-hand side of the dashboard.
39 • Fit the two AA batteries -Not included- into their holder,taking care to respect
correct polarity. NOTE: do not use rechargeable batteries.
40 • Remount the door and tighten the screw to fasten.
41 • Open up the battery compartment.
42 • Connect the two plugs.
43 • Close the battery compartment tightening the safety screw.
44 • MICROPHON: press the button on the microphon turns on the electronic
sounds.
45 • GEAR SHIFT LEVERS: 1: first speed. 2: second speed. R: reverse.
46 • SECOND SPEED: Note: The gear lever has a built-in safety block to prevent the
use of the second speed. When it is in the position shown by the figure, the
vehicle can just move forward in the first speed or backwards.
47 • When your child has gained a better knowledge of the vehicle, you can allow
the use of the second speed. Unscrew to remove the safety block, then follow
the instructions provided.
48 • Turn the speed block 180°.
49 • Fit it back to the gear lever and screw it.
50 • When the plate is in the position shown, the vehicle moves forward in the
faster speed too. To use the second speed, lower the gear lever.
51 • ACCELERATOR/ELECTRIC BRAKE PEDAL: The vehicle brakes automatically
when your child lift his/her foot off the pedal.
REPLACING THE BATTERY
52 • Unscrew and open up the battery compartment. Disconnect the terminals
pressing on the sides.
53 • Remove the battery fastener.
54 • Remove and replace the battery. Insert the battery charger back in place,
connect the two terminals and tighten the safety screw.
BATTERY RECHARGE
WARNING: BATTERY CHARGING AND EVERY OTHER OPERATION ON THE
ELECTRICAL SYSTEM MUST BE CARRIED OUT BY ADULTS ONLY.
REMOVE THE BATTERY FROM THE TOY BEFORE CHARGING.
55 • Disconnect the electrical system terminal A from the battery terminal B
pressing with the fingers on the sides.
56 • Plug the battery charger terminal to a wall outlet following the instructions
provided. Connect the terminal B and the battery charger terminal C.
Once the battery has been recharged, unplug the battery charger from the
wall outlet, then disconnect terminals C and B.
57 • Connect terminal B and A till you hear the final click. Once recharging is
complete, don't forget to close the door on the battery compartment.
Before riding, charge your batteries for 18 hours to initiate them. Failure to do this
will result in permanent battery damage.
CAUTION
Only adults should recharge batteries,never
children.
Never allow children to handle batteries.
Do not mix old and new batteries.
CHARGE BATTERY
• Charge the batteries no longer than 24 hours, following the instructions
enclosed with the battery charger.
• Charge the battery, as the vehicle shows low power, in this way you will avoid
damage to the battery.
• If you don’t use your vehicle for a long period of time unplug the battery from
the main wire harness of the vehicle. Remember to charge the battery at least
every three months.
• Never charge the battery upside down.
• Do not forget batteries during charging! Check them periodically.
• Never use a replacement recharger or batteries unless they are approved by PEG
PEREGO.
• Batteries are sealed and maintenance free.
• Battery polarity must be observed when connecting battery to wiring.
WARNING
• BATTERIES CONTAIN TOXIC AND CORROSIVE SUBSTANCES. DO NOT TAMPER
WITH THEM.
• Batteries contain an acid-based electrolyte.
• Do not make direct contact between battery terminals, as this can cause an
explosion or fire.
• Charging produces explosive gases. Charge batteries in a well ventilated area
away from sources of heat and flammable materials.
• Exhausted batteries are to be removed from the vehicle.
• Do not place the batteries near clothing to avoid damage.
IF A LEAK DEVELOPS
Shield your eyes. Avoid direct contact with the electrolyte, protect your hands.
Place battery in a plastic bag and follow directions listed below.
IF ELECTROLYTE COMES IN CONTAC WITH SKIN OR CLOTHING
Flush with cool water for at least 15 minutes.
See a physician at once.
IF ELECTROLYTE IS INJESTED
Give tap water, milk of magnesia or egg whites at once.
Do not induce vomiting.
See a physician at once.
DISPOSAL OF BATTERIES
Help protect the environment!
Do not throw used batteries in your regular, house hold trash.
Dispose of the old batteries in an approved dumping station; contact your local
environmental protection agency office for further information.
CAUTION AA 1,5V BATTERY
The insertion of batteries must only be carried out or supervised by adults. Do
not let children play with the batteries.
• The batteries should be replaced by an adult.
• Respect the polarity +/-
• Do not allow the batteries to be in contact with metal parts (risk of fire or
explosion).
• Always remove the batteries if the toy is not in use for a long period.
• Do not throw batteries on the fire.
• Never try to recharge the batteries.
• Dispose of dead batteries into containers provided for the recycling of dead
batteries.
This product conforms to EN 71 and conforms to EN 50088 safety standard for
electric toys.This vehicle is not intended for use on streets, around traffic or parked
cars.
MAINTENANCE AND CARE
• Regularly check the conditions of the vehicle, particularly the electrical system,
the plug connections, the covering caps and the charger. In case of fault, do not
try to use the vehicle and the charger. For repair use only original PEG PEREGO’s
spare parts.
• PEG PEREGO assumes no liability if the electrical system is tampered with.
• Do not leave vehicle or batteries near sources of heat such as radiators, stoves,
fireplaces, etc.
• Protect vehicle from water, rain, snow, etc.
• When operating in overload conditions, such as soft deep sand, mud or rough
uneven terrain, the overload circuit breaker will automatically disconnect the
power. After 10 or more seconds,the circuit breaker will automatically reset,
howevere you must eliminate overload conditions to resume normal driving.
• Periodically lubricate (with a light weight oil) moving parts, such as wheel
bearings, steering linkages, where they rotate or touch one another.
• The vehicle’s surface can be cleaned with a dampcloth. Do not use abrasive
cleaners. The cleaning must be carried out by adults only.
• Never disassemble the vehicles mechanisms or motors unless authorized by PEG
PEREGO.
Conforms a EN 50088
Recargeable battery 12V 7Ah sealed lead-acid battery.
Two 140W motors
SAFETY
WARNING! THE CAR MUST BE USED UNDER ADULT SUPERVISION.
• A child must be 3 years of age or older for the necessary coordination and
maturation to operate this motorized vehicle safely.
• Never use the vehicle on steep slopes or near steps or stairs. This vehicle is not
suitable for use on public highways.
• Children should always wear shoes when riding in or driving a ride-in/ride-on
vehicle.
• Do not allow children to place their hands, feet or any part of their body, clothing
or other articles near the moving parts while vehicle is in operation.
• Do not allow the electrical components, motors, wiring, switches of your
motorized vehicle to become wet and never wash it with a hose.
• Never use gasoline or other flammable substances near the vehicle.
• The vehicle is constructed just for one child.
DON'T STOP THE FUN: always have freshly charged, back-up batteries on hand.
BATTERY MAINTENANCE AND SAFETY
VEHICLE MAINTENANCE AND SAFETY
RULES FOR SAFE DRIVING
FRANÇAIS
For your child’s safety: please read and follow all instructions below before
operating.
• ATTENTION:
Check the fastening studs to be sure they are tight.
2nd SPEED
Initially we suggest using only the 1st speed and the reverse gear. Before moving
into 2nd speed be sure that the child has become familiar with operating the
vehicle.
• 1ST SPEED slow speed (beginner drivers):
With both hands on the steeringwheel, press down on the accelerator pedal;
the vehicle goes forward at 2 mph.
• 2ND SPEED fast speed (exsperienced drivers):
With both hands on the steeringwheel, press down on the accelerator pedal;
the vehicle goes forward at 3,9 mph.
• REVERSE:
Lower the gear lever with one hand. Place the other hand on the steeringwheel
on press your foot down on the accelerator. The vehicle revereses at 2.5 mph.
• BRAKE:
The electric braking system stops the vehicle automatically when your child
lifts his foot off the pedal.
Teach your child the proper use of this vehicle for a safe and fun play time.
• Before starting be sure that the way is free from people and objects.
• Drive with both hands on the steeringwheel and keep your eyes on the road at
all times.
• Stop in time to avoid accidents.
• Use the 2nd speed only after your child has the maturity and the reflexes to
operatye vehicle safety.
• CAUTION! In first gear, the vehicle as a differential effect like real cars: on
smooth terrain and with one child, the two wheels may turn at different
speeds, resulting in possible sliding/deceleration.
IF THE VEHICLE DOES NOT OPERATE?
• Check that all the plugs are properly connected.
• Check the accelerator switch, if vehicle runs replace switch.
• Check that the battery is connected to the electrical system.
IF THERE IS NO POWER?
• Fully recharge the batteries. If the problem persists, check with an Authorized
PEG PEREGO Service Center.
PROBLEMS?
•PEG PEREGO® vous remercie de votre confiance et vous félicite d'avoir choisi ce
produit. Depuis plus de 50 ans, PEG PEREGO emmène en promenade les enfants:
à peine nés, avec ses fameux landaus et poussettes et plus tard, avec ses
fantastiques véhicules à pédales et à batterie.
•Lire attentivement ce manuel d'instructions pour se familiariser avec l'utilisation
du modele et enseigner a l'enfant a conduire prudemment tout en s'amusant.
Garder ce manuel pour toute necessite future.
•Nos jouets répondent aux conditions de sécurité prévues, par le Conseil de la EEC
et par le “U.S. Consumer Toy Safety Specification” et approuvés par le TÜV.
•Peg Perego pourra apporter à tout moment des modifications aux modéles
décrits dans cette publication, pour des raison de nature technique ou
commerciale.
Ans 3-8
PEG PEREGO offre un service d’assistance après-vente, directement ou à travers un
réseau de centres d’assistance autorisés pour les éventuelles réparations ou pour
le remplacement et la vente de pièces de recharge d’origine. La liste des centres
d’assistance est fournie sur la dernière page de ce manuel d’instructions.
ASSEMBLAGE PAR UN ADULTE REQUIS. PRENDRE GARDE AU MOMENT DE
DEBALLER CAR LES COMPOSANTES À ASSEMBLER PEUVENT COMPORTER UN
DANGER DE PETITES PIÈCES OU DE BORDS TRANCHANTS.
MONTAGE
1 • Dévisser la vis de sûreté sur le couvercle du logement de la batterie.
2 • Appuyer la languette comme indiqué par le dessin.
3 • Décrocher et ouvrir le couvercle.
4 • Placer l'ensemble du coffre sur la base du véhicule en insérant les quatre
crochets (sous les feux) dans les trous correspondants.
5 • Avant de compléter le fixage du capot, s'assurer que la partie basse du levier
de vitesse (visible par-dessous le tableau) est positionnée comme le montre
le dessin (voir détail E). NOTE: Le petit dessin montre le fixage incorrect de la
pièce.
6 • Compléter l'accrochage de l'ensemble du coffreen appuyant vers le bas.
S'assurer qu'il est bien accroché aux points indiqués par les flèches. Refermer
le couvercle du logement.
7 • Bloquer la barre de direction d'une main avec l'extrémité comme dans le
dessin (voir le détail dans le dessin n° 8).
8 • Section de la course de la barre de direction.
A: tirant de direction des roues;
B: logement de la batterie;
C: tableau de bord.
9 • Assembler les deux parties du volant.
10 • Insérer le volant sur la barre de direction en alignant les trous correspondants.
11 • Fixer le volant à l'aide de la vis et de l'écrou fournis à cet effet. ATTENTION:
l'écrou doit être fixé dans le trou hexagonal, la vis dans le trou rond.
12 • Placer l'ensemble de phares en insérant les languettes postérieures dans les 2
trous du pare-brise.
13 • Compléter l'accrochage en appuyant au centre jusqu'au déclic.
14 • Avant de placer le siège, vérifier que les fils du moteur sont bien branchés.
15 • Enfiler le couvre-siège comme montré dans la figure.
16 • Etendre le couvre-siège en le fixant derrière le dossier.
17 • Compléter le fixage sur la partie avant.
18 • Placer le siège en insérant les deux crochets arrière dans les trous de la
carrosserie jusqu’au premier cran (voir détail dans le cercle).
19 • Compléter le fixage du siège en appuyant jusqu'à l'accrochage du pivot sous-
jacent dans le second trou indiqué par la flèche. Attention ! Le siège est prévu
pour être fixé en deux positions différentes selon la hauteur de l’enfant. Si le
siège était trop en avant, avant de passer aux opérations de montage
suivantes, déplacer le siège en seconde position comme indiqué sur les
figures 25 et 26.
20 • Insérer le vide-poches derrière le siège.
21 • Fixer le vide-poches avec la vis fournie.
22 • Monter les grilles du roll bar comme indiqué par le dessin.
23 • Placer le roll bar insérant les languettes antérieures dans les trous de la
carrosserie.
24 • Fixer le roll bar au moyen des deux vis fournis.
25 • Si le siège devait être déplacé en seconde position, agir comme suit. Pousser
le siège vers l’extérieur pour le décrocher de l’arrêt sous-jacent. Effectuer la
même opération de l’autre côté.
26 • Relever le siège en avant et le pousser en arrière jusqu’à l’accrocher au second
cran (voir détail dans le cercle).Terminer la fixation en l’accrochant au premier
trou du siège (de chaque côté) situé à l’avant.
27 • Insérer les deux languettes des marchepieds dans les rainures des garde-
boue. ATTENTION: les deux marchepieds sont différents; placer le marchepied
marqué de la lettre S sur le côté gauche et le marchepied marqué de la lettre
D sur le côté droit du véhicule.
28 • Tourner le marchepied vers le bas pour le bloquer (1) et appuyer sur les deux
points indiqués par les flèches (2).
29 • Placer les supports du marchepied et les appuyer en position.
30 • Insérer par encliquetage la plaque d'immatriculation derrière du véhicule.
31 • Insérer par encliquetage le feu de la plaque derrière du véhicule.
32 • Pour fixer les feux arrière, insérer le languette supérieur dans les trous de la
carrosserie, ainsi tourner le feu dans le sens de la flèche. La position correcte
des deux feux est celle montré par le détail A.
33 • Appuyer pour compléter le fixage.
34 • Avant de monter les feux, coller les adhésifs n° 4s et 4d sur le pare-chocs avant,
les alignant aux quatre trous (voir schéma A). Monter les feux comme indiqué
par le dessin.
35 • Placer la grille avant en l'insérant dans les trois languettes de la carrosserie.
Tourner dans le sens de la flèche.
36 • Appuyer pour compléter le fixage.
37 • Placer le bouchon du réservoir d'essence.
38 • Desserrer la vis du couvercle situé à droite du tableau de bord.
39 • Mettre deux piles de 1,5 Volt - Ne pas inclus - en place dans leur logement en
respectant la polarité. ATTENTION: Ne pas utiliser de piles rechargeables.
40 • Replacer le couvercle et le fixer en resserrant la vis.
41 • Ouvrir le logement de la batterie.
42 • Brancher les deux prises.
43 • Refermer le couvercle du logement de la batterie en serrant la vis de sûreté.
44 • MICRO: appuyant sur le bouton du micro les sons électroniques sont émis.
45 • LEVIER DE VITESSE: 1: Première vitesse de marche. 2: Deuxième vitesse de
marche. R: marche arrière.
46 • SECONDE VITESSE DE MARCHE Note: le levier de changement de vitesse est
pourvu d'un bloc de sûreté pour la seconde vitesse, qui est déjà intégré dans
le levier. Quand le bloc est placé comme indiqué par le dessin, le véhicule
n'avance qu'en première et en marche arrière.
47 • Une fois que votre enfant a acquis une connaissance suffisante du véhicule et
des commandes, on lui/elle peut permettre de passer en seconde vitesse.
Dévisser la vis de blocage et observer les instructions suivantes.
48 • Tourner de 180° le bloc de contrôle vitesse.
49 • Le replacer sur le levier de vitesse et visser.
50 • Quand la plaque est placée comme indiqué, le véhicule peut avancer aussi
bien en seconde vitesse. Pour engager la seconde vitesse, déplacer en arrière
le levier.
51 • PEDALE D'ACCELERATEUR/FREIN ELECTRIQUE: le frein entre en fonction
automatiquement quand on lève le pied.
REPLACEMENT DE LA BATTERIE
52 • Dévisser et ouvrir le couvercle du logement de la batterie. Débrancher les
prises en appuyant sur les deux côtés.
53 • Retirer le fixe-batterie.
54 • Enlever et remplacer la batterie. Replacer le fixe-batterie, brancher à nouveau
les deux prises et refermer en serrant la vis de sûreté.
CHARGE DE LA BATTERIE
ATTENTION: L'OPÉRATION DE CHARGE DES BATTERIES ET TOUTES AUTRES
INTERVENTIONS SUR L'ÉQUIPEMENT ÉLECTRIQUE DOIVENT ÊTRE EFFECTUÉES
EXCLUSIVEMENT PAR DES ADULTES.
SERVICE D’ASSISTANCE
INSTRUCTIONS DE MONTAGE
LES ACCUMULATEURS DOIVENT-ÊTRE ENLEVÉS DU JOUET AVANT D’ÊTRE
CHARGÉS.
55 • Débrancher la fiche A de l'équipement0électrique de la prise B de la batterie
en appuyant sur les côtés.
56 • Insérer la fiche du chargeur de la batterie dans une prise domestique selon les
indications fournies. Brancher la prise B et la prise C du chargeur.
Après le chargement de la batterie, débrancher le chargeur de la prise
domestique, ainsi la prise C de la prise B.
57 • Insérer complètement, jusqu'au déclic, la prise B dans la prise A. Une fois tous
les opérations terminées, fermer le couvercle du boîtier de la batterie.
Avant d’utiliser le véicule pour la premièr fois, recharger les batteries pendant 18
heures. La non-observation de cette brochure risque de provoquer des
dommagas irréversibles à la batterie.
PRECAUTION
Les batteries ne doivent être rechargées que par ou sous la supervision d’adultes.
Ne pas laisser les enfants jouer avec les batteries.
RECHARGEMENT DES BATTERIES
• Charger les batteries sans dépasser les 24 heures et en suivant les instructions
jointes au chargeur de batterie. Le non-respect de ces temps risque de raccourcir
la durée de vie des batteries.
• Recharger les batteries à temps, dès que le véhicule perd de la vitesse, pour
éviter de les endommager.
• Si on laisse le véhicule arrêté pendant un long intervalle, se rappeler de
recharger la batterie et de la laisser débranchée de l’installation; répéter
l’opération de rechargement tous les trois mois au moins.
• La batterie ne doit pas être rechargée retournée.
• Ne pas oublier la batterie en rechargement! Contrôler périodiquement.
• Utiliser uniquement le chargeur de batterie fourni et les batteries originales PEG
PEREGO.
• Ne pas mélanger les vieilles batteries avec les neuves.
• Les batteries doivent être mises en place avec la polarité correcte.
• Les batteries sont scellées et n’exigent pas de maintenance.
ATTENTION
• LES BATTERIES CONTIENNNENT DES SUBSTANCES TOXIQUES ET CORROSIVES. NE
PAS LES OUVRIR.
• Les batteries contiennent des électrolytes à base d’acide.
• Ne pas provoquer de contact direct entre les plots de la batterie, éviter les chocs
forts: risque d’explosion et d’incendie.
• Pendant le rechargement, la batterie produit des gaz. Recharger la batterie dans
un lieu bien aéré, loin de toute source de chaleur et de matériaux inflammables.
• Les batteries déchargées doivent être enlevées du véhicule.
• Eviter que les batteries entrent en contact avec les vêtements: ceux-ci pourraient
s'abîmer.
EN CAS DE FUITE
Se protéger les yeux. Éviter tout contact direct avec le électrolyte: se protéger les
mains. Mettre la batterie dans un sac en plastique et suivre les instructions sur
l’élimination des batteries.
SI LA PEAU OU LES YEUX ENTRENT EN CONTACT AVEC LE ELECTROLYTE
Laver abondamment les parties concernées à l’eau courante.
Consulter immédiatement un médecin.
EN CAS D’INGESTION DE ELECTROLYTE
Boire à petites gorgées de l’eau, du lait de magnésie ou de l’albumen d’œuf.
Ne pas provoquer de vomissement.
Consulter immédiatement un médecin.
ELIMINATION DES BATTERIES
Contribuons à la sauvegarde de l’environnement.
Les batteries usées ne doivent pas être jetées dans les ordures ménagères.
On peut les déposer dans un centre de récupération de batteries usées ou
d’élimination de déchets spéciaux; s’informer à la mairie.
PRECAUTION PILE 1,5 VOLT
Le mise en place des batteries ne doit être faite que par des adultes. Ne pas laisser
les enfants jouer avec les batteries.
• Les piles doivent être remplacées par un adulte.
• Respecter la polarité +/-
• Ne pas mettre les piles au contact de pièces métalliques (risque de feu ou
d’explosion).
• Toujour retirer les piles lorsque le jouet n’est pas utilisé pendant une longue
période.
• Ne pas jeter les piles dans le feu.
• Ne jamais essayer de recharger les piles.
• Jeter les piles déchargées dans les récipients prévus pour le recyclage des piles
usagées.
Ce produit est conforme aux Normes de Sûreté
EN 71et conforme aux Normes de Sûreté pour les jouets électriques EN 50088; il
n’est pas conforme aux dispositions des normes de circulation routière et ne peut
par conséquent pas circuler sur la voie publique.
SÉCURITÉ MAINTENANCE ET ENTRETIEN
• Contrôler régulièrement l’état du véhicule, en particulier l'installation électrique,
le branchement des fiches, les capots de protection et le chargeur de batterie. Si
l’on trouve des défauts, le véhicule électrique et le chargeur de batterie ne
doivent par étre utilisés. Pour les réparations, n’utiliser que des pièces de
rechange d’origine PEG PEREGO.
• PEG PEREGO décline toute responsabilité en cas de mauvaise utilisation de
l'installation électrique.
• Ne pas laisser les batteries ou le véhicule à proximité de sources de chaleur
comme des radiateurs, des cheminées, etc.
• Protéger le véhicule de l’eau, de la pluie, de la neige, etc.
• Si le véhicule fonctionne en conditions de surcharge, comme sur la sabble mou,
la boue on les terrains très accidentés, l’interrupteur de surcharge coupe
immédiatement le courant. La distribution de courant reprend au bout de
quelques secondes.
• Lubrifier périodiquement (avec une huile légère) les parties mobiles comme
roulements à billes, direction, etc.
• Les surfaces du véhicule peuvent être nettoyées avec un chiffon humide et, s'il
est necessaire, avec des produits d'emploi domestique. Les opérations de
nettoyage doivent être effectuées exclusivement par des adultes.
• Ne jamais démonter les mécanismes du véhicule ou les moteurs, sauf
autorisation de PEG PEREGO.
Conforme a EN 50088
accu rechargeable da 12V 7Ah avec plomb sigillée
2 moteurs de 140W
SECURITE
ATTENTION! LA SURVEILLANCE D’UN ADULTE EST TOUJOURS NECESSAIRE.
• Le véhicule n'est pas apte aux enfants âgés de mons de 36 mois pour se
caractéristiques fonctionelles et dimensionelles.
• Ne pas utiliser le véhicule sur la voie publique, là où il y a de la circulation et des
voitures en stationnement, sur les pentes raides, près de gradins, d’escaliers, de
cours d’eau et de piscines.
• Les enfant doivent toujours porter des chaussures quand ils utilisent le véhicule.
• Quand le véhicule fonctionne, faire attention à ce que les enfants ne mettent pas
les mains, les pieds ou d’autres parties du corps, des vêtements ou d’autres
choses près des parties en mouvement.
• Ne jamais mouiller les composants du véhicule comme les moteurs, les
installations, les touches, etc.
• Ne jamais utiliser d’essence ou d’autres substances inflammables près du
véhicule.
• Le véhicule est assembler seulement pour un enfant.
JEU SANS INTERRUPTION: toujours avoir un jeu de batteries chargées prêtes à
servir.
Pour la sécurité de l’enfant, avant de mettre le véhicule en marche, lire et suivre les
instructions suivantes avec attention.
• ATTENTION !
Vérifier que tous les clous de fixation soient assurés.
2nde VITESSE
Au début, nous conseillons d’utiliser la 1ere marche.
Avant de passer en 2nde, s’assurer que l’enfant a acqius une certaine familiarité
avec le véhicule.
• 1ere VITESSE (pour les debutants):
Mettre les deux mains sur le volant, appuyer sur la pédale d’accélérateur; le
véhicle se met en marche à une vitesse d'environ 3,2 Km/h.
• 2nde VITESSE (pour les experts):
Mettre les deux mains sur le volant, appuyer sur la pédale d’accélérateur; le
véhicle se met en marche à une vitesse d'environ 6,3 Km/h.
• MARCHE ARRIERE:
Abaiser d’une main lelevier du chargement de vitesse. Mettre l’autre main sur
le volant et appuyer avec le pied sur l’accélérateur. Le véhicule part en arrière à
une vitesse d'environ 4 Km/h.
• FREIN:
Le système électrique de freinage bloque automatiquement le véhicule quand
on lève le pied de la pédale d’accélérateur.
Enseigner à l’enfant à utiliser le véhicule correctement pour conduire en sécurité
tout en s’amusant.
• Avant de partir, s’assurer que le parcours est libre de personnes ou de choses.
• Conduire avec les mains sur le volant et toujours regarder la route.
• Freiner à temps pour éviter les accrochages.
• Mettre en 2
nde
quand l’enfant a appris à se servir correctement du guidon, de la
1
ere
vitesse et du frein.
• ATTENTION! En première vitesse, le véhicule bénéfice d’un effet différentiel,
comme les véritables automobiles: sur des terrains dégagés et avec un enfant
seulement, les deux roues peuvent présenter des vitesses différentes, ce qui peut
causer un patinage/ralentissement de celles-ci.
LE VEHICULE NE MARCHE PAS?
• Vérifier qu'il n'y a pas de câbles débranchés sons la plaque de l'accélérateur.
• Contrôler le fonctionnement de la touche de l'accélérateur et le remplacer
éventuellement.
• Contrôler si la batterie est branchée à l'installation électrique.
LE VÉHICULE MANQUE DE PUISSANCE?
• Recharger la batterie. Si après 'avoir rechargée le problème persiste, faire
contrôler la batterie et le chargeur de batterie par un centre d'assistance.
MAINTENANCE ET SECURITE BATTERIE
REGLES POUR UNE CONDUITE SURE
PROBLEMES?
MANUTENZIONE E SICUREZZA VEICOLO
DEUTSCH
•PEG PEREGO® bedankt sich für den Kauf eines seiner Spielfahrzeuge. Schon seit
über 50 Jahren fahren Kinder mit PEG PEREGO: In den berühmten Kinderwagen
und Kindersportwagen sitzen sie bereits, wenn sie noch nicht einmal laufen
können, und später vergnügen sie sich mit den tollen Tret- und Elektro-Batterie
Spielfahrzeugen.
•Bitte lesen Sie aufmerksam die Bedienungsanleitung durch, damit Ihnen der
Gebrauch des Modells geläufig ist und Sie Ihrem Kind einen sicheren und
unterhaltsamen Gebrauch zeigen können.
Bitte bewahren Sie das Handbuch auch für spätere Hinweise auf.
•Unsere Spielwaren entsprechen den vorgesehenen Sicherheits-Erfordernissen,
die vom Rat der Europäischen Wirtschaft-Gemeinschaft festgelegt wurden.
Außerdem sind sie T.Ü.V. / GS- geprüft und zugelassen.
•Peg Perego behält sich vor, farbliche und technische Ånderungen vorzunehmen.
Jahre 3-8
PEG PEREGO bietet Hilfestellung nach dem Verkauf, direkt oder über das Netz der
Kundendienststellen (siehe beiliegendes Verzeichnis) für etwaige Reparaturen
oder Ersatzleistungen und die Bereitstellung von Originalersatzteilen an.
Zur Kontaktaufnahme mit den Kundendienststellen siehe Rückseite des
Umschlags dieser Anleitung.
ACHTUNG: DIE MONTAGE DARF NUR VON ERWACHSENEN VORGENOMMEN
WERDEN.
BEIM AUSPACKEN DES FAHRZEUGES VORSICHT WALTEN LASSEN.
HINWEIS: ALLE SCHRAUBEN LIEGEN IN EINEM SAECKCHEN IN DER VERPACKUNG.
MONTAGE
1 • Die Sicherheitsschraube des Deckels am Batteriegehäuse aufdrehen.
2 • Auf die Befestigungszunge des Deckels wie abgebildet drücken.
3 • Den Deckel loslösen und aufklappen.
4 • Den Motorhaube-Satz auf die Base des Fahrzeugs positionieren und die 4
Fixierbolzen (unter den Scheinwerfern) in die dafür vorgesehenen Löcher
einstecken.
5 • Vor dem Vervollständigen der Motorhaube dabei beachten, daß das untere
Teil des Schalthebels (siehe unter dem Armaturenbrett) wie abgebildet
positioniert ist (siehe kleine Abbildung E). BEMERKUNG: Die kleine Abbildung
zeigt eine fehlerhafte Befestigung des Teils.
6 • Durch Niederdrücken wird die Montage vervollständigt. Beachten, daß die
Bolzen in den Befestigungslöchern völlig eingesteckt sind. Den Deckel des
Batteriegehäuses zuklappen.
7 • Die Lenksäule so einstecken, daß ein Ende wie abgebildet nach außen
gerichtet ist (siehe kleine Abbildung Nr. 8).
8 • Schnitt des Lenksäulehubs.
A: Lenkstange;
B: Batteriegehäuse;
C: Armaturenbrett
9 • Die zwei Teile des Lenkrades verbinden.
10 • Das Lenkrad auf die Lenksäule drücken. Auf die Ausrichtung der Löcher dabei
achten.
11 • Das Lenkrad mit der vorgesehenen Schraube und der Mutter befestigen.
ACHTUNG: Die Mutter in der Sechskantöffnung, die Schraube in der runden
Öffnung anbringen.
12 • Den Scheinwerfersatz muß so positioniert werden, daß die hinteren
Befestigungszungen in die Löcher der Windschutzscheibe einstecken.
13 • Bis zum Klicken auf den Mittelpunkt drücken, um die Montage zu
vervollständigen.
14 • Bevor Sie den Sitz anbringen, überprüfen Sie, daß die Drähte des Motoren fest
verbunden sind.
15 • Wie in der Abbildung dargestellt, den Sitzbezug einziehen.
16 • Den Sitzbezug ausstrecken und hinter der Rückenlehne befestigen.
17 • Das Anbringen an der Vorderseite vervollständigen.
18 • Den Sitz so anordnen, dass die beiden hinteren Haken in den Bohrungen des
Fahrgestells bis zur ersten Einkerbung (siehe Detail im Kreis) einrasten.
19 • Zur Sitzbefestigung den darunter liegenden Stift bis zu seinem Einrasten im
zweiten Loch (siehe Pfeil) eindrücken. Achtung, der Sitz kann je nach Größe
des Kinds auf zwei Stellungen verstellt werden. Sollte der Sitz zu weit vorne
sein, vor den weiteren Montageschritten den Sitz laut Abb. 25 und 26 auf die
zweite Stellung versetzen.
20 • Die Ablage hinter dem Sitz einsetzen.
21 • Die Ablage mit der mitgelieferten Schraube befestigen.
22 • Die Grills des Überrollbügels wie abgebildet anbringen.
23 • Den Überrollbügel positionieren: Die vorderen Zungen in die Löcher der
Karosserie einstecken.
24 • Den Überrollbügel mit den zwei vorgesehenen Schrauben befestigen.
25 • Zum Verstellen des Sitzes auf die zweite Stellung wie folgt vorgehen. Den Sitz
nach außen drücken, um ihn unterhalb auszuhaken. Den gleichen Schritt auf
der anderen Seite durchführen.
26 • Den Sitz vorne anheben und bis zum Einrasten in der zweiten Stellung nach
hinten schieben (siehe Detail im Kreis). Zur vollständigen Befestigung das erst
Sitzloch auf beiden Seiten vorne einrasten lassen.
27 • Die zwei Zungen der Trittbrettchen in die Schlitze der Kotflügel einstecken.
ACHTUNG: Die Trittbrettchen sind unterschiedlich. Auf der linken Seite des
Fahrzeugs muß das Trittbrettchen positioniert werden, das mit einem S
gekennzeichnet ist. Daher muß auf der rechten Seite das Trittbrettchen mit
dem D montiert werden.
28 • Das Trittbrettchen nach unten schwenken, um es festzumachen (1) und auf
die zwei Punkten drücken, die von den Pfeilen gezeigt sind (2).
29 • Durch Innendrücken werden die Stütze des Trittbrettchen befestigt.
30 • Das Nummernschild an der Rückseite des Fahrzeugs einrasten lassen.
31 • Das Nummernschild-Licht an der Rückseite des Fahrzeugs einrasten lassen.
32 • Um die hinteren Scheinwerfer anzubringen, die obenen Befestigungszungen
in die Löcher der Karosserie einstecken und den Scheinwerfer in Pfeilrichtung
drehen. Beide Scheinwerfer müssen so positioniert werden, wie die kleine
Abbildung A beschreibt.
33 • Durch Drücken wird die Befestigung vervollständigt.
34 • Vor dem Anbringen der Scheinwerfer müssen Aufkleber 4s und 4d an die
vordere Stoßstange so geklebt werden, daß sie den vier Löchern
aufeinanderpassen (siehe Schema A). Die Scheinwerfer wie abgebildet
montieren.
35 • Den vorderen Grill positionieren und in die drei Schlitze der Karosserie
einstecken, dann in Pfeilrichtung schwenken.
36 • Durch Drücken wird die Befestigung vervollständigt.
37 • Den Tankverschluss durch Drücken einrasten lassen.
38 • Die Schraube der Klappe rechts vom Armaturenbrett ausschrauben.
39 • Zwei 1,5 Volt Batterien einlegen (werden nicht mitgeliefert). ACHTUNG: Keine
Batterien zum Wiederaufaden einsetzen.
40 • Die Klappe wieder anordnen und mit der Schraube befestigen.
41 • Das Batteriegehäuse aufmachen.
42 • Die Stecker einander verbinden.
43 • Den Deckel des Batteriegehäuses zumachen und mit der Sicherheitsschraube
befestigen.
44 • MIKROFON: Bei Drücken des Knopfs am Mikrofon ertönen die verschiedenen
Elektronikklänge.
45 • GANGHEBEL: 1: Erste Fahrgeschwindigkeit. 2: Zweite Fahrgeschwindigkeit. R:
Rückwärtsgang.
46 • ZWEITE FAHRGESCHWINDIGKEIT. Bemerkung: Der Schalthebel ist mit einem
eingebauten Sicherheitsblock ausgerichtet, der die Benutzung der zweiten
Geschwindigkeit verhindert.Wenn diese Vorrichtung so positioniert ist, wie es
in der Abbildung gezeigt wird, fährt das Fahrzeug nur mit der ersten
Geschwindigkeit und im Rückwärtsgang.
47 • Wenn Ihr Kind mit der Führung des Fahrzeugs genug vertraut ist, können Sie
ihm/ihr auch erlauben, die zweiten Fahrgeschwindigkeit zu benutzen.
Nachdem Sie die Sperrschraube abgeschraubt haben, gemäß den
Anleitungen vorgehen.
48 • Den Geschwindigkeitsblock um 180° drehen.
49 • Den Block in den Schalthebel wieder einstecken und anschrauben.
50 • Wenn das Plättchen so positioniert ist, wie die Abbildung zeigt, kann das
Fahrzeug auch mit der schnellsten Geschwindigkeit fahren. Zum Fahren mit
der zweiten Fahrgeschwindigkeit, den Schalthebel zurückstellen.
51 • ELEKTRISCHES GAS-BREMSPEDAL: Durch Anheben des Fußes tritt die Bremse
automatisch in Funktion.
BATTERIEWECHSEL
52 • Die Schraube des Deckels am Batteriegehäuse abschrauben. Durch Drücken
auf ihre Seiten die Stecker abtrennen.
53 • Den Batteriehalter herausziehen.
54 • Die Batterie herausnehmen und auswechseln. Den Batteriehalter wieder
einsetzen, die Stecker anschließen und die Sicherheitsschraube anschrauben,
um das Ganze zu schließen.
LADEN DER BATTERIE
ACHTUNG: DAS LADEN DER BATTERIE UND SÄMTLICHE ARBEITEN AN DER
ELEKTRISCHEN ANLAGE DÜRFEN NUR VON ERWACHSENEN AUSGEFÜHRT
WERDEN.
VOR DEM LADEN DIE AKKUMULATOREN VOM SPIELZEUG HERAUSNEHMEN.
55 • Stecker A der elektrischen Anlage und Stecker B der Batterie durch seitliches
Drücken trennen.
56 • Den Stecker des Batterieladegeräts gemäß den Anleitungen in die Dose
stecken. Stecker B und Stecker C des Ladegeräts verbinden. Nach der Ladung
der Batterie muß das Ladegerät von der Haushaltdose und Stecker C vom
Stecker B getrennt werden.
57 • Stecker B in Stecker A hineinstecken, bis er klickt. Danach immer darauf
achten, dass die Klappe des Batterieraums geschlossen und fixiert wird.
Vor dem ersten Gebrauch des Fahrzeuges die Batterien 18 Stunden lang laden. Bei
Unterlassung dieser Maßnahme kann die Batterie definitiv beschädigt werden.
ACHTUNG
Das Laden der Batterien darf nur von Erwachsenen ausgeführt und überwacht
werden.
Kinder nicht mit den Batterien spielen lassen.
LADEN DER BATTERIEN
• Die Batterien nicht länger als 24 Stunden laden und sich dabei an die
Anweisungen halten, die dem Ladegerät beigelegt sind. Das Nichtbeachten
dieser Dauer beeinträchtigt die Lebensdauer der Batterien.
• Die Batterien rechtzeitig laden, sobald das Fahrzeug an Geschwindigkeit verliert.
Auf diese Weise verhindern Sie Schäden.
• Sollte das Fahrzeug längere Zeit unbenutzt bleiben, vergessen Sie nicht, die
Batterie zu laden und sie aus dem Fahrzeug zu nehmen; das Neuladen
mindestens alle drei Monate wiederholen.
• Die Batterie nicht umgedreht laden.
• Die Batterien nicht am Ladegerät vergessen! In Zeitabständen kontrollieren.
• Nur das mitgelieferte Ladegerät und die Original-PEG PEREGO-Batterien
verwenden.
• Neue und gebrauchte Batterien nicht vermischen.
• Die Batterien polrichtig einsetzen.
• Die Batterien sind versiegelt und erfordern keine Wartung.
ACHTUNG
• DIE BATTERIEN NICHT VERLETZEN, SIE ENTHALTEN KORROSIVE UND GIFTIGE
STOFFE.
• Sie enthalten außerdem Elektrolyte auf Säurebasis.
• Die Batterieenden nicht Anschlußklemmen nicht Kurzschließen und sie keinen
KUNDENDIENST
MONTAGEANWEISUNGEN
WARTUNG UND SICHERHEIT BATTERIEN
starken Stössen aussetzen: Explosions- und Brandgefahr.
• Während des Ladens erzeugt die Batterie Gas. Das Laden daher in gut gelüfteten
Räumen vornehmen, nicht in der Nähe von Wärmequellen und entflammbaren
Materialien.
• Die leeren Batterien sind aus dem Fahrzeug zu Ehmen.
• Die Batterien sollten mit der Kleidung nicht in Berührung kommen; sie könnten
beschädigt werden.
UNDICHTE BATTERIEN
Schützen Sie Ihre Augen und Ihre Hände; vermeiden Sie jeden direkten Kontakt
mit das Elektrolyte. Geben Sie die Batterie in eine Plastiktüte und entsorgen Sie die
Batterie vorschriftsmäßig.
IM FALLE EINER BERÜHRUNG DER HAUT ODER DER AUGEN MIT DEM
ELEKTROLYTEN
Augen oder Haut mit reichlich fließendem Wasser waschen.
Sofort den Arzt aufsuchen.
VERSCHLUCKEN DES ELEKTROLYTEN
In kleinen Schlucken Wasser, Magnesiummilch oder Eiweiß trinken.
Sofort den Arzt aufsuchen.
BATTERIE-ENTSORGUNG
Leisten Sie einen Beitrag zum Umweltschutz!
Batterien gehören nicht in den Hausmüll. Als Verbraucher sind Sie gesetzlich
verpflichtet, gebrauchte Batterien zurückzugeben. Sie können Ihre alten
Batterien bei den öffentlichen Sammelstellen in Ihrer Gemeinde oder überall
dort abgeben, wo Batterien der betreffenden Art verkauft werden. Dabei müssen
diese Batterien/Akkus entladen, oder gegen Kurzschluß gesichert sein.
Diese Zeichen finden Sie auf schadstoffhaltigen Batterien:
Pb = Batterie enthält Blei
Cd =Batterie enthält Cadmium
Hg =Batterie enthält Quecksilber
ACHTUNG 1,5 VOLT BATTERIE
Das Einlegen der Batterien darf nur von Erwachsenen ausgefuehrt werden.
Aufpassen, daß Kinder nicht mit den Batterien spielen.
• Die Batterie darf nur von einem Erwachsenen ausgetauscht werden.
• Die Polarität beachten +/-
• Batterieenden nicht in direkten Kontakt bringen.
• Bei längerem Nichtbenutzen des Fahrzeuges, Batterie herausnehmen.
• Batterie nicht ins Feuer werfen.
• Keinesfalls versuchen, entladene Batterien wieder aufzuladen.
• Entladene Batterien dürfen nur über Batterie-Sammelstellen entsorgt werden.
Dieses Produkt entspricht der Sicherheitsnorm EN 71 für Mechanische Sicherheit
und der EN 50088 für elektrischer Sicherheit; es entspricht nicht der
Straßenverkehrszulassungsordnung und darf daher nicht auf öffentlichen Straßen
benutzt werden.
INSTANDHALTUNG UND WARTUNG
• Regelmäßig den Zustand des Fahrzeuges prüfen, vor allem die Elektroanlage,
die Steckerverbindungen, die Schutzhauben und das Ladegerät.
Bei festgestellten Schäden dürfen das Elektrofahrzeug und das Ladegerät nicht
mehr benutzt werden. Für Reparaturen nur Original-PEG PEREGO Ersatzteile
verwenden.
• PEG PEREGO übernimmt keine Garantie bzw. Haftung, sofern die elektrische
Anlage verändert worden ist,bzw. keine PEG PEREGO-Original-Ersatzteile
eingesetzt worden sind!
• Die Batterien oder das Fahrzeug nicht in der Nähe von Wärmequellen, z.B.
Heizkörpern, Kaminen, usw. abstellen.
• Das Fahrzeug vor Wasser, Regen, Schnee usw. schützen.
• Beim Einsatz des Faharzeuges unter Überlastbedingungn, z.B. auf weichem
Sand, Schlamm oder unter schwierigen Geländebedingungen, schaltet der
Überlastschalter sofort die Leistung ab. Die Stromzuführung wird nach einigen
Sekunden wieder aufgenommen.
• Regelmäßig die beweglichen Teile wie Lager, Lenkrad usw. mit einem leichten Öl
schmieren.
• Die Oberfläche des Fahrzeugs kann mit einen feuchten Tuch und wenn
notwendig, mit Wasch- oder Spülmitteln gereinigt werden. Die Reinigung sollte
ausschließlich durch Erwachsene erfolgen.
• Ohne vorherige Genehmigung seitens PEG PEREGO ist das Abmontieren der
Fahrzeugmechanismen oder der Motoren untersagt.
Nach EN 50088
Wiederlaufbare Batterie 12V 7Ah mit Bleiversiegeltung
2 Motoren je 140W
SICHERHEITSHINWEISE
ACHTUNG! DIE ÜBERWACHUNG SEITENS EINES ERWACHSENEN IST UNERLÄSSLICH.
• Aufgrund der funktionellen Gegebenheiten und der Größe ist das Fahrzeug für
Kinder mit einem Alter von unter 36 Monaten nicht geeignet.
• Das Fahrzeug darf nicht auf öffentlichen Straßen und Parkplätzen benutzt
werden. Wege mit starkem Gefälle und Treppen sind nicht zu befahren Die Nähe
von Wasserläufen und Schwimmbecken ist zu meiden.
• Beim Gebrauch des Fahrzeuges müssen die Kinder immer Schuhe tragen.
• Beim Betrieb des Fahrzeuges darauf achten, daß die Kinder weder Hände, Füße
oder andere Körperteile, noch Kleidungsstücke oder andere Gegenstände in die
Nähe der sich bewegenden Teile bringen.
• Die Teile des Fahrzeuges, z.B. Motor, die elektriche Anlage, Tasten usw. nie mit
Wasser in Berührung bringen.
• Benzin oder andere entflammbare Stoffe nicht in der Nähe des Fahrzeuges
benutzen.
• Le véhicule est assembler seulement pour un enfant.
VERGNÜGEN OHNE UNTERBRECHUNG: halten Sie immer einen Satz
einsatzbereiter Batterien bereit.
Für die Sicherheit Ihres Kindes: Bitte lesen und befolgen Sie die nachstehenden
Anweisungen, bevor Sie das Fahrzeug benutzen.
• ACHTUNG:
Sicherstellen, dass alle Radbefestigungsbolzen fest angezogen sind.
2. GESCHWINDIGKEIT
Am Anfang ist es ratsam, nur die 1.Geschwindigkeit zu nutzen. Bevor das Motorrad
auf die 2. Geschwindigkeit eingestellt wird, muss sichergestellt sein, daß das Kind
eine gewisse Fahrsicherheit erworben hat.
• 1. GESCHWINDIGKEIT (für anfänger):
Mit beiden Händen auf dem Lenkrad das Fahrpedal drücken; das Fahrzeug fährt
mit einer niedrigen Geschwindigkeit von ungefähr 3,2 km/h an.
• 2. GESCHWINDIGKEIt (für fortgeschrittene):
Mit beiden Händen auf dem Lenkrad das Fahrpedal drücken; das Fahrzeug fährt
mit einer Geschwindigkeit von ungefähr 6,3 km/h an.
• RÜCKWÄRTSGANG:
Mit einer Hand der Ganghebel niederdrücken. Mit der anderen Hand auf der
Lenkrad mit dem Fuß das Fahrpedal drücken. Das Fahrzeug fährt mit einer
Stundengeschwindigkeit vor ungefähr 4 km/h rückwärts.
• BREMSE:
Die mit elektrischer Bremse ausgestatteten Fahrzeuge bleiden automatisch
stehen, sobald der Fuß von genommen wird
Zeigen Sie Ihrem Kind den korrekten Umgang mit dem Fahrzeug für ein sicheres
und unterhaltsames Spiel.
• Sich vor dem Anfahren vergewissern, daß der Bewegungsradius frei von
Personen und Gegenständen ist.
• Während der Fahrt die Hände auf dem Lenker lassen und immer auf den
Fahrweg schauen.
• Rechtzeitig bremsen, um Auffahren zu vermeiden.
• Die 2. Geschwindigkeit erst einstellen, wenn das Kind die Fahrt mit der
1.Geschwindigkeit, den Gebrauch des Rückwärtsganges und der Bremse sicher
erlernt hat.
• ACHTUNG! Bei der ersten Geschwindigkeit ist das Fahzeug wie die echten Autos
mit Differentialeffekt versehen: auf ebenen Flächen und mit nur einen Kind
Können die Räder verschiedene Geschwindigkeiten haben, d.h. sie können
unterschiedlich gleiten/bremsen.
DAS FAHRZEUG FUNKTIONIERT NICHT?
• Die korrekte Verbindung der Kabel unter dem Gaspedal überprüfen.
• Die Funktion der Drucktaste des Fahrpedals kontrollieren und bei Bedarf diese
ersetzen.
• Prüfen ob die Batterie mit dem Motor verbunden ist.
DAS FAHRZEUG LÄUFT LANGSAM?
• Die Batterien laden. Sollte die Schwierigkeit auch bei neugeladenen Batterien
bestehen, diese und das Ladegerät von einer Kundendienststelle kontrollieren
lassen.
WARTUNG UND SICHERHEIT FAHRZEUG
REGELN FÜR EINE SICHERE FAHRT
PROBLEMATIK?
ESPAÑOL
•PEG PEREGO® le agradece que haya elegido este producto.
Hace más de 50 años que PEG PEREGO lleva a pasear a los niños: al nacer, con sus
famosos coches-cuna y coches de paseo, después con los fantásticos vehículos de
juguete a pedal y con batería.
•Lea atentamente este manual de instrucciones para familiarizarse con el uso del
modelo y enseñar a su niño un modo de conducir correcto, seguro y divertido.
Conserve después el manual para cualquier consulta futura.
•Nuestros juguetes respetan los requisitos de seguridad previstos por el Consejo
de la EEC y por el “U.S. Consumer Toy Safety Specification” y están aprobados por
el T.Ü.V.
•Peg Perego podrá modificar los modelos descritos en este prospecto, por razones
técnicas o comerciales.
Años 3-8
ATENCIÓN: NO SE ACONSEJA SU USO A MENORES DE 3 AÑOS.
ATENCIÓN: ANTES DE UTILIZAR EL PRODUCTO, LEER TODAS LAS INSTRUCCIONES.
PEG PEREGO ofrece un servicio de asistencia post-ventat, directamente o a través
de una red de centros de asistencia técnica autorizados (véase la lista adjunta),
para eventuales reparaciones o substituciones y venta de recambios originales.
Para contactar con los centros de asistencia véase la parte de atrás de la cubierta
SERVICIO DE ASISTENCIA
de este manual de instrucciones.
REQUIERE ENSAMBLAMIENTO DE UN ADULTO.
AL GUNOS COMPONENTES AL SER ENSAMBLADOS PODRIAN TENER PARTES
PEQUEÑAS.
PUNTAS FILOSAS QUE PUDEN SER PERJUDICIAL.
MONTAJE
1 • Destornillar el tornillo de seguridad de la puerta del espacio para la batería.
2 • Apretar hacia abajo la lengüeta, como muestra la figura.
3 • Desenganchar y abrir la puerta.
4 • Colocar el grupo del capó sobre la base del vehículo introduciendo los cuatro
ganchos (colocados debajo de las luces) en los relativos agujeros.
5 • Antes de completar la fijación del capó, asegurarse que la parte inferior de la
palanca de cambio (visible desde debajo del salpicadero) esté colocada como
marca la figura (ver detalle E). NOTA: en el recuadro pequeño se representa el
correcto enganche de la pieza.
6 • Completar la fijación del grupo del capó apretando hacia abajo. Asegurarse
que se haya enganchado en los puntos indicados por las flechas. Volver a
cerrar la puerta del espacio para la batería.
7 • Introducir la barra-volante con su parte final orientada como muestra la figura
(ver detalle en la Fig. 8).
8 • Sección del recorrido de la barra-volante.
A: tirante volante de las ruedas;
B: espacio para la batería;
C: salpicadero
9 • Unir las dos partes del volante.
10 • Introducir el volante sobre la barra-volante alineando los respectivos
agujeros.
11 • Fijar el volante con el relativo tornillo y dado. ATENCIÓN: el dado se fija en el
agujero hexagonal, el tornillo en el agujero circular.
12 • Colocar el grupo de luces introduciendo las lengüetas posteriores en los 2
agujeros del parabrisas.
13 • Completar el enganche apretando en el centro hasta oír un clic.
14 • Antes de colocar el asiento, controlar que los hilos del motor estén bien
conectados.
15 • Pasar la funda del asiento tal y como muestra la figura.
16 • Extender la funda del asiento trabándola detrás del respaldo.
17 • Completar la fijación en la parte anterior.
18 • Colocar el asiento introduciendo los dos ganchos posteriores en los agujeros
de la carrocería. hasta la primera muesca (véase el detalle dentro del círculo).
19 • Completar la fijación del asiento introduciendo hasta el enganche el perno,
colocado debajo, en el segundo orificio indicado por la flecha. ¡Cuidado! el
asiento está preparado para ser fijado en dos posiciones diferentes según la
altura del niño. Si el asiento está demasiado hacia delante, antes de seguir con
las otras operaciones de montaje, desplazar el asiento en la segunda posición
como ilustran las figuras 25 y 26.
20 • Introducir el compartimiento portaobjetos detrás del asiento.
21 • Fijar el compartimiento portaobjetos con el tornillo que se entrega en
dotación.
22 • Aplicar las rejillas de la roll-bar como muestra la figura.
23 • Colocar la roll-bar introduciendo en primer espacio las lengüetas anteriores
en los agujeros de la carrocería.
24 • Fijar la roll-bar con los dos tornillos incluidos.
25 • Si hay que desplazar el asiento en la segunda posición, seguir los siguientes
pasos: Empujar el asiento hacia fuera para desengancharlo del retén de
debajo. Hacer la misma operación por el otro lado.
26 • Subir el asiento en la parte delantera y empujarlo hacia detrás hasta que se
enganche la segunda muesca (véase el detalle en el círculo). Completar la
fijación enganchando el primer orificio del asiento (por ambos lados) en la
parte delantera.
27 • Introducir en los cortes de los guardabarros las dos lengüetas de las
plataformas. ATENCIÓN: las dos plataformas son diferentes; colocar en el lado
izquierdo del vehículo la plataforma marcada en su interior con una letra S y
en el lado derecho la marcada con la letra D.
28 • Girar hacia abajo la plataforma para bloquearla (1) y apretar en los dos puntos
indicados por las flechas (2).
29 • Aplicar a presión los soportes de la plataforma.
30 • Aplicar hasta que salte el mecanismo la matrícula en la parte posterior del
vehículo.
31 • Aplicar hasta que salte el mecanismo la luz de la matrícula en la parte
posterior del vehículo.
32 • Para aplicar las luces posteriores, introducir en los agujeros de la carrocería la
lengüeta superior y después girar la luz en el sentido de la flecha. Las dos luces
deben quedar como se indica en el recuadro A.
33 • Apretar para completar la fijación.
34 • Antes del montaje de las luces, poner los adhesivos n° 4s y 4d en el
parachoques anterior en coincidencia con los cuatro agujeros (ver esquema
A). Montar las luces como muestra la figura.
35 • Colocar la rejilla anterior introduciéndola en las tres lengüetas de la
carrocería. Girar en el sentido de la flecha.
36 • Apretar para completar la fijación.
37 • Aplicar a presión el tapón del depósito.
38 • Quitar el tornillo de la puertecita del lado derecho del salpicadero.
39 • Inserte dos pilas de 1,5 Volt (no suministradas). ATENCIÓN: no usar pilas
recargeable.
40 • Volver a poner la puertecita y fijarla volviendo a atornillar el tornillo.
41 • Abrir el espacio para la batería.
42 • Conectar los dos enchufes.
43 • Volver a cerrar la puerta del espacio para la batería reatornillando el tornillo
de seguridad.
44 • MICRÓFONO: presionando el pulsador del micrófono, se accionan los sonidos
electrónicos.
45 • PALANCA DEL CAMBIO: 1: primera velocidad de marcha. 2: segunda velocidad
de marcha. R: marcha atrás.
46 • SEGUNDA VELOCIDAD. Nota: la palanca de cambios está dotada de un
bloqueo de seguridad para la segunda velocidad ya ensamblado en la
INSTRUCCIONES DE MONTAJE
palanca de cambios. Cuando está colocado, como muestra la figura, el
vehículo va sólo a la velocidad más baja y en marcha atrás.
47 • Una vez que el niño ha aprendido a utilizar el vehículo, se puede pasar a la
segunda velocidad. Destornillar el tornillo de fijación y seguir las siguientes
instrucciones.
48 • Girar 180º el bloqueo de velocidad.
49 • Volver a colocarlo en la palanca de cambios y reatornillar el tornillo.
50 • Con la placa en esta posición, el vehículo puede viajar incluso a la velocidad
más alta. Para viajar en segunda velocidad, bajar la palanca de cambios.
51 • PEDAL ACELERADOR / FRENO ELÉCTRICO: levantando el pie, el freno se
pondrá en funcionamiento automáticamente.
CAMBIO DE LA BATTERÍA
52 • Destornillar el tornillo y abrir la tapa del espacio para la batería. Desconectar
los enchufes apretando por los lados.
53 • Sacar el sujetabatería.
54 • Extraer y cambiar la batería. Volver a colocar el sujetabatería, reconectar los
dos enchufes y cerrar todo atornillando el tornillo de seguridad.
CARGA DE LA BATERÍA
ATENCIÓN: LA OPERACIÓN DE CARGA DE LA BATERÍA ASÍ COMO CUALQUIER
INTERVENCIÓN ELÉCTRICA, DEBEN SER REALIZADAS ÚNICAMENTE POR ADULTOS.
LA BATERIA DEBE SACARSE DEL JUEGO ANTES DE CARGARSE.
SÓLO PARA EL BRASIL: TENSIÓN DEL CARGADOR: 127V - 60 HZ. OBSERVACIÓN: NO
UTILIZAR EL CARGADOR DE LA BATERÍA CON UNA TENSIÓN DE 220V.
55 • Desconectar el enchufe A de la instalación eléctrica del enchufe B de la
batería apretando por los lados.
56 • Introducir el enchufe del cargador de baterías en una toma doméstica
siguiendo las instrucciones adjuntas. Conectar el enchufe B con el enchufe C
del cargador de baterías. Una vez acabada la carga, sacar el cargador de
batería de la toma doméstica, después desconectar el enchufe C del enchufe
B.
57 • Introducir a fondo, hasta que salte el mecanismo, el enchufe B en el enchufe
A. Una vez acabadas las operaciones acordarse de cerrar la puerta del espacio
para la batería con el tornillo.
Antes de utilizar el vehìculo por primera vez, cargar las baterìas durante 18 horas.
No respetar este procedimiento podrìa causar daños irreversibles a la baterìa,
anulando su garantìa.
ADVERTENCIAS
No mezcle baterías viejas y nuevas. Las baterías deben ser cargadas sólo por
personas adultas.
No deje que los niños jueguen con las baterías.
CARGA DE LAS BATERÍAS
• Cargar la batería siguiendo las instrucciones incluidas en el cargador y no
superar en ningün caso las 24 horas. No respetar estostiempos puede acortar la
vida de las baterías.
• Cargue las baterías a tiempo, apenas el vehículo pierda velocidad. De este modo
se evitarán otros daños.
• Si el vehículo se queda sin usarlo por largo tiempo, recuérdese de cargar la
batería y de mantenerla desconectada de la instalación; repita la operación de
carga al menos cada tres mees.
• La batería no debe recargarse en posición invertida.
• ¡No se olvide de las baterías que se están cargando! Contrólelas periódicamente.
• Use sólo el cargador en dotación y las baterías originales PEG PEREGO.
• Inserte las baterías con la correcta polaridad.
• Las baterías están selladas y no necesitan de mantenimiento.
ATENCIÓN
• LAS BATERÍAS CONTIENEN SUBSTANCIAS TÓXICAS CORROSIVAS.
NO SE DEBEN MANIPULAR ABUSIVAMENTE.
• Las baterías contiene electrolita de base ácida.
• No provoque el contacto directo entre los terminales de la batería, evite choques
fuertes: riesgo de explosión o incendio.
• Mientras se están cargando, las baterías producen gas. Cárguelas en un lugar
bien ventilado, lejos de fuentes de calor y materiales inflamables.
• Las baterías agotadas se deben sacar del vehículo.
• No coloque las baterías sobre prendas porque se podrían dañar.
SI HAY UNA PÉRDIDA
Protéjase los ojos. Evite el contacto directo con la electrolita: proteja sus manos.
Ponga la batería en una bolsa de plástico y siga las instrucciones para la
eliminación de baterías.
SI PIEL Y OJOS ENTRAN EN CONTACTO CON LA ELECTROLITA
Lave abundantemente con agua corriente la parte tocada.
Consultar un médico inmediatamente.
SI LA ELECTROLITA SON INGERIDOS
Tome pequeños sorbos de agua, leche de magnesia o clara de huevo.
No provocar el vómito.
Consultar un médico inmediatamente.
ELIMINACIÓN DE BATERÍAS
Contribuya a salvaguardar el medio ambiente.
Las baterías usadas no se deben tirar junto con la basura doméstica.
Se pueden entregar a un centro de recolección de baterías usadas o de eliminación
de residuos especiales; infórmese en su Ayuntamiento.
No mezcle baterías viejas y nuevas.
Las baterías deben ser cargadas sólo por personas adultas.
No deje que los niños jueguen con las baterías.
MANTENIMIENTO Y SEGURIDAD BATERÍAS
PORTUGUÊS
ADVERTENCIAS PILA 1,5 VOLTIOS
La colocación de la batería debe ser efectuada y supervisada sólo por adultos.
No deje que los niños juegen con las baterías.
• La baterìa debe ser sostituida por un adulto.
• Respetar la polaridad +/-
• No juntar pilas con partes metàlicas; riesgo de incendio o axplosiòn.
• Retirar siempre la pila cuando el jugguete no sea utilisado durante un largo
periodo.
• No tirar la pila al fuego.
• No intentar nunca recargar la pila.
• Tirar la pila descargada en los contenedores correspondientes para reciclaje de
batería usadas.
Este producto ha sido fabricado conforme a las Normas de Seguridad EN 71 y a las
Normas de Seguridad para los juguetes eléctricos EN 50088; pero no con las
disposiciones del Reglamento del Tránsito en la calle y por lo tanto no puede
circular en vías públicas.
MANTENIMIENTO Y CUIDADOS
• Controle periódicamente el estado del vehículo, en especial la instalación
eléctrica, las conexiones de los enchufes, las caperuzas de protección y el
cargador. En caso de defectos comprobados, el vehículo eléctrico y el cargador
no deben utilizarse. Para las reparaciones utilizar sólo piezas de recambio
originales PEG PEREGO.
• PEG PEREGO no asume ninguna responsabilidad en caso de uso indebido de la
instalación eléctrica.
• No deje las baterías o el vehículo cerca de fuentes de calor como caloríferos,
chimeneas, etc.
• Proteja el vehículo contra el agua, lluvia, nieve, etc.
• Si el vehículo funciona en condiciones de sobrecarga, por ejemplo sobre arena
blanda, barro o terrenos muy accidentados, el interruptor de la sobrecarga
contará inmediatamente la potencia. El sumunistro de corriente se readunará
después de algunos segundos.
• Lubricar periódicamente (con aceite liviano) las partes móviles como cojinetes,
dirección, etc.
• Las superficies del coche deben limpiarse con un paño húmedo y, si es
necesario, con productos adecuados de uso doméstico. Las operaciones de
limpieza deben ser realizadas únicamente por adultos.
• No desmonte nunca los mecanismos del vehículo o los motores, sin autorización
de la PEG PEREGO.
Conforme a EN 50088
battería recargable da 12V 7Ah con plomo cerrato
2 motor 140W
SEGURIDAD
¡ATENCIÓN! LA SUPERVISIÓN DE UN ADULTO ES SIEMPRE NECESARIA.
• No apto para niños menores de 36 meses por sus características funcionales y
dimenciones.
• No usar el vehículo en vías públicas, donde hay tránsito y coches estacionados,
en pendientes fuertes, cerca de escaleras, canales y piscinas.
• Los niños deben usar siempre zapatos durante el uso del vehículo.
• Cuando el vehículo está funcionando, preste atención para que los niños no
metan manos, pies u otras partes del cuerpo, indumentarias u otras cosas, cerca
de las partes en movimiento.
• No mojar nunca los componentes del vehículo como motores, instalaciones,
botones, etc.
• No usar gasolina u otras substancias inflamables cerca del vehículo.
• El vehículo está construido para un solo niño.
DIVERSIÓN SIN INTERRUPCIONES: tenga siempre un juego de baterías cargadas
de recambio listo para el uso.
Para la seguridad del niño: antes de accionar el vehículo, lea y siga atentamente
las siguientes instrucciones.
• ATENCIÓN:
Controlar que todos los bullones de fijación estén bien sujetos.
2ª VELOCIDAD
Al comienzo se aconseja utilizar la 1a marcha.
Antes de utilizar la 2a velocidad, verificar que el niño haya aprendido a manejar
bien el vehículo.
• 1ª VELOCIDAD (para principiantes):
Con ambas manos sobre el volante, pisar el pedal del acelerador; el vehículo se
pone en marcha a una velocidad reducida de aproximadamente 3,2 km/h.
• 2ª VELOCIDAD (para expertos):
Con ambas manos sobre el volante, pisar el pedal del acelerador; el vehículo se
pone en marcha a una velocidad de aproximadamente 6,3 km/h.
• MARCHA ATRÁS :
Bajar con una mano la palanca del cambio. Colocar la otra mano sobre el volante
y pisar el acelerador. El vehículo retrocede a una velocidad de aproximadamente
4 km/h.
• FRENO:
El sistema eléctrico de frenado bloquea automáticamente el vehículo cuando se
levanta el pie del pedal del acelerador.
Enséñe a su niño el uso correcto del vehículo para que maneje en condiciones
de seguridad y se divierta.
• Antes de partir, verifique que el recorrido esté libre de personas o cosas.
REGLAS PARA CONDUCIR EN CONDICIONES DE SEGURIDAD
•A PEG PEREGO agradece por você ter escolhido este produto.
Há mais de 50 anos que a PEG PEREGO leva as crianças para passear: logo ao
nascer, com seus famosos carros berço e carros passeio, depois com os fantásticos
veículos de brinquedo, a pedal e a bateria.
•Leia atentamente este manual de instruções para familiarizar-se com o uso do
modelo e ensinar seu filho a conduzi-lo de forma correta, segura e divertida.
Depois conserve o manual para qualquer futura consulta.
•Nossos brinquedos estão em conformidade com os requisitos de segurança
previstos pelo Conselho da EEC e pelo "U.S.Consumer Toy Safety Specification" e
aprovados pelo T.Ü.V.
•A Peg Perego poderá apresentar, a qualquer momento, modificações nos
modelos descritos neste prospecto, por razões de natureza técnica ou comercial.
3 a 8 Anos
ATENÇÃO: NÃO RECOMENDÁVEL PARA MENORES DE 3 ANOS.
ATENÇÃO: LEIA TODAS AS INSTRUÇÕES ANTES DE USAR O PRODUTO.
A PEG PEREGO oferece um serviço de assistência pós-venda, direta ou através de
uma rede de postos de assistência técnica autorizada, para eventuais reparos ou
substituições e venda de peças originais. Para procurar os centros de assistência
veja atrás da capa do presente manual de instruções.
ATENÇÃO: AS OPERAÇÕES DE MONTAGEM DEVEM SER FEITAS SOMENTE POR
ADULTOS.
PRESTE ATENÇÃO AO RETIRAR O VEÍCULO DA EMBALAGEM.
TODOS OS PARAFUSOS ENCONTRAM-SE EM UM SAQUINHO NO INTERIOR DA
EMBALAGEM.
MONTAGGIO
1 • Desatarraxar o parafuso de segurança da portinhola do compartimento da
bateria.
2 • Pressionar para baixo a lingueta como mostra a figura.
3 • Desenganchar e abrir a portinhola.
4 • Posicionar o grupo do capôt sobre a base do veículo inserindo os quatro
ganchos (situados embaixo dos farois) nos próprios furos.
5 • Antes de completar a fixação do capôt, assegurar-se que a parte inferior da
alavanca de mudanças (visível por debaixo do painel) seja posicionada como
na figura (ver o particular E). NOTA: no quadrinho, é representado o enganche
errado da peça.
6 • Completar a fixação do grupo do capôt pressionando-o para baixo. Assegurar-
se que seja enganchado nos pontos indicados pelas setas. Fechar a portinhola
do compartimento da bateria.
7 • Inserir a haste do volante com a parte terminal orientada como na figura (ver
o particular na fig.8).
8 • Secção da corrida da haste do volante. A= tirante da direcção das rodas B=
compartimento da bateria C= painel.
9 • Unir as duas partes do volante.
10 • Inserir o volante sobre a haste do volante alinhando os respectivos furos.
11 • Fixar o volante com o próprio parafuso e porca. ATENÇÃO: a porca se fixa no
furo hexagonal, o parafuso naquele circular.
12 • Posicionar o grupo dos farois inserindo as linguetas posteriores nos 2 furos do
pára-brisa.
13 • Completar o enganche pressionando ao centro até sentir o clik.
14 • Antes de posicionar a cadeira, controlar que os fios do motor estejam bem
ligados.
15 • Enfiar a cobertura da cadeira como na figura.
16 • Apanhar a cobertura da cadeira e calçá-la por de trás das costas.
17 • Completar a fixação sobre a parte anterior.
SERVIÇO DE ASSISTÊNCIA
INSTRUÇÕES DE MONTAGEM
MANTENIMIENTO Y SEGURIDAD VEHICULO
• Manejar con las manos sobre el volante y mirar siempre el camino.
• Frenar a tiempo para evitar choques.
• Insertar la 2a velocidad solamente cuando el niño ha aprendido correctamente
a usar el manillar, la primera velocidad y el freno.
• ¡ATENCIÓN! en primera velocidad, el vehículo está dotado de efecto diferencial
como los verdaderos automóviles: en terrenos lisos y con un solo niño, las dos
ruedas pueden tener velocidades diferentes con posibilidad de
patinaje/deceleración de las mismas.
¿EL VEHÍCULO NO FUNCIONA?
• Verificar que no haya cables desconectados debajo de la placa del acelerador.
• Controlar el funcionamiento del pulsador del acelerador y eventualmente
sustituirlo.
• Controlar que la batería esté conectada a la instalación eléctrica.
¿EL VEHÍCULO NO TIENE POTENCIA?
• Cargar las baterías. Si después de cargables el problema persiste hacer controlar
las baterías y el cargabaterías en un centro de asistencia.
¿PROBLEMAS?
18 • Posicionar a cadeira inserindo os dois ganchos posteriores nos furos da
carcaça até chegar no primeiro entalhe (ver o particular no redondo).
19 • Completar a fixação da cadeira pressionando até enganchar o pino substante
no segundo furo (indicado pela seta). Atenção, a cadeira é predisposta para
ser fixada em duas posições diversas de acordo com a altura da criança. No
caso em que a cadeira resulte muito pra frente, antes de prosseguir com as
outras operações de montagem, deslocar a cadeira na segunda posição como
resulta ilustrado nas figuras 25 e 26.
20 • Inserir o recipiente porta-objectos por de trás da cadeira.
21 • Fixar o recipiente porta-objectos na cadeira com o parafuso em dotação.
22 • Aplicar as grelhas do roll-bar como na figura.
23 • Posicionar o roll-bar inserindo antes as linguetas anteriores nos furos da
carcaça.
24 • Fixar o roll-bar com os dois parafusos fornecidos.
25 • No caso da necessidade de deslocar a cadeira na segunda posição, agir como
em seguida. Empurrar a cadeira para o externo para desenganchá-lo do fecho
que está embaixo. Efectuar a mesma operação do outro lado.
26 • Levantar a cadeira pela parte anterior e empurrá-la para trás até enganchar no
segundo entalhe (ver o particular no redondo). Completar a fixação
enganchando o primeiro furo da cadeira (de ambos os lados) na parte
anterior.
27 • Inserir nos cortes dos pára-lamas as duas linguetas dos estribos. ATENÇÃO: os
dois estribos são diversos entre eles; posicionar sobre o lado esquerdo do
veículo o estribo marcado ao interno com a letra S e sobre o lado direito
aquile marcado com a letra D.
28 • Rodar para baixo o estribo para bloqueá-lo (1) e pressionar nos dois pontos
indicados pelas setas (2).
29 • Aplicar fazendo pressão os suportes do estribo.
30 • Aplicar a impulso a placa por de trás do veículo.
31 • Aplicar a impulso a luz da placa por de trás do veículo.
32 • Para aplicar os faróis posteriores, inserir nos furos da carcaça a lingueta
superior e logo após rodar o farol no sentido da seta. Os dois faróis devem
resultar como indicado no quadrinho A.
33 • Pressionar para completar a fixação.
34 • Antes da montagem dos faróis, aplicar os adesivos n° 4s e 4d sobre o pára-
choques anterior em coincidência dos quatro furos (ver o esquema A). Montar
os faróis como mostra a figura.
35 • Posicionar a grelha anterior inserindo-la nas três linguetas da carcaça. Gira-la
no sentido da seta.
36 • Pressionar para completar a fixação.
37 • Aplicar a tampa do tanque fazendo pressão.
38 • Desatarraxar o parafuso da portinhola situado ao lado direito do painel.
39 • Inserir duas pilhas de tipo AA de 1,5 V –Não Fornecidas– na própria sede
respeitando a justa polaridade.
ATENÇÃO: não usar pilhas recarregáveis.
40 • Reposicionar a portinhola e fixá-la atarraxando o parafuso.
41 • Abrir o compartimento da bateria.
42 • Conexar as duas tomadas.
43 • Fechar novamente a portinhola do compartimento da bateria reatarraxando
o parafuso de segurança.
44 • Microfone: pressionando o botão sobre o microfone se activam os sons
electrónicos.
45 • ALAVANCA DE MUDANÇAS: 1: primeira velocidade de marcha. 2: segunda
velocidade de marcha. R: marcha atrás.
46 • SEGUNDA VELOCIDADE: Nota: a alavanca de mudanças é provida de um bloco
de segurança para a segunda velocidade já montado na alavanca de
mudanças. Quando é posicionado como na figura, o veículo marcha só com a
velocidade mais baixa e para trás.
47 • Uma vez que a criança aprendeu a utilizar bem o veículo, se pode passar ao
uso da segunda velocidade. Desatarraxar o parafuso de fixação e seguir as
instruções seguintes.
48 • Rodar o bloco da velocidade de 180°.
49 • Reposicioná-lo sobre a alavanca de mudanças e reatarraxar o parafuso.
50 • Com a chapinha nesta posição, o veículo pode viajar também na velocidade
mais alta. Para viajar em segunda velocidade abaixar a alavanca de mudanças.
51 • Pedal acelerador/freio eléctrico: levantando o pé, o freio entrará em função
automaticamente.
SUBSTITUIÇÃO DA BATERIA
52 • Desatarraxar o parafuso e abrir a tampa do compartimento da bateria.
Desconexar as tomadas pressionando-as lateralmente.
53 • Extrair o fixador da bateria.
54 • Extrair e substituir a bateria. Reposicionar o fixador da bateria, reconexar as
tomadas e fechar novamente tudo reatarraxando o parafuso de segurança.
CARGA DA BATERIA
ATENÇÃO: A CARGA DA BATERIA E QUALQUER INTERVENÇÃO NA INSTALAÇÃO
ELÉTRICA DEVEM SER FEITAS SOMENTE POR ADULTOS.
TENSÃO DO CARREGADOR: 127V - 60Hz.
OBSERVAÇÃO: NÃO LIGAR O CARREGADOR DA BATERIA EM TENSÃO DE 220V.
55 • Desconexar a tomada A do sistema eléctrico da tomada B da bateria
pressionando lateralmente.
56 • Inserir a tomada do carregador de baterias em uma tomada de parede
seguindo as instruções anexadas. Ligar a tomada B com a tomada C do
carregador de baterias. Uma vez terminada a carga da bateria na tomada de
parede, desconexar a tomada C da tomada B.
57 • Inserir profundamente, até o impulso, a tomada B na tomada A. Uma vez
terminadas as operações lembre-se sempre de fechar e fixar a tampa do
compartimento da bateria.
Antes de utilizar o veículo pela primeira vez, carregue as baterias por 18 horas.
Não respeitar este procedimento poderá causar danos irreversíveis à bateria.
ADVERTÊNCIAS
A carga das baterias deve ser feita e supervisionada somente por adultos.
Não deixe que as crianças brinquem com as baterias.
CARGA DA BATTERIA
• Carregue a bateria seguindo as instruções anexas ao carregador de baterias e
nunca ultrapasse as 24 horas.
• Carregue a bateria sempre que o veículo perder velocidade. Deste modo se
evitarão outros danos.
• Se você não utilizar o veículo por um longo período de tempo, mantenha a
bateria desconectada da instalação; lembre-se de recarregá-la pelo menos a
cada três meses.
• A bateria não deve ser carregada em posição invertida.
• Não se esqueça das baterias enquanto estão sendo carregadas! Verifique-as
periodicamente.
• Use somente o carregador de bateria incluído e as baterias originais PEG
PEREGO.
• Não misture baterias novas com velhas. As baterias devem ser inseridas com a
polaridade na posição correta.
• As baterias são lacradas e não necessitam de manutenção.
ATENÇÃO
• AS BATERIAS CONTÊM SUBSTÂNCIAS TÓXICAS CORROSIVAS.
NÃO DEVEM SER MANUSEADAS.
• As baterias contêm eletrólito em base ácida.
• Não provoque contato direto entre as extremidades da bateria; evite batidas
fortes: risco de explosão e/ou incêndio.
• Durante a carga, a bateria produz gás. Carregue a bateria em um local bem
ventilado, longe de fontes de calor e materiais inflamáveis.
• As baterias descarregadas devem ser retiradas do veículo.
• Não é aconselhável apoiar as baterias sobre roupas; podem ser danificadas.
EM CASO DE VAZAMENTO
Proteja os olhos; evite o contato direto com o eletrólito: proteja as mãos.
Coloque a bateria em um saco plástico e siga as instruções sobre o descarte de
baterias.
SE A PELE OU OS OLHOS ENTRAREM EM CONTATO COM O ELETRÓLITO
Lave abundantemente com água corrente a parte atingida.
Consulte um médico imediatamente.
SE O ELETRÓLITO FOR INGERIDO
Beba pequenas doses de água, leite de magnésia ou clara de ovos.
Não induza o vômito.
Consulte um médico imediatamente.
DESCARTE DE BATERIAS
Contribua para a preservação do meio ambiente.
As baterias usadas não devem ser jogadas no lixo doméstico.
Podem ser entregues a um centro de coleta de baterias usadas ou de eliminação
de resíduos especiais; informe-se em seu município.
PRECAUÇÕES PARA A PILHA DE 1,5 VOLTS
O inserimento das baterias deve ser feito e supervisionado somente por adultos.
Não deixar que as crianças brinquem com as baterias.
• As pilhas devem ser substituidas por uma pessoa adulta.
• Respeitar a polaridade +/-
• Não provocar curto-circuito nos bornes de alimentação, risco de fogo ou de
explosão.
• Retirar sempre as pilhas quando o brinquedo não for utilizado por um longo
periodo.
• Não deitar as pilhas no fogo.
• Não recarregar as pilhas jamais.
• Deitar as pilhas descarregadas nos próprios recipientes para a reciclagem das
baterias usadas.
Este produto está em conformidade com a Norma de Segurança EN 71 e com a
Norma de Segurança para brinquedos elétricos EN 50088; porém não está em
conformidade com as disposições das normas de circulação nas ruas e, portanto,
não pode circular em vias públicas.
MANUTENÇÃO E CUIDADOS
• Verifique regularmente o estado do veículo, principalmente a instalação
elétrica, as conexões dos plugues, capas de proteção e o carregador de baterias.
Em caso de defeitos comprovados, o veículo e o carregador de baterias não
devem ser utilizados.
Para os reparos, use somente peças para troca originais PEG PEREGO.
• A PEG PEREGO não assume nenhuma responsabilidade em caso de uso indevido
da instalação elétrica.
• Não deixe as baterias ou o veículo perto de fontes de calor como aquecedores,
lareiras, etc.
• Proteja o veículo da água, chuva, neve, etc.; usá-lo sobre a areia ou barro poderia
causar danos aos botões, motores e redutores.
• Se o veículo funciona em condições de sobrecarregamento, como na areia fina,
lama ou terrenos muito dificeis, o interruptor de sobrecarga removerá
imediatamente a potência. A distribuição da potência se restabelecerá depois
de alguns segundos.
• Lubrifique periodicamente (com óleo fino) as partes móveis como os eixos,
volante, etc.
• As superfícies do veículo podem ser limpas com um pano úmido e, se necessário,
com produtos de uso doméstico não abrasivos.
As operações de limpeza devem ser feitas somente por adultos.
• Nunca desmonte os mecanismos ou os motores do veículo sem a autorização
da PEG PEREGO.
Em conformidade com a EN 50088
Bateria recarregável de 12V 7Ah de chumbo lacrada.
2 motores de 140 W
MANUTENÇÃO E SEGURANÇA DAS BATERIAS
MANUTENÇÃO E SEGURANÇA DO VEÍCULO
SEGURANÇA
ATENÇÃO! É SEMPRE NECESSÁRIA A SUPERVISÃO DE UM ADULTO.
• Não é indicado para crianças menores de 36 meses por suas características
funcionais.
• Não use o veículo em vias públicas, onde houver trânsito e carros estacionados,
em declives íngremes, perto de degraus e escadas, cursos de água e piscinas.
• As crianças devem sempre usar sapatos durante o uso do veículo.
• Quando o veículo estiver funcionando, preste atenção para que as crianças não
coloquem as mãos, pés ou outras partes do corpo, roupas ou outras coisas,
perto das partes em movimento.
• Nunca molhe os componentes do veículo como motores, instalações, botões,
etc.
• Não use gasolina ou outras substâncias inflamáveis perto do veículo.
• O veículo deve ser usado exclusivamente por uma criança de cada vez.
DIVERSÃO SEM INTERRUPÇÕES: tenha sempre um jogo de baterias de reserva,
pronto para o uso.
Para a segurança da criança: antes de acionar o veículo, leia e siga atentamente as
seguintes instruções.
• ATENÇÃO:
Verifique se todos os parafusos estão bem apertados.
2ª VELOCIDADE
Inicialmente se aconselha de usar a 1ª marcha.
Antes de inserir a 2ª velocidade, assegurar-se que a criança tenha aprendido a usar
muito bem o veículo.
• 1ª VELOCIDADE (para principiantes):
Com ambas as mãos sobre o volante pressionar o pedal do acelerador; o
veículo se põe em movimento com uma velocidade reduzida de cerca 3,2
Km/h.
• 2ª VELOCIDADE (para espertos):
Com ambas as mãos sobre o volante pressionar o pedal do acelerador; o
veículo se põe em movimento com uma velocidade reduzida de cerca 6,3
Km/h.
• MARCHA ATRÁS:
Abaixar com uma mão a alavanca das mudanças. Posisicionar a outra mão
sobre o volante e pressionar com o pé o acelerador. O veículo prossegue com a
marcha atrás a uma velocidade de cerca 4 Km/h.
• FREIO:
Para freiar levantar o pé do pedal do acelerador, o freio entrará em função
automaticamente.
Ensinar a seu filho de manter um uso correcto do veículo com uma guia segura e
divertente.
• Antes de partir assegurar-se que o percurso seja livre de pessoas ou coisas.
• Guiar com as mãos sobre o volante e controlar sempre a estrada.
• Freiar com tempo onde evitar acidentes.
• Inserir a 2ª velocidade somente quando a criança aprendeu correctamente a
usar o volante, a 1ª velocidade e o freio.
ATENÇÃO! Em primeira velocidade, o veículo é dotado de efeito diferencial
como as automóveis verdadeiras: em terrenos lisos e com uma só criança, as
duas rodas podem chegar a ter velocidades diversas com possibilidade de
deslizamento/retardamento das mesmas.
O VEÍCULO NÃO FUNCIONA?
• Verificar que não existam cabos desconexados embaixos da chapa do
acelerador.
• Controlar o funcionamento do botão do acelerador e eventualmente substituí-
lo.
• Controlar que a bateria seja ligada ao sistema eléctrico.
O VEÍCULO NÃO HÁ POTÊNCIA?
• Carregar as baterias. Se depois de ter carregado o problema continua, controlar
as baterias e o carregador de baterias por um centro de assistência.
REGRAS PARA DIRIGIR COM SEGURANÇA
TÜRKÇE
• Peg Perego bu rünü tercih ettiğiniz için size teşekkür ediyor. 50 yılı aşkın
bir süredir Peg Perego çocukları gezmeye götürüyor; doğar doğmaz o
meşhur bebek arabaları ve pusetleri ile, daha sonra ise pedallı veya akülü
eşsiz oyuncak arabaları ile.
• Bu kullanım kılavuzunu, modelin kullanımına alışmak ve de çocuğunuza
doğru, güvenli ve eğlenceli sürüşü öğretmek için dikkatlice okuyunuz. Daha
sonraki herhangi bir gereksinim için kılavuzu saklayınız.
•Bizim oyuncaklarımız Avrupa Birliği Konseyinin öngördüğü güvenlik
niteliklerine ve “A.B.D.Tüketici Oyuncak Güvenliği Nitelikleri” ne uygundur
ve de T.Ü.V. tarafından onaylanmıştır.
•Peg Perego istediği zaman bu yayında tanıtılmış modellere, teknik veya
şirket içi sebeplerden dolayı değişiklik getirebilir.
3-8 Yaş
Peg Perego olası tamiratlar, değişimler ve asıl yedek parça satışları için,
doğrudan veya yetkili bayiler ağı aracılığıyla, satış sonrası destek hizmeti
vermektedir. Destek merkezlerine ulaşmak için bu kullanım kılavuzunun
arka kapağına bakınız.
DİKKAT: MONTAJ İŞLEMLERİ SADECE YETİŞKİNLER TARAFINDAN
YAPILMALIDIR.
ARACI AMBALAJINDAN ÇIKARIRKEN DİKKAT EDİNİZ. BÜTÜN
VİDALAR AMBALAJIN
İÇİNDEKİ
BİR TORBANIN
İÇİNDE
BULUNMAKTADIR.
MONTAJ
1
•
Batarya yerinin emniyet kapağının vidalarını sökün.
2
•
Dili, şekildeki gibi aşağı doğru bastırın.
3
•
Kapağı açın ve çıkarın.
4
•
Dört adet bağlantı birimini (farların altına yerleştirilen) karşılık gelen
deliklere sokarak kaporta grubunu aracın tabanına yerleştirin.
5
•
Kaportayı sabitlemeden önce vites kolunun (kontrol panelinin altından
görülebilir) şekildeki gibi (özellikle şekil E’ye bakın) yerleştirildiğinden
emin olun. NOT: Küçük resimde parçanın hatalı takılmış hali
gösterilmiştir.
6
•
Aşağı doğru bastırarak kaporta grubunu sabitleme işlemini
tamamlayın. Bağlantının oklarla gösterilen noktalardan yapılmış
olduğundan emin olun. Batarya yerinin kapağını tekrar kapayın.
7
•
Direksiyon çubuğunu, yönü şekildeki gibi olması gereken (özellikle
şekil 8’e bakın) sondaki parçasıyla birlikte takın.
8
•
Direksiyon çubuğunun bölümleri. A= tekerlek bağlantı mekanizması
B= batarya yeri C= kontrol paneli.
9
•
Direksiyonun iki bölümünü birleştirin.
10
•
Karşılıklı deliklere gelecek şekilde direksiyonu direksiyon çubuğunun
üzerine yerleştirin.
11
•
Uygun vida ve somunlarla direksiyonu sabitleyin. DİKKAT: Somunlar
altıgen deliklere, vidalar yuvarlak deliklere takılmalıdır.
12
•
Ön camın iki deliğine, arka dilleri geçirerek far grubunu yerleştirin.
13
•
Tık sesini duyana dek ortasına bastırın ve takma işlemini tamamlayın.
14
•
Koltuğu yerleştirmeden önce, motor kablolarının iyice bağlanmış olup
olmadığını kontrol edin.
15
•
Koltuk kılıfını şekildeki gibi yerleştirin.
16
•
Koltuk kılıfını iyice gerin ve sırt kısmına geçirin.
17
•
Sabitleme işlemini ön kısımda tamamlayın.
18
•
Aracın gövdesindeki deliklere koltuğun iki bağlantısını ilk oyuğa denk
gelecek biçimde (yuvarlak içinde gösterilen şekle bakın) geçirerek
koltuğu yerleştirin.
19
•
ikinci deliğin (okla gösterilen) altında yer alan mile takılıncaya kadar
bastırarak koltuğun sabitleme işlemini tamamlayın. Dikkat, koltuk
çocuğun boyuna göre iki farklı konumda sabitlenmek üzere
üretilmiştir. Şayet koltuk fazla öndeyse diğer kurma işlemlerine
geçmeden önce koltuğu şekil 25 ve 26’da gösterildiği gibi ikinci
konuma göre ayarlayın.
20
•
Eşya taşıma havuzcuğunu koltuğun arkasına takın.
21
•
Verilen vidalarla eşya taşıma havuzcuğunu koltuğa sabitleyin.
22
•
Roll-bar’ın ızgarasını şekildeki gibi takın.
23
•
Aracın gövdesindeki deliklere önce ön bağlantı birimlerini geçirerek
roll-bar’ı yerleştirin.
24
•
Verilen iki vidayla roll-bar’ı sabitleyin.
25
•
Koltuğu ikinci konuma getirmeniz gerekiyorsa şunları yapın: Alttaki
sabitleyiciden ayırmak için koltuğu dışa doğru itin. Aynı işlemi diğer
taraf için de gerçekleştirin.
26
•
Koltuğu ön kısmından kaldırın ve ikinci oyuğa (yuvarlak içinde
gösterilen şekle bakın) takılana kadar geriye doğru itin. Koltuğun ilk
deliğini (her iki yandan da) ön kısma takarak sabitleme işlemini
tamamlayın.
27
•
Ayaklığın iki dilini çamurlukların ağzına geçirin. DİKKAT: İki ayaklık
birbirinden farklıdır; aracın sol tarafına iç kısmında S harfi bulunan
ayaklığı yerleştirin; sağ kısmına da içinde D harfi yazılı olan ayaklığı
yerleştirin.
28
•
Sabitlemek için ayaklığı aşağı doğru çevirin (1) ve oklarla gösterilen iki
noktaya bastırın (2).
29
•
Ayaklık desteklerini bastırarak yerleştirin.
30
•
Aracın arkasına plakayı yerleştirin.
31
•
Aracın arkasına plaka ışığını yerleştirin.
32
•
Arka farları takmak için aracın gövdesindeki deliklere üst dilleri
geçirin ve sonra farı ok yönünde döndürün. Farlar A resminde
gösterildiği gibi takılmış olmalıdır.
33
•
Sabitleme işlemini tamamlamak için bastırın.
34
•
Farları kurmadan önce 4s ve 4d numaralı parçaları dört delikle aynı
hizada olacak biçimde (şekil A’ya bakın) ön çamurluğa yapıştırın.
DESTEK HİZMETİ
MONTAJ TALİMATLARI
PROBLEMAS?
Farları şekildeki gibi takın.
35
•
Aracın gövdesindeki üç dile geçirerek ön tamponu yerleştirin.
Tamponu ok yönünde döndürün. .
36
•
Sabitleme işlemini tamamlamak için bastırın.
37
•
Benzin deposunun kapağını takın.
38
•
Kontrol panelinin sağ tarafında yer alan kapakçığın vidalarını açın.
39
•
İçeriye, doğru kutuplara gelmesine dikkat ederek 1,5 Voltluk –ürünle
verilmemiştir- iki kalem pil yerleştirin. DİKKAT: Doldurulabilen
pillerden kullanmayın.
40
•
Kapakçığı yerine yerleştirin ve vidalarla sabitleyin.
41
•
Batarya yerini açın.
42
•
İki fişi birbirine bağlayın.
43
•
Emniyet vidalarını sıkıştırarak batarya yerinin kapağını kapayın.
44
•
Mikrofon: Mikrofonun üzerindeki düğmeye basılınca elektronik sesler
çıkar.
45
•
VİTES KOLU: 1: Birinci vites. 2: İkinci vites. R: Geri vitesi.
46
•
İKİNCİ VİTES: Not:Vites kolunda ikinci vitese geçilmesini engellemek
üzere vitese önceden yerleştirilmiş bir emniyet engeli bulunmaktadır.
Şekildeki gibi konumlandığında araç yalnızca birinci viteste ve geri
viteste hareket eder.
47
•
Çocuk araca iyice hakim olup doğru yönetmeyi tamamen kavradığında
ikinci vitesin kullanımına geçilebilir. Sabitleme vidalarını gevşetin ve
aşağıdaki talimatları izleyin.
48
•
Vites engelini 180° döndürün.
49
•
Engeli vites koluna yeniden yerleştirin ve vidalarını sıkıştırın.
50
•
Künye bu konumdayken araç daha yüksek hızlarda hareket edebilir.
Aracı ikinci viteste hareket ettirmek için vites kolunun aşağı
indirilmesi gerekir.
51
•
Gaz pedalı/elektrikli fren: Çocuk ayağını gaz pedalından çektiğinde
fren otomatik olarak devreye girer.
BATARYANIN DEĞİŞTİRİLMESİ
52
•
Batarya yerinin kapağının vidalarını çıkarın ve kapağı açın.Yan
taraflarından bastırarak fişleri birbirinden ayırın.
53
•
Batarya kabını dışarı çıkarın.
54
•
Bataryayı dışarı çıkarın ve yenisini takın. Batarya kabını tekrar
yerleştirin, fişleri birbirine bağlayın ve emniyet vidalarını sıkıştırarak
her şeyi kapayın.
BATARYANIN DOLDURULMASI
DİKKAT: BATARYANIN DOLDURULMASI VE ELEKTRİK AKSAMLA
İLGİLİ BÜTÜN UYGULAMALAR YETİŞKİNLER TARAFINDAN YERİNE
GETİRİLMELİDİR. BATARYAYI DOLDURULMADAN ÖNCE
55
•
Elektrik aksamının A fişini bataryanın B fişinden, yanlara bastırırak
ayırın.
56
•
Batarya doldurucunun fişini kullanma talimatındaki sıralamayı izleyerek
toprak hatlı bir prize sokun. B çıkışını Batarya doldurucunun C
çıkışıyla bağlayın. Batarya dolunca batarya doldurucuyu toprak hatlı
prizden çekin, daha sonra C çıkışını B çıkışından ayırın.
57
•
Yerine oturana dek B çıkışını A çıkışının içine iyice sokun. İşlemi
tamamlamak için batarya yerinin kapağının iyice sabitlenmiş ve
kapanmış olduğundan emin olun.
Aracı ilk kez kullanmadan önce bataryaları 18 saat boyunca doldurun. Bu
sürecin tamamlanmaması bataryaya geri dönüşü olmayan zararlar verebilir.
UYARILAR
Bataryaların doldurulması yalnızca yetişkinlerin gözetiminde ve yetişkinler
tarafından gerçekleştirilmelidir.
Çocukların bataryalarla oynamasına izin vermeyin.
BATARYANIN DOLDURULMASI
• Bataryayı doldurmak için batarya doldurucusuyla birlikte verilen
kullanma kılavuzuna bakın ve bu işlemin 24 saati geçmemesine dikkat
edin.
• Bataryayı araç hız kaybetmeye başlar başlamaz doldurmayın, zararlı
olabilir.
• Aracı uzun süreli olarak kullanmadığınız durumlarda bataryayı
doldurmayı ve elektrik düzeneğinden ayırmayı unutmayın; doldurma
işlemini en az ayda üç kez tekrarlayın.
• Batarya baş aşağı dönmüş şekilde doldurulmamalıdır.
• Bataryaların dolu olduğundan daima emin olun! Belirli aralıklarla kontrol
edin.
• Yalnızca araca ait batarya doldurucusunu ve orijinal PEG PEREGO
bataryalarını kullanın.
• Yeni ve eski bataryaları birlikte kullanmayın.
• Bataryalar doğru kutuplarda takılmalıdır.
• Batarya mühürlüdür ve bakım gerektirmez.
DİKKAT
• BATARYA AŞINDIRICI ZEHİRLİ ÖZLER İÇERMEKTEDİR. ÇIPLAK ELLE
DOKUNMAYIN.
• Bataryalar asit bazlı çözeltiler içermektedir.
• Bataryanın bitim noktaları arasında doğrudan teması engelleyin, kuvvetli
çarpmalardan kaçının, patlama ve/veya kaza riski doğurur.
• Batarya, doldurma işlemi sırasında gaz üretir. Bataryayı iyi havalandırılan
AKÜLERİN MUHAFAZASI VE GÜVENLİĞİ
bir mekânda doldurun. Isı kaynaklarından ve yanabilir eşyadan uzak
tutun.
• Biten bataryalar araçtan çıkarılmalıdır.
• Bataryaların giysilere yaslanması tavsiye edilmez, tehlikeli olabilir.
TEHLİKE DURUMUNDA
Gözlerinizi koruyun; çözeltilerle doğrudan temastan kaçının; ellerinizi
koruyun.
Bataryayı plastik bir torba içine koyun ve bataryaların boşaltılmasıyla ilgili
kullanma kılavuzunu takip edin.
CİLDİN YA DA GÖZLERİN ÇÖZELTİYLE TEMAS ETMESİ HALİNDE
Temas eden yeri bol suyla yıkayın.
Derhal bir doktora danışın.
ÇÖZELTİNİN YUTULMASI DURUMUNDA
Küçük yudumlarla, su, manyezi süt ya da yumurta akı için.
Kusmayı denemeyin.
Derhal bir doktora danışın.
BATARYALARIN BOŞALTILMASI
Ortamın korunmasını sağlayın.
Kullanılmış bataryalar diğer çöplerle birlikte atılmamalıdır.
Kullanılmış ya da akmış pillerin toplandığı merkezlere götürebilir ya da
böyle piller için ayrılmış çöplere atabilirsiniz; konu hakkında bilgi edinin.
1,5 VOLTLUK PİLLER İÇİN UYARI
Pillerin yerleştirilmesi yalnızca yetişkinlerin gözetiminde ve yetişkinler
tarafından gerçekleştirilmelidir. Çocukların pillerle oynamasına izin
vermeyin.
• Piller bir yetişkin tarafından değiştirilmelidir.
• +/- Kutuplara dikkat edin.
• Ara kabloların kısa devre yapmasını engelleyin; yangın ya da patlamaya
yol açabilir.
• Oyuncağın uzun süreli olarak kullanılmayacağı durumlarda daima pilleri
çıkarın.
• Pilleri ateşe atmayın.
• Pilleri asla doldurmaya çalışmayın.
• Boş pilleri, kullanılmış piller için yapılan geridönüşüm kutularına atın.
Bu ürün EN 71 Güvenlik Normu’na ve elektrikli oyuncaklar için EN 50088
Güvenlik Normu’na uygun olarak üretilmiştir; trafiğin olduğu yollarda
kullanılmaya uygun değildir ve halka açık cadde ve sokaklarda kullanılmaya
uygun değildir.
MUHAFAZA VE BAKIM
• Aracın durumunu belirli aralıklarla kontrol edin, özellikle elktrik
aksamını, çıkış bağlantılarını, koruma başlıklarını ve batarya doldurucuyu
kontrol edin. Herhangi bir şüphe halinde, elektrikli araç ve batarya
doldurucu kullanılmamalıdır. Onarım gerektiğinde yalnızca orijinal PEG
PEREGO yedek parçalarını kullanın.
• PEG PEREGO, elektrik aksamına dokunulması durumunda hiçbir
sorumluluk kabul etmez.
• Bataryaları ya da aracı, kalorifer ya da şömine v.b gibi ısı kaynaklarının
yakınında bırakmayın.
• Aracı sudan, yağmurdan, kardan v.b koruyun; aracı kum üzerinde ya da
çamurda kullanmak kumanda düğmelerine, motora ve kısıcıya zarar
verebilir.
• Aracın, yumuşak kum, çamur ya da çok gevşek toprak gibi aşırık yük
bindirecek koşullarda hareket ettirilmesi durumunda elektrik akımı ani
olarak kesilecektir. Aracın tekrar güç kazanması birkaç saniye sürecektir.
• Aracın direksiyon donanımı, koltuk kaplaması v.b gibi kısmen görünür
kısımlarını (hafif bir yağla) düzenli aralıklarla parlatın.
• Aracın yüzeyi nemli bir bezle temizlenebilir ve gerekiyorsa aşındırmayan
türden temizlik malzemeleriyle silinebilir.Temizleme işlemi yalnızca
yetişkinler tarafından grçekleştirilmelidir.
• Motorun ya da aracın, PEG PEREGO tarafından belirtilmemiş
mekanizmalarını sökmeyin.
EN 50088’e uygundur.
12V 7Ah kurşun mühürlü doldurulabilir batarya.
140 Watt 2 motor
EMNİYET SICUREZZA
DİKKAT! BİR YETİŞKİNİN GÖZETMENLİĞİ DAİMA GEREKLİDİR.
• 36 aylıktan küçük çocuklar için işlevleri uygun değildir.
• Aracı halka açık yollarda, trafiğin ya da park etmiş arabaların olduğu
yollarda, dik eğimli alanlarda, basamak ve merdiven yakınlarında, su ve
havuz kenarlarında kullanmayın.
• Aracı kullanırken çocukların ayağında mutlaka ayakkabı olması gerekir.
• Araç çalışırken, çocukların, ellerini ayaklarını ya da bedenlernin herhangi
bir kısmını hareket halindeki parçaların yakınında tutmadıklarından emin
olun.
ARACIN MUHAFAZASI VE GÜVENLİĞİ
• Aracın, elektrik aksamı, kumanda düğmesi v.b parçalarını hiçbir şekilde
ıslatmayın.
• Aracın yakınlarında benzin ya da diğer yanıcı maddeleri kullanmayın.
• Araç kesinlikle tek bir çocuk tarafından kullanılmalıdır.
HİÇ KESİNTİSİZ EĞLENCE: Hemen değiştirmek üzere, doldurulmuş bir
batarya takımını daima hazır tutun.
Çocuğun güvenliği için: Aracı çalıştırmadan önce kullanma kılavuzunu
dikkatle okuyun ve uygulayın.
• DİKKAT:
Bütün sabitleme kapakçıklarının yerlerine çok iyi yerleştiğinden emin
olun.
2.VİTES
Başlangıç için birinci vitesin kullanılması tavsiye edilir.
İkinci vitese geçmeden önce, çocuğun aracı kullanmaya iyice alıştığından
emin olunması gerekmektedir.
• 1.VİTES (yeni başlayanlar için):
Direksiyonu iki elinizle tutun, gaz pedalına basın. Araç yaklaşık olarak
saatte 3,2 Km hızla harekete geçer.
• 2.VİTES (uzmanlaşanlar için):
Direksiyonu iki elinile tutun, gaz pedalına basın. Araç yaklaşık olarak
saatte 6,3 Km hızla harekete geçer.
• GERİ VİTES:
Bir elinizle vites kolunu indirin. Diğer elinizi direksiyonun üstünde tutun
ve ayağınızla gaz pedalına basın. Araç geri viteste saatte yaklaşık olarak 4
Km hızla ilerler.
• FREN
Fren yapmak için ayak gaz pedalından çekilir. Fren otomatik olarak
devreye girer.
Çocuğunuza güvenli ve eğlenceli bir sürüş için aracın doğru kullanımını
öğretin.
• Yola çıkmadan önce parkur üzerinde insanlar ya da eşyalar
bulunmadığından emin olun.
• Direksiyon iki elle tutulur ve daima yola bakılır.
• Çarpışmaları önlemek için zamanında fren yapılır.
• İkinci vitese yalnızca, çocuk, direksiyonu, birinci vitesi ve freni kullanmayı
tam olarak doğru bir şekilde öğrenince geçilmelidir.
• DİKKAT! İlk viteste araç tıpkı gerçek otomobillerdeki gibi diferansiyel
etkisi gösterir: Kaygan zeminlerde ve araçta tek çocuk varken,
tekerlekler farklı hızlar kazanabilirler; yavaşlama/boşa dönme olasılıkları
vardır.
ARAÇ ÇALIŞMIYORSA
• Gaz pedalının altındaki kablo bağlantılarının kesilmiş olup olmadığını
kontrol edin.
• Gaz pedalının çalışıp çalışmadığını kontrol edin ve çalışmıyorsa yeni
parçayla değiştirin.
• Bataryanın elektrik aksamına takılı olup olmadığını kontrol edin.
ARAÇ GÜÇ KAYBEDİYORSA
• Bataryayı doldurun. Sorun dolumdan sonra da devam ediyorsa bataryayı
ve batarya doldurucusunu ilgili bir merkeze kontrol ettirin.
SORUN MU VAR?
PУССКИЙ
• Фирма PEG PEREGO благодарит вас за то, что вы выбрали это
изделие. Вот уже 50 лет, как фирма PEG PEREGO ходит с детьми на
прогулку: как только они рождаются - на своих знаменитых детских и
прогулочных колясках, а потом на удивительных игрушках с педалями
и на батареях.
• Внимательно прочитайте настоящую инструкцию,
чтобы
ознакомиться с моделью и научить вашего ребенка правильному,
безопасному и доставляющему удовольствие вождению. Сохраните
инструкцию для будущего использования.
• Наши игрушки соответствуют требованиям по безопасности,
предусмотренным Советом ЕЭС и спецификацией “U.S. Consumer Toy
Safety Specification”, кроме того, они одобрены организацией T.U.V.
• Фирма Peg Perego имеет право внести в любой момент изменения в
модели, описанные в настоящем издании, по причинам технического
совершенства или организации производства.
3-8 лет
Фирма PEG PEREGO предоставляет послепродажное обслуживание
непосредственно или через сеть уполномоченных сервисных центров
для выполнения ремонта, замены и продажи фирменных запасных
частей. Адреса сервисных центров смотрите на обратной стороне
обложки настоящей инструкции.
ВНИМАНИЕ: ОПЕРАЦИИ ПО СБОРКЕ ДОЛЖНЫ ВЫПОЛНЯТЬ
ТОЛЬКО ВЗРОСЛЫЕ.
БУДЬТЕ ВНИМАТЕЛЬНЫ ПРИ ИЗВЛЕЧЕНИИ ИГРУШКИ ИЗ
УПАКОВКИ.
ВСЕ ВИНТЫ НАХОДЯТСЯ В ПАКЕТЕ ВНУТРИ УПАКОВКИ.
СБОРКА
1 • Отвинтите предохранительный винт дверцы отсека с батареей.
2 • Сместите язычок вниз, как показано на рисунке.
3 • Отцепите и откройте дверцу.
4 • Установите капот на основание игрушки, вставляя четыре
крепления (расположенных под фарами) в соответствующие
отверстия.
5 • Перед тем, как окончательно закрепить капот, убедитесь, что
нижняя часть рычага переключения скоростей (она видна из-под
приборной панели) установлена так, как показано на рисунке
(смотри деталь E). ПРИМЕЧАНИЕ: в маленькой рамке
показывается неправильная установка детали.
6 • Завершите крепление капота, нажав на него вниз. Убедитесь, что
он зацеплен в точках, указанных стрелками. Закройте дверцу
отсека с батареей.
7 • Вставьте рулевую колонку с наконечником, установленным как
показано на рисунке (смотри деталь на рис. 8).
8 • Сечение хода рулевой колонки. A= тяга рулевого механизма
колес B= отсек с батареей C= приборная панель.
9 • Соедините две части руля.
10
•
Наденьте руль на рулевую колонку, выравнивая соответствующие
отверстия.
11
•
Закрепите руль специальным винтом и гайкой. ВНИМАНИЕ:
вставьте гайку в шестигранное отверстие, а винт - в круглое.
12
•
Установите фары, вводя задние язычки в 2 отверстия ветрового
стекла.
13
•
Завершите крепление, нажимая на центр до щелчка.
14
•
Перед тем, как установить сиденье, убедитесь, что проводники
двигателя правильно подключены.
15
•
Наденьте обивку сиденья, как показано на рисунке.
16
•
Натяните обивку сиденья, заправляя ее за спинкой.
17
•
Окончательно закрепите ее спереди.
18
•
Установите сиденье, вставляя два задних крюка в отверстия шасси
до первого паза (смотри деталь в круге).
19
•
Завершите крепление сиденья,
нажимая до зацепления
расположенного ниже штифта за второе отверстие (указанное
стрелкой). Внимание! Сиденье предназначено для установки в
двух различных положениях в зависимости от роста ребенка. Если
сиденье слишком выдвинуто вперед, то перед продолжением
остальных операций по сборке отодвиньте его во второе
положение, как показывается на рисунках 25 и 26.
20
•
Установите лоток для предметов за сиденьем.
21
•
Закрепите лоток для предметов входящим в комплект винтом.
22
•
Установите решетки защитной дуги так, как показано на рисунке.
23
•
Установите защитную дугу, вставляя сначала передние язычки в
отверстия шасси.
24
•
Закрепите защитную дугу двумя входящими в комплект винтами.
25
•
Если вам необходимо передвинуть сиденье во второе положение,
то выполните следующее: сместите сиденье наружу и отсоедините
его от расположенного ниже стопора. Выполните эту же
операцию и с противоположной стороны.
26
•
Поднимите сиденье с передней стороны и протолкните его назад,
до зацепления за второй паз (смотри деталь в круге). Завершите
крепление, закрепляя первое отверстие сиденья (с обеих сторон)
спереди.
27
•
Вставьте в прорези крыльев два язычка подножек. ВНИМАНИЕ:
две подножки отличаются друг от друга; установите слева игрушки
подножку, помеченную внутри буквой S, а справа - подножку,
помеченную буквой D.
28
•
Сместите вниз подножку для ее блокировки (1) и нажмите на две
точки, обозначенные стрелками (2).
СЛУЖБА ОБСЛУЖИВАНИЯ
ИНСТРУКЦИЯ ПО СБОРКЕ
GÜVENLİ BİR SÜRÜŞ İÇİN KURALLAR
29
•
Установите с нажимом опоры подножки.
30
•
Установите со щелчком номерной знак на задней стороне
игрушки.
31
•
Установите со щелчком лампочку номерного знака на задней
стороне игрушки.
32
•
Для установки задних фар вставьте в отверстия шасси верхний
язычок, после чего поверните фару в указанном стрелкой
направлении. Обе фары должны иметь вид, показанный в детали A.
33
•
Нажмите для полного закрепления.
34
•
Перед монтажом фар приклейте наклейки № 4s и 4d на передний
бампер в соответствии с четырьмя отверстиями (смотри схему А).
Установите фары так, как показано на рисунке.
35
•
Установите переднюю решетку, вставляя ее в три язычка шасси.
Поверните ее в указанное стрелкой направление.
36
•
Нажмите для окончательного крепления.
37
•
Защелкните пробку бака.
38
•
Отвинтите винт крышки, расположенной на правой стороне
приборной панели.
39
•
Вставьте две батарейки типа AA на 1,5 В (не входят в комплект) в
специальные гнезда, соблюдая полярность. ВНИМАНИЕ: не
пользуйтесь перезаряжаемыми батарейками.
40
•
Установите снова крышку на место и закрепите ее, затягивая винт.
41
•
Откройте отсек с батареей.
42
•
Соедините две вилки.
43
•
Закройте дверцу отсека с батареей, затягивая предохранительный
винт.
44
•
Микрофон:
нажимая кнопку на микрофоне,
включаются
электронные звуки.
45
•
РЫЧАГ ПЕРЕКЛЮЧЕНИЯ ПЕРЕДАЧ: 1 - первая скорость езды. 2:
вторая скорость езды. R: задний ход.
46
•
ВТОРАЯ СКОРОСТЬ:
Примечание:
рычаг переключения
скоростей оборудован уже установленным на нем ограничителем,
отключающим вторую скорость. Когда ограничитель установлен,
как показывается на рисунке, игрушка ездит только на самой
низкой скорости и задним ходом.
47
•
После того, как ребенок научится управлять игрушкой, можно
включить работу второй скорости. Удалите крепежный винт и
выполните нижеследующие инструкции.
48
•
Поверните ограничитель скорости на 180°.
49
•
Снова установите его на рычаг переключения скоростей и
затяните винт.
50
•
Когда пластинка находится в этом положении, игрушка может
ездить и на самой высокой скорости. Для включения второй
скорости сместите рычаг переключения скоростей вниз.
51
•
Педаль акселератора/электрический тормоз: поднимая ногу,
автоматически включается тормоз.
ЗАМЕНА БАТАРЕИ
52
•
Отвинтите винт и откройте крышку отсека с батареей.
Отсоедините вилки друг от друга, нажимая их сбоку.
53
•
Выньте стопор батареи.
54
•
Выньте и замените батарею. Установите на место стопор батареи,
снова
соедините
винты
и
закройте
отсек,
затягивая
предохранительный винт.
ЗАРЯДКА БАТАРЕИ
ВНИМАНИЕ: ЗАРЯДКУ БАТАРЕИ И ЛЮБЫЕ ОПЕРАЦИИ С
ЭЛЕКТРИЧЕСКОЙ
СИСТЕМОЙ
ДОЛЖНЫ
ВЫПОЛНЯТЬ
ВЗРОСЛЫЕ.
НЕОБХОДИМО СНИМАТЬ БАТАРЕЮ С ИГРУШКИ ПЕРЕД ЕЕ
ЗАРЯДКОЙ.
55
•
Отсоедините вилку А электрической системы от вилки В батареи,
нажимая на нее сбоку.
56
•
Вставьте вилку зарядного устройства в сетевую розетку,
придерживаясь приложенных к нему инструкций. Соедините
вилку В с вилкой С зарядного устройства. По завершении зарядки
отсоедините зарядное устройство от сетевой розетки, после чего
отключите вилку С от вилки В.
57
•
Вставьте до конца, до щелчка, вилку В в вилку А. По завершении
операций всегда помните о необходимости закрыть и
заблокировать дверцу отсека батареи.
Перед тем, как использовать игрушку в первый раз, заряжайте батарею
в течение 18 часов. Несоблюдение этого требования может
непоправимо повредить батарею.
ПРЕДУПРЕЖДЕНИЯ
Зарядку батареи должны выполнять только взрослые, только взрослым
разрешается следить за процессом зарядки.
Не позволяйте детям играть с батареями.
ЗАРЯДКА БАТАРЕИ
•
Заряжайте батарею согласно инструкции, приложенной к зарядному
устройству, в любом случае не заряжайте ее больше 24 часов.
•
Сразу подзарядите батарею, как только игрушка начнет ездить
УХОД ЗА БАТАРЕЯМИ И СВЕДЕНИЯ О ИХ
БЕЗОПАСНОСТИ
медленнее, это предотвратит повреждение батареи.
•
Если вы долго не будете пользоваться игрушкой, не забудьте
зарядить батарею и оставить ее отключенной от системы.
Повторяйте операцию перезарядки минимум раз в три месяца.
•
Батарею не следует заряжать в перевернутом положении.
•
Не забудьте о заряжающейся батарее! Периодически проверяйте
ее.
•
Используйте только поставленное в комплекте зарядное устройство
и фирменные батареи производства фирмы PEG PEREGO.
•
Не смешивайте старые и новые батареи.
•
Батареи необходимо устанавливать с соблюдением полярности.
•
Батареи герметичные и не нуждаются в уходе.
ВНИМАНИЕ
•
БАТАРЕИ СОДЕРЖАТ ВРЕДНЫЕ КОРРОЗИЙНЫЕ ВЕЩЕСТВА.
НЕ ВЫВОДИТЕ ИХ ИЗ СТРОЯ.
•
Батареи содержат электролит на кислотной основе.
•
Не соединяйте напрямую клеммы батареи, избегайте сильных
ударов: опасность взрыва и/или воспламенения.
•
Во время зарядки батарея вырабатывает газ. Заряжайте ее в хорошо
проветриваемом месте, вдали от источников тепла и
воспламеняющихся веществ.
•
Отработанные батареи следует снять с игрушки.
•
Не рекомендуется прикладывать батареи к одежде, поскольку они
могут испортить ее.
В СЛУЧАЕ УТЕЧКИ
Защитите глаза; избегайте непосредственного контакта с электролитом;
защитите руки.
Положите батарею в полиэтиленовый пакет и выполните инструкцию
по сдаче батарей в утиль.
В СЛУЧАЕ ПОПАДАНИЯ ЭЛЕКТРОЛИТА НА КОЖУ ИЛИ В ГЛАЗА
Промыть поврежденный участок большим количеством проточной
воды.
Немедленно обратитесь к врачу.
В СЛУЧАЕ ПРОГЛАТЫВАНИЯ ЭЛЕКТРОЛИТА
Пейте небольшими глотками воду, молочко магнезии или яичные
белки.
Не вызывать рвоту.
Немедленно обратитесь к врачу.
СДАЧА БАТАРЕЙ В УТИЛЬ
Позаботьтесь о природе!
Отработанные батареи не следует выбрасывать с домашним мусором.
Вы можете их сдать в центр сбора отработанных батарей или
утилизации специальных отходов. Для справок обратитесь в местную
администрацию.
ПРЕДУПРЕЖДЕНИЯ ПО БАТАРЕЕ 1,5 ВОЛЬТ
Установку батареи должны выполнять только взрослые, только
взрослым разрешается следить за процессом установки. Не
позволяйте детям играть с батареями.
•
Батареи должны заменять взрослые.
•
Соблюдайте полярность +/-
•
Не замыкайте клеммы питания, есть опасность воспламенения или
взрыва.
•
Всегда снимаете батареи, если вы долго не будете пользоваться
игрушкой.
•
Не бросайте батареи в огонь.
•
Ни в коем случае не пытайтесь перезарядить батареи.
•
Выбрасывайте разряженные батареи в специальные емкости для
повторного использования отработанных батарей.
Эта игрушка соответствует Норме по безопасности EN 71 и Норме по
безопасности электрических игрушек EN 50088. Она не соответствует
правилам движения на дорогах, поэтому не может ездить по
общественным дорогам.
ОБСЛУЖИВАНИЕ И УХОД
•
Периодически проверяйте состояние игрушки, особенно
электрической системы, подключение вилок, защитные крышки и
зарядное устройство. При обнаружении явных дефектов
электрическую игрушку и зарядное устройство не следует
использовать. Для ремонта применяйте только фирменные запасные
части производства фирмы PEG PEREGO.
•
Фирма PEG PEREGO не несет никакой ответственности в случае
вывода из строя электрической системы.
•
Не оставляйте батареи или игрушку вблизи таких источников тепла,
как отопительные батареи, камины и т.д.
•
Защитите игрушку от воды, дождя, снега и т.д. Ее эксплуатация на
УХОД ЗА ИГРУШКОЙ И СВЕДЕНИЯ О
БЕЗОПАСНОСТИ
песке или в грязи может повредить кнопки, двигатели и редукторы.
•
Если игрушка работает в условиях перегрузки, например, едет по
мягкому песку, грязи или по очень неровному грунту, выключатель
перегрузки немедленно отключит питание. Подача питания
возобновится через несколько секунд.
•
Периодически смазывайте (легким маслом) движущиеся части,
такие как подшипники, руль и т.д.
•
Наружную поверхность игрушки можно чистить влажной тканью и,
при необходимости, неабразивными бытовыми моющими
средствами.
Операции по чистке должны выполнять только взрослые.
•
Ни в коем случае не разбирайте механизмы игрушки или двигатели,
если на то не имеется разрешение фирмы PEG PEREGO.
Соответствует норме EN 50088
Запломбированная перезаряжающаяся свинцовая батарея 12В 7Aч.
2 двигателя 140 Вт
ПРАВИЛА БЕЗОПАСНОСТИ
ВНИМАНИЕ! ИГРУШКА ДОЛЖНА ВСЕГДА ИСПОЛЬЗОВАТЬСЯ
ПОД НАДЗОРОМ ВЗРОСЛОГО.
•
Игрушка не предназначена для детей меньше 36 месяцев из-за ее
функциональных характеристик.
•
Не использовать игрушку на общественных дорогах, при наличии
дорожного движения и припаркованных автомобилей, на крутых
уклонах, вблизи ступенек и лестниц, водных потоков и бассейнов.
•
При вождении игрушки дети должны всегда быть обутыми.
•
При работе игрушки обратите внимание на то, чтобы дети не
помещали руки, ноги или другие части тела, одежду или другие
предметы рядом с движущимися частями.
•
Ни в коем случае не смачивайте такие компоненты игрушки, как
двигатели, системы, кнопки и т.д.
•
Не использовать бензин или прочие воспламеняющиеся вещества
вблизи игрушки.
•
Игрушкой должен пользоваться исключительно один ребенок.
РАЗВЛЕЧЕНИЕ БЕЗ ПЕРЕРЫВОВ: всегда держите запасной комплект
заряженных батарей, готовых к применению.
Для безопасности вашего ребенка: перед включением игрушки
прочтите и тщательно выполните настоящую инструкцию.
•
ВНИМАНИЕ
Убедитесь в том, что все крепежные кнопки надежно закреплены.
2-я СКОРОСТЬ
Сначала рекомендуется ездить на 1-й скорости.
Перед тем, как включить работу 2-й скорости убедитесь, что
ребенок способен управлять игрушкой.
•
1-я СКОРОСТЬ (для начинающих):
Держите обе руки на руле и нажмите педаль акселератора; игрушка
начинает двигаться с пониженной скоростью около 3,2 км/ч.
•
2-я СКОРОСТЬ (для опытных водителей):
Держите обе руки на руле и нажмите педаль акселератора; игрушка
начинает двигаться со скоростью около 6,3 км/ч.
•
ЗАДНИЙ ХОД:
Одной рукой сместите вниз рычаг переключения скоростей.
Держите другую руку на руле и ногой нажмите акселератор.
Игрушка двигается задним ходом со скоростью около 4 км/ч.
•
ТОРМОЗ:
Для торможения снимите ногу с педали акселератора, тормоз
включится автоматически.
Научите вашего ребенка правильно пользоваться игрушкой для ее
безопасного и приятного управления.
•
Перед началом езды убедитесь, что на маршруте движения нет
людей или предметов.
•
При вождении держите руки на руле и всегда смотрите на дорогу.
•
Тормозите заблаговременно во избежание столкновений.
•
Включайте работу 2-й скорости только после того, как ребенок
научится правильно пользоваться рулем, 1-й скоростью и тормозом.
•
ВНИМАНИЕ! На первой скорости игрушка имеет
дифференциальный эффект, как настоящие легковые автомашины.
На ровных поверхностях, когда на игрушке сидит только один
ребенок, два колеса могут двигаться с различной скоростью, что
может вызвать их проскальзывание или торможение.
ИГРУШКА НЕ РАБОТАЕТ?
•
Проверьте, не отсоединились ли кабели под пластиной
EKK
•
PEG PEREGO
!"#$ p p #"%&# # # p '. )*
+" p,- p 50 !" 0
PEG PEREGO
p01$" 23# # p")",: #
150# % # 60%"%5 #0 p 3 +#" +" # + #,+"
p"p,# , 1# % # 6##"+, !&%# p"!$)" % p0),3"
+" % %p#$.
•
8"2,# p +#"+, # p 1!"$)" )01"* 1"
9 "+"-:$# % #0 !&0 # % #53 +" %,:# # p")$
%$ -#&, 63& +" )"+)#"+& )&100. ; 3,9# #0
5!" # 1!"$)" 1" +,: %33 #"+& 6 ,.
•
p"!$)" % $" %2#, % # +"#&" 63$ p
p 235p #" p # %2 3" #0
EEC
+" p #
“U.S. Consumer Toy
Safety Specification”
+" 1+$ #" p #
T.Ü.V.
•
Peg Perego
: %p $ +," p ")&p # #"1%& %## p5
# % #53 p p"1,6 #" #0 p 5+) 0, 1" 31
#!"+& & p"!"0%#"+& 60.
3-8
PEG PEREGO
p5!" #!"+& p #&"90 %#, p #0 p*300, p’
:$ & %5- )"+# 9 " ) #0%5- +5#- #!"+&
p #&"90, 1" )!% p")" :*" & #"+##," +"
p*300 1&"- #33+#"+*. =" p"+ "-&# % # +5#
#!"+& p #&"90 )$# # p$- %5 # 9*6 33 #
p# 1!"")$ )01"*.
>?: = @= >> @
@ @@ > @.
>A @ B=C ? > .
B8 B@ @ D
.
1
•
A2")*# #0 2$) 63$ p 2$+#" # p #,+" #0
:&+0 1" #0 %p#$.
2
•
>"5# p # +,#- #0 13-$# p- 6$#" #0 "+.
3
•
p11"#*# +" $9# # p #,+".
4
•
p :#&# # #0% # +p #0 2,0 # !&%#
p*# # #5" 1,#E (p 2$+ #" +,#- p
# 6*#) #" ")"+5 p5.
5
•
>" 3 +30-:$ 0 #5-0 # +p, 22"-:$# #" #
+,#- %5 # % !3 #! #&#- ()"+$#" +,#- p #
p$+ 1,- # !&%# ) $" # p :#0%5 p- #0
"+ (235p 3p# %5" ). D: # %"+
##1-,+" p"#,#" 0 3:%50 )0 # #%&%#
# .
6
•
3 +30*# #0 #5-0 # #&%# # +p p"5E #
p # +,#-. B2"-:$# #" 5!" ):$ # 0%$ p
p )"+ # 2530. A+3$# # p #,+" #0 :&+0 1" #0
%p#$.
7
•
>,# # -3& # #"% " % #0 #3"+& # ,+0 5!"
+#: 0 p- 6$#" #0 "+ (235p 3p# %5" #0
"+. 8)
8
•
%&% p $ # -3& #"% " . = +# : #&" ,2)
# 6& # !* B= :&+0 1" #0 %p#$
C
= p$+ 1,-.
9
•
*# # ) %50 # #"% " .
10
•
>,# # #"%" # -3& #"% " : 1%%$E # #"
#$# "! p5.
11
•
#*# # #"%" % #0 ")"+& 2$) +" # p9"%,)".
>?: # p9"%,)" #*#" #0 9,1-0 p&, * 0
2$) #0 + +3"+& p&.
12
•
p :#&# # #0% #- 6*#- p*# #" p$-
ЧТО-ТО НЕ ТАК?
ПРАВИЛА БЕЗОПАСНОГО ВОЖДЕНИЯ
акселератора.
•
Проверьте исправность кнопки акселератора и при необходимости
замените ее.
•
Убедитесь, что батарея подключена к электрической системе.
НЕДОСТАТОЧНАЯ МОЩНОСТЬ ИГРУШКИ?
•
Зарядите батареи. Если после зарядки проблема не устранена,
отдайте батареи и зарядное устройство на проверку в сервисный
центр.
13-$# #" 2 p5 # p%p$E.
13
•
3 +30*# #0 )0 p"5E # # +5# %5!" # +3"+.
14
•
>" # p :#&# # +,:"%, 3519# , # +3*)" #
+"0#& $" +3, ))%5..
15
•
>,# # +,3 % # +:$%# p- 6$#" #0 "+.
16
•
#*# # +,3 % # +:$%# +" p,# # p$- p
#0 p3,#0.
17
•
3 +30*# #0 #5-0 # %p #" %5 .
18
•
p :#&# # +,:"% p*# # ) p$- 1,#E
#" p5 # $ #0 p*#0 1+ p& (235p 3p# %5" #
++3 ).
19
•
3 +30*# #0 #5-0 # +:$%# p"5E # %5!"
# 1#E-:$ p$ p 2$+#" p +,#- #0
)#0 p& ( p )"+#" p # 253 ). > !&, # +,:"%
%p $ #-:$ ) )"6 #"+5 :5" ,3 1 % #
K # p")" . p$p#-0 p # +,:"% $" p, p 3
%p #,, p" p !-&# #" ,33 1$
% 3100, # p :#&# # +,:"% #0 )#0 :50
p- 6$#" #" "+ 25 +" 26.
20
•
p :#&# #0 :&+0 1" #0 # p :5#00 #"+"%5- p$-
p # +,:"%.
21
•
#*# #0 :&+0 1" #0 # p :5#00 #"+"%5- #
+,:"% % #0 2$) p p5!#".
22
•
p :#&# #" !, #0
roll-bar
p- 6$#" #0 "+.
23
•
p :#&# #0
roll-bar
p*# p*# #" %p #"5
13-$# #" p5 # $.
24
•
#*# #0
roll-bar
% #" ) 2$) p p5! #".
25
•
, !"#$ %#+"&# # +,:"% #0 )#0 :50,
1&# % # p+,#- #p . p*9# # +,:"% p
# 59- 1" # p )5# p # 9,#0% 1+,#00
p 2$+#" p +,#-. p3,2# #0 $)" 51" p #0
,330 p3 ,.
26
•
0+*# # +,:"% p # %p #" # #%&% -:*# #
p # p$- %5!" ):$ #0 )#0 1+ p& (235p
3p# %5" # + +3,+"). 3 +30*# #0 #5-0
)5 # #0 p*#0 p& # +:$%# (+" p #" )
p3 5) # %p #" #%&%.
27
•
>,# #" !"%5 #- 6#* #" ) 13-$# #-
2#&-. >?: " ) 2#& $" )"6 #"+, %#9
# . p :#&# #0 "#& p3 , # !&%# #
2#& p 5!" # -#"+ # # 1,%%
S
+" #0 )9",
p3 , # 2#& p 5!" # 1,%%
D
.
28
•
#5K# p # +,#- # 2#& 1" # 63$# (1) +"
p"5# # ) 0%$ p p )"+ # 2530 (2).
29
•
p :#&# % p$0 # #0$1%# #- 2#&-.
30
•
p :#&# % p# %0 +$00 #0 p"+$) # p$- %5
# !&%# .
31
•
p :#&# % p# %0 +$00 # 6- #0 p"+$) # p$-
%5 # !&%# .
32
•
=" # p :#&# # p$- 6,", p,# #" p5 #
$ #0 p,- 13-$# +" #0 5!" #5K# # 6,"
p #0 6 , # 253 . ) 6," p5p" $" p-
6$#" # ##1-,+" .
33
•
>"5# 1" 3 +30*# #0 #5-0.
34
•
>" p #0 % 3100 #- 6"*, # p :#&# #
# +330# .
4s
+"
4d
p,- # %p #" p 6 3+#&
# 0%$ p #"# "! #" #5" p5 (235p !&%
). p :#&# # 6," p- )$!" 0 "+.
35
•
p :#&# #0 %p #"& !, p*# #0 #" #"
13-$# # $. #5K# #0 p #0 6 , # 253 .
36
•
>"5# 1" 3 +30*# #0 #5-0.
37
•
p :#&# p"5E # # p*% # #pE"# .
38
•
A2")*# #0 2$) p # +p,+" p 2$+#" #0 )9",
p3 , # p$+ 1,-.
39
•
p :#&# ) %p#$
1,5 V
- 8 >5! #" – #0
")"+& :50 + 3 :*# #0 -#& p 3"+#0#. >?:
%0 !0"% p "$# p6 #"E% %p#$.
40
•
p# p :#&# # +p,+" +" #*# # 92")* #
#0 2$).
41
•
$9# #0 :&+0 1" #" %p#$
42
•
)5# # ) 6".
43
•
A+3$# # +p,+" #0 :&+0 1" #0 %p#$
92")* # #0 2$) 63$.
44
•
"+6- : p"5E # # + %p$ p,- # %"+6-
1 p " #" " 03+# "+ $ &! ".
45
•
? ?D@: 1:p*#0 #!�#. 2: )#0
#!#0#. p":.
46
•
8 ?: 0%$-0: % !3 #! #&#- $"
9 p3"%5 % 9,#0% 61& 63$ 1" #0 )#0
#!#0#, p $" &)0 % 3 10%50 # % !3 #! #&#-.
P# # 9,#0% # $" # p :#0%5 p- 6$#" #0
"+, # !0% p #" % % #0 p" !%03& #!#0# +"
% #0 p":.
47
•
P# # p")$ 9 "+"-:$ % #0 !&0 # !&%# , %p $#
p,# #0 )#0 #!#0#. A2")*# #0 2$)
#5-0 +" + 3 :&# #" p+,#- )01$.
48
•
#5K# # 9,#0% 61& #!#0# +#,
180°
.
49
•
A# p :#&# # p,- # % !3 #! #&#- +"
92")*# #0 2$).
50
•
#0 p3+5# ’ #& #0 :50, # !0% %p $ +"$#" +"
#0 p" K03& #!#0#. =" +"0:$# #0 )#0 #!#0#
+#2,# # % !3 #! #&#-.
51
•
p0),3" p"#! #&-1+,E"/03+#"+ 65 : 0+* # #
p)", # 65 %p$" #%# 3"# 1$..
@ >
52
•
A2")*# #0 2$) +" $9# # +p,+" #0 :&+0 1" #0
%p#$.. p )5# # 6" p"5E #, # # p3,".
53
•
B1,3# # 9,#0% 1+,#00 #0 %p#$.
54
•
B1,3# +" #"+##&# #0 %p#$. p# p :#&# #
9,#0% 1+,#00 #0 %p#$, 9 )5# # 6" +"
9+3$# # 3 92")* # #0 2$) 63$.
; >
>?
:
; D@ >D@ >8>
>B >> @
@ > @
.
> >> @ B=@ > >?@8 >@
;R.
55
•
p )5# # 6"
A
# 03+#"+ #&%# p # 6"
B
#0 %p#$ p"5E # # p3,".
56
•
B,3# # 6" #0 + & 6#"0 %p#"* %$ "+"+&
p$E + 3 :*# #" 0%%5 )01$ #0, )5# #
6" B % # 6"
C
#0 + & 6#"0 %p#"*
.
P#
p#-:$ 0 6#"0 21,3# #0 + & 6#"0 %p#"*
p #0 "+"+& p$E, +#p" p )5# # 6"
C
p #
6" B.
57
•
B,3# %5!" +,#-, 5- # +# p&)00, # 6"
B
# 6"
A.
P# 3 +30-:$ 0 )")"+$ : %,# p,# +3$#
+" #*# #0 533.
>" !0"% p "&# # !0% 1" p*#0 6 ,, 6 #$# #"
%p#$ 1" 18 *. %0 #&00 #& #0 )")"+$ :
%p p +35" p:-# E0%$ #0 %p#$.
6#"0 #- %p#"* p5p" +#3$#" +" p"235p#"
% p &3"+.
0 6&# # p")", p$E % #" %p#$.
; >
•
; #$# #0 %p#$ + 3 :*# #" 0%%5 )01$ #0
+ & 6#"0 %p#"* +" p,#- %0 p2$# #" 24
*.
•
; #$E# 1+$- #0 %p#$ %3" # !0% !$" !,"
#!#0#, : p 61# E0%$.
•
, 6&# #%#0%5 # !0%, 1" p 3 +", : %,#
6 #$E# #0 %p#$ +" #0 +#,# p )%50 p #
#0%, p3%2,# #0 )")"+$ p6#"0
# 3,!"# +,: #" %&.
•
%p#$ ) p5p" 6 #$E#" p ) 1 "%50.
•
0 9!,# #" %p#$ 6,0 6#"0! @ 351!# p" )"+,.
•
?0"% p "$# % #0 + & 6#"0 %p#"* p
p5!#" +" #" 1&" %p#$ PEG PEREGO.
•
0 +## p3"5 +" 5 %p#$.
•
" %p#$ p5p" # p :#0: % #0 -#& p 3"+#0#.
•
" %p#$ $" +3"#5 +" ) !",E #" #&00.
>?
•
> >?@ 8BD A .
@ D@.
•
" %p#$ p"5! 03+# 3#0 % 9"0 2,0.
•
0 p +3$# ,%0 p6& %#9 #- + )+#* #0
%p#$, p 61# ) # +)% , +$) 5+090
+"/& p +1",.
•
#, #0 )",+" #0 6#"0 0 %p#$ p,1" 5". ; #$E#
#0 %p#$ +3, "%5 !* , %+ , p p015 :%#0#
+" 63+# 3"+,.
•
" 9#30%5 %p#$ p5p" 6" #" p # !0%.
•
"#,#" %0 + %p,# #" %p#$ # !, %p $
6:
@ >? 8
> 6 3,9# # %,#" , p 61# #0 ,%0 p6& % #
03+# 3#0: p ##5K# # !5" .
B,3# #0 %p#$ %$ p3#"+& #,# +" + 3 :&# #"
)01$ 1" #0 !* 0 %p#"*.
@ 8 R@ >; @
>3# % ,6: #! % # %5 p 5!" p 230:$.
%2 3 #$# %5- # 1"#.
@ > @
>"$# %"+5 1 3"5 , 1,3+# %10$ & p,)" 1 .
p .
.
!" "#$
% p p%.
& ' p ( pp p) %
p . p *+ +
' p , + ', (, p+,
p*. '% (+ .
$$ $/" !" "#$"
1,5 VOLT
p. p , pp pp
p +. *+ p (% p 0
p .
•
& p pp ) p +
.
•
".+ p
+/-
•
', ( *( , (
p % + 1.
•
%0 p% p p '( ( 'p
% p(.
•
' p *%.
•
pp . p p * p
.
•
#' %( p () %(
) ' p ,.
p p2 !p "*
EN 7
!p "* % p '(
EN 50088,
(
( %1 (+ *
) ( p *+ ( (.
•
' % % '+ , (,
) , ( *, p %
p+ + * p ,. pp p
( p, , , ' +
* p , ( pp 'p.). 3
p(., 'p + %
PEG
PEREGO.
•
PEG PEREGO
( % .) pp
pp ) + .
•
*+ p + ' % p .
p *, 0% , p.
•
!*%1 ' p , '+, ' p., '+
p% % + %p . p) p 0
p%, + +,
•
% ' .+ p*, p
+ %, %p + (%* ' '+, (
p* . * '). p '+ ') .
1 ' % p % (p .
•
4p p(%
(
*) %() % p 0 ,
, p.
•
& p*% '+ p) . .)
p , % p , ( % p2 +
'+. & . ) pp ) p
+.
•
p p ' ) '+ +
+ % ( 1( p
PEG
PEREGO.
EN
50088.
p *0 + p )(
12V 7Ah
.
2 + 140
W
!#&&
!
!$<4= & 4$/" $"$ !" "
"!"#"$
.
•
> % p (% 36 ,
, ' ,
.
•
'p ' ( (, p p%'
p , p , %
% %, % p.
•
p (% pp p% *) p p) % (%
'+ '+
•
A ' p' p (% %0
' , p( + % , , )' + % p% %
p ) .
•
' p '+ p +, + ,
p%, p.
•
/% ' 'p p 0 + % )*
.
•
' pp 'p p% p
p (.
>$"/>" #$ >$"/&!: % p% p ,
* '+.
3 *% p (): p p+ ' ,
( % .+ p% p % (.
•
!#&&
:
' % % *
.
2
"'% % 'p 1 ')
.
! % 2 ') , . p ( '
1. ' .
•
1 " " ( '%)
:
/ () ' p% p p(%
p '+/%0. ' p ')
pp
3,2 Km/h.
•
2 " " ( p)
:
/ () ' p% p p(%
p '+. ' p ') pp
6,3
Km/h.
•
&!$E
:
/ % ' ' ') . p.+
% ' p% p p( p '+.
' p'% p. ') pp
4 Km/h.
•
F#&
:
3 *% , p( p p(% p '+,
* . p .
%. p ( + '+ '+ * +
( ( + (+.
•
! 1+ . ( (+ ). p
pp + p% .
•
&( ' p%
.
%0 p%
(.
•
F% p*) )
.
•
<% 2 ') p ( ' %. % '+
), 1 ') *.
.
•
!#&&
!
p, ') , ' 1p
* ( *) p p % : (%*
p (, () ' p) ' ( *
') p. ./p%( ,.
& &" > 4$ $;
•
< . ( p%' ,( p( % p
p% p '+/%0.
•
1 p) p '+/%0
(' + .
•
1 % p ( ) .
& &" > $ $;
•
F p . % % p p *
p '0 , 1 p +
* p , '+ p+1.
;
PEG – PEREGO SpA
Via De Gasperi, 50
20043 Arcore ( MI ) Italy
www.pegperego.it
P E BEPSR P
ER
PEG – PEREGO
11 ,#i 1i # ! 1 #i+, 3##*%# #- i#- #0 1i )i,#0% 59i %0* #0
0% %0$ 1 ,.
+%i0 #0 ,3 10 #%i+& )i90 1 , $i $#0#0.
E9i #i #0 11100 i 6 #iE% %#$ +i o" %#!0-%#i#5 i!i)i*. ( 23. 3 #i+5
)01$ !&- i!i)i* ).
1100 i!i % 6’ # i !0i% "$#i -#, +i 2,i #- )01i* !&-.
+#+ #& +i i ##3%5 i 1,# # )i#0 # )i+$-% #!i+ 351! .
+#+ #& ) % $ :-0:$ : 6’ :
•
8 #00: i ,3 1 )01$ !&- # +,: i# .
•
##6$ # !$ # i & +30: 23,2 ++& !&0 # .
•
,9i #!i+& 5%20 95 #0 #i$ % #!i+ , ,1% # $ 1 #i +i #3$
+$) 1i #0 6,3i # i)i .
•
; i 3 1i+& 6: , # i# .
i()* ++,- .(i i/ 01+*/ 2)3-4/ .(i +i( 5660i.3 2)3-.
ER
SEP RS : …………….………………............................................................................
............................................................................................................................................................................................
E:R : ……………………………………………………........…...........................................................................
SE : ………………………………………….......……………............................................................................
ER PSR : ……………………………...…………………...........................................................................
R PSR : …………………………....………………...........................................................................
E R
R SRSSR
P)0-023: 1100 i!i % 6’ !i %30-:$ +i 61i:$ # -30#& 0 0% %0$ 1 ,.
C0#$# # # +#,#0% #0 #i1%& #0 1 ,.
!:$ & +##6$ # + %% #0 1100 ) % $ #i+##:$.
PEG PEREGO S.p.A.
via DE GASPERI 50 20043 ARCORE (MI) ITALIA
tel. 039·60881 fax 039·615869-616454
assistenza: tel. 039·6088213 fax 039·6088299
www.pegperego.it
PEG PEREGO U.S.A Inc.
3625 INDEPENDENCE Dr. FORT WAYNE IN 46808
phone 260·4828191 fax 260·4842940
call us toll free 1·800·728·2108
llame gratis 1·800·225·1558
www.perego.com
PEG PEREGO CANADA Inc.
585 GRANITE COURT PICKERING ONT. CANADA L1W3K1
phone 905·8393371 fax 905·8399542
call us toll free 1·800·661·5050
www.pegperego.on.ca
AND DISTRIBUTED IN UNITED KINGDOM AND EIRE BY:
MAMA'S AND PAPA'S LTD
HUDDERSFIELD HD5 0RH ENGLAND
toy helpline: (01484) 438222
BURIGOTTO S/A INDÚSTRIA E COMÉRCIO
RUA CEARÁ, 406 - VILA SÃO CRISTOVAN - LIMEIRA SP
CEP 13480-565 - TEL (19) 451 0420 - FAX (19) 451 6994
WWW.BURIGOTTO.COM.BR e-mail: info@burigotto.com.br

