HEIDENHAIN IK 5493 Installation: инструкция
Раздел: Профоборудование
Тип: Аппарат
Инструкция к Аппарату HEIDENHAIN IK 5493 Installation

Installationsanleitung
Installation Instruction
Guide d’installation
Istruzioni di installazione
Instrucciones de instalación
Installationsanvisning
Installatie-instructies
Pokyny k instalaci
Instrução de Instalação
Instrukcja instalacji
Инструкция по установке
Kurulum Talimatları
設置説明書
安装说明
IK 5000
QUADRA-CHEK
5/2014

IK 5000 QUADRA-CHEK
Product overview
Front IK 529x (ID 678414-xx, ID 678415-xx), IK 539x (ID 678417-xx, ID 678418-xx),
Languages
IK 549x (ID 678420-xx, ID 678421-xx)
Deutsch ....................................................... 9
English ......................................................15
C
D
F
E
Français ....................................................21
Italiano ....................................................... 27
A
I
Español .....................................................33
Svenska ....................................................39
Nederlands ...............................................45
Česky ........................................................51
B
Português ..................................................57
J.polski ......................................................63
G
Русский .....................................................69
Türkçe .......................................................75
Rear IK 529x (ID 678414-xx, ID 678415-xx), IK 539x (ID 678417-xx, ID 678418-xx),
Nihongo ..................................................... 81
IK 549x (ID 678420-xx, ID 678421-xx)
Zhongwen (zh_CN) ..................................87
A
IK xxxx QUADRA-CHEK
ID 123456-xx xx
L
SN 12 345 678 x
B
G
Front IK 539x (ID 678416-xx), IK 549x (ID 678419-xx)
R39
R36
C14
R32
C17
C16
C15
C18
L22
R38
R29
L21
L20
L29
L23
U14
U18
C12
U13
R27
C20
+
L28
L30
L31
U10
L15
C22
L32
R19
U11
R18
C
R30
U8
+
R20
L12
L11
R17
C21
R15
R14
L10
R10
U7
R13
L8
R3
R47
L33
R12
R7
U6
L7
R48
R6
L5
L3
+
L6
L4
A
R4
C7
C8
C4
U21
U4
C2
R2
U3
U16
U1
R1
U19
C1
S.N.______
U17
30
J1
1
+
ASSEMBLY #11C12718 REV._____
QUADRA CHECK EDGE DETECTION BOARD
METRONICS MADE IN U.S.A
B
G
Rear IK 539x (ID 678416-xx), IK 549x (ID 678419-xx)
T
A
IK xxxx QUADRA-CHEK
ID 123456-xx xx
L
SN 12 345 678 x
B
G
2

IK 5000 QUADRA-CHEK
Product overview
Front IK 559x (ID 678422-xx)
C D
E
F
A
V
B
G
Rear IK 559x (ID 678422-xx)
A
IK xxxx QUADRA-CHEK
ID 123456-xx xx
L
SN 12 345 678 x
B
G
3

IK 5000 QUADRA-CHEK
Card, flyout and connector configurations
IK 5000 card and flyout connectors
30
30
30
44
44
44
25
A H K N P
A
H
K
N
P
1
1
1
1
18
18
26
26
R
9
R
1
B
B J M
1
J
1
M
4

IK 5000 QUADRA-CHEK
Card, flyout and connector configurations
IK 529x (ID 678414-xx, ID 678415-xx)
PC
540550-40 (3x 1 Vpp)
1 Vpp/ TTL
540540-24 (2x 1 Vpp)
540550-10 (3x TTL)
X, Y, Z
540540-05 (2x TTL)
Axis encoders
1 Vpp/ TTL
A
A
and foot switch
44 pin edge
1 Vpp/ TTL
681041-02
(Foot switch)
H
H
Q Axis
540541-24
( 1 Vpp)
540541-05
( TTL)
C
C
Encoder
30 pin header
30 pin
44 pin
1 Vpp/ TTL
26 pin
IK 529x Card
J
J
M
M
Touch probe
Touch probe
on request
D
D
50 pin header
9 pin
50 pin
E
E G
G
+5V, +12V
PCI Bus
Ground
Slot connector
4 pin header
C
D E
DC
E
H
PC Motherboard
H
A
A
Connections
M
M
IK 529x Card
J
J
G
G
5

IK 5000 QUADRA-CHEK
Card, flyout and connector configurations
IK 539x (ID 678416-xx), IK 549x (ID 678419-xx)
PC
540550-40 (3x 1 Vpp)
1 Vpp/ TTL
540540-24 (2x 1 Vpp)
540550-10 (3x TTL)
X, Y, Z
540540-05 (2x TTL)
Axis encoders
1 Vpp/ TTL
A
A
and foot switch
44 pin edge
1 Vpp/ TTL
681041-02
(Foot switch)
(Stepper)681045-xx
X, Y, Z Axis
540660-56
X,Y Axis
X
B
B
CNC control
CNC
Motor
26 pin edge
26 pin
540660-53
Y
Joystick
Motor
15 pin
15 pin
681044-xx
Z
Motor
Axis
limit
switches
RS-232C
Stepper
IK 5x9x Card
H
H
540541-24
( 1 Vpp)
540541-05
( TTL)
Q Axis
44 pin
Encoder
1 Vpp/ TTL
C
C
and CNC
30 pin
30 pin header
540660-56
Q Axis
Stepper
CNC
26 pin
26 pin
J
J
540660-53
Joystick
Q
15 pin
15 pin
Motor
681044-xx
RS-232C
Axis
limit
switch
(Stepper)681045-xx
P
P
681049-xx
Optical light
Light source
T
T
inputs
2 optical jacks
681049-xx
Screen sensor
R
R
Comparator
E
E
G
G
540660-05
+5V, +12V
PCI Bus
Ground
Slot connector
4 pin header
W
W
PC Motherboard
RS-232C
C
D
E
F
9 pin
Connections
H
A
P
R
J
B
IK 5x9x Card
G
T
6

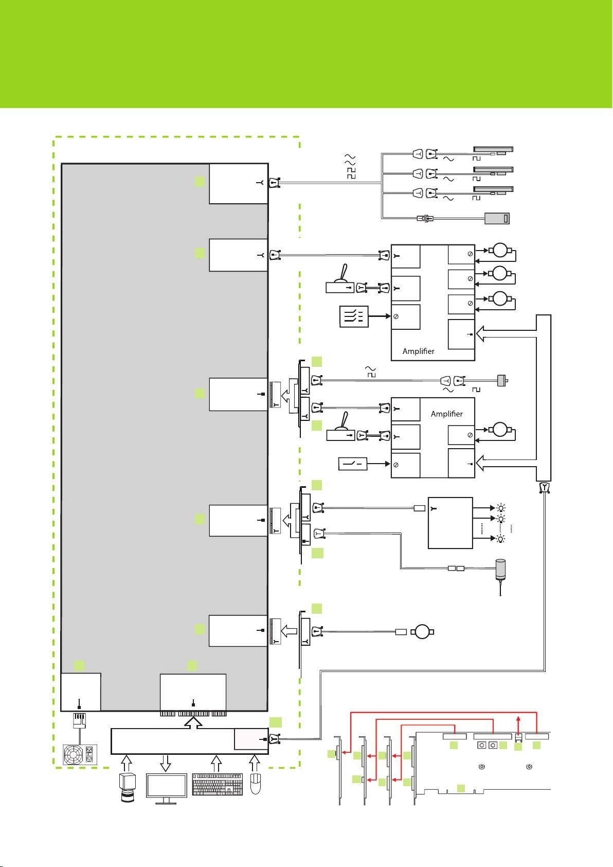
IK 5000 QUADRA-CHEK
Card, flyout and connector configurations
IK 539x (ID 678417-xx, ID 678418-xx), IK 549x (ID 678420-xx, ID 678421-xx)
PC
540550-40 (3x 1 Vpp)
1 Vpp/ TTL
540540-24 (2x 1 Vpp)
540550-10 (3x TTL)
X, Y, Z
540540-05 (2x TTL)
Axis encoders
1 Vpp/ TTL
A
A
and foot switch
44 pin edge
1 Vpp/ TTL
681041-02
(Foot switch)
(Stepper)681045-xx
X, Y, Z Axis
540660-56
XYZ Axis
X
B
B
CNC control
CNC
Motor
26 pin edge
26 pin
540660-53
Y
Joystick
Motor
15 pin
15 pin
681044-xx
Z
Axis
Motor
limit
switches
RS-232C
Stepper
H
H
540541-24
( 1 Vpp)
540541-05
( TTL)
Q Axis
44 pin
Encoder
1 Vpp/ TTL
C
C
and CNC
30 pin
30 pin header
540660-56
Q Axis
Stepper
CNC
26 pin
26 pin
J
J
540660-53
Joystick
Q
15 pin
15 pin
Motor
681044-xx
IK 5x9x Card
RS-232C
Axis
limit
switch
(Stepper)681045-xx
K
K
Video lamps
on request
1
Video light control
44 pin
D
D
and touch probe
Light
2
50 pin header
50 pin
on request
Controller
9 pin
8
M
M
Touch probe
N
N
Zoom motor
Video camera
on request
F
F
zoom control
30 pin header
30 pin
25 pin
E
E
G
G
540660-05
+5V, +12V
PCI Bus
Ground
Slot connector
4 pin header
W
W
PC Motherboard
RS-232C
9 pin
Connections
C D
E
F
N
K H A
Video
M
IK 5x9x Card
J B
Camera
G
7

IK 5000 QUADRA-CHEK
Card, flyout and connector configurations
IK 559x (ID 678422-xx)
PC
540550-40 (3x 1 Vpp)
1 Vpp/ TTL
540540-24 (2x 1 Vpp)
540550-10 (3x TTL)
X, Y, Z
540540-05 (2x TTL)
A
Axis encoders
1 Vpp/ TTL
A
and foot switch
44 pin edge
1 Vpp/ TTL
681041-02
(Foot switch)
(Stepper)681045-xx
X, Y, Z Axis
540660-56
XYZ Axis
X
B
B
CNC control
CNC
Motor
26 pin edge
26 pin
540660-53
Y
Joystick
Motor
15 pin
15 pin
681044-xx
Z
Axis
Motor
limit
switches
RS-232C
Stepper
H
H
540541-24
( 1 Vpp)
540541-05
( TTL)
Q Axis
44 pin
Encoder
1 Vpp/ TTL
C
C
and CNC
30 pin
30 pin header
540660-56
Q Axis
Stepper
CNC
26 pin
26 pin
J
J
540660-53
Joystick
Q
15 pin
15 pin
Motor
681044-xx
IK 559x Card
RS-232C
Axis
limit
switch
(Stepper)681045-xx
K
K
Video lamps
Video light control
on request
1
D
D
50 pin header
50 pin
44 pin
Light
2
Controller
TP-200 Touch probe
on request
8
V
V
50 pin header
9 pin
50 pin
TP-200
Touch probe
M
M
N
N
Video camera
Zoom motor
zoom control
on request
F
F
30 pin header
30 pin
25 pin
E
E
G
540660-05
G
+5V, +12V
PCI Bus
Ground
Slot connector
4 pin header
W
W
PC Motherboard
RS-232C
9 pin
Connections
C D
E
F
N
K
H A
IK 559x CardIK 559x Card
Video
M
J B
Camera
G
V
8
Оглавление
- IK 5000 QUADRA-CHEK Product overview
- IK 5000 QUADRA-CHEK Card, flyout and connector configurations
- IK 5000 QUADRA-CHEK Installationsanleitung
- IK 5000 QUADRA-CHEK Installationsanleitung
- IK 5000 QUADRA-CHEK Installation Instructions
- IK 5000 QUADRA-CHEK Guide d'installation
- IK 5000 QUADRA-CHEK Istruzioni di installazione
- IK 5000 QUADRA-CHEK Instrucciones de instalación
- IK 5000 QUADRA-CHEK Installationsanvisning
- IK 5000 QUADRA-CHEK Installatie-instructies
- IK 5000 QUADRA-CHEK Pokyny k instalaci
- IK 5000 QUADRA-CHEK Instruções de Instalação
- IK 5000 QUADRA-CHEK Instrukcja instalacji
- IK 5000 QUADRA-CHEK Инструкция по установке
- IK 5000 QUADRA-CHEK Kurulum Talimatları
- IK5000QUADRA-CHEK 設置説明書
- IK5000QUADRA-CHEK 安装说明
- IK 5000 QUADRA-CHEK Dimensions
- IK 5000 QUADRA-CHEK Connector pin assignments

