De Dietrich MS 24 MI VMC – страница 13
Инструкция к Водонагревателю De Dietrich MS 24 MI VMC
241
71.03982.03 - EL
ΟΔΗΓΙΕΣ ΓΙΑ ΤΟΝ ΕΓΚΑΤΑΣΤΑΤΗ
14. DIMENSIONI CALDAIA 15. ΔΙΑΣΤΑΣΕΙΣ ΛΕΒΗΤΑ
Εικόνα 5
24 FF - 24 MI FF
24 - 24 MI
CG_2009 / 1006_1802
CG_2009 / 1006_1803
G”3/4 ΠΑΡΟΧΗ ΘΕΡΜΑΝΣΗΣ
G”1/2 ΕΞΟΔΟΣ ΖΕΣΤΟΥ ΝΕΡΟΥ ΟΙΚΙΑΚΗΣ ΧΡΗΣΗΣ
G”3/4 ΕΠΙΣΤΡΟΦΗ ΘΕΡΜΑΝΣΗΣ
G”1/2 ΕΙΣΟΔΟΣ ΚΡΥΟΥ ΝΕΡΟΥ ΟΙΚΙΑΚΗΣ ΧΡΗΣΗΣ
G”3/4 ΕΙΣΟΔΟΣ ΑΕΡΙΟΥ ΣΤΟ ΛΕΒΗΤΑ
G”3/4 ΠΑΡΟΧΗ ΣΕΡΠΑΝΤΙΝΑΣ ΜΠΟΙΛΕΡ
ΠΡΟΕΙΔΟΠΟΙΗΣΗ
Σφίξτε προσεκτικά τις συνδέσεις νερού στα νιπλ του λέβητα (μέγιστη ροπή σύσφιξης 30Νm).
Εικόνα 4
24 MI - 24 MI FF
24 - 24 FF
CG_2263 / 1007_1403
242
71.03982.03 - EL
ΟΔΗΓΙΕΣ ΓΙΑ ΤΟΝ ΕΓΚΑΤΑΣΤΑΤΗ
16. ΕΓΚΑΤΑΣΤΑΣΗ ΑΓΩΓΩΝ ΑΠΑΓΩΓΗΣ - ΑΝΑΡΡΟΦΗΣΗΣ
Μοντέλο 24 MI FF - 24 FF
Η εγκατάσταση του λέβητα μπορεί να διενεργηθεί με ευκολία και
χωρίς προβλήματα χάρη στα διατιθέμενα εξαρτήματα τα οποία
περιγράφονται στη συνέχεια.
Ο λέβητας είναι αρχικά ρυθμισμένος για σύνδεση με κατακόρυφο
ή οριζόντιο αγωγό απαγωγής-αναρρόφησης ομοαξονικού τύπου.
Με τη βοήθεια του κιτ διαχωρισμού επιτρέπεται και η χρήση δύο
χωριστών αγωγών.
Πρέπει να χρησιμοποιούνται, για την εγκατάσταση,
αποκλειστικά αξεσουάρ παρεχόμενα από τον κατασκευαστή!
ΠΡΟΕΙΔΟΠΟΙΗΣΗ: Για μεγαλύτερη ασφάλεια λειτουργίας οι
αγωγοί απαγωγής καυσαερίων πρέπει να είναι στερεωμένοι στον
τοίχο με ειδικά στηρίγματα στερέωσης.
Εικόνα 6
0503_0905/C
G1638
… ΟΜΟΑΞΟΝΙΚΟΣ (ΟΜΟΚΕΝΤΡΙΚΟΣ) ΑΓΩΓΟΣ ΑΠΑΓΩΓΗΣ - ΑΝΑΡΡΟΦΗΣΗΣ
Ο αγωγός αυτού του τύπου επιτρέπει την απαγωγή των καυσαερίων και την αναρρόφηση του αέρα καύσης τόσο από το εξωτερικό του
κτιρίου, όσο και από καπνοδόχους τύπου LAS.
Η ομοαξονική γωνία 90° επιτρέπει τη σύνδεση του λέβητα στους αγωγούς απαγωγής-αναρρόφησης προς οποιαδήποτε κατεύθυνση
χάρη στη δυνατότητα περιστροφής κατά 360°. Επιπλέον, μπορεί να χρησιμοποιηθεί ως εφεδρική γωνία σε συνδυασμό με ομοαξονικό
αγωγό ή με γωνία 45°.
Σε περίπτωση εκκένωσης στο εξωτερικό ο αγωγός απαγωγής-
αναρρόφησης
πρέπει να εξέχει τουλάχιστον κατά 18 mm από τον τοίχο για να
επιτρέπεται η τοποθέτηση ροζέτας αλουμινίου και το σφράγισμα
της ώστε να αποφεύγεται η είσοδος νερού.
Η ελάχιστη κλίση προς τα έξω των αγωγών αυτών πρέπει να είναι
1 cm ανά μέτρο μήκους.
• Η εισαγωγή γωνίας 90° μειώνει το συνολικό μήκος του αγωγού κατά 1 μέτρο.
• Η εισαγωγή γωνίας 45° μειώνει το συνολικό μήκος του αγωγού κατά 0,5 μέτρο.
Η πρώτη γωνία 90° δεν υπεισέρχεται στον υπολογισμό του μέγιστου
διαθέσιμου μήκους.
Εικόνα 7
0805_2901 / C
G_2073
Άρθρωση στερέωσης
Μοντέλο λέβητα
Μήκος (m)
Χρήση ΔΙΑΦΡΑΓΜΑΤΟΣ σε
ΑΝΑΡΡΟΦΗΣΗ
A
24 MI FF
24 FF
0 ÷ 1
Ναι
1 ÷ 4
Όχι
243
71.03982.03 - EL
ΟΔΗΓΙΕΣ ΓΙΑ ΤΟΝ ΕΓΚΑΤΑΣΤΑΤΗ
16.1 ΠΑΡΑΔΕΙΓΜΑΤΑ ΕΓΚΑΤΑΣΤΑΣΗΣ ΜΕ ΟΡΙΖΟΝΤΙΟΥΣ ΑΓΩΓΟΥΣ
16.2 ΠΑΡΑΔΕΙΓΜΑΤΑ ΕΓΚΑΤΑΣΤΑΣΗΣ ΜΕ ΚΑΠΝΟΔΟΧΟΥΣ ΤΥΠΟΥ LAS
16.3 ΠΑΡΑΔΕΙΓΜΑΤΑ ΕΓΚΑΤΑΣΤΑΣΗΣ ΜΕ ΚΑΤΑΚΟΡΥΦΟΥΣ ΑΓΩΓΟΥΣ
Η εγκατάσταση μπορεί να γίνει είτε με κεκλιμένη, είτε με επίπεδη στέγη χρησιμοποιώντας το εξάρτημα καμινάδας και το ειδικό κεραμίδι
με τσιμούχα που διατίθεται κατόπιν παραγγελίας.
0503_0908/C
G1641
0503_0907/C
G1640
0512_2001
Για πιο διεξοδικές πληροφορίες για τους τρόπους συναρμολόγησης των αξεσουάρ βλέπε τις τεχνικές πληροφορίες που συνοδεύουν τα
ίδια τα αξεσουάρ .
L max = 9 m (Ø 80/125 mm)
L max = 4 m (Ø 60/100 mm)
10 m (Ø 80/125 mm)
L max = 4 m (Ø 60/100 mm)
10 m (Ø 80/125 mm)
L max = 4 m (Ø 60/100 mm)
10 m (Ø 80/125 mm)
L max = 3 m (Ø 60/100 mm)
9 m (Ø 80/125 mm)
L max = 3 m (Ø 60/100 mm)
9 m (Ø 80/125 mm)
L max = 7 m (Ø 80/125 mm)
L max = 8 m (Ø 80/125 mm)
244
71.03982.03 - EL
ΟΔΗΓΙΕΣ ΓΙΑ ΤΟΝ ΕΓΚΑΤΑΣΤΑΤΗ
… ΧΩΡΙΣΤΟΙ ΑΓΩΓΟΙ ΑΠΑΓΩΓΗΣ-ΑΝΑΡΡΟΦΗΣΗΣ
Ο αγωγός αυτού του τύπου επιτρέπει την απαγωγή των καυσαερίων τόσο στο εξωτερικό του κτιρίου, όσο και σε ατομικές καπνοδόχους.
Η απορρόφηση του καύσιμου αέρα μπορεί να γίνει σε ζώνες διαφορετικές σε σχέση με εκείνες της απαγωγής. Το κιτ διαχωρισμού
αποτελείται από ένα ρακόρ συστολής του αγωγού απαγωγής (100/80) και από ένα ρακόρ αναρρόφησης αέρα. Η τσιμούχα και οι βίδες
του ρακόρ απορρόφησης αέρα προς χρήση είναι εκείνες που αφαιρέθηκαν προηγουμένως από το πώμα.
Η γωνία 90° επιτρέπει τη σύνδεση του λέβητα στους αγωγούς απαγωγής-αναρρόφησης προς οποιαδήποτε κατεύθυνση χάρη στη
δυνατότητα περιστροφής κατά 360°. Επιπλέον, μπορεί να χρησιμοποιηθεί ως εφεδρική γωνία σε συνδυασμό με ομοαξονικό αγωγό ή
με γωνία 45°.
• Η εισαγωγή γωνίας 90° μειώνει το συνολικό μήκος του αγωγού κατά 0,5 μέτρo.
• Η εισαγωγή γωνίας 45° μειώνει το συνολικό μήκος του αγωγού κατά 0,25 μέτρo.
Η πρώτη γωνία 90° δεν υπεισέρχεται στον υπολογισμό του μέγιστου διαθέσιμου μήκους.
Μοντέλο λέβητα
(L1+L2)
Θέση ρυθμιστικού
CO
2
%
G20
G31
24 MI FF
24 FF
0 ÷ 4
1
7,2
8
4 ÷ 18
2
18 ÷ 30
3
Ρύθμιση αέρα για χωρισμένη απαγωγή.
Η ρύθμιση του ρυθμιστή αυτού προκύπτει
αναγκαία για τη βελτιστοποίηση της
απόδοσης και των παραμέτρων της καύσης.
Στρέφοντας το ρακόρ απορρόφησης αέρα,
που μπορεί να είναι μονταρισμένο δεξιά ή
αριστερά του αγωγού απαγωγής, ρυθμίζεται
κατάλληλα η περίσσεια καύσιμου αέρα σε
συνάρτηση με το ολικό μήκος των αγωγών
απαγωγής και απορρόφησης του καύσιμου
αέρα.
Στρέψτε τον ρυθμιστή αυτόν αριστερόστροφα
για να μειώσετε την περίσσεια καύσιμου αέρα
και αντίστροφα για να την αυξήσετε.
Για μεγαλύτερη βελτιστοποίηση μπορείτε
να μετρήσετε, με τη χρήση ενός αναλυτή
προϊόντων καύσης, την περιεκτικότητα
CO
2
στα καυσαέρια στη μέγιστη θερμική
παροχή, και ρυθμίστε βαθμιαία το ρυθμιστή
αέρα μέχρι να καταγραφεί η περιεκτικότητα
CO
2
που αναφέρεται στον ακόλουθο πίνακα,
αν από την ανάλυση καταγραφεί μικρότερη
τιμή.
Για τη σωστή συναρμολόγηση της διάταξης
αυτής βλέπε επίσης και τις οδηγίες που
συνοδεύουν το ίδιο το αξεσουάρ.
Εικόνα 8
0809_0201 / C
G_2045
Ρακόρ μείωσης απαγωγής
Άρθρωση στερέωσης
Ρακόρ διαμερισμού αναρρόφησης
αέρα
245
71.03982.03 - EL
ΟΔΗΓΙΕΣ ΓΙΑ ΤΟΝ ΕΓΚΑΤΑΣΤΑΤΗ
16.5 ΠΑΡΑΔΕΙΓΜΑΤΑ ΕΓΚΑΤΑΣΤΑΣΗΣ ΜΕ ΑΓΩΓΟΥΣ ΧΩΡΙΣΤΟΥΣ ΟΡΙΖΟΝΤΙΟΥΣ
ΣΗΜΑΝΤΙΚΟ -
Η ελάχιστη κλίση, προς τα έξω, του αγωγού απαγωγής πρέπει να είναι 1 cm ανά μέτρο μήκους. Σε περίπτωση
εγκατάστασης του κιτ νεροπαγίδας η κλίση του αγωγού απαγωγής πρέπει να έχει κατεύθυνση προς το λέβητα.
ΣΗΜΕΙΩΣΗ:
Για την τυπολογία C52 τα τερματικά για την απορρόφηση του καύσιμου αέρα και για την εκκένωση των προϊόντων
καύσης δεν πρέπει να προβλέπονται σε τοίχους αντίθετους της οικοδομής.
Ο αγωγός απορρόφησης πρέπει να έχει μέγιστο μήκος 10 μέτρων για τις απαγωγές καπνών τύπου C52.
Σε περίπτωση μήκους του αγωγού απαγωγής μεγαλύτερου των 6 μέτρων πρέπει να εγκαταστήσετε, πλησίον του λέβητα, το κιτ συλλογής
συμπυκνώματος που παρέχεται ως αξεσουάρ .
16.4 ΟΓΚΟΣ ΧΩΡΙΣΤΩΝ ΑΠΑΓΩΓΩΝ
CG_2124 / 0905_2305
L max = 10 m
(L1 + L2) max = 30 m
1010_0102/C
G1643
CG_1643_FR / 1010_0101
ΣΗΜΑΝΤΙΚΟ:
ο ατομικός αγωγός για εκκένωση προϊόντων καύσης πρέπει να μονώνεται δεόντως, στα σημεία όπου ο ίδιος
έρχεται σε επαφή με τους τοίχους της κατοικίας, με κατάλληλη μόνωση (παράδειγμα στρωματάκι από υαλοβάμβακα). Για πιο διεξοδικές
πληροφορίες για τους τρόπους συναρμολόγησης των αξεσουάρ βλέπε τις τεχνικές πληροφορίες που συνοδεύουν τα ίδια τα αξεσουάρ.
246
71.03982.03 - EL
ΟΔΗΓΙΕΣ ΓΙΑ ΤΟΝ ΕΓΚΑΤΑΣΤΑΤΗ
17. ΗΛΕΚΤΡΙΚΗ ΣΥΝΔΕΣΗ 18. ΣΥΝΔΕΣΗ ΤΟΥ ΘΕΡΜΟΣΤΑΤΗ ΔΩΜΑΤΙΟΥ
• ανοίξτε τη βάση ακροδεκτών τροφοδοσίας (εικόνα 9) όπως περιγράφεται στο προηγούμενο κεφάλαιο
• βγάλτε το βραχυκυκλωτήρα από τους ακροδέκτες (1) και (2)
• περάστε το διπολικό καλώδιο από τον οδηγό καλωδίου και συνδέστε το στους δύο ακροδέκτες.
Η ηλεκτρική ασφάλεια της συσκευής επιτυγχάνεται μόνον όταν συνδεθεί σωστά σε αποτελεσματική εγκατάσταση γείωσης, σύμφωνα
με τους ισχύοντες κανονισμούς ασφαλείας για τις εγκαταστάσεις.
Ο λέβητας πρέπει να συνδεθεί με μονοφασικό δίκτυο τροφοδοσίας 230 V μονοφασικά + γείωση μέσω του διατιθέμενου τριπολικού
καλωδίου τηρώντας την πολικότητα ΓΡΑΜΜΗ-ΟΥΔΕΤΕΡΟ .
Η σύνδεση πρέπει να γίνεται μέσω διπολικού διακόπτη με άνοιγμα επαφών τουλάχιστον 3 mm. Σε περίπτωση αντικατάστασης του
ηλεκτρικού καλωδίου πρέπει να χρησιμοποιηθεί εναρμονισμένο καλώδιο “HAR H05 VV-F” 3x0,75 mm
2
με μέγιστη διάμετρο 8 mm.
…Πρόσβαση στη βάση ακροδεκτών τροφοδοσίας
• Διακόψτε την τάση στο λέβητα μέσω του διπολικού διακόπτη.
• ξεβιδώστε τις δύο βίδες στερέωσης του πίνακα χειριστηρίων στο λέβητα
• γυρίστε τον πίνακα χειριστηρίων
• βγάλτε το καπάκι για να αποκτήσετε πρόσβαση στις ηλεκτρικές συνδέσεις (εικόνα 9).
Η ασφάλεια ταχείας τήξεως των 2Α είναι ενσωματωμένη στη βάση ακροδεκτών τροφοδοσίας (βγάλτε τη μαύρη ασφαλειοθήκη για τον
έλεγχο ή την αντικατάσταση).
ΣΗΜΑΝΤΙΚΟ:
τηρήστε την πολικότητα σε τροφοδοσία L (ΓΡΑΜΜΗ) - N (ΟΥΔΕΤΕΡΟ).
(L) = Γραμμή (καφέ)
(N) = Ουδέτερο (γαλάζιο)
= Γείωση (κιτρινο-πράσινο)
(1) (2) = Επαφή για θερμοστάτη περιβάλλοντος
CG_2008 / 1009_0301
Εικόνα 9
247
71.03982.03 - EL
ΟΔΗΓΙΕΣ ΓΙΑ ΤΟΝ ΕΓΚΑΤΑΣΤΑΤΗ
19. ΤΡΟΠΟΣ ΑΛΛΑΓΗΣ ΑΕΡΙΟΥ
Ο λέβητας μπορεί να μετασχηματιστεί για τη χρήση με αέριο μεθάνιο (G. 20) ή με υγραέριο (G. 31) με τη μέριμνα του εξουσιοδοτημένου
Σέρβις.
Για το σκοπό αυτό απαιτούνται οι ακόλουθες ενέργειες:
Α) αντικατάσταση των μπεκ του κεντρικού καυστήρα
Β) αλλαγή τάσης στο διαμορφωτή.
A) Αντικατάσταση των μπεκ
• βγάλτε προσεκτικά τον κύριο καυστήρα από τη θέση του
• αντικαταστήστε τα μπεκ του κύριου καυστήρα φροντίζοντας να τα σφίξετε καλά για την αποφυγή διαρροών αερίου. Η διάμετρος
των μπεκ ορίζεται στον πίνακα 2.
Β) Βαθμονόμηση του ρυθμιστή πίεσης
• συνδέστε την είσοδο θετικής πίεσης ενός διαφορικού μανόμετρου, κατά προτίμηση νερού, στην παροχή πίεσης (
Pb) της βαλβίδας
αερίου (εικόνα 10). Συνδέστε, μόνο για τα μοντέλα με στεγανό θάλαμο, την είσοδο αρνητικής πίεσης του ίδιου μανόμετρου σε ειδικό
“ T” που επιτρέπει την ταυτόχρονη σύνδεση της ρυθμιστικής εξόδου του λέβητα, της ρυθμιστικής εξόδου της βαλβίδας αερίου (Pc)
και του μανόμετρου. (Η ίδια μέτρηση μπορεί να γίνει συνδέοντας το μανόμετρο στην παροχή πίεσης (Pb) και χωρίς το κάλυμμα
πρόσοψης του στεγανού θαλάμου)
Από τη μέτρηση της πίεσης στους καυστήρες με διαφορετικές από τις προαναφερθείσες μεθόδους μπορεί να προκύψουν λανθασμένα
αποτελέσματα, καθώς δε λαμβάνεται υπόψη η αρνητική αντίθλιψη η οποία δημιουργείται από τον ανεμιστήρα στο στεγανό θάλαμο.
B1) Ρύθμιση στην ονομαστική ισχύ:
• ανοίξτε το ρουμπινέτο του αερίου και ρυθμίστε το λέβητα σε Χειμώνα
• ανοίξτε τη βάνα παροχής νερού οικιακής χρήσης σε θέση παροχής τουλάχιστον 10 λίτρων ανά λεπτό ή βεβαιωθείτε ότι πληρούνται
οι μέγιστες απαιτήσεις θερμότητας.
• αφαιρέστε το καπάκι του διαμορφωτή
• Ρυθμίστε την μπρούτζινη βίδα (a) μέχρι να επιτευχθούν οι τιμές πίεσης που φαίνονται στον πίνακα 1
• βεβαιωθείτε ότι η δυναμική πίεση τροφοδοσίας του λέβητα η οποία μετράται στην παροχή πίεσης (Pa) της βαλβίδας αερίου (εικόνα
10) είναι σωστή (37 mbar για προπάνιο ή 20 mbar για το φυσικό αέριο).
B2) Ρύθμιση στη μειωμένη ισχύ:
• Αποσυνδέστε το καλώδιο τροφοδοσίας του διαμορφωτή και ξεβιδώστε την βίδα (
b) μέχρι να φτάσει την τιμή πίεσης που αντιστοιχεί
στη μειωμένη ισχύ (βλέπε πίνακα 1)
• επανασυνδέστε το καλώδιο
• τοποθετήστε το καπάκι του διαμορφωτή και στεγανοποιήστε.
B3) Τελικοί έλεγχοι
• τοποθετήστε την πρόσθετη ετικέτα, που παρέχεται στη μετατροπή, όπου αναγράφεται ο τύπος του αερίου και η ρύθμιση που έγινε.
Εικόνα 10
Βαλβίδα αερίου μοντ.
SIGMA 845
b
a
0605_1502
Εικόνα 11
CG_2273 / 1008_2602
διάφραγμα αερίου
ΠΡΟΣΟΧΗ
Στην περίπτωση που η πίεση τροφοδοσίας του αέριου μεθανίου είναι πολύ χαμηλή (μικρότερη των 17 mbar) αφαιρέστε το εγκατεστημένο
διάφραγμα αερίου πάνω από τη βαλβίδα αερίου (εικ. 10) και θέστε την παράμετρο
F02=00
της ηλεκτρονικής κάρτας (§ 21).
248
71.03982.03 - EL
ΟΔΗΓΙΕΣ ΓΙΑ ΤΟΝ ΕΓΚΑΤΑΣΤΑΤΗ
19.1 ΛΕΙΤΟΥΡΓΙΑ ΒΑΘΜΟΝΟΜΗΣΗΣ ΤΗΣ ΒΑΛΒΙΔΑΣ ΑΕΡΙΟΥ
Για τη διευκόλυνση των εργασιών βαθμονόμησης της βαλβίδας αερίου, μπορείτε να
θέσετε τη λειτουργία βαθμονόμησης απ’ ευθείας στον πίνακα χειρισμού του λέβητα
προχωρώντας όπως περιγράφεται στη συνέχεια:
a) Πιέστε ταυτόχρονα για τουλάχιστον 6 δευτερόλεπτα τα κουμπιά
και
;
b) Μετά από περίπου 6 δευτερόλεπτα τα
αναβοσβήνουν;
c) Η οθόνη απεικονίζει, με διάστημα 1 δευτερολέπτου, “100” και τη θερμοκρασία
παροχής.
Στη φάση αυτή ο λέβητας λειτουργεί στη μέγιστη ισχύ θέρμανσης (100%).
d) Πιέζοντας τα κουμπιά +/- μπορείτε να θέσετε στιγμιαία (100% ή 0%) την ισχύ του
λέβητα;
e) Ρυθμίζεται το βιδωτό “Pμ
έγ/
P
Ελάχ”
(Πίνακας 10) μέχρι την αξία της πίεσης αναφέρεται
στον πίνακα 1.
Για να ρυθμίσετε την πίεση στη μέγιστη ισχύ ενεργήστε στη βίδα “Pmax” (εικ. 10),
στρέψτε δεξιόστροφα για να αυξήσετε ή αριστερόστροφα για να μειώσετε την πίεση
στον καυστήρα.
Για να ρυθμίσετε την πίεση στην ελάχιστη ισχύ ενεργήστε στη βίδα “Pmin” (εικ. 10),
στρέψτε αριστερόστροφα για να αυξήσετε ή δεξιόστροφα για να μειώσετε την πίεση
στον καυστήρα.
f) Πιέζοντας τα κουμπιά +/- μπορείτε να θέσετε βαθμιαία το επιθυμητό επίπεδο ισχύος
(διάστημα = 1%).
Για να βγείτε από τη λειτουργία, πιέστε το κουμπί .
Σημείωση
Η λειτουργία απενεργοποιείται αυτόματα μετά από χρόνο 15 λεπτών στο τέλος του οποίου η ηλεκτρονική κάρτα επιστρέφει στην
κατάσταση λειτουργίας πριν την ενεργοποίηση της ίδιας της λειτουργίας ή στην επίτευξη της μέγιστης τεθείσας θερμοκρασίας.
0805_2302 / 1002_1201
Κατανάλωση 15 °C -1013 mbar
24 MI FF - 24 FF
24 - 24 MI
G20
G31
G20
G31
Ονομαστική ισχύς
2,80 m
3
/h
2,00 kg/h
2,80 m
3
/h
2,04 kg/h
Μειωμένη ισχύς
1,12 m
3
/h
0,82 kg/h
1,12 m
3
/h
0,82 kg/h
p.c.i.
34,02 MJ/m
3
46,34 MJ/kg
34,02 MJ/m
3
46,34 MJ/kg
Πίνακας 2
* 1 mbar = 10,197 mmH
2
O
Πίνακας μπεκ καυστήρα
24 MI FF - 24 FF
24 - 24 MI
Τύπος αερίου
G20
G31
G20
G31
Διάμετρος μπεκ (mm)
1,28
0,77
1,18
0,77
Πίεση καυστήρα (mbar*)
ΙΣΧΥΣ ΜΕΙΩΜΕΝΗ
2,0
5,7
2,4
5,6
Πίεση καυστήρα (mbar*)
ΟΝΟΜΑΣΤΙΚΗ ΙΣΧΥΣ
11,6
32,6
13,8
31,0
Διάμετρος διαφράγματος αερίου (mm)
4,8
—
5,5
—
Αριθμός μπεκ
13
Πίνακας 1
249
71.03982.03 - EL
ΟΔΗΓΙΕΣ ΓΙΑ ΤΟΝ ΕΓΚΑΤΑΣΤΑΤΗ
20. ΑΠΕΙΚΟΝΙΣΗ ΠΑΡΑΜΕΤΡΩΝ ΣΤΗΝ ΟΘΟΝΗ (ΛΕΙΤΟΥΡΓΙΑ «INFO»)
Πιέστε για τουλάχιστον 5 δευτερόλεπτα το κουμπί “i” για να απεικονιστούν στην οθόνη που βρίσκεται προσθίως του λέβητα μερικές
πληροφορίες λειτουργίας του λέβητα.
•
Ενεργήστε στα κουμπιά (
+/-
) για την απεικόνιση των ακόλουθων πληροφοριών:
A00: τιμή (°C) τρέχουσα της θερμοκρασίας νερού οικιακής χρήσης (A.C.S.) ;
A01: τιμή (°C) τρέχουσα της εξωτερικής θερμοκρασίας (με εξωτερικό αισθητήρα συνδεδεμένο) ;
A02:
τιμή (%) του ρεύματος στο διαμορφωτή (100% = 310 mA ΜΕΘΑΝΙΟ -100% = 310 mA GPL) ;
A03: τιμή (%) του range ισχύος (MAX R) ;
A04: τιμή (°C) θερμοκρασίας του setpoint θέρμανσης - - Στην περίπτωση που είναι συνδεδεμένος ο εξωτερικός αισθητήρας εμφανίζεται
η τιμή της καμπύλης “kt” (παράγραφος 26
)
;
A05: τιμή (°C) τρέχουσα της θερμοκρασίας παροχής θέρμανσης ;
A06: τιμή (°C) θερμοκρασίας του setpoint ζεστού νερού οικιακής χρήσης ;
A07: — — ;
A08: τιμή (l/minx10) της παροχής ζεστού νερού οικιακής χρήσης ;
A09: τελευταίο σφάλμα που έλαβε χώρα στο λέβητα.
•
Η λειτουργία αυτή παραμένει ενεργή για χρόνο 3 λεπτών. Μπορείτε να διακόψετε εκ των προτέρων τη λειτουργία “INFO”
πιέζοντας για τουλάχιστον 5 δευτερόλεπτα το κουμπί (i) ή διακόπτοντας την τάση στο λέβητα.
ΣΗΜΕΙΩΣΗ:
όταν η λειτουργία «INFO» είναι ενεργή, στην οθόνη (εικόνα 12) απεικονίζεται η ένδειξη «Α00» που εναλλάσσεται
στην απεικόνιση με την τιμή της θερμοκρασίας παροχής του λέβητα:
0605_2204 / C
G_1808
Εικόνα 12
250
71.03982.03 - EL
ΟΔΗΓΙΕΣ ΓΙΑ ΤΟΝ ΕΓΚΑΤΑΣΤΑΤΗ
21. ΡΥΘΜΙΣΗ ΠΑΡΑΜΕΤΡΩΝ
Για να ρυθμίσετε τις παραμέτρους του λέβητα, πατήστε ταυτόχρονα το κουμπί (
–
) και το κουμπί (
–
) για τουλάχιστον 6
δευτερόλεπτα. Όταν η λειτουργία ενεργοποιηθεί, στην οθόνη εμφανίζεται η ένδειξη “F01” που εναλλάσσεται με την τιμή της εμφανιζόμενης
παραμέτρου.
Τροποποίηση παραμέτρων
• Για να μετακινηθείτε ανάμεσα στις παραμέτρους ενεργήστε στα κουμπιά (
+/–
);
• Για να υτοποποιήσετε μια παράμετρο ενεργήστε στα κουμπιά (
+/–
);
• Για να αποθηκεύσετε την τιμή, πατήστε το κουμπί
(
)
; στην οθόνη εμφανίζεται η ένδειξη “MEM”
• Για έξοδο από τη λειτουργία χωρίς αποθήκευση, πατήστε το κουμπί (
i), στην οθόνη εμφανίζεται η ένδειξη “ESC”.
22. ΔΙΑΤΑΞΕΙΣ ΡΥΘΜΙΣΗΣ ΚΑΙ ΑΣΦΑΛΕΙΑΣ
Ο λέβητας κατασκευάζεται για να ικανοποιεί όλες τις προδιαγραφές των ευρωπαϊκών προτύπων αναφοράς, ειδικότερα διαθέτει:
• Πρεσοστάτης αέρα (μοντέλο 24 MI FF - 24 FF)
Η διάταξη αυτή επιτρέπει το άναμμα του καυστήρα μόνο σε περίπτωση τέλειας αποτελεσματικότητας του κυκλώματος απαγωγής
των καπνών.
Παρουσία κάποιας εκ των κατωτέρω ανωμαλιών:
•
τερματικό εκκένωσης εμφραγμένο
•
venturi εμφραγμένο
•
ανεμιστήρας μπλοκαρισμένος
•
σύνδεση venturi – πιεζοστάτης αποσυνδεδεμένος
ο λέβητας παραμένει εν αναμονή επισημαίνοντας τον κωδικό σφάλματος E03 (βλέπε πίνακα παραγράφου 10).
•
Θερμοστάτης καπνών (μοντέλο 24 ΜΙ - 24)
Το σύστημα αυτό, ο αισθητήρας του οποίου βρίσκεται στην αριστερή πλευρά της καπνοδόχου, διακόπτει τη ροή του αερίου στον
κύριο καυστήρα
σε περίπτωση βουλωμένης καμινάδας και/ή ανεπαρκούς ελκυσμού.
Στις συνθήκες αυτές, ο λέβητας τίθεται σε κατάσταση εμπλοκής επισημαίνοντας τον κωδικό σφάλματος Ε03 (παράγραφος 10).
Για να ξαναέχετε αμέσως ένα νέο άναμμα, αφού εξουδετερώσετε το αίτιο της επέμβασης, μπορείτε να επαναλάβετε το άναμμα
πιέζοντας το κουμπί ( ), για τουλάχιστον 2 δευτερόλεπτα.
Απαγορεύεται να θέτετε εκτός λειτουργίας αυτή τη διάταξη ασφαλείας.
Περιγραφή παραμέτρων
Εργοστασιακές ρυθμίσεις
24 MI FF
24 FF
24 MI
24
F01
Τύπος λέβητα
10 = στεγανός θάλαμος- 20 = ανοιχτός θάλαμος
10
10
20
20
F02
Τύπος χρησιμοποιούμενου αερίου
00
= ΜΕΘΑΝΙΟ
01
= GPL
02
= ΜΕΘΑΝΙΟ (
με διάφραγμα αερίου
)
02
F03
Υδραυλικό σύστημα
00 = στιγμιαία συσκευή
03 = συσκευή με εξωτερικό μπόιλερ
04 = συσκευή μόνο θέρμανσης
13 = προθέρμανση (24 ώρες)
14 = προθέρμανση (1 ώρα)
13
04
13
04
F04/ F05
Ρύθμιση προγραμματιζόμενου ρελέ 1 και 2 (Βλέπε οδηγίες Σέρβις)
00 = καμία συσχετισμένη λειτουργία
00
F06
Ρύθμιση μέγιστου setpoint (°C) θέρμανσης
00 = 85°C - 01 = 45°C (λειτουργία μη χρησιμοποιούμενη)
00
F07
Διαμόρφωση εισόδου προτεραιότητας ζεστού νερού οικιακής χρήσης
00
01
00
01
F08
Μέγιστη ισχύς σε θέρμανση (0-100%)
100
F09
Μέγιστη ισχύς σε ζεστό νερό (0-100%)
100
F10
Ελάχιστη ισχύς σε θέρμανση (0-100%)
00
F11
Χρόνος αναμονής σε θέρμανση πριν μια νέα ανάφλεξη
(00-10 λεπτά) - 00=10 δευτερόλεπτα
03
F12
Διαγνωστική (Βλέπε οδηγίες Σέρβις)
--
F13-F14-F15 Εργοστασιακή ρύθμιση
00
F16
Λειτουργία κατά της λοίμωξης από legionella
(με F03=03)
00 = λειτουργία ανενεργή
55...67 = λειτουργία ενεργή (setpoint °C)
00
F17
Επιλογή τύπου πρεσοστάτη θέρμανσης
00 = υδραυλικός πρεσοστάτης
01 = υδραυλικός διαφορικός πρεσοστάτης
00
F18
Πληροφορία για τον παραγωγό
00
251
71.03982.03 - EL
ΟΔΗΓΙΕΣ ΓΙΑ ΤΟΝ ΕΓΚΑΤΑΣΤΑΤΗ
•
Θερμοστάτης ασφαλείας
Το σύστημα αυτό, ο αισθητήρας του οποίου βρίσκεται στην κατάθλιψη της θέρμανσης, διακόπτει τη ροή του αερίου στον καυστήρα
σε περίπτωση υπερθέρμανσης του νερού στο πρωτεύον κύκλωμα. Στις συνθήκες αυτές, ο λέβητας τίθεται σε κατάσταση εμπλοκής και
μόνο μετά την εξουδετέρωση της αιτίας επέμβασης μπορείτε να επαναλάβετε το άναμμα πιέζοντας το κουμπί ( ), για τουλάχιστον
2 δευτερόλεπτα.
Απαγορεύεται να θέτετε εκτός λειτουργίας αυτή τη διάταξη ασφαλείας.
• Ανιχνευτής ιονισμού φλόγας
Το ηλεκτρόδιο ανίχνευσης, που βρίσκεται στο δεξί μέρος του καυστήρα, εγγυάται την ασφάλεια σε περίπτωση διακοπής της παροχής
αερίου ή ατελούς εσωτερικής ανάφλεξης του καυστήρα.
Στις συνθήκες αυτές ο λέβητας τίθεται σε κατάσταση εμπλοκής μετά από 3 προσπάθειες.
Πρέπει να πιέσετε το κουμπί ( ), για τουλάχιστον 2 δευτερόλεπτα, για την αποκατάσταση των ομαλών συνθηκών λειτουργίας.
•
Ανιχνευτής ιονισμού φλόγας
Το ηλεκτρόδιο ανίχνευσης, που βρίσκεται στο δεξί μέρος του καυστήρα, εγγυάται την ασφάλεια σε περίπτωση διακοπής της παροχής
αερίου ή ατελούς εσωτερικής ανάφλεξης του καυστήρα.
Στις συνθήκες αυτές ο λέβητας τίθεται σε κατάσταση εμπλοκής μετά από 3 προσπάθειες.
Πρέπει να πιέσετε το κουμπί ( ), για τουλάχιστον 2 δευτερόλεπτα, για την αποκατάσταση των ομαλών συνθηκών λειτουργίας.
•
Υδραυλικός πιεζοστάτης
Το σύστημα αυτό επιτρέπει το άναμμα του κύριου καυστήρα μόνον εάν η πίεση της εγκατάστασης είναι μεγαλύτερη των 0,5 bar .
•
Μετακυκλοφορία αντλίας κυκλώματος θέρμανσης
Η μετακυκλοφορία της αντλίας, που επιτυγχάνεται ηλεκτρονικά, έχει διάρκεια 180 δευτερολέπτων και ενεργοποιείται στη λειτουργία
θέρμανσης, μετά το σβήσιμο του καυστήρα λόγω της επέμβασης του θερμοστάτη δωματίου. μετά το σβήσιμο του καυστήρα λόγω
της επέμβασης του θερμοστάτη περιβάλλοντος.
•
Μετακυκλοφορία αντλίας κυκλώματος ζεστού νερού οικιακής χρήσης
Η μετακυκλοφορία της αντλίας, που επιτυγχάνεται ηλεκτρονικά, έχει διάρκεια 30 δευτερολέπτων και ενεργοποιείται στη λει- τουργία
ζεστού νερού οικιακής χρήσης, μετά το σβήσιμο του καυστήρα λόγω της επέμβασης του αισθητήρα .
•
Σύστημα αντιπαγωτικής προστασίας (κύκλωμα θέρμανσης και ζεστού νερού)
Η ηλεκτρονική διαχείριση του λέβητα είναι εφοδιασμένη με “αντιπαγωτική” προστασία στη λειτουργία θέρμανσης ώστε με θερμοκρασία
κατάθλιψης μικρότερης των 5 °C να τίθεται σε λειτουργία ο καυστήρας μέχρι η θερμοκρασία κατάθλιψης να φθάσει περίπου τους 30
°C. Αυτή η λειτουργία είναι ενεργή εάν ο λέβητας τροφοδοτείται με ηλεκτρισμό, εάν υπάρχει αέριο και εάν η πίεση της εγκατάστασης
είναι η προκαθορισμένη.
•
Απουσία κυκλοφορίας νερού στο πρωτεύον κύκλωμα (πιθανώς αντλία μπλοκαρισμένη)
Σε περίπτωση απουσίας ή ανεπαρκούς κυκλοφορίας νερού στο πρωτεύον κύκλωμα, ο λέβητας μπλοκάρει επισημαίνοντας τον κωδικό
σφάλματος Ε25 (παράγραφος 10).
•
Λειτουργία αντιμπλοκαρίσματος αντλίας
Σε περίπτωση που δεν υπάρχει αίτημα θερμότητας, σε λειτουργία θέρμανσης, για χρονικό διάστημα 24 συνεχών ωρών, η αντλία τίθεται
αυτόματα σε λειτουργία για 10 δευτερόλεπτα.
Αυτή η λειτουργία είναι ενεργή εάν ο λέβητας τροφοδοτείται με ηλεκτρισμό.
•
Αντιμπλοκάρισμα τρίοδης βαλβίδας
Σε περίπτωση που δεν υπάρχει αίτημα θερμότητας σε θέρμανση για χρονικό διάστημα 24 ωρών, η τρίοδη αντλία διενεργεί μια πλήρη
μετατροπή. Αυτή η λειτουργία είναι ενεργή εάν ο λέβητας τροφοδοτείται με ηλεκτρισμό.
•
Υδραυλική βαλβίδα ασφαλείας (κυκλώματος θέρμανσης)
Η διάταξη αυτή, βαθμονομημένη σε 3 bar, εξυπηρετεί το κύκλωμα θέρμανσης.
Συστήνεται να συνδέετε τη βαλβίδα ασφαλείας σε απαγωγό με σιφώνιο. Απαγορεύεται η χρήση της ως μέσου αποστράγγισης του
κυκλώματος θέρμανσης.
ΣΗΜΕΙΩΣΗ: αν χαλάσει ο αισθητήρας NTC του κυκλώματος ζεστού νερού οικιακής χρήσης, η παραγωγή ζεστού νερού είναι
εξασφαλισμένη. Στην περίπτωση αυτή ο έλεγχος της θερμοκρασίας γίνεται μέσω των αισθητήρων παροχής.
23. ΤΟΠΟΘΕΤΗΣΗ ΗΛΕΚΤΡΟΔΙΟΥ ΑΝΑΦΛΕΞΗΣ ΚΑΙ ΑΝΙΧΝΕΥΣΗΣ ΦΛΟΓΑΣ
Εικόνα 13
9912070100
252
71.03982.03 - EL
ΟΔΗΓΙΕΣ ΓΙΑ ΤΟΝ ΕΓΚΑΤΑΣΤΑΤΗ
Για την επιτόπου μέτρηση της απόδοσης καύσης και της υγιεινής των καυσαερίων ο λέβητας διαθέτει δύο υποδοχές που προορίζονται
για το συγκεκριμένο σκοπό.
Η μία παροχή είναι συνδεδεμένη στο κύκλωμα απαγωγής των καυσαερίων και επιτρέπει μετρήσεις για την υγιεινή των καυσαερίων και
την απόδοση της καύσης .
Η άλλη παροχή είναι συνδεδεμένη στο κύκλωμα αναρρόφησης του αέρα καύσης και επιτρέπει τον έλεγχο ενδεχόμενης ανακύκλωσης
των προϊόντων της καύσης σε περίπτωση ομοαξονικών αγωγών .
Από την παροχή που είναι συνδεδεμένη με το κύκλωμα καυσαερίων μπορούν να μετρηθούν οι ακόλουθες παράμετροι:
• θερμοκρασία προϊόντων της καύσης
• συγκέντρωση οξυγόνου (O
2
) ή, εναλλακτικά, διοξειδίου του άνθρακα (CO
2
)
• συγκέντρωση μονοξειδίου του άνθρακα (CO).
Η θερμοκρασία του αέρα καύσης πρέπει να μετράται από την παροχή που είναι συνδεδεμένη στο κύκλωμα αναρρόφησης του αέρα,
εισάγοντας τον αισθητήρα μέτρησης για περίπου 3 cm.
ΣΗΜΕΙΩΣΗ:
για τη ρύθμιση της ονομαστικής ισχύος βλέπε κεφάλαιο 19 (B1)
Για τα μοντέλα λέβητα φυσικού ελκυσμού είναι αναγκαία η διάνοιξη οπής στον αγωγό απαγωγής καυσαερίων σε απόσταση από το
λέβητα 2 φορές μεγαλύτερη από την εσωτερική διάμετρο του αγωγού.
Μέσω της οπής αυτής μπορούν να μετρηθούν οι ακόλουθες παράμετροι:
• θερμοκρασία προϊόντων της καύσης
• συγκέντρωση οξυγόνου (Ο
2
) ή, εναλλακτικά, διοξειδίου του άνθρακα (CO
2
).
• συγκέντρωση μονοξειδίου του άνθρακα (CO).
Η μέτρηση της θερμοκρασίας του αέρα καύσης πρέπει να γίνεται κοντά στην είσοδο του αέρα στο λέβητα. Η οπή, η διάνοιξη της οποίας
πρέπει να γίνει από τον υπεύθυνο εγκατάστασης κατά την πρώτη θέση σε λειτουργία, πρέπει να είναι κλειστή έτσι ώστε να εξασφαλίζεται
η στεγανότητα του αγωγού απαγωγής των προϊόντων της καύσης κατά τη διάρκεια της ομαλής λειτουργίας.
24. ΕΛΕΓΧΟΣ ΠΑΡΑΜΕΤΡΩΝ ΚΑΥΣΗΣ 25. ΧΑΡΑΚΤΗΡΙΣΤΙΚΑ ΠΑΡΟΧΗΣ / ΜΑΝΟΜΕΤΡΙΚΟΥ ΥΨΟΥΣ ΣΤΗΝ ΠΛΑΚΑ
Η χ ρ η σ ι μ ο π ο ι ο ύ μ ε ν η α ν τ λ ί α
ε ίν α ι
( G RU N DF O S U P S O 1 5 -
50) τύπου υψηλού μανομετρικού
ύψους κατάληλη γιατη’χρήση σε
οποιαδήποτε τύπo εγκατάστασης
θέρμανσης μονού ή δύο σωλήνων. Η
βαλβίδα αυτόματηςεκτόνωσης αέρα
ενσωματωμένη στο σώμα της αντλίας
επιτρέπει ταχεία απαέρωση της
εγκατάστασης θέρμανσης.
Γράφημα 1
ΠΑΡΟΧΗ l/h
ΜΑΝ
Ο
ΜΕΤΡ
ΙΚ
Ο Υ
Ψ
Ο
Σ mH
2
O
1009_2401
1009_2402
ΜΑΝ
Ο
ΜΕΤΡ
ΙΚ
Ο Υ
Ψ
Ο
Σ mH
2
O
ΠΑΡΟΧΗ l/h
253
71.03982.03 - EL
ΟΔΗΓΙΕΣ ΓΙΑ ΤΟΝ ΕΓΚΑΤΑΣΤΑΤΗ
26. ΣΥΝΔΕΣΗ ΤΟΥ ΕΞΩΤΕΡΙΚΟΥ ΑΙΣΘΗΤΗΡΑ
Στην καλωδίωση που εξέρχεται από το ταμπλό, υπάρχουν δύο καλώδια χρώματος ΚΟΚΚΙΝΟΥ που διαθέτουν σώματα- faston κεφαλής.
Συνδέστε τον εξωτερικό αισθητήρα στα άκρα αυτών των δύο καλωδίων.
Με εξωτερικό αισθητήρα συνδεδε- μένο μπορείτε να αλλάξετε την καμπύλη “kt” (Γράφημα 2) ενεργώντας στα κουμπιά
+/-
.
ΣΗΜΕΙΩΣΗ : Στην περίπτωση εγκατάστασης σε ένα μέσο οικιακό χώρο (καλή περιμετρική μόνωση και εγκατάσταση καλοριφέρ)
συστήνεται να θέσετε την κλιματική καμπύλη “kt” στην τιμή “25”.
ΤΜ = Εύρος θερμοκρασιών παροχής
Τe = εξωτερική θερμοκρασία
Γράφημα 2
TM
Te
Καμπύλες «kt»
27. ΣΥΝΔΕΣΗ ΕΞΩΤΕΡΙΚΗΣ ΜΟΝΑΔΑΣ ΜΠΟΙΛΕΡ
Μοντέλο 24 - 24FF
Ο αισθητήρας NTC προτεραιότητας ζεστού νερού παρέχεται ως αξεσουάρ.
ΣΥΝΔΕΣΗ ΑΙΣΘΗΤΗΡΑ ΜΠΟΙΛΕΡ
Ο λέβητας είναι έτοιμος για τη σύνδεση ενός εξωτερικού μπόιλερ. Συνδέστε υδραυλικά το μπόιλερ όπως στην εικόνα 14. Συνδέστε τον
αισθητήρα ΝΤC προτεραιότητας νερού οικιακής χρήσης στους ακροδέκτες 5-6 της συστοιχίας ακροδεκτών Μ2. Το ευαίσθητο στοιχείο
του αισθητήρα ΝΤC πρέπει να εισαχθεί στη σχετική δεξαμενή που προβλέπεται στο ίδιο το μπόιλερ. Η ρύθμιση της θερμοκρασίας του
νερού οικιακής χρήσης (35°C...60°C) διενεργείται ενεργώντας στα κουμπιά
+/–
.
Εικόνα 14
ΥΠΟΜΝΗΜΑ:
UB
ΜΟΝΑΔΑ ΜΠΟΙΛΕΡ
UR ΜΟΝΑΔΑ ΘΕΡΜΑΝΣΗΣ
V3V
ΤΡΙΟΔΗ ΕΞΩΤΕΡΙΚΗ ΒΑΛΒΙΔΑ
M2
ΣΥΣΤΟΙΧΙΑ ΑΚΡΟΔΕΚΤΩΝ
ΣΥΝΔΕΣΗΣ
SB
ΑΙΣΘΗΤΗΡΑΣ ΜΠΟΙΛΕΡ
ΠΡΟΤΕΡΑΙΟΤΗΤΑΣ ΖΕΣΤΟΥ ΝΕΡΟΥ
MR ΠΑΡΟΧΗ ΘΕΡΜΑΝΣΗΣ
MB
ΠΑΡΟΧΗ ΜΠΟΙΛΕΡ
RR
ΕΠΙΣΤΡΟΦΗ ΘΕΡΜΑΝΣΗΣ/
ΜΠΟΙΛΕΡ
ΠΡΟΣΟΧΗ :
Βεβαιωθείτε ότι η παράμετρος F03 = 03 (παράγραφος 21).
1012_0501
CG_2085 / 1101_1701
254
71.03982.03 - EL
ΟΔΗΓΙΕΣ ΓΙΑ ΤΟΝ ΕΓΚΑΤΑΣΤΑΤΗ
Για τη διασφάλιση βέλτιστης αποτελεσματικότητας του λέβητα πρέπει να διενεργείτε ετησίως τους ακόλουθους ελέγχους:
• Έλεγχος της όψης και της αντοχής των τσιμουχών του κυκλώματος αερίου και του κυκλώματος καύσης.
• Έλεγχος της κατάστασης και της σωστής θέσης των ηλεκτροδίων ανάφλεξης και καταγραφής φλόγας.
• Έλεγχος της κατάστασης του καυστήρα και της στερέωσής του.
• Έλεγχος για ενδεχόμενες ακαθαρσίες στο εσωτερικό του θαλάμου καύσης.
Για το σκοπό αυτό χρησιμοποιήστε μια ηλεκτρική σκούπα για τον καθαρισμό.
• Έλεγχος της σωστής βαθμονόμησης της βαλβίδας αερίου.
• Έλεγχος της πίεσης του συστήματος θέρμανσης.
• Έλεγχος της πίεσης του δοχείου εκτόνωσης.
• Έλεγχος της σωστής λειτουργίας του ανεμιστήρα.
• Έλεγχος για το αν είναι εμφραγμένοι οι αγωγοί αποστράγγισης και αναρρόφησης.
ΠΡΟΕΙΔΟΠΟΙΗΣΕΙΣ
Πριν από οποιαδήποτε επέμβαση, βεβαιωθείτε ότι ο λέβητας δεν τροφοδοτείται ηλεκτρικά.
Αφού τελειώσουν οι εργασίες συντήρησης, επαναφέρετε τους επιλογείς ή/και τις παραμέτρους λειτουργίας του λέβητα στις αρχικές
θέσεις.
28. ΕΤΗΣΙΑ ΣΥΝΤΗΡΗΣΗ
Η εκκένωση του λέβητα μπορεί να διενεργηθεί μέσω της σχετικής στρόφιγγας που βρίσκεται στο λέβητα.
Στους λέβητες MS 24 MI και MS 24 MI FF η στρόφιγγα που φέρει λάστιχο βρίσκεται στη βάση ενώ για τους λέβητες MS 24 και MS 24
FF βρίσκεται δίπλα στην αντλία (1 – εικ. 15).
Για να αδειάσετε το λέβητα με τη στρόφιγγα φορέα λάστιχου ευρισκόμενη στη βάση του λέβητα προχωρήστε όπως περιγράφεται στη
συνέχεια (εικ. 15):
- Κλείστε τις στρόφιγγες ανάσχεσης του λέβητα
- ανοίξτε τη στρόφιγγα φορέα λάστιχου χρησιμοποιώντας ένα εξαγωνικό κλειδί 8 mm
- εκκενώστε το λέβητα.
- κλείστε τη στρόφιγγα φορέα λάστιχου χρησιμοποιώντας το εξαγωνικό κλειδί 8mm
29. ΕΚΚΕΝΩΣΗ ΚΥΚΛΩΜΑΤΟΣ ΛΕΒΗΤΑ
CG_2284 / 1009_2405
Εικόνα 15
255
71.03982.03 - EL
ΟΔΗΓΙΕΣ ΓΙΑ ΤΟΝ ΕΓΚΑΤΑΣΤΑΤΗ
Τα φίλτρα νερού οικιακής χρήσης και του κυκλώματος θέρμανσης βρίσκονται στο εσωτερικό αντίστοιχων αποσπώμενων φυσιγγίων. Η
φύσιγγα του κυκλώματος θέρμανσης βρίσκεται στην επιστροφή της θέρμανσης (εικόνα 16F). Η φύσιγγα του κυκλώματος νερού οικιακής
χρήσης βρίσκεται στην είσοδο του κρύου νερού (εικόνα 16Ε). Για τον καθαρισμό, ενεργήστε ως εξής:
• διακόψτε την ηλεκτρική τροφοδοσία του λέβητα
• κλείστε τη στρόφιγγα του νερού εισόδου οικιακής χρήσης
• Αδειάστε το νερό από το κύκλωμα θέρμανσης ανοίγοντας τη στρόφιγγα Α της εικόνας 16
• αφαιρέστε το κλιπ (1-Ε/F) του φίλτρου όπως φαίνεται στην εικόνα και βγάλτε τη φύσιγγα (2-Ε/F) που περιέχει το φίλτρο φροντίζοντας
να μην ασκήσετε υπερβολική δύναμη
• για να βγάλετε τη φύσιγγα του φίλτρου θέρμανσης πρέπει πρώτα να αφαιρέσετε τον κινητήρα της τρίοδης βαλβίδας (1-2G- εικόνα 16)
• αφαιρέστε από το φίλτρο ενδεχόμενες ακαθαρσίες και κατακαθίσεις
• επανατοποθετήστε το φίλτρο στο εσωτερικό της φύσιγγας και εισάγετε εκ νέου την ίδια στην έδρα της ασφαλίζοντάς την με το κλιπ της
• για την αντικατάσταση του αισθητήρα ΝΤC νερού οικιακής χρήσης, βλέπε εικόνα 16D.
ΠΡΟΕΙΔΟΠΟΙΗΣΗ
Σε περίπτωση αντικατάστασης και/ή καθαρισμού των δακτυλίων “OR” της υδραυλικής μονάδας, μη χρησιμοποιείτε για τη λίπανση λάδι ή
γράσο, αλλά μόνο Molykote 111.
30. ΚΑΘΑΡΙΣΜΟΣ ΤΩΝ ΦΙΛΤΡΩΝ
Ο καθαρισμός του κυκλώματος ζεστού νερού μπορεί να γίνει χωρίς την αφαίρεση του εναλλάκτη νερού-νερού αν η πλάκα διαθέτει
εξ αρχής το ειδικό ρουμπινέτο (κατόπιν παραγγελίας) τοποθετημένο στην έξοδο ζεστού νερού οικιακής χρήσης. Για τον καθαρισμό
ενεργήστε ως εξής:
• Κλείστε το ρουμπινέτο εισόδου νερού οικιακής χρήσης
• Αδειάστε το νερό από το κύκλωμα ζεστού νερού ανοίγοντας ένα ρουμπινέτο παροχής
• Κλείστε το ρουμπινέτο εξόδου νερού οικιακής χρήσης
• Αφαιρέστε το κλιπ 1Ε της εικόνας 16
• Βγάλτε το φίλτρο (2Ε εικ. 16)
• για την αντικατάσταση του αισθητήρα ΝΤC νερού οικιακής χρήσης, βλέπε εικόνα 16D.
Σε περίπτωση που δεν υπάρχει ειδικός εξοπλισμός, πρέπει να αφαιρέσετε τον εναλλάκτη νερού-νερού όπως περιγράφεται στην επόμενη
παράγραφο και να τον καθαρίσετε χωριστά. Συνιστάται επίσης να καθαρίζετε από τα άλατα την έδρα και το σχετικό αισθητήρα ΝΤC
στο κύκλωμα ζεστού νερού (εικόνα 16D).
Για τον καθαρισμό του εναλλάκτη και/ή του κυκλώματος ζεστού νερού συνιστάται η χρήση Cillit FFW-AL ή Beckinser HF-AL.
31. ΚΑΘΑΡΙΣΜΟΣ ΑΛΑΤΩΝ ΑΠΟ ΤΟ ΚΥΚΛΩΜΑ ΖΕΣΤΟΥ ΝΕΡΟΥ
256
71.03982.03 - EL
ΟΔΗΓΙΕΣ ΓΙΑ ΤΟΝ ΕΓΚΑΤΑΣΤΑΤΗ
Ο εναλλάκτης νερού-νερού είναι με πλάκες από ατσάλι ανοξείδωτο και μπορεί να αφαιρεθεί εύκολα χρησιμοποιώντας εξαγωνικό κατσαβίδι
και ενεργώντας όπως περιγράφεται στη συνέχεια:
• αδειάστε την εγκατάσταση, κατά προτίμηση μόνο το λέβητα, από την ειδική στρόφιγγα αποστράγγισης;
• αδειάστε το νερό από το κύκλωμα ζεστού νερού
• ξεβιδώστε το σωλήνα σύνδεσης του δοχείου εκτόνωσης στην υδραυλική μονάδα
• αφαιρέστε τον πρεσοστάτη θέρμανσης (16H) χωρίς να αποσυνδέσετε την καλωδίωση
• βγάλτε τις δύο βίδες (εικ. 16Β), από την πρόσοψη, που στερεώνουν τον εναλλάκτη νερού-νερού και αφαιρέστε τον από την έδρα
του χρησιμοποιώντας το χώρο που δημιουργήθηκε αφού αφαιρέσετε τοιν πρεσοστάτη θέρμανσης
• καθαρίστε τον εναλλάκτη και επανατοποθετήστε τον στην έδρα του
• ξαναβιδώστε το σωλήνα σύνδεσης του δοχείου εκτόνωσης στην υδραυλική μονάδα
• επανατοποθετήστε τον υδραυλικό πρεσοστάτη στην έδρα του.
32. ΑΠΟΣΥΝΑΡΜΟΛΟΓΗΣΗ ΕΝΑΛΛΑΚΤΗ ΝΕΡΟΥ-ΝΕΡΟΥ
ΠΡΟΕΙΔΟΠΟΙΗΣΗ
Δώστε τη μέγιστη προσοχή κατά την αποσυναρμολόγηση των ξεχωριστών μερών της υδραυλικής μονάδας.
Μη χρησιμοποιείτε αιχμηρά εργαλεία, μην ασκείτε υπερβολική δύναμη στην αφαίρεση των κλιπ στερέωσης.
Εικόνα 16
CG_2078 / 1009_2201
257
71.03982.03 - EL
ΟΔΗΓΙΕΣ ΓΙΑ ΤΟΝ ΕΓΚΑΤΑΣΤΑΤΗ
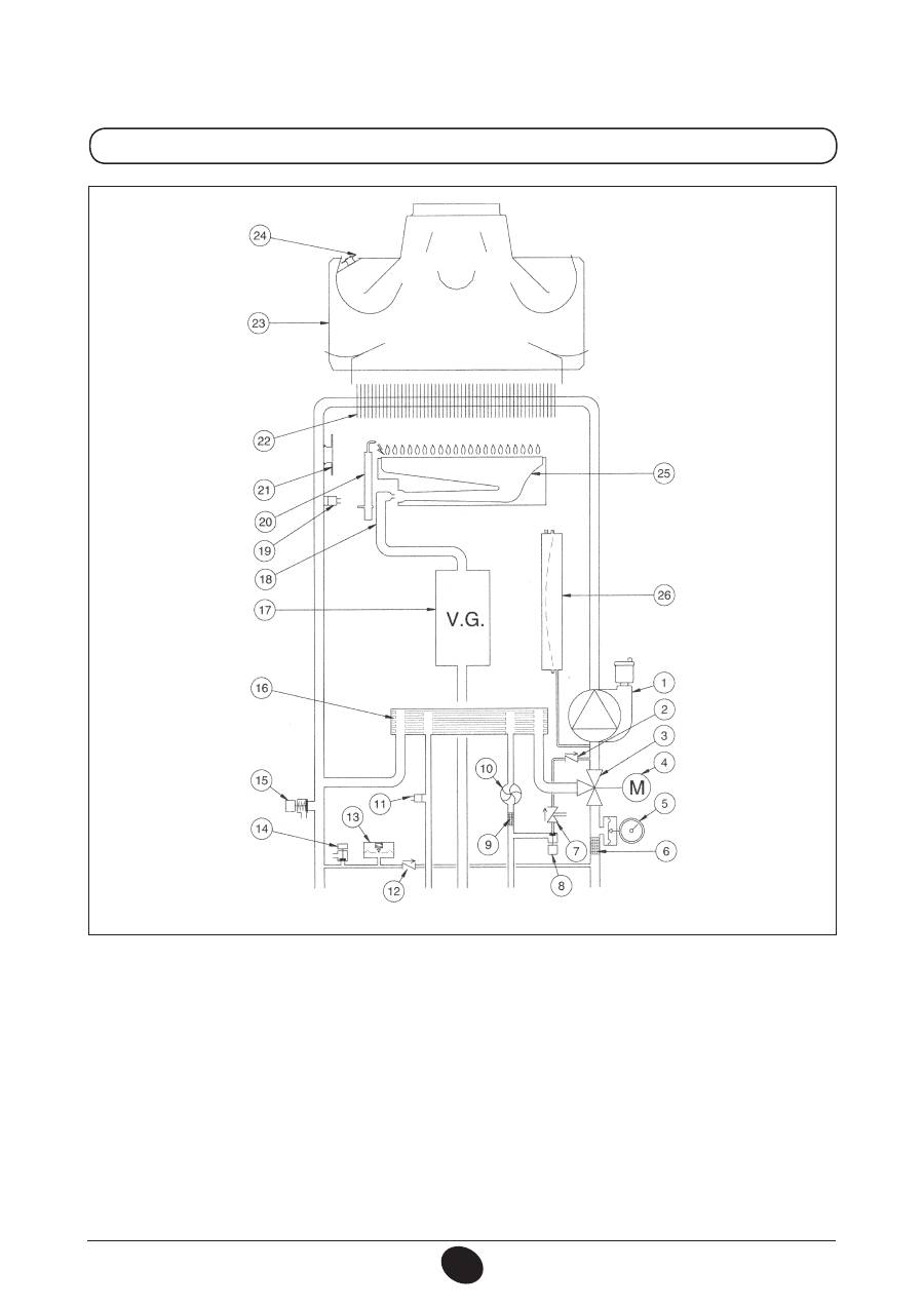
33. ΛΕΙΤΟΥΡΓΙΚΟ ΣΧΕΔΙΟ ΚΥΚΛΩΜΑΤΩΝ
24 MI FF
Υπόμνημα:
1 Αντλία με διαχωριστή αέρα
2 Ανεπίστροφη βαλβίδα
3 Τρίοδη βαλβίδα
4 Κινητήρας τρίοδη βαλβίδα
5 Μανόμετρο
6 Αποσπώμενο φίλτρο κυκλώματος θέρμανσης
7 Αποζεύκτης
8 Στρόφιγγα εφοδιασμού λέβητα
9 Αποσπώμενο φίλτρο κρύου νερού οικιακής χρήσης
10 Αισθητήρας προτεραιότητα νερού οικιακής χρήσης
11 Αισθητήρας NTC νερού οικιακής χρήσης
12 Βαλβίδα συγκράτησης σε αυτόματο by-pass
13 Υδραυλικός πρεσοστάτης
14 Στρόφιγγα αποστράγγισης λέβητα
15 Βαλβίδα ασφαλείας
16 Εναλλάκτης νερού-νερού με πλάκες
17 Βαλβίδα αερίου με διάφραγμα αερίου
18 Ράμπα αερίου με ακροφύσια
19 Αισθητήρας NTC θέρμανσης
20 Ηλεκτρόδιο ανάφλεξης/ανίχνευσης φλόγας
21 Θερμοστάτης ασφαλείας
22 Εναλλάκτης νερού-καυσαερίων
23 Συλλέκτης καπνών
24 Ανεμιστήρας
25
Venturi
26 Υποδοχή θετικής πίεσης
27 Υποδοχή αρνητικής πίεσης
28 Πρεσοστάτης αέρα
29 Καυστήρας
30 Δοχείο εκτόνωσης
Εικόνα 17
παροχή
θέρμανσης
Έξοδος
νερού
οικιακής
χρήσης
Αέριο
Είσοδος
νερού
οικιακής
χρήσης
Επιστροφή
θέρμανσης
CG_2269 / 1006_1805
258
71.03982.03 - EL
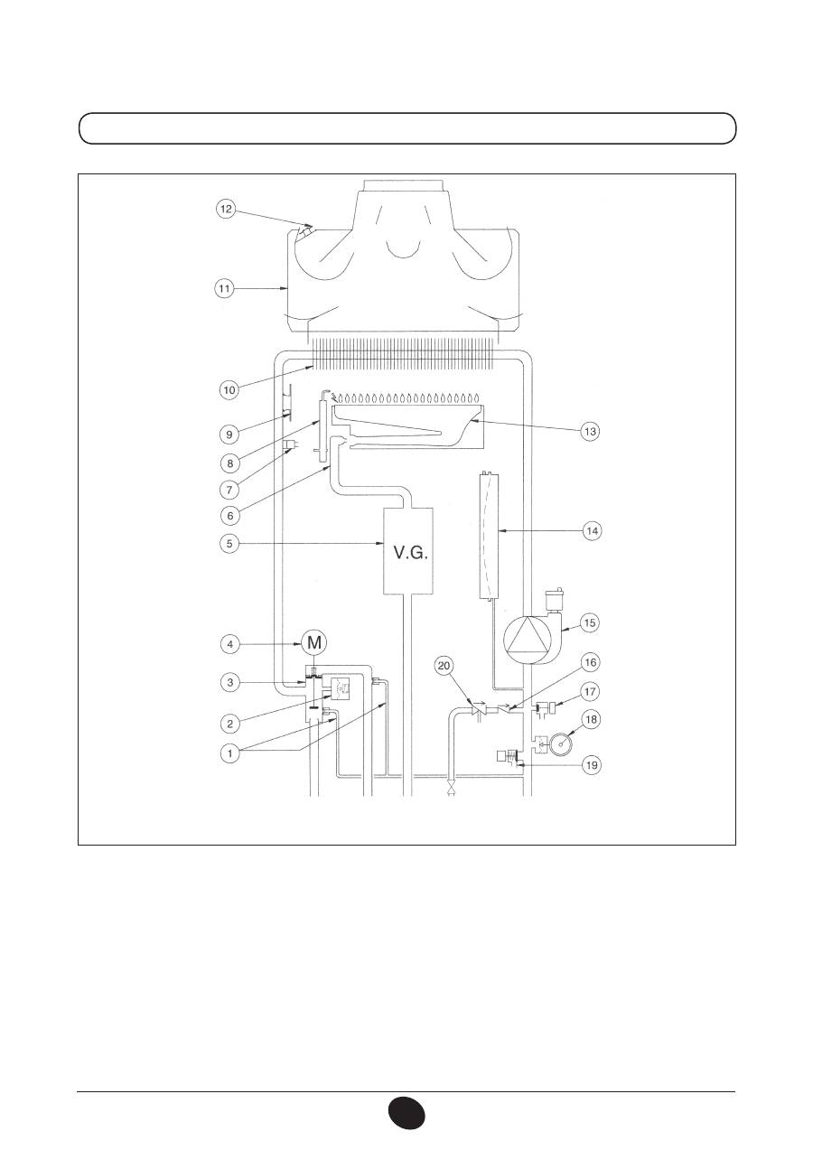
ΟΔΗΓΙΕΣ ΓΙΑ ΤΟΝ ΕΓΚΑΤΑΣΤΑΤΗ
24 MI
Υπόμνημα:
1 Αντλία με διαχωριστή αέρα
2 Ανεπίστροφη βαλβίδα
3 Τρίοδη βαλβίδα
4 Κινητήρας τρίοδη βαλβίδα
5 Μανόμετρο
6 Αποσπώμενο φίλτρο κυκλώματος θέρμανσης
7 Αποζεύκτης
8 Στρόφιγγα εφοδιασμού λέβητα
9 Αποσπώμενο φίλτρο κρύου νερού οικιακής χρήσης
10 Αισθητήρας προτεραιότητα νερού οικιακής χρήσης
11 Αισθητήρας NTC νερού οικιακής χρήσης
12 Βαλβίδα συγκράτησης σε αυτόματο by-pass
13 Υδραυλικός πρεσοστάτης
14 Στρόφιγγα αποστράγγισης λέβητα
15 Βαλβίδα ασφαλείας
16 Εναλλάκτης νερού-νερού με πλάκες
17 Βαλβίδα αερίου με διάφραγμα αερίου
18 Ράμπα αερίου με ακροφύσια
19 Αισθητήρας NTC θέρμανσης
20 Ηλεκτρόδιο ανάφλεξης/ανίχνευσης φλόγας
21 Θερμοστάτης ασφαλείας
22 Εναλλάκτης νερού-καυσαερίων
23 Συλλέκτης καπνών
24 Θερμοστάτης καυσαερίων
25 Καυστήρας
26 Δοχείο εκτόνωσης
Εικόνα 18
Παροχή
θέρμανσης
Έξοδος
νερού οικιακής
χρήσης
Αέριο
Είσοδος
νερού οικιακής
χρήσης
Επιστροφή
θέρμανσης
CG_2270 / 1006_1806
259
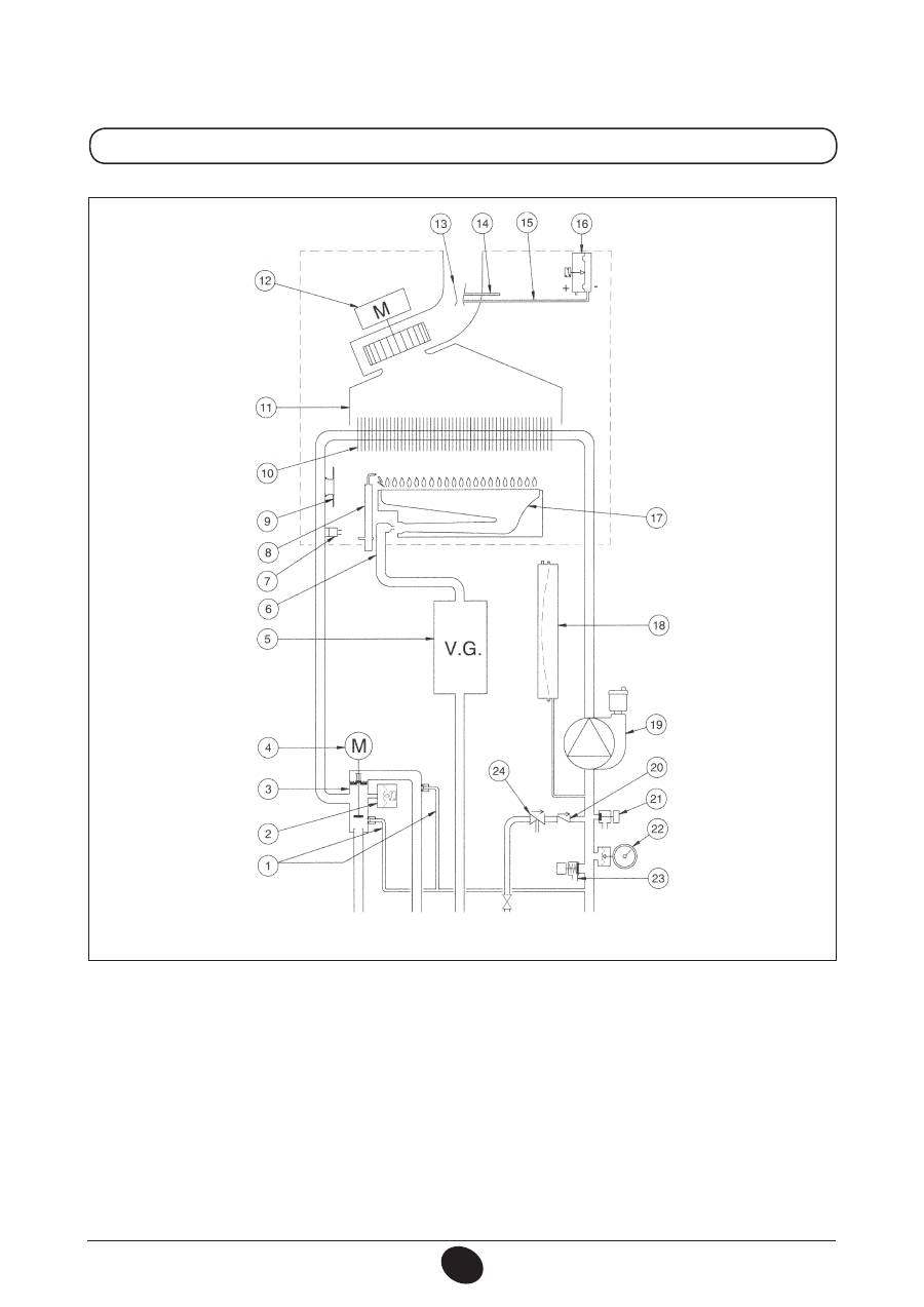
71.03982.03 - EL
ΟΔΗΓΙΕΣ ΓΙΑ ΤΟΝ ΕΓΚΑΤΑΣΤΑΤΗ
24 FF
Υπόμνημα:
1 Βαλβίδα συγκράτησης σε αυτόματο by-pass
2 Υδραυλικός πρεσοστάτης
3 Τρίοδη βαλβίδα
4 Κινητήρας τρίοδη βαλβίδα
5 Βαλβίδα αερίου με διάφραγμα αερίου
6 Ράμπα αερίου με ακροφύσια
7 Αισθητήρας NTC θέρμανσης
8 Ηλεκτρόδιο ανάφλεξης/ανίχνευσης φλόγας
9 Θερμοστάτης ασφαλείας
10 Εναλλάκτης νερού-καυσαερίων
11 Συλλέκτης καπνών
12 Ανεμιστήρας
13
Venturi
14 Υποδοχή θετικής πίεσης
15 Υποδοχή αρνητικής πίεσης
16 Πρεσοστάτης αέρα
17 Καυστήρας
18 Δοχείο εκτόνωσης
19 Αντλία με διαχωριστή αέρα
20 Ανεπίστροφη βαλβίδα
21 Στρόφιγγα αποστράγγισης λέβητα
22 Μανόμετρο
23 Βαλβίδα ασφαλείας
24 Αποζεύκτης
Εικόνα 19
Παροχή
θέρμανσης
Αέριο
Είσοδος
νερού οικιακής
χρήσης
Επιστροφή
θέρμανσης
CG_2267 / 1006_2102
Παροχή
μπόιλερ
260
71.03982.03 - EL
ΟΔΗΓΙΕΣ ΓΙΑ ΤΟΝ ΕΓΚΑΤΑΣΤΑΤΗ
24
Υπόμνημα:
1 Βαλβίδα συγκράτησης σε αυτόματο by-pass
2 Υδραυλικός πρεσοστάτης
3 Τρίοδη βαλβίδα
4 Κινητήρας τρίοδη βαλβίδα
5 Βαλβίδα αερίου με διάφραγμα αερίου
6 Ράμπα αερίου με ακροφύσια
7 Αισθητήρας NTC θέρμανσης
8 Ηλεκτρόδιο ανάφλεξης/ανίχνευσης φλόγας
9 Θερμοστάτης ασφαλείας
10 Εναλλάκτης νερού-καυσαερίων
11 Συλλέκτης καπνών
12 Θερμοστάτης καυσαερίων
13 Καυστήρας
14 Δοχείο εκτόνωσης
15 Αντλία με διαχωριστή αέρα
16 Ανεπίστροφη βαλβίδα
17 Στρόφιγγα αποστράγγισης λέβητα
18 Μανόμετρο
19 Βαλβίδα ασφαλείας
20 Αποζεύκτης
Εικόνα 20
Παροχή
θέρμανσης
Αέριο
Είσοδος
νερού οικιακής
χρήσης
Επιστροφή
θέρμανσης
CG_2268 / 1006_2103
Παροχή
μπόιλερ

