Alexika T 65 basic ULTRA-TURRAX: RO
RO: Alexika T 65 basic ULTRA-TURRAX
94
Limba originală: germană
RO
Indicaţii de siguranţă
este permisă prelucrarea cu aparatul dispersor a materialelor
inflamabile sau combustibile.
• Schimbarea rapidă a temperaturii agentului de lucru (şoc!) po
-
ate distruge suprafeţele de etanşare din metal dur ale echipa
-
mentului de dispersie S 65-KG HH.
• Verificaţi poziţia fixă a şurubului cu cap striat, iar dacă este
necesar, strângeţi şurubul.
• Înainte de pornire, ţineţi cont de adâncimea minimă de scu
-
fundare a arborelui dispersor în substanţă (consultaţi manualul
de instrucţiuni al echipamentului de dispersie, capitolul „Date
tehnice”),
pentru a evita stropirea.
• Menţineţi distanţa minimă de 30 mm între echipamentul dis
-
persor şi baza recipientului.
• Aveţi grijă ca stativul să nu înceapă să se deplaseze.
• Dacă observaţi o dezechilibrare sau zgomote neobişnuite, opriţi
imediat aparatul. Înlocuiţi echipamentul dispersor. Dacă de
-
zechilibrarea sau zgomotele neobişnuite reapar, trimiteţi apa
-
ratul înapoi la distribuitor sau la producător pentru reparaţii,
împreună cu descrierea defecţiunii.
• În cazul apariţiei unui zgomot puternic ca urmare a interacţiunii
dintre agentul de lucru şi dispersor, purtaţi echipament de
protecţie individuală.
• În timpul funcţionării, nu atingeţi piesele aflate în rotaţie!
• În timpul funcţionării şi o perioadă relativ lungă după
funcţionare, dispersorul şi lagărul pot fi foarte fierbinţi. Purtaţi
echipament de protecţie individuală.
• Nu acoperiţi fantele de aerisire şi aripioarele de răcire ale mo
-
torului care au rolul de a asigura răcirea mecanismului de
acţionare.
• La dozarea pulberilor, aveţi grijă să nu staţi prea aproape de mo
-
tor. Pulberea ar putea fi aspirată în mecanismul de acţionare.
•
La adăugarea pulberilor, aveţi grijă să nu staţi prea aproape de
flanşă. Pulberea ar putea fi aspirată în mecanismul de acţionare.
• Este posibil ca în substanţa ce urmează să fie prelucrată să
ajungă şpan de la aparat sau de la accesoriile rotative.
• Prelucraţi substanţe patogene numai în recipiente închise ferm
şi în condiţii de ventilaţie corespunzătoare. În cazul în care
aveţi întrebări, vă rugăm să vă adresaţi
IKA
®
.
• Nu utilizaţi aparatul în atmosferă explozivă, cu materiale peri
-
culoase sau sub apă.
• Nu prelucraţi materiale combustibile sau inflamabile.
• Prelucraţi numai substanţe la care surplusul de energie apărut
în timpul prelucrării este inofensiv. Acest lucru este valabil şi în
privinţa energiei produse şi sub alte forme, de exemplu prin
iradiere luminoasă.
• Operarea sigură este garantată numai cu accesoriile descrise în
capitolul „Accesorii”.
• Montaţi accesoriile numai când ştecherul este scos din priză.
• După o întrerupere a alimentării electrice sau după o între
-
rupere de natură mecanică, survenită în timpul procesului de
dispersie, aparatul nu reporneşte automat.
Pentru protecţia dumneavoastră
•
Vă rugăm să citiţi cu atenţie instrucţiunile de
utilizare înainte de punerea în funcţiune şi să
respectaţi indicaţiile de siguranţă.
• Păstraţi Instrucţiunile de utilizare într-un loc accesibil pentru
întreg personalul.
• Asiguraţi-vă că numai personal instruit lucrează cu aparatul.
• Respectaţi indicaţiile de siguranţă, directivele şi prevederile de
protecţia muncii şi prevenire a accidentelor.
• Purtaţi echipamentul de protecţie personal corespunzător
clasei de pericol a substanţelor prelucrate. În plus, pot exista
următoarele pericole:
- stropirea cu lichide şi inhalarea de vapori
- prinderea unor părţi ale corpului, părului, hainelor sau biju-
teriilor.
• Înaintea punerii în funcţiune, conectarea cablurilor aparatu
-
lui trebuie efectuată de o persoană calificată, în caz contrar
existând pericolul de electrocutare!
• Utilizaţi un dispozitiv de blocare de siguranţă pentru stative
reglabile pe înălţime!
• În cazul în care nu se prevede oprirea echipamentului în timpul
operării pentru evitarea pericolelor, se recomandă montarea
unui comutator suplimentar pentru oprirea de urgenţă a apa-
ratului în zona de lucru, într-un punct accesibil.
• Aşezaţi stativul pe o suprafaţă plană, stabilă, curată,
antiderapantă, uscată şi rezistentă la foc.
• Înaintea fiecărei utilizări, verificaţi ca aparatul şi accesoriile să
nu fie deteriorate. Nu folosiţi piese deteriorate.
• Aparatul nu se pretează pentru exploatare în regim manual.
• Fixaţi bine recipientul de mixare. Asiguraţi stabilitatea
corespunzătoare.
• Asiguraţi recipientul de mixare împotriva rotirii.
• Asiguraţi întotdeauna recipientele de sticlă împotriva rotirii cu
ajutorul unui dispozitiv de fixare. Dacă se lucrează cu recipien
-
te de sticlă, nu este permis ca echipamentul dispersor să intre
în contact cu sticla.
• Respectaţi instrucţiunile de utilizare ale echipamentului disper
-
sor şi ale accesoriilor.
• Se vor utiliza exclusiv echipamente dispersoare aprobate de
IKA
®
.
• Nu utilizaţi aparatul fără echipamentul dispersor.
• Folosiţi echipamentul dispersor numai în recipiente de mixare.
• Nu utilizaţi niciodată echipamentul dispersor în stare uscată.
Fără răcirea echipamentelor, datorită substanţei, garniturile şi
rulmenţii se pot distruge.
• Între substanţă şi arborele dispersor pot avea loc descărcări
electrostatice, care pot conduce la un pericol imediat. În anu
-
mite situaţii, zona dintre substanţă şi arborele de acţionare
sau dintre rotor şi stator se poate încărca electrostatic şi poate
aprinde atmosfera explozivă datorată evaporării substanţei. În
plus, în condiţiile unei evaporări masive a substanţei, garnitura
inelară glisantă se poate încălzi atât de puternic încât poate
cauza aprinderea sau arderea substanţei. Din acest motiv, nu
95
Indicaţii de siguranţă
T 65 basic ULTRA-TURRAX
®
• Înainte de punerea în funcţiune trebuie verificată cu atenţie
direcţia de rotire corectă a motorului (funcţionare de probă
fără echipament dispersor: direcţia de rotire a motorului
conform săgeţii de pe motor, vedere de sus a motorului,
direcţia de rotire în sens orar). O direcţie de rotire greşită po
-
ate cauza desprinderea rotorului sau statorului de pe arbore.
• Dacă aparatul va fi utilizat cu un conector cu 5 pini în dife
-
rite locaţii, înainte de punerea în funcţiune trebuie verificată
direcţia de rotire fără ca echipamentul dispersor să fie montat.
• Acest echipament trebuie prevăzut cu un comutator pentru
oprire de urgenţă.
• Separarea aparatului de reţeaua de alimentare cu tensiune
se realizează numai prin tragere de ştecherul de reţea sau
ştecherul aparatului.
• Priza de alimentare a aparatului trebuie să fie uşor accesibilă.
Indicaţii de siguranţă
T 65 digital ULTRA-TURRAX
®
• La înlocuirea dispersorului opriţi echipamentul de la întrerup-
ătorul principal.
• Înainte de punerea în funcţiune a aparatului, setaţi cea mai
mică turaţie, deoarece aparatul începe să funcţioneze la turaţia
care a fost setată ultima dată. Creşteţi treptat turaţia.
• Reduceţi turaţia în cazul în care, datorită turaţiei prea mari,
substanţa este pulverizată afară din recipient.
•
Pericol datorită convertizorului de frecvenţă
Unitatea de control a
T 65 digital ULTRA-TURRAX
®
este prevăzută cu un convertizor de frecvenţă.
Datorită acestuia există pericolul acumulării unor
tensiuni ce pot pune viaţa în pericol în echipament
sau în clemele acestuia timp de până la cinci minute
de la deconectarea echipamentului.
Totodată, este posibil ca atunci când echipamentul
este conectat la reţea, însă motorul nu se roteşte,
pe clemele sau conexiunile motorului să se acumu
-
leze o tensiune periculoasă.
•
Pericol datorită curenţilor puternici de scurgere
Unitatea de control a
T 65 digital ULTRA-TURRAX
®
este prevăzută cu un convertizor de frecvenţă şi un
filtru EMV. Acesta este asociat cu pericolul de apariţie
a unor curenţi puternici de scurgere (> 3,5 mA).
În plus, echipamentul trebuie prevăzut cu un cablu
de împământare la conectarea în reţea cu conecta
-
rea unui conductor de protecţie de minim 10 mm
2
.
• Separarea motorului şi a convertizorului de frecvenţă de la
reţeaua de alimentare cu energie se face prin deconectarea
comutatorului de oprire de urgenţă (comutator principal).
•
Înainte de conectarea unităţii de control sau a li
-
mitatorului de cursă pentru standuri asiguraţi-vă că
echipamentul nu se află sub tensiune.
Conexiunea trebuie efectuată doar de către perso
-
nal autorizat.
•
Lucrările la instalaţiile electrice:
Când este ali-
mentat cu energie electrică, echipamentul este sub
tensiune. Această tensiune poate reprezenta un
pericol de moarte în cazul atingerii echipamentului.
Lucrările trebuie efectuate doar de către persoane
autorizate. Se vor respecta directivele în vigoare.
•
Pericol cauzat de maşină:
Maşina în sine implică
anumite pericole pentru utilizator, căruia îi revine
obligaţia de a se asigura împotriva acestor peri
-
cole. Unitatea de control oferă posibilitatea reglării
poziţiei limitatoarelor de cursă. A se consulta „Sche
-
ma electrică
T 65 basic/digital
ULTRA-TURRAX
®
”
.
•
Protecţie suplimentară la utilizarea întrerupătorului de
protecţie pentru curent rezidual RCD la conectarea
T 65
digital ULTRA-TURRAX
®
.
Protecţie suplimentară prin utilizarea unui element de protecţie
RCD: Întrerupătoarele de protecţie pentru curent rezidual pen
-
tru releul RCD pot constitui o măsură de protecţie suplimentară
cu condiţia respectării normelor locale de siguranţă. În cazul
erorilor de legare la pământ pot apărea tensiuni continue în
curentul rezidual. Nu utilizaţi niciodată un RCD tip A, deoare-
ce acesta nu este adecvat pentru curenţi reziduali cu tensiune
continuă.
Dacă se utilizează relee RCD, acestea trebuie să fie adecvate pentru:
- protecţia instalaţiilor cu tensiune continuă în curent rezidual (pun
-
te redresoare în curent trifazic),
- descărcarea de scurtă durată a valorilor de vârf a curentului de
impuls la pornire,
- curenţi puternici de scurgere.
Pentru protecţia aparatului
• Aparatul va fi deschis numai de personal calificat.
• Tensiunea reţelei de alimentare trebuie să corespundă cu cea
indicată pe plăcuţa de tip.
• Componentele demontabile trebuie remontate pe aparat pen
-
tru a împiedica pătrunderea corpurilor străine, lichidelor etc..
• Evitaţi şocurile şi loviturile asupra aparatului sau accesoriilor.
PERICOL!
PERICOL!
PERICOL!
PERICOL!
AVERTISMENT!
96
5
2*
3
1
5
2
2
2
4
1*
3
7
2
4
3
1
7
3
MIN 5 mm
MAX 8 mm
3
2
2
(4x)
5
(1x)
3
(4x)
1
(2x)
4
(1x)
7
(2x)
Zur K
abelverlegung zwischen Sicherheitsendschalter
SI 400 und
Ve
rd
rahtungskaste
n
For c
able installation of safety limit switc
h SI 400
and terminal box
ΔL
+
–
SI 400
SI 474
(3x)
230/400
V
50/60 Hz
SI 400
1 2 3 5 4
2*
(1x)
1*
(1x)
1975
(2x)
1973
(2x)
6 7 8
SI 400
SI 474
Montageanleitung Sicherheitsendschalter / Mounting instructions safety limit switch
97
Notes
Notes
Notes
Notes
Notes
Notes
Notes
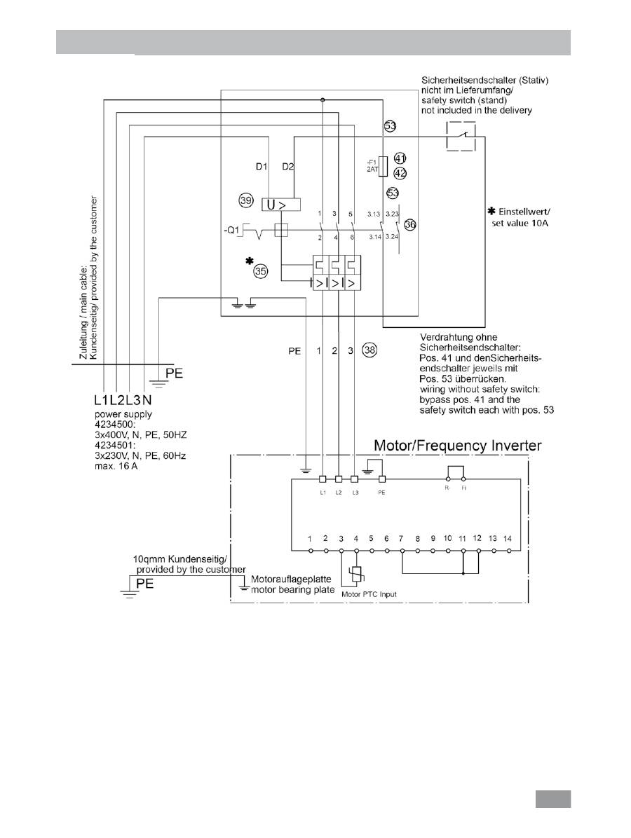
Verdrahtungsplan / Wiring diagram T 65 basic ULTRA-TURRAX
®
98
Notes
Notes
Notes
Notes
Notes
Notes
Notes
Verdrahtungsplan / Wiring diagram T 65 digital ULTRA-TURRAX
®
IKA
®
- Werke
GmbH & Co.KG
Janke & Kunkel-Str. 10
D-79219 Staufen
Tel. +49 7633 831-0
Fax +49 7633 831-98
sales@ika.de
www.ika.com
4233800b

