JUN-AIR 3 series: Drawings
Drawings: JUN-AIR 3 series
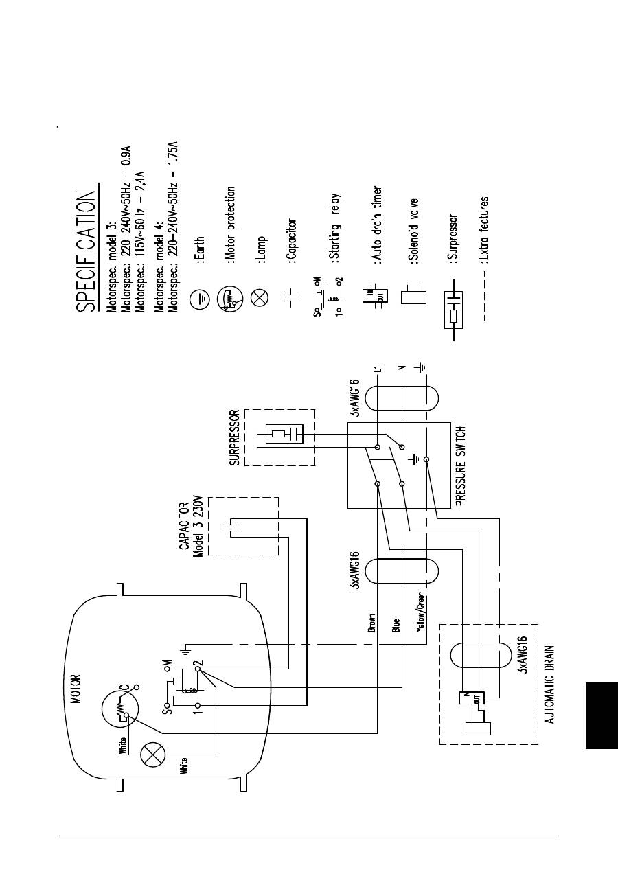
Motor spare parts model 3
Motor spare parts model 3
Drawings
001101
001001
Drawings
4
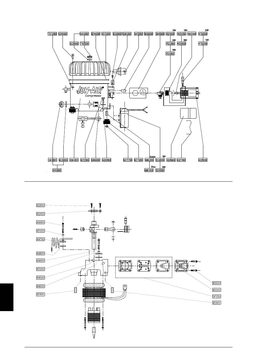
Motor spare parts model 6
Motor spare parts model 6
0015100
0015200
Drawings
5
Spare parts model 3-4
001501
Drawings
6
Spare parts model 6-4
001500
Drawings
7
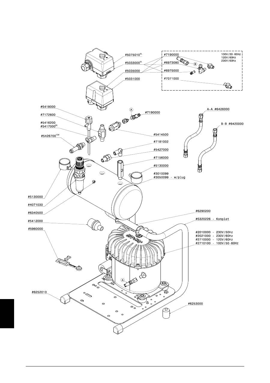
Spare parts model 6-15
0015400
Drawings
8
Spare parts model 6-25
0015450
Drawings
9
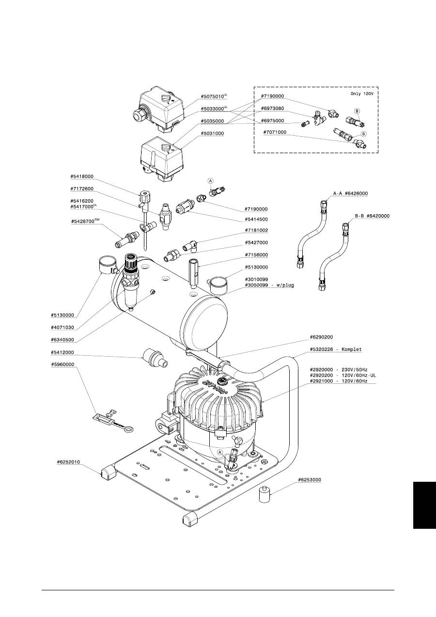
Spare parts model 12-25
0019700
Drawings
40
Spare parts model 12-40
0200650
Drawings
41
Spare parts model 18-40
0200660
Drawings
42
Spare parts model 24-40
0200670
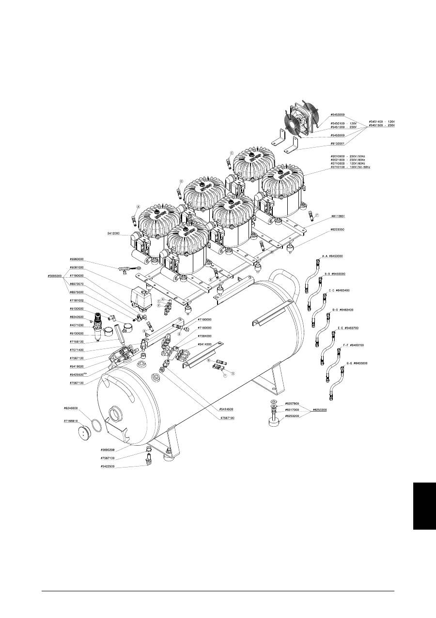
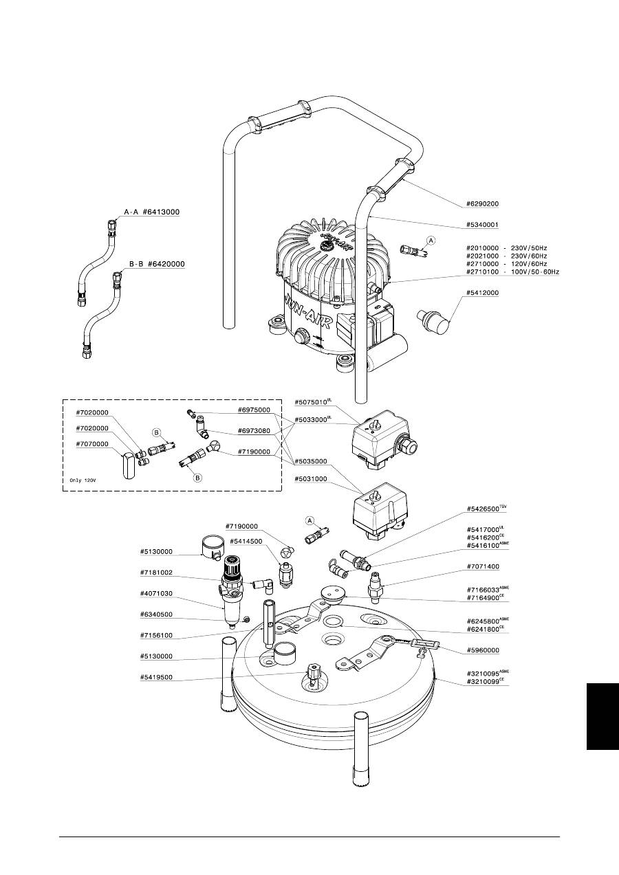
Drawings
4
Spare parts model 36-150
0016500
Drawings
44
Accessories
0991041
0991040
0015900
Drawings
45
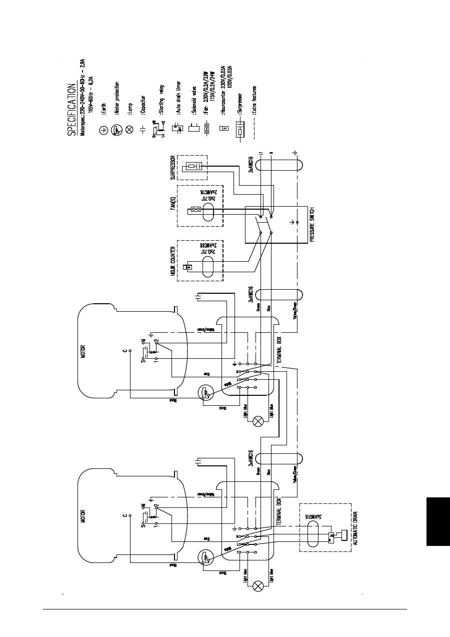
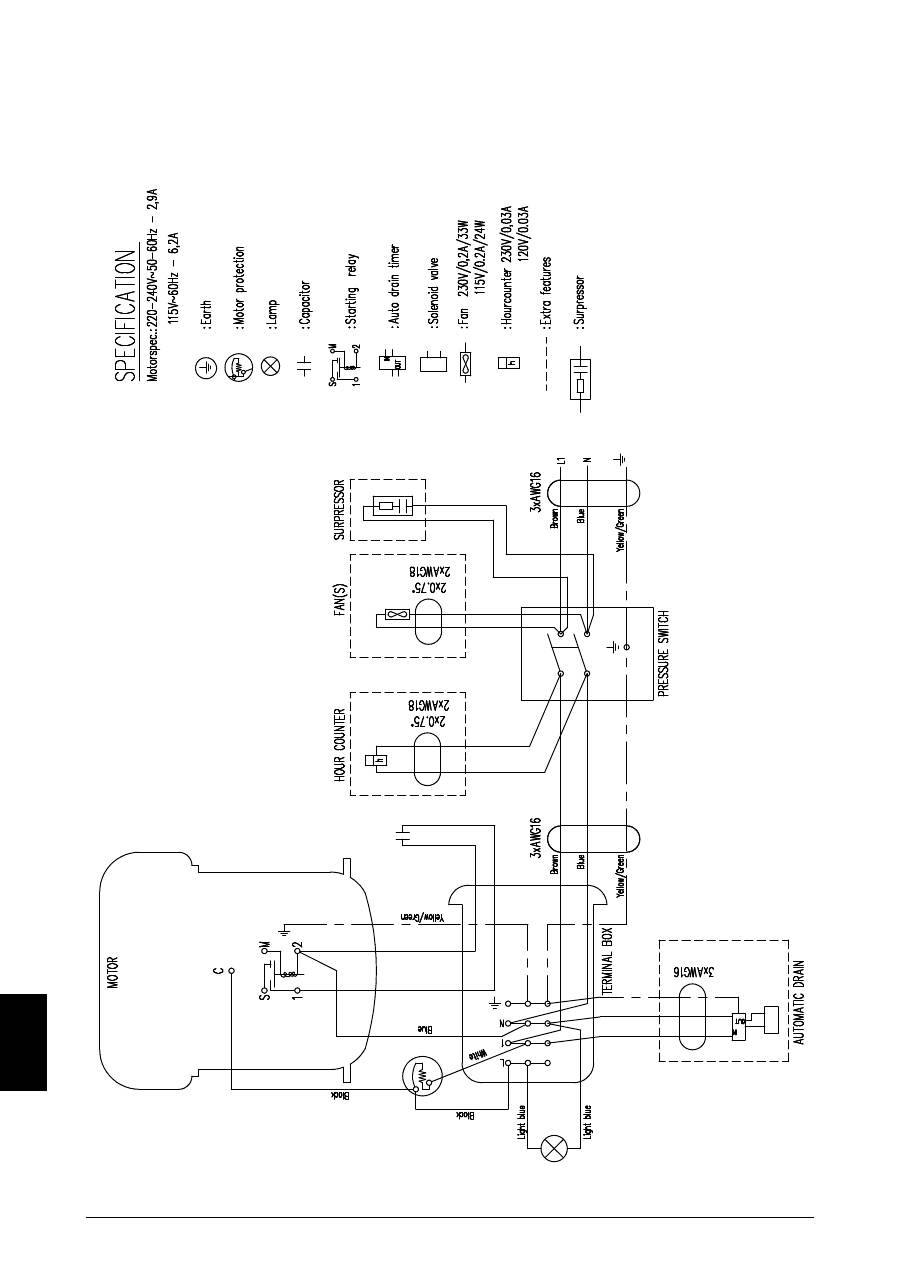
Electrical drawing model 3
6070010
Drawings
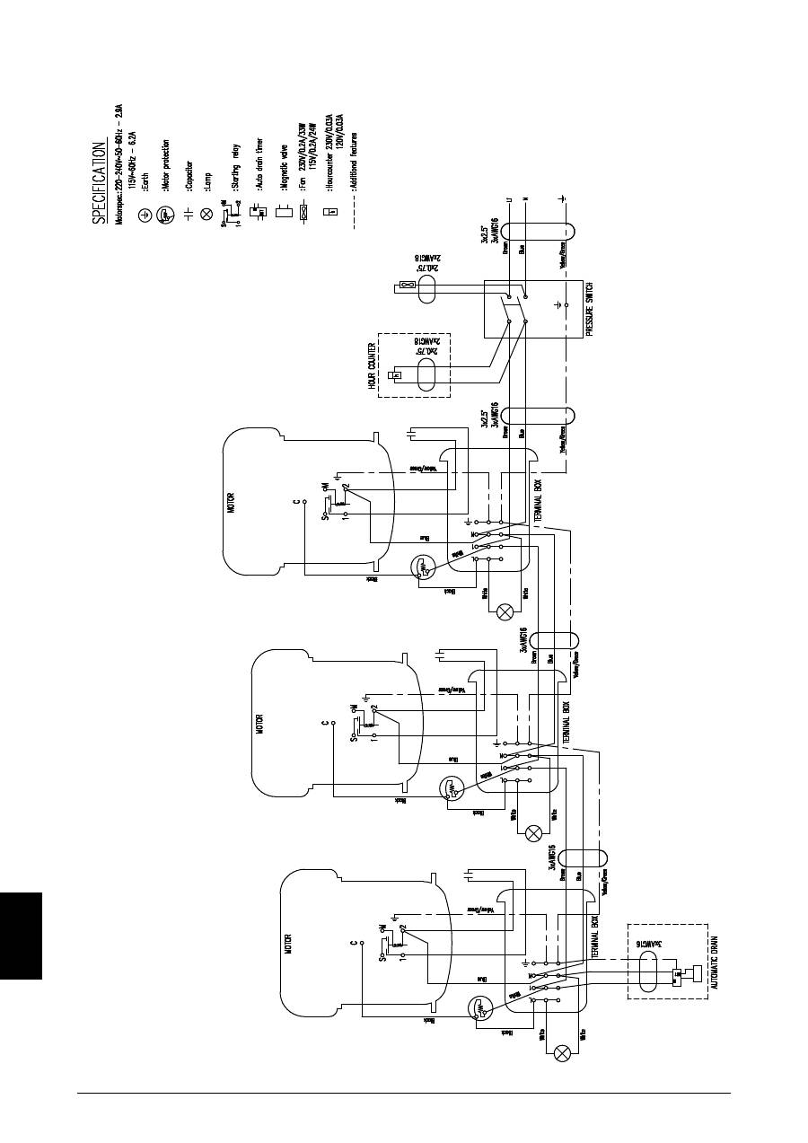
46
Electrical drawing model 6
6070160
Drawings
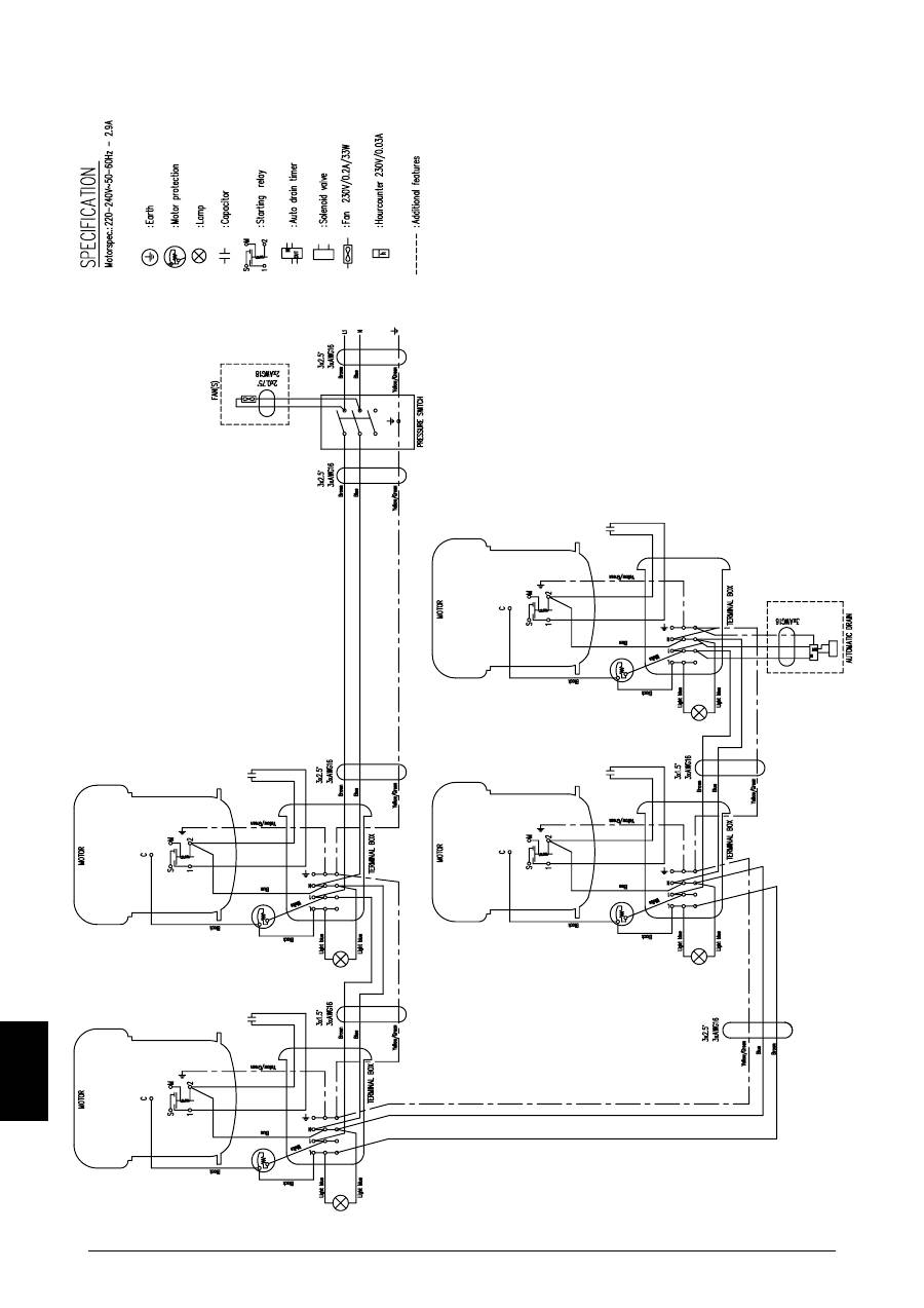
47
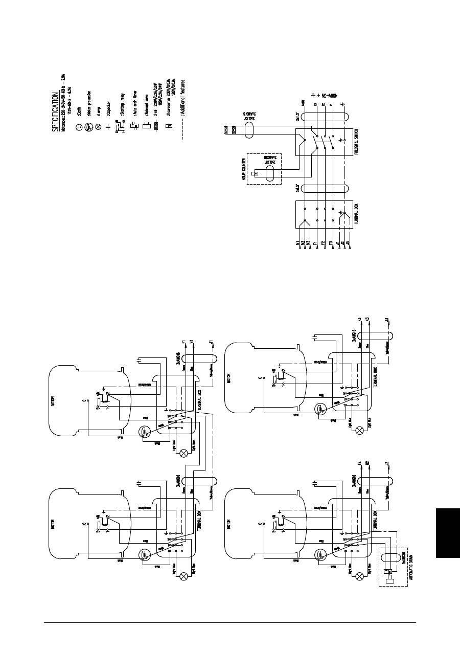
Electrical drawing model 12
6070210
Drawings
48
Electrical drawing model 18
6070260
Drawings
49
Electrical drawing model 24 - 400V / 50Hz
607010
Drawings
50
Electrical drawing model 24 - 230V / 50-60Hz
607011
Drawings
51
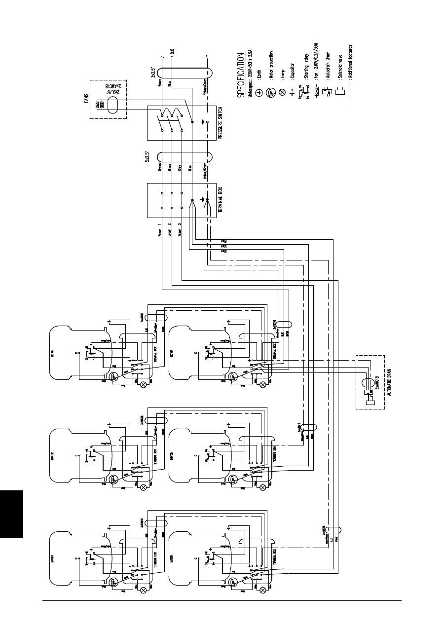
Electrical drawing model 36 - 400V / 50Hz
607060
Drawings
52
Electrical drawing model 36 - 230V / 50Hz
607061
Drawings

