American Sanders OBS 18DC Orbital Sander: Section II
Section II: American Sanders OBS 18DC Orbital Sander

OBS-18
OBS-18DC
Section II
Parts Manual
(56042630)
®
Clarke
American Sanders OBS-18/18 DC Operator's Manual - Page 51

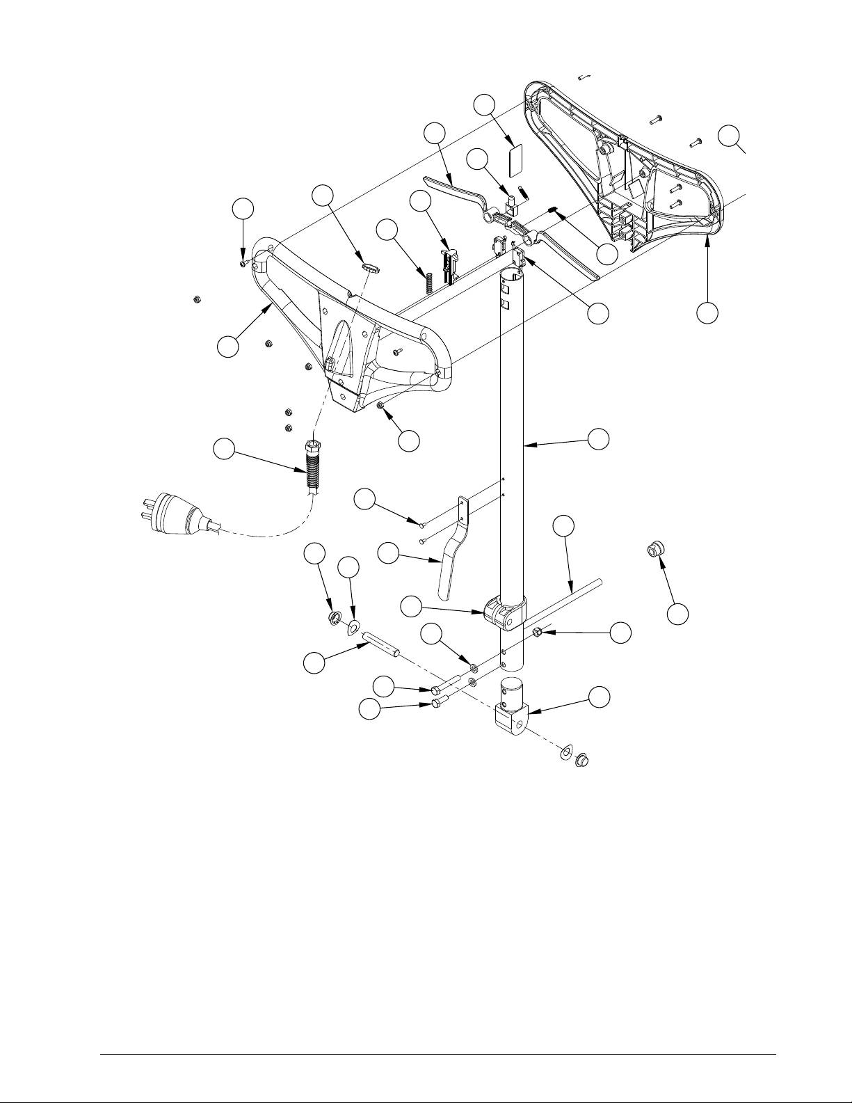
BASE ASSEMBLY
11
29
18
22
1
15
7
27
4
20
8
3
2
10
23
17
28
5
12
30
26
13
14
19
16
21
24
25
9
6
31
®
Page 52 - 56042630 Clarke
American Sanders OBS-18/18 DC Operator's Manual

BASE ASSEMBLY
Item Ref. No. Qty Description
1 962411 4 Scr 1/4 -20x 3/4 Sf St Cap
2 56109699 1 Cam Assy With Grip NOTE 1
3 56381766 1 Link-Arm Right NOTE 2
4 56381767 1 Link-Arm Left NOTE 2
5 56381768 1 Shaft-Axle NOTE 2
6 56382759 1 Pad, Red
7 25907A 1 Main Frame Obs-18 Silver Assy (Standard Models only)
25908A 1 Mainframe Obs-18dc (Dust Control Models only)
8 31224B 1 Bumper Frame Black
9 39730A 1 Grip Face
10 39857A 2 Wheel 5 X 1.50 X .500 NOTE 2
11 54930A 1 Handle-Lift
12 62814A 1 Eccentric Obs-18
13 66981A 1 Retainer Bearing Obs-18
14 66982A 1 Retainer Eccentric Obs-18
15 70499A 1 Label Cas
16 85718A 1 Scr 1/2-13 X 3/4 Hc St Grd 2
17 86112A 4 Screw-3/8-16 X 3/4-Socket Head
18 920248 1 Nut, 3/8-16. Esna, Jam
19 925589 1 Pin, Roll
20 980349 1 Washer Wear Cam
21 980614 4 Washer, 1/4” Starlock, External
22 980645 1 Washer, 3/8” S.A.E. Flat
23 980648 2 Washer 17/32 X 1 1/16 Plain NOTE 2
24 10666A 1 Spring Mount Kit OBS-18 (includes four isolators and four of item 21)
25 29931A 1 Base-Orbital
26 50736A 1 Bearing
27 80292A 2 Screw .25-20 X 1.00 Bhhr Sems NOTE 2
28 80295A 4 Washer Bowed
29 81220A 4 Nut, Serrated Flange
30 87700A 3 Screw 1/4-20 X 1/2 B.H.
31 18445A 1 Skirt Asmdust OBS-18DC (Dust Control Models only) TSBCAS2010-04
[ ] = Not Shown
NOTE 1: 56109699 replaces the following three parts: 925592, 461404, 441301.
NOTE 2: Lower Link Arm 61831A is no longer used in production. Items (3, 4, 5, 10, 23, 27) have replaced the old conguration as of March 2011.
®
Clarke
American Sanders OBS-18/18 DC Operator's Manual 56042630 - Page 53

5
3
10
1
2
9
13
6
11
4
8
7
12
MOTOR ASSEMBLY - STANDARD
Item Ref. No. Qty Description
1 56382831 1 Motor1hp115v/60hz Obs-18 (Baldor 115V)
[ ] 40160A 1 Starter Switch
[ ] 41311A 1 Capacitorrun25mfd 370v (115V)
[ ] 41312A 1 Capacitor Start 400-480mfd125v (115V)
1 NA 1 Motor1hp115v/60hz Obs-18 (Imperial 115V)
[ ] 56380670 1 Switch-Starter 40A 115V for all 115V
[ ] 41311A 1 Capacitorrun25mfd 370v (115V)
[ ] 41312A 1 Capacitor Start 400-480mfd125v (115V)
1 40754A 1 Motor 1hp 115/50 Obs-18 (model 07122A)
[ ] 47378A 1 Switch Motor Starting Classi
[ ] 41311A 1 Capacitorrun25mfd 370v (115V)
[ ] 41312A 1 Capacitor Start 400-480mfd125v (115V)
1 NA 1 Motor1hp230v/50hz Obs-18 (OBS / 230V)
[ ] 47378A 1 Switch Motor Starting Classi
[ ] 41313A 1 Capacitorrun12mfd 240V (230V)
[ ] 41314A 1 Capacitorstart137mfd 240V (230V)
2 56454538 1 Circuit Breaker, 15 Amp (115V) NOTE 1
41419A 1 Circuit Breaker15a (115V) NOTE 2
41418C 1 Breakercircuit10aqd.25 Srt (230V)
[ ] 47709A 1 Terminal1/4 Fifqd 12-10 Ga.
3 56459367 1 Boot, Reset Button NOTE 1
4 77195A 1 Label-Ul Fire & Sand.
5 77234A 1 Plate-Warning
6 170667 1 Wire Connector Twist On 74b
7 962727 2 Screw, 8-32 X 1/2
8 962822 2 Screw 1/4-20 X 5/8 Bt St Soc
9 980603 1 Washer, #10 Lock External Tooth
10 22906A 1 Enclosure, Motor Start
11 51523A 1 Strain Relief Bushing 7/8x.20 Panel .37-.43 Cord
12 62667A 1 Cover, Enclosure
13 85833A 1 10-32x3/8 Hw Type 23
[ ] = Not Shown
NOTE 1: Used on machines after October 2011.
NOTE 2: Used on machines before November 2011.
®
Page 54 - 56042630 Clarke
American Sanders OBS-18/18 DC Operator's Manual

23
22
20
6
25
13
10
19
21
3
8
1
2
14
26
4
12
11
7
18
17
16
9
24
15
5
MOTOR ASSEMBLY - DUST CONTROL
Item Ref. No. Qty Description
Item Ref. No. Qty Description
1 56382885 1 Motor1HP 115V/60 HZ OBS-18DC (Baldor115V)
8 54765A 1 Impeller
[ ] 40160A 1 Starter Switch
9 77195A 1 Label-Ul Fire & Sand.
[ ] 41311A 1 Capacitorrun25mfd 370v (115V)
10 77234A 1 Plate-Warning
[ ] 41312A 1 Capacitor Start 400-480mfd125v (115V)
11 81217A 3 Nut, 1/4-20 Hex Esna
1 NA 1 Motor1HP 115V/60 HZ OBS-18DC (Imperial 115V)
12 170667 1 Wire Connector Twist On 74b
[ ] 56380670 1 Switch-Starter 40A 115V for all 115V
13 797301 2 Ring Retaining Ext 5/8”
[ ] 41311A 1 Capacitorrun25mfd 370v (115V)
14 915044 1 Key, 3/16 Sq.
[ ] 41312A 1 Capacitor Start 400-480mfd125v (115V)
15 962727 2 Screw, 8-32 X 1/2
1 44673A 1 Motor-1 HP 230V/60Hz
16 962822 2 Screw 1/4-20 X 5/8 Bt St Soc
[ ] 47378A 1 Switch Motor Starting Classi
17 980603 1 Washer, #10 Lock External Tooth
[ ] 41313A 1 Capacitorrun12mfd 240V (230V)
18 980646 3 Washer 1/4 Sae Flat Pltd
[ ] 41314A 1 Capacitorstart137mfd 240V (230V)
19 980982 4 Washer 10 Sae Flat Pltd
1 40753A 1 Motor-1HP 115V/50Hz (model 07121A)
20 56380336 1 Seal-Dust Pipe
[ ] 47378A 1 Switch Motor Starting Classi
21 22906A 1 Enclosure, Motor Start
[ ] 41313A 1 Capacitorrun12mfd 240V (230V)
22 53741A 1 Bag, Dust Obs18
[ ] 41314A 1 Capacitorstart137mfd 240V (230V)
23 61833A 1 Tube, Exhaust Weldment
2 56454538 1 Circuit Breaker, 15 Amp (115V) NOTE 1
24 62667A 1 Cover, Enclosure
41419A 1 Circuit Breaker15a (115V) NOTE 2
25 85383A 4 Screw, 10-32 X 3/4 P.H.
41418C 1 Breakercircuit10aqd.25 Srt (230V)
26 85833A 1 10-32x3/8 Hw Type 23
[ ] 47709A 1 Terminal1/4 Fifqd 12-10 Ga.
[ ] = Not Shown
3 56459367 1 Boot, Reset Button NOTE 1
4 30407B 2 Hose
NOTE 1: Used on machines after October 2011.
5 10478A 1 Asm. Blower Housing Cover
NOTE 2: Used on machines before November 2011.
6 35242A 1 Housingblower Obs-18dc
7 51523A 1 Bushing Strain Relief
®
Clarke
American Sanders OBS-18/18 DC Operator's Manual 56042630 - Page 55

17
9
14
10
15
13
25
8
18
14
12
19
11
20
2
3
22
26
23
21
1
7
6
24
16
5
4
HANDLE ASSEMBLY - 115V
Item Ref. No. Qty Description
Item Ref. No. Qty Description
1 442001 1 Clamp-Handle Tube
15 80291A 1 Washer, Flat #10 (.203x.734x.063)
2 627561 1 Strain-Relief
16 85817A 1 Screw 5/16-18 X 2.00 Hex Hd Gr5
3 40522A 1 Cord Interconnect
17 71126A 1 Label, Handle
4 85812A 1 Screw5/16-18 X 7/8 Hex Hd Gr5
18 71347A 1 Label Cca Warning
5 509240 1 Tongue, Handle Tube
19 70175A 1 Tag-Warning Eng-Spn
6 920110 1 Nut, 5/16-18 Hex Lock
20 930005 2 Rivet_5/32 X .32
7 980652 2 Washer, 5/16 Lock
21 64325A 1 Hook-Cord
8 10687A 1 Interlock Asm
22 920346 2 Palnut #Pw500015 Type W
9 21074A 1 Handle, Front - Cfp
23 80295A 2 Washer Bowed
10 21075A 1 Handle, Rear - Cfp
24 67474A 1 Shaft-Handle Pivot
11 40931A 1 Cord Adapter NOTE 1
25 40540A 1 Cordset 12-3x40ft 5-15p NOTE 1
12 61825A 1 Tube-Handle
26 70175A-FR 1 Tag-Warning Eng-Frn
13 80284A 6 Screw 10-32 UNF X .75 H.R.C.S.
14 80290A 2 Screw 10-32 X .38 HRCS
NOTE 1: Cord 40919A has been replaced by 40540A and 40931A.
®
Page 56 - Clarke
American Sanders OBS-18/18 DC Operator's Manual

27
3
13
5
1
4
9
7
6
10
2
11
8
12
28
22
21
24
23
25
14
20
15
19
26
16
18
17
HANDLE ASSEMBLY - 230V
Item Ref. No. Qty Description
Item Ref. No. Qty Description
1 170686 1 Nutlk For 1/2 Conduit
16 85817A 1 Screw 5/16-18 X 2.00 Hex Hd Gr5
2 30285A 1 Handle Front C2k W/Blank
17 85812A 1 Screw5/16-18 X 7/8 Hex Hd Gr5
3 50798A 2 Lever Switch C2k
18 509240 1 Tongue, Handle Tube
4 50799A 1 Interlock Main C2k
19 920110 1 Nut, 5/16-18 Hex Lock
5 50806A 1 Button Interlock C2k
20 627561 1 Strain-Relief
6 50820A 2 Spring Extension C2k
21 10250A 1 Cord Interconnect Asm
7 50821A 1 Spring Compression C2k
22 930005 2 Rivet_5/32 X .32
8 920722 6 Nut 10-32 Esna
23 64325A 1 Hook-Cord
9 962957 2 Screw, 10-16 X 1/2 Self Tap
24 920346 2 Palnut #Pw500015 Type W
10 40109A 2 Switch Minature-Spno C2k
25 80295A 2 Washer Bowed
11 50780A 1 Handle, Rear
26 67474A 1 Shaft-Handle Pivot
12 69153B 1 Tube, Handle
27 50930A 1 Cord Retainer C2K
13 85383A 6 Screw, 10-32 X 3/4 P.H.
28 40524A 1 Cord Power (model 07083B)
14 442001 1 Clamp-Handle Tube
40864A 1 Cord Power (model 07115A)
15 980652 2 Washer, 5/16 Lock
®
Clarke
American Sanders OBS-18/18 DC Operator's Manual - Page 57

®
Page 58 - Clarke
American Sanders OBS-18/18 DC Operator's Manual
SYM. CHANGE
A DIAGRAM RELEASE
B SUPERCEDED LR
C SUPERCEDED LR
D 3: ADD GROUND JSP 27950
STRICTLY CONFIDENTIAL AND REMAIN THE SOLE AND EXCLUSIVE
OR UNAUTHORIZED USE ARE PROHIBITED UNLESS APPROVED
PROPERTY OF ALTO U.S., INC. ANY CHANGES, PUBLICATION,
NOTICE: THIS DRAWING AND ANY COPY THERE OF ARE
IN WRITING BY THE CORPORATION.
BY E.C.N. DATE
25076A3CW
25479A2 4/2/97
25479 1/21/97
4/17/96
7/10/02
UNLESS OTHERWISE SPECIFIED:
ALL DIMENSIONS ARE IN INCHES
REMOVE ALL BURRS AND
C
ANGLES ±0° 30' (.5 DEGREE)
BREAK SHARP EDGES
DO NOT SCALE DRAWING
3 PLACE DECIMALS ±.010
2 PLACE DECIMALS ±.03
1 PLACE DECIMALS ±.5
CRITICAL NOTE
OR DIMENSION
MATERIAL
MODEL
SCALE
B
N.T.S.
OBS-18 115V/60HZ
11
DIAGRAM, WIRING
SHEET
DATE
DRN.BY
OF
4/11/96
MGK
DESCRIPTION
FINISH
DATE
SIM. TO
APV'D.BY
2100 Highway 265
Springdale, AR (USA)
72764-8711
07076A-W
DRAWING NO.
4/2/97
07051A
MK
--
NO.
DISK
CD
REV.
D
D2
D2
D2
D3
1: DEL P/N's; 2: ADD WIRE COLORS
2100 Highway 265
Springdale, AR (USA)
72764-8711
OBS-18 & 18DC
120v 60 Hz & 230v 50Hz
Electrical Schematic 10/98
OBS-18 & 18DC
230v 50 Hz “CE”
Electrical Schematic 10/98

®
Clarke
American Sanders OBS-18/18 DC Operator's Manual - Page 59

CLARKE AMERICAN SANDERS U.S. AND CANADA LIMITED WARRANTY
Amano Pioneer Eclipse, Inc. warrants to the original end user, each new machine, new accessories and genuine replacement parts against defects in material and
workmanship under normal use and service. Our obligation under this warranty is limited to repair or replacement of the defective item at our factory or by an Authorized
Service Center. Warranty coverage shall begin on the date of purchase by the original end user (as evidenced by your invoice from the factory or Authorized Dealer) or one
(1) year from the date the machine was shipped from the factory, whichever is earlier. The warranty registration card must be completed and returned within 30 days of
purchase. The warranty coverage period is specified below.
GROUP
1,2
Parts
2
Labor
Big Machines (belt and drum)
1 year
1 year
Rotary Sanders
5 years
5 years
4
Dust Control
Vacs
2 years
2 years
Edger, Orbital, 3DS
1 year
1 year
Power Booster
2 years
2 years
Accessories/Replacement Parts
3
90 Days
EXCEPTIONS
NOTES:
1-Parts repaired or replaced are guaranteed for the remainder of the original machine warranty period.
2-Coverage only applicable to products sold and used in the United States and Canada.
3-Applies to replacement parts only after machine warranty coverage has expired.
4-Backplates on are warranted for the life of the machine
This warranty shall not apply to repairs resulting from accidents or misuse, damage in transit, overloading the capacity of the machine, failure due to lack of proper
maintenance or care as described in the operating and maintenance instructions. Minor adjustments, such as tightening of screws or bolts not connected with the
replacement of parts, are not covered. Replacement of expendable wear items such as scrub brushes, pad holders, carbon motor brushes, bulbs, bags, filters and various
rubber/plastic parts are also not covered. Repairs or alterations by an organization other than the factory or an Authorized Service Center are not covered and will void any
Amano Pioneer Eclipse, Inc. warranty as to the parts or systems repaired or altered by a non-authorized organization.
THERE ARE NO WARRANTIES THAT EXTEND BEYOND THE DESCRIPTION OF THE LIMITED WARRANTIES STATED WITHIN. NO OTHER WARRANTY, EXPRESSED
OR IMPLIED, INCLUDING BUT NOT LIMITED TO ANY IMPLIED WARRANTY OF MERCHANTABILITY OR FITNESS FOR A PARTICULAR PURPOSE, IS MADE EXCEPT
AS EXPRESSLY STATED HEREIN. ANY STATUTORY IMPLIED WARRANTIES, INCLUDING ANY WARRANTY OF MERCHANTABILITY OR FITNESS FOR A PARTICULAR
PURPOSE, THAT ARE IMPOSED BY LAW DESPITE THE EXPRESS LIMITATION OR WARRANTIES ABOVE, ARE EXPRESSLY LIMITED TO THE DURATION OF THE
WRITTEN WARRANTY. BUYER UNDERSTANDS, ACKNOWLEDGES AND AGREES THAT THE REMEDIES PROVIDED UNDER THIS LIMITED WARRANTY ARE THE
SOLE AND EXCLUSIVE REMEDIES AVAILABLE TO THE BUYER. AMANO PIONEER ECLIPSE, INC. WILL NOT BE LIABLE FOR ANY OTHER OR ADDITIONAL DAMAGES,
INCLUDING BUT NOT LIMITED TO INDIRECT, SPECIAL OR CONSEQUENTIAL DAMAGES ARISING OUT OF OR IN CONNECTION WITH THE FURNISHING,
PERFORMANCE, USE OF OR INABILITY TO USE THE MACHINE. ANY EXTENSIONS OF OR MODIFICATIONS MADE TO THIS WARRANTY BY A
DEALER/DISTRIBUTOR OF Amano Pioneer Eclipse, INC. ARE THE SOLE RESPONSIBILITY OF THE DEALER/DISTRIBUTOR.
All transportation or shipping charges resulting from the return of machines, parts, or accessories shall be the responsibility of the end-user. When returning, please provide
an explanation of the problem and include the serial number of the machine as well as the name of the selling organization. The Technical Service department of the authorized
Dealer Service Center or the factory will investigate and then contact you.
Transportation of hazardous waste or contaminated equipment is subject to various laws and regulations. In returning machines, parts, or accessories under this limited
warranty, the end user must certify in writing that the machines, parts or accessories being returned have not been used for handling, clean up, or disposal of hazardous waste
or hazardous materials including but not limited to such things as asbestos, anthrax etc. or if the machines, parts or accessories being returned have been used for handling,
clean up, or disposal of hazardous waste or hazardous materials, then the end user must have the machines, parts or accessories decontaminated by licensed and qualified
decontamination professionals and provide written certification of this decontamination signed by the decontamination professionals. These machines, parts or accessories are
to be returned only to the local Amano Pioneer Eclipse, Inc. Authorized Service Center for
Warranty service along with decontamination certification.
Amano Pioneer Eclipse, INC. Reserves the right to change its warranty policy without notice.
Amano Pioneer Eclipse
1 Eclipse Rd
Sparta, NC 28675
336-372-8080
800-334-2246
www.pioneereclipse.com
www.americansanders.com
2014 Amano Pioneer Eclipse 3_14

