Kospel SB Termo Solar: FR
FR: Kospel SB Termo Solar

Leraccordementaucircuit
CW
dechauffagecentral
ZG2
Le raccordement au installation de
C
FR
chauffagecentraldoitêtreeffectuée
PG2
avec raccords 1’’ ou3/4’’(SW-100,
ZG1
SW-120,SW-140) et avant les rac-
cordsilfautinstallerdesrobinetsd’ar-
rêts.Danslessystèmesàcirculation
forcée(pompedechauffagecentral)
pour que le préparateur atteindre
PG1
ZB
lesperformancesindiquéesdansle
ZW
tableau„DonnésTechniques”ledébit
approprié d’eau chauffant doit être
assuré.PréparateurmodèleSWest
NW
modelSB
équipéd’unserpentin,modèleSBest
équipédedeuxserpentinspermettantleraccordementparexemplelachaudièreet
systèmesolaire.ModèlesSWZetSBZsontéquipédesraccordssupplémentaires,
quipeuventêtreutiliséspourconnecterunéchangeurdechaleurexterne.
Raccordementauréseau
d’approvisionnementeneau.
Leraccordementauréseaud’eaudoitêtreeffectuéeconformémentaunormesen
vigueur.
Lepréparateurpeutêtreinstallésouspressionjusqu’à6bars,encasdepression
supérieureà0,6MPa(6bars),ilfautinstallerobligatoirementunréducteurdepression
avantlepréparateur.
Lepréparateurdoitêtreconnectéauréseaud’alimentationeneaucommesuit:
- surl’arrivéd’eausanitairefroide[1]ilestobligatoiredemonterunevannetrois
voieavecsoupapedesécurité(6bars)etrobinetdevidange;entreleprépa-
rateuretlasoupapedesécurité,(aussisurdépartdesoupapedesécurité),il
nedoitenaucuncasêtremontéeunevanned’arrêtniaucunétranglement;
soupapedesécuritédoitêtremontedansunetellemanièrequeuneéventuelle
écoulementsd’eaudevraientêtrevisibles,
- préparateuravecsoupapedesécuritémonté,connectezàl’alimentationen
eau
- al’arrivéedel’eaufroideilfautinstallerunevanned’arrêt.
Ledépartd’eauchaudesanitairedoitêtreraccordéal’orice3/4”,quiestsituésur
lapartiesupérieuredepréparateur.Chaquepréparateurestmunid’unorice3/4”
conçupourconnecterauréseaudelacirculationd’ecs.
PL/DE/FR/GB/RU-036_f.441
15

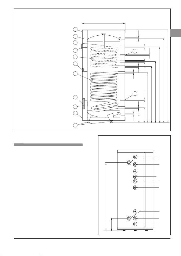
Construction de préparateurs SW-100, SW-120, SW-140
ø500
[6] - doigt de gant
16
[10] - orice pour thermoplongeur
(bouchon 1½’’)
15
CW
[11] - serpentin chauffant
[13] - anode en magnésium
[14] - thermomètre
G3/4
14
G3/4
[15] - isolation thermique
C
[16] - couvercle supérieur
13
ZG1
[17] - couvercle inférieur
[18] - pieds
11
H
ZW - eau froide
G3/4
CW - eau chaude
G
6
C - circulation
G1/2
ZG1 - entre serpentin
E
PG1 - sortie serpentin
10
C
A-H - les dimensions indiquées dans
G3/4
le tableau „Données technique”
PG1
ZW
214
111
G3/4
1817
Construction de préparateurs (200 litres) SB; SBZ; SW; SWZ
ø595
[6] - doigt de gant
2120
[10] - orice pour thermoplongeur
16
(bouchon 1½’’)
CW
G3/4
[11] - serpentin chauffant inférieur
15
[12] - serpentin chauffant supérieur
13
G1
[13] - anode en magnésium
ZG2
[14] - thermomètre
14
[15] - isolation thermique
6
G1/2
[16] - couvercle supérieur
12
C
[17] - couvercle inférieur
10
[18] - pieds
PG2
[20] - trappe de visite ø150/115
ZG1
G1
G3/4
1610
[21] - couvercle de trappe de visite
G1
1464
ZW - eau froide
11
CW - eau chaude
1291
E
C - circulation
6
ZG1, ZG2 - entre serpentin
G1/2
903
PG1, PG2 - sortie serpentin
813
B,E - les dimensions indiquées dans
G1
PG1
le tableau „Données technique”
ZW
B
17
Serpentin supérieur (raccords ZG2,
127
PG2) et doigt de gant supérieur se trou-
vent que dans les modèles SB et SBZ.
G3/4
18
16

Construction de préparateurs (200, 250, 300, 400 litres) SB; SBZ; SW; SWZ
[6] - doigt de gant
ø695 (250, 300)
[10] - orice pour thermoplongeur (bou-
ø755 (400)
chon 1½’’)
16
[11] - serpentin chauffant inférieur
G3/4
FR
[12] - serpentin chauffant supérieur
15
CW
[13] - anode en magnésium
13
G1
[14] - thermomètre
ZG2
[15] - isolation thermique
14
6
G1/2
[16] - couvercle supérieur
12
[17] - couvercle inférieur
C
[18] - pieds
10
PG2
[20] - trappe de visite ø150/115
ZG1
[21] - couvercle de trappe de visite
G1
G3/4
11
ZW - eau froide
G1
H
CW - eau chaude
G
C - circulation
F
ZG1, ZG2 - entre serpentin
E
PG1, PG2 - sortie serpentin
6
D
G1/2
A,I - les dimensions indiquées dans le
20
C
tableau „Données technique”
G1
PG1
21
ZW
17
Serpentin supérieur (raccords
B
ZG2, PG2) et doigt de gant su-
A
G3/4
périeur se trouvent que dans les
18
modèles SB et SBZ.
La mise en service
Emplacement des raccords pour connexion
d’une préparateur externe, dans SWZ et SBZ
Avantlamiseenservicedupréparateur,vé-
CW
ZG3(1”)
rieroptiquementlaabilitédeconnexionde
ZG2
l’appareiletsaconformitéaveclesschémas.
Préparateurilfautremplird’eau:
C
- ouvrirlavanned’arrivéed’eaufroide,
PG2
- ouvrirlerobinetd’eauchauded’unpoint
depuisage(sortied’eausansbullesd’air
ZG1
signifiequelepréparateurestentière-
mentremplid’eau),
I
- fermer le robinet d’eau chaude des
pointsdepuisage,
PG3(1”)
Ouvrez les vannesde liaisond’installation
solaire et chauffage avec le préparateur.
PG1
Vérifierleserragedesconnexions.Vérifier
ZW
B
lefonctionnementdelasoupapedesécurité
(conformémentauxinstructionsdufabricant).
PL/DE/FR/GB/RU-036_f.441
17

Exploitation
Préparateursontsûretableenfonctionnement,àconditionderespecterlesprin-
cipessuivants:
• Tousles14joursvérifiezlefonctionnementdelasoupapedesécurité,(s’iln’y
apasdel’écoulementd’eaulasoupapen’estpasefficace,lepréparateurd’ecs
nedoitpasêtreenservice).
• Detempsentempsenleverlesdépôtsdecalcairedupréparateur.Lafréquence
dépenddeladuretédel’eaudansvotrerégion.Cetteopérationdoitêtreeffectuée
parunprofessionnel.
• Unefoisparanilfautcontrôlel’étatdel’anodeenmagnésium.
• Toutles18moisilfautabsolumentremplacerl’anodeenmagnésium.
- Remplacementdel’anode[13](toutlepréparateursàexception200litres):
enleverlecouverclesupérieure[16],retirezlematelasisolant,fermerlavanne
d’arrêtsurl’arrivéd’eaufroide,ouvrirlavanned’eauchaudeaurobinet,ouvrir
lavannedevidange,vidangervotreinstallationd’eauanquevouspuissiez
dévisserl’anodesanscauserdesinondationsdanslelocal,dévisserlebou-
chonetenleverl’anode.
- Remplacementdel’anode[13](préparateur200litres):enleverlecouvercle
supérieure[16],retirezlematelasisolant,fermerlavanned’arrêtsurl’arrivé
d’eau froide,ouvrir lavanne d’eauchaude au robinet, ouvrir lavanne de
vidange, vidangervotre installation d’eauan quevous puissiez dévisser
l’anodesanscauserdesinondationsdanslelocaldevisertrappedevisite
[21]etdévisserl’anode,
• Pourdesraisonsd’hygiène,l’eaudevraitêtrechaufféepériodiquementau-dessus
de70°C.
• Chaqueanomaliedefonctionnementdoitêtrevériéeparunprofessionnel.
• Ilestrecommandéd’isolertoutlestuyaux,pouréviteraumaximumlespertes
dechaleur.
Ces manoeuvres devront être effectuéespar vos soins et nerentre pasdans le
cadredelagarantie.
Vidange du préparateur
Pourviderleballond’eau,ilfaut:
• Fermerlesvannesderaccordementdupréparateuraveccircuitdechauffage.
• Fermezlavannesurl’arrivéd’eaufroideaupréparateur.
• Ouvrezlavannedevidange.
18

