Eizo FORIS FX2431: Collegamento dei cavi
Collegamento dei cavi: Eizo FORIS FX2431

Italiano
7
Preparazione Installazione
Configurazione e regolazione
Risoluzione dei problemi
Collegamento dei cavi
Collegare ciascun dispositivo.
1
• Collegamento di un PC ..................Vedere di seguito
• Collegamento di un dispositivo USB ......... Pagina 10
• Collegamento di un dispositivo AV .............Pagina 11
• Collegamento di un dispositivo audio .......Pagina 12
●
Collegamento di un PC
Attenzione
• Durante la sostituzione del monitor in uso con un monitor FX2431, prima di procedere al
collegamento del PC assicurarsi di modicare le impostazioni del PC relative alla risoluzione e alla
frequenza verticale regolandole su quelle disponibili per il monitor FX2431, facendo riferimento alla
tabella di risoluzione (vedere a pagina 3).
1. Collegare il monitor al computer con il cavo segnale appropriato per i connettori utilizzati.
Dopo aver collegato i connettori dei cavi, stringere le viti dei connettori afnché combacino
perfettamente.
• Durante il collegamento all’ingresso PC1 (collegamento segnale digitale)
Connettori sul PC
Connettori sul
monitor
Connettore DVI
Cavo segnale FD-C39 (fornito)
Connettore DVI-D
1
Connettore di uscita
Cavo audio
*
Connettore di
(da minipresa stereo a minipresa stereo)
ingresso audio
audio
Downstream USB
2
Upstream USB
Cavo USB MD-C93 (fornito)
*
1
*
Acquistare il cavo.
2
*
Per il collegamento di due PC al monitor, è
necessario acquistare un secondo cavo.

Italiano
8
Preparazione Installazione
Configurazione e regolazione
Risoluzione dei problemi
• Durante il collegamento all’ingresso PC2 (collegamento segnale analogico)
Connettori sul PC Connettori sul
monitor
Connettore
Connettore
D-Sub mini 15 pin
D-Sub mini 15 pin
Cava segnale MD-C87 (fornito)
Connettore di
1
Connettore di
Cavo audio
*
ingresso audio
uscita audio
(da minipresa stereo a minipresa stereo)
Downstream USB
Upstream USB
2
Cavo USB MD-C93 (fornito)
*
1
*
Acquistare il cavo.
2
*
Per il collegamento di due PC al monitor, è
necessario acquistare un secondo cavo.

• Durante il collegamento all’ingresso HDMI1 / HDMI2 (collegamento segnale digitale)
Connettori sul PC Connettori sul
monitor
Connettore HDMI
1
Cavo HDMI
*
Connettore HDMI
1
Cavo di conversione DVI-HDMI
*
Connettore DVI
Connettore di
ingresso audio
1
Cavo audio
*
(da minipresa stereo a minipresa stereo)
(“Audio analogico”)
Connettore di
uscita audio
1
Cavo audio
*
(“PC2 Suono”)
(da minipresa stereo a minipresa stereo)
Italiano
1
*
Acquistare il cavo.
Attenzione
• Durante il collegamento del PC all’ingresso HDMI, notare quanto segue.
- Dopo avere impostato “PC” su [Formato ingresso] nel menu Setting, avviare il PC.
- Impostare il connettore (“Audio analogico” o “PC2 Suono”) da cui viene trasmesso l’audio del PC in [Presa
ingresso audio] del menu Setting.
Per ulteriori informazioni, consultare il Manuale dell’utente contenuto in “EIZO LCD Utility Disk” (CD-
ROM).
9
Preparazione Installazione
Configurazione e regolazione
Risoluzione dei problemi

Italiano
10
Preparazione Installazione
Configurazione e regolazione
Risoluzione dei problemi
●
Collegamento di un dispositivo USB
1. Collegare le dispositivo USB (tastiera, mouse e così via) alla porta USB (downstream) del
monitor.
Connettori sul
monitor
Downstream USB
Tastiera
Mouse
Attenzione
• Una volta collegate le dispositivo USB e aver acceso il monitor, la funzione USB viene impostata
automaticamente.
• A seconda del PC, del sistema operativo o delle dispositivo USB utilizzati, è possibile che il presente
monitor non funzioni correttamente (per informazioni sulla compatibilità USB delle periferiche,
rivolgersi ai rispettivi produttori).
• Il dispositivo USB non funziona quando l’interruttore di alimentazione principale del monitor è
spento.
NOTA
• Il PC (PC1 o PC2) su cui vengono utilizzati i dispositivi USB si attiva automaticamente insieme all’attivazione del
segnale di ingresso. È inoltre possibile specicare il PC su cui vengono utilizzati i dispositivi USB. Per ulteriori
informazioni, consultare il Manuale dell’utente contenuto in “EIZO LCD Utility Disk” (CD-ROM).

Italiano
11
Preparazione Installazione
Configurazione e regolazione
Risoluzione dei problemi
●
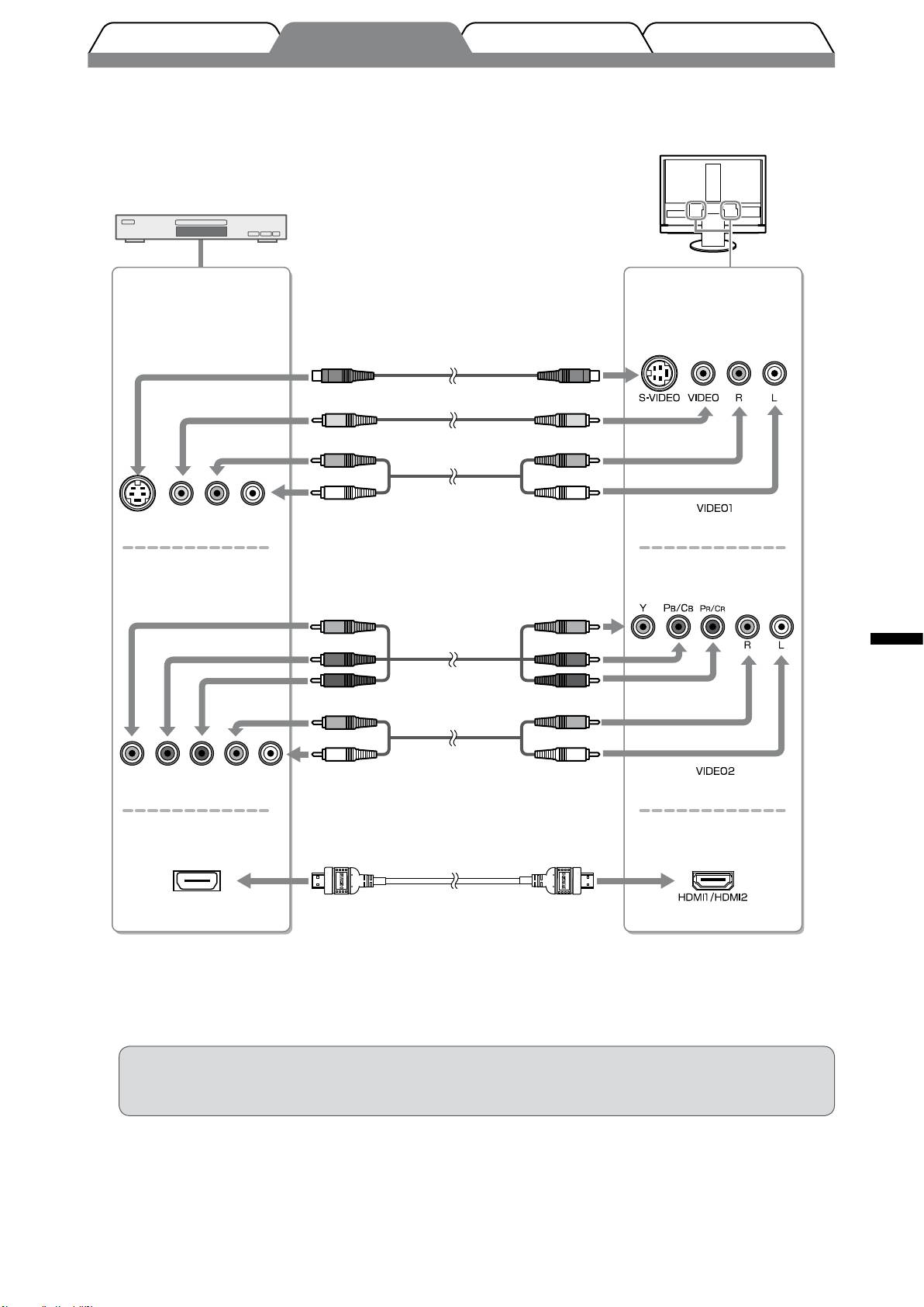
Collegamento di un dispositivo AV
1. Collegare il monitor al dispositivo AV mediante un cavo di segnale che corrisponda ai
connettori.
Connettori sul
Connettori sul
dispositivo AV
monitor
1
2
Cavo S-Video
*
*
o
1
2
Cavo Video
*
*
1
Cavo audio
*
(da presa a piedino a presa a piedino)
S-Video Video
R L
Video componente
1
Cavo video componente
*
1
Cavo audio
*
Video componente
R L
(da presa a piedino a presa a piedino)
1
3
Connettore HDMI
Cavo HDMI
*
*
Connettore HDMI
1
*
Acquistare il cavo.
2
*
Utilizzare un cavo o l’altro per collegare il monitor e il
dispositivo AV.
3
*
Utilizzare il cavo che presenta la dicitura “High
TM
Speed HDMI
Cable”.
Attenzione
• Durante l’uso del dispositivo AV collegato all’ingresso HDMI del monitor tramite la funzione HDMI
CEC, è necessario impostare la voce [Impostaz. HDMI CEC] del menu Setting (vedere a pagina 16).
Table of contents
- FORIS FX2431
- Compatible Resolutions/Signal Format
- Controls and Functions
- Connecting Cables
- Adjusting the Screen Height and Angle
- Displaying the Screen
- Selecting Display Mode
- Adjusting Brightness
- Setting HDMI CEC (When controlling external devices from the monitor)
- No-Picture Problem
- FORIS FX2431
- Kompatible Auösungen/Signalformate
- Bedienelemente und Funktionen
- Kabel anschließen
- Höhe und Neigung des Bildschirms einstellen
- Bild wiedergeben
- Anzeigemodus auswählen
- Bildschirmhelligkeit einstellen
- Festlegen von HDMI-CEC
- Problem: Kein Bild
- FORIS FX2431
- Résolutions/Format de signal compatibles
- Commandes et fonctions
- Connexion des câbles
- Ajustage de la hauteur et de l’angle de l’écran
- Afchage de l’écran
- Ajustage de la luminosité
- Réglage HDMI CEC
- Problème de non-afchage d’images
- FORIS FX2431
- Resoluciones/formato de señal compatibles
- Controles y funciones
- Conexión de los cables
- Ajuste de la altura y el ángulo de la pantalla
- Visualización de la pantalla
- Selección del modo de pantalla
- Ajuste del brillo
- Ajuste HDMI CEC (Si controla dispositivos externos desde el monitor)
- Si no se muestra ninguna imagen
- FORIS FX2431
- Risoluzioni/Formato del segnale compatibili
- Comandi e funzioni
- Collegamento dei cavi
- Regolazione dell’altezza e dell’angolo dello schermo
- Visualizzazione dello schermo
- Selezione della modalità schermo
- Regolazione della luminosità
- Impostazione di HDMI CEC
- FORIS FX2431
- Kompatibla upplösningar/signalformat
- Reglage och funktioner
- Att ansluta kablarna
- Justera skärmhöjd och vinkel
- Visa skärmen
- Välja skärmläge
- Ställa in skärmens ljusstyrka
- Ställa in HDMI CEC (När du styr externa enheter från skärmen)
- Ingen bild visas
- FORIS FX2431
- Συμβατές αναλύσεις/Μορφότυπο σήματος
- Χειριστήρια και λειτουργίες
- Σύνδεση καλωδίων
- Ρύθμιση του ύψους και της γωνίας κλίσης
- Εμφάνιση της οθόνης
- Επιλογή λειτουργίας οθόνης
- Εκτέλεση ρυθμίσεων για προχωρημένους/Ρύθμιση
- Ρύθμιση HDMI CEC (Όταν ελέγχετε εξωτερικές συσκευές από την οθόνη)
- Πρόβλημα “Καθόλου εικόνα”
- FORIS FX2431
- Совместимое разрешение/формат сигнала
- Средства управления и их назначение
- Подключение кабелей
- Регулировка высоты и угла наклона экрана
- Отображение экрана
- Выбор рабочего режима экрана
- Настройка яркости экрана
- Настройка HDMI CEC (при управлении внешними устройствами с монитора)
- Отсутствует изображение на экране
- FORIS FX2431
- 适用的分辨率/信号格式
- 控制和功能
- 连接电缆
- 调整屏幕高度和角度
- 显示屏幕
- 选择显示模式
- 调整亮度
- 设定HDMICEC(从显示器控制外接设备时)
- 无图片的问题

