MB QUART PAB 4100: VERSTÄRKERANWENDUNGENPAB 5400 5-Kanal-Verstärker
VERSTÄRKERANWENDUNGENPAB 5400 5-Kanal-Verstärker: MB QUART PAB 4100
26
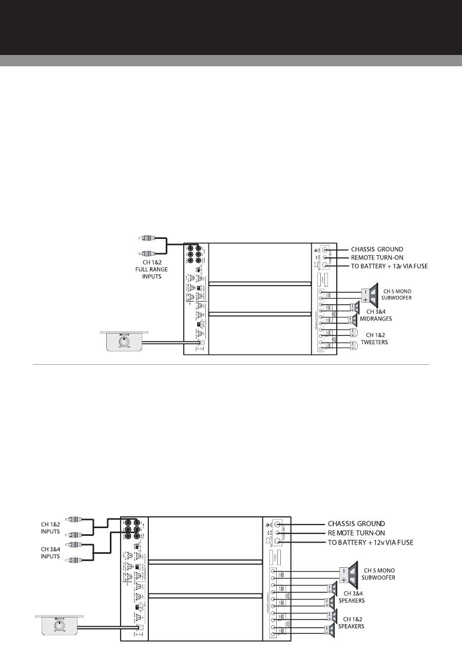
MBQR-1
3-Wege Aktiv-System mit Mono-Bass
Der PAB 5400 5-Kanal-Verstärker beinhaltet alle Funktionen, die für die
Einrichtung eines vollständig in sich geschlossenen 3-Wege-Systems mit
Aktivweiche erforderlich sind.
Checkliste für die Kabelverbindungen:
Mit qualitativ hochwertigen Cinchkabeln die Eingänge von Kanal 1&2 an die
Vollbereichsausgänge des Steuergeräts anschließen.
Checkliste für die Einstellung der Frequenzweichenschalter:
- INPUT-Modus: Position „CH2“
- CH 1/2 X-OVER: Position „HP“
- CH 3/4 X-OVER: Position „BP“
Checkliste für die Einstellung der Übergangsfrequenzregler:
- CH 1/2 HIGH PASS: 1 KHz bis 4 KHz
- CH 3/4 HIGH PASS: 100 Hz
- CH 3/4 LOW PASS: 1 KHz bis 4 KHz
- CH 5 LOW PASS: 100 Hz
Bitte beachten Sie, dass die Hoch- und Tiefpassregler für Kanal 3&4 die
Funktion eines Bandpassreglers ausüben.
Bitte beachten Sie, dass diese Trennfrequenzen nur Vorschläge darstellen.
Lesen Sie in den Herstellerspezifi kationen für die Lautsprecher und im
Abschnitt „Einstellung der Systeme nach Installation zum Erzielen der besten
Leistung“ nach.
Checkliste für die LEVEL-Regler:
Siehe Abschnitt „Einstellen der Systeme nach Installation zum Erzielen der
besten Leistung“
Minimum für die Gesamt-Lautsprecherimpedanzen:
2 Ohm je Kanal
MBQR-1
Front-/Heck-Hochpass mit konstantem Subwoofer
Eine weitere geeignete Anwendung für den PAB 5400 besteht darin, 4
Kanäle für Front-/Hecksatellitenlautsprecher und den Mono-Kanal für einen
konstanten, nicht überblendbaren Subwoofer zu verwenden.
Checkliste für die Kabelverbindungen:
Mit qualitativ hochwertigen Cinchkabeln die Eingänge der Kanäle 1, 2,
3&4 gemäß Abbildung an die Front- und Heckausgänge des Steuergeräts
anschließen.
Checkliste für die Einstellung der Weichenschalter:
- INPUT-Modus: Position „4CH“
- CH 1/2 X-OVER: Position „HP“
- CH 3/4 X-OVER: Position „HP“
Checkliste für die Einstellung der Übergangsfrequenzregler:
- CH 1/2 HIGH PASS: 100 Hz
- CH 3/4 HIGH PASS: 100 Hz
- CH 3/4 LOW PASS: nicht zutreffend
- CH 5 LOW PASS: 100 Hz
Bitte beachten Sie, dass diese Trennfrequenzen nur Vorschläge darstellen.
Lesen Sie in den Herstellerspezifi kationen für die Lautsprecher und im
Abschnitt „Einstellen der Systeme nach Installation zum Erzielen der besten
Leistung“ nach.
Checkliste für die LEVEL-Regler:
Siehe Abschnitt „Einstellen der Systeme nach Installation zum Erzielen der
besten Leistung“
Minimum für die Gesamt-Lautsprecherimpedanzen:
2 Ohm je Kanal
VERSTÄRKERANWENDUNGEN PAB 5400 5-Kanal-Verstärker
Table of contents
- IndexENGLISH
- English System design GENERAL INSTALLATION NOTES Installation
- AMPLIFIER FEATURE DESCRIPTION
- Premium Mono Amplifier AMPLIFIER FEATURE DESCRIPTION English
- AMPLIFIER APPLICATIONSPAB 2100 2-Channel Amplifi er
- English
- 4 channel full range system
- English
- Front/rear high pass, using a 2 channel amplifi er for mono sub bass
- English
- 3 way active, with mono bass
- English
- Troubleshooting a systemAFTER INSTALLATION Setting up systems after installation for best performance
- AFTER INSTALLATION
- DEUTSCH Inhaltsverzeichnis
- Deutsch SystemauslegungALLGEMEINE INSTALLATIONSANWEISUNGEN Installation
- Premium Mehrkanal-Verstärker
- Deutsch Premium Mono-Verstärker
- VERSTÄRKERANWENDUNGENPAB 2100 2-Kanal-Verstärker
- Deutsch
- VERSTÄRKERANWENDUNGENPAB 4100 4-Kanal-Verstärker
- Deutsch
- VERSTÄRKERANWENDUNGENPAB 4100 4-Kanal-Verstärker
- Deutsch
- VERSTÄRKERANWENDUNGENPAB 5400 5-Kanal-Verstärker
- Deutsch
- Einstellen der Anlage nach Installation zum Erzielen der besten LeistungNACH DER INSTALLATION
- Deutsch NACH DER INSTALLATION
- FRANÇAIS Sommaire
- Français Conception du système CONSIGNES D‘INSTALLATION GÉNÉRALES Installation
- Amplificateur multicanal Premium
- Français Amplificateur mono Premium
- APPLICATIONS DE L‘AMPLIFICATEURAmplifi cateur 2 canaux PAB 2100
- Français
- APPLICATIONS DE L‘AMPLIFICATEURAmplifi cateur 4 canaux PAB 4100
- Français
- APPLICATIONS DE L‘AMPLIFICATEURAmplifi cateur 4 canaux PAB 4100
- Français
- APPLICATIONS DE L‘AMPLIFICATEURAmplifi cateur 5 canaux PAB 5400
- Français
- Réglage de l‘installation pour obtenir les meilleures performances possibles APRÈS L‘INSTALLATION
- Français
- ESPAÑOL Índice
- Español Diseño del sistemaINSTRUCCIONES GENERALES PARA LA INSTALACIÓN Instalación
- Amplificador multicanal Premium
- Español Amplificador mono Premium
- APLICACIONES DEL AMPLIFICADORAmplifi cador de 2 canales PAB 2100
- Español
- APLICACIONES DEL AMPLIFICADORAmplifi cador de 4 canales PAB 4100
- Español
- APLICACIONES DEL AMPLIFICADORAmplifi cador de 4 canales PAB 4100
- Español
- APLICACIONES DEL AMPLIFICADORAmplifi cador de 5 canales PAB 5400
- Español
- Ajuste del equipo después de la instalación para obtener el mejor rendimiento DESPUÉS DE LA INSTALACIÓN
- Español
- ITALIANO Indice
- Italiano System designISTRUZIONI GENERALI PER L’INSTALLAZIONE Installazione
- Amplificatore a più canali Premium
- Italiano Amplificatore Mono Premium
- MODALITÀ D’USO DELL’AMPLIFICATOREAmplifi catore PAB 2100 a due canali
- Italiano
- MODALITÀ D’USO DELL’AMPLIFICATOREAmplifi catore a quattro canali PAB 4100
- Italiano
- MODALITÀ D’USO DELL’AMPLIFICATOREAmplifi catore a quattro canali PAB 4100
- Italiano
- MODALITÀ D’USO DELL’AMPLIFICATOREAmplifi catore a 5 canali PAB 5400
- Italiano
- Impostazione del sistema dopo l’installazione per ottenerne il massimo rendimento.DOPO L’INSTALLAZIONE
- Italiano
- PУССКИЙ Содержание
- Pусский Конструктивные параметры системы/Дизайн системыОБЩИЕ УКАЗАНИЯ ПО МОНТАЖУ Монтаж
- Многоканальный усилитель Premium
- Pусский Моно-усилитель Premium
- ПРИМЕНЕНИЯ УСИЛИТЕЛЕЙ2-КАНАЛЬНЫЙ УСИЛИТЕЛЬ PAB 2100
- Pусский
- ПРИМЕНЕНИЯ УСИЛИТЕЛЕЙ4-КАНАЛЬНЫЙ УСИЛИТЕЛЬ PAB 4100
- Pусский
- ПРИМЕНЕНИЯ УСИЛИТЕЛЕЙ4-КАНАЛЬНЫЙ УСИЛИТЕЛЬ PAB 4100
- Pусский
- ПРИМЕНЕНИЯ УСИЛИТЕЛЕЙ5-КАНАЛЬНЫЙ УСИЛИТЕЛЬ PAB 5400
- Pусский
- Настройка системы после монтажа для получения наилучшего эффекта звучания
- Pусский
- TECHNICAL DATA
- TECHNISCHE DATEN
- PAB 2100 / PAB 4100 / PAB 5400 / PAB 1200.1 D

