MB QUART PAB 4100: MODALITÀ D’USO DELL’AMPLIFICATOREAmplifi catore a quattro canali PAB 4100
MODALITÀ D’USO DELL’AMPLIFICATOREAmplifi catore a quattro canali PAB 4100: MB QUART PAB 4100
66
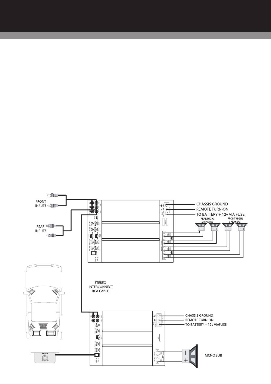
MBQR-1
Passa alti anteriore/posteriore con l’uso di un
amplifi catore a due vie per il Subwoofer Mono
Combinando un amplifi catore a 2 vie con un amplifi catore a 4 vie con l’uso
del commutatore integrato si ottiene un sistema semplice e completo con gli
alti anteriori e posteriori e il Subwoofer Mono.
Lista di controllo per i collegamenti con i cavi:
- Collegare le uscite anteriori e posteriori di un comando alle uscite (LINE IN)
dell’amplifi catore a quattro canali utilizzando cavi cinch di buona qualità.
- Collegare anche l’attacco LINE OUT dell’amplifi catore a 4 canali come illus-
trato all’attacco LINE INPUT dell’amplifi catore a due canali.
Attacco del Subwoofer Mono:
Collegare il terminale d’attacco positivo dell’altoparlante Mono all’attacco
„LEFT +“ e il terminale negativo all’attacco „RIGHT -“.
Lista di controllo per l’impostazione dell’ interruttore di taglio:
Amplifi catore degli alti a 4 canali:
- 1/2 CH X-OVER: posizione „HI“
- 3/4 CH X-OVER: posizione „HI“
Amplifi catore dei bassi a due canali:
- interruttore X-OVER: posizione „BP“
Lista di controllo per l’impostazione del regolatore della frequenza
di transizione:
Amplifi catore alti a 4 canali:
Canali 1/2:
Canali 3/4:
- HI PASS: 100 Hz
- HI PASS: 100 Hz
- LOW PASS: non riguardante
- LOW PASS: non riguardante
Amplifi catore bassi a due canali:
- HI PASS (fi ltro subsonico): da 10 Hz a 40 Hz
- LOW PASS: 100 Hz
Si prega di considerare che queste frequenze sono solo proposte. Verifi care
le specifi che del produttore relative agli altoparlanti e leggere il capitolo „
Impostazione del sistema dopo l’installazione per ottenere il miglior rendi-
mento“.
Lista di controllo per il regolatore LEVEL:
Vedere il capitolo „Impostazione del sistema dopo l’installazione per ottenere
il miglior rendimento“
Impedenze minime totali dell’altoparlante:
- 2 Ohm per ogni canale in funzionamento Stereo.
- 4 Ohm per collegamento a ponte Mono.
MODALITÀ D’USO DELL’AMPLIFICATORE Amplifi catore a quattro canali PAB 4100
Table of contents
- IndexENGLISH
- English System design GENERAL INSTALLATION NOTES Installation
- AMPLIFIER FEATURE DESCRIPTION
- Premium Mono Amplifier AMPLIFIER FEATURE DESCRIPTION English
- AMPLIFIER APPLICATIONSPAB 2100 2-Channel Amplifi er
- English
- 4 channel full range system
- English
- Front/rear high pass, using a 2 channel amplifi er for mono sub bass
- English
- 3 way active, with mono bass
- English
- Troubleshooting a systemAFTER INSTALLATION Setting up systems after installation for best performance
- AFTER INSTALLATION
- DEUTSCH Inhaltsverzeichnis
- Deutsch SystemauslegungALLGEMEINE INSTALLATIONSANWEISUNGEN Installation
- Premium Mehrkanal-Verstärker
- Deutsch Premium Mono-Verstärker
- VERSTÄRKERANWENDUNGENPAB 2100 2-Kanal-Verstärker
- Deutsch
- VERSTÄRKERANWENDUNGENPAB 4100 4-Kanal-Verstärker
- Deutsch
- VERSTÄRKERANWENDUNGENPAB 4100 4-Kanal-Verstärker
- Deutsch
- VERSTÄRKERANWENDUNGENPAB 5400 5-Kanal-Verstärker
- Deutsch
- Einstellen der Anlage nach Installation zum Erzielen der besten LeistungNACH DER INSTALLATION
- Deutsch NACH DER INSTALLATION
- FRANÇAIS Sommaire
- Français Conception du système CONSIGNES D‘INSTALLATION GÉNÉRALES Installation
- Amplificateur multicanal Premium
- Français Amplificateur mono Premium
- APPLICATIONS DE L‘AMPLIFICATEURAmplifi cateur 2 canaux PAB 2100
- Français
- APPLICATIONS DE L‘AMPLIFICATEURAmplifi cateur 4 canaux PAB 4100
- Français
- APPLICATIONS DE L‘AMPLIFICATEURAmplifi cateur 4 canaux PAB 4100
- Français
- APPLICATIONS DE L‘AMPLIFICATEURAmplifi cateur 5 canaux PAB 5400
- Français
- Réglage de l‘installation pour obtenir les meilleures performances possibles APRÈS L‘INSTALLATION
- Français
- ESPAÑOL Índice
- Español Diseño del sistemaINSTRUCCIONES GENERALES PARA LA INSTALACIÓN Instalación
- Amplificador multicanal Premium
- Español Amplificador mono Premium
- APLICACIONES DEL AMPLIFICADORAmplifi cador de 2 canales PAB 2100
- Español
- APLICACIONES DEL AMPLIFICADORAmplifi cador de 4 canales PAB 4100
- Español
- APLICACIONES DEL AMPLIFICADORAmplifi cador de 4 canales PAB 4100
- Español
- APLICACIONES DEL AMPLIFICADORAmplifi cador de 5 canales PAB 5400
- Español
- Ajuste del equipo después de la instalación para obtener el mejor rendimiento DESPUÉS DE LA INSTALACIÓN
- Español
- ITALIANO Indice
- Italiano System designISTRUZIONI GENERALI PER L’INSTALLAZIONE Installazione
- Amplificatore a più canali Premium
- Italiano Amplificatore Mono Premium
- MODALITÀ D’USO DELL’AMPLIFICATOREAmplifi catore PAB 2100 a due canali
- Italiano
- MODALITÀ D’USO DELL’AMPLIFICATOREAmplifi catore a quattro canali PAB 4100
- Italiano
- MODALITÀ D’USO DELL’AMPLIFICATOREAmplifi catore a quattro canali PAB 4100
- Italiano
- MODALITÀ D’USO DELL’AMPLIFICATOREAmplifi catore a 5 canali PAB 5400
- Italiano
- Impostazione del sistema dopo l’installazione per ottenerne il massimo rendimento.DOPO L’INSTALLAZIONE
- Italiano
- PУССКИЙ Содержание
- Pусский Конструктивные параметры системы/Дизайн системыОБЩИЕ УКАЗАНИЯ ПО МОНТАЖУ Монтаж
- Многоканальный усилитель Premium
- Pусский Моно-усилитель Premium
- ПРИМЕНЕНИЯ УСИЛИТЕЛЕЙ2-КАНАЛЬНЫЙ УСИЛИТЕЛЬ PAB 2100
- Pусский
- ПРИМЕНЕНИЯ УСИЛИТЕЛЕЙ4-КАНАЛЬНЫЙ УСИЛИТЕЛЬ PAB 4100
- Pусский
- ПРИМЕНЕНИЯ УСИЛИТЕЛЕЙ4-КАНАЛЬНЫЙ УСИЛИТЕЛЬ PAB 4100
- Pусский
- ПРИМЕНЕНИЯ УСИЛИТЕЛЕЙ5-КАНАЛЬНЫЙ УСИЛИТЕЛЬ PAB 5400
- Pусский
- Настройка системы после монтажа для получения наилучшего эффекта звучания
- Pусский
- TECHNICAL DATA
- TECHNISCHE DATEN
- PAB 2100 / PAB 4100 / PAB 5400 / PAB 1200.1 D

