Kenwood KRC-31: Подсоединение кабелей к гнездам для подключения
Подсоединение кабелей к гнездам для подключения: Kenwood KRC-31

KRC-394_Russian 02.9.26 7:33 PM Page 54
Подсоединение кабелей к гнездам для подключения
Для автомобиля Фольксваген 1
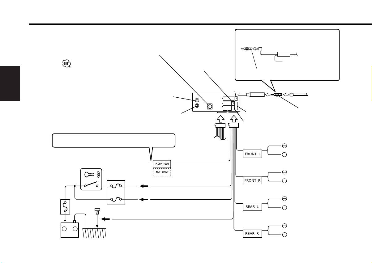
Специальный провод антены
25
(можно купить в магазинах) 3
Вход управления автоматическим проигрывателем
дисков KENWOOD
Для подсоединения
Кнопка трансмиссии 4
Контакт регулятора
автоматического проигрывателя
мощности (см. стр.56) 22
дисков прочитайте инструкцию по
Адаптер для кабелей антенны
эксплуатации автоматического
(ISO-JASO) (Принадлежность 3) 2
проигрывателя дисков. 26
Предохранитель
(10A) 23
Pyccкий
Задний левый
вывод (Белый)
Вход антенны
11 Шнур антенны (ISO)
8
FM/AM 10
Адаптер для кабелей
Смотри правую
Задний правый
антенны (ISO-JASO)
сторону (см. стр.55) 24
вывод (Kрасный) 9
(Принадлежность
3) 12
Вывод контроля питания 28
Жгут проводов
10
Проводка
(Принадлежность 1) 13
Eсли вы не подключаете этот шнур, убедитесь в том,
автомобиля
что он находится внутри контактного столбика. 3
29 Белый/Черный
Управление питанием/
К переднему левому
управляющий кабель
Присоедините или к выводу управления питанием,
усилителю 30
двигателя антенны
+
пользуясь усилителем питания, который не входит
(Cиний/Белый) 14
Белый
в комплект поставки, или к выводу управления
31
антенной в автомобиле. 4
32
Cерый/Черный
Ключ
К переднему правому
зажигания
усилителю 33
+
5
ACC 15
Cерый
Провод зажигания (Kрасный) 17
34
35
Зеленый/Черный
Коробка
К заднему левому
предохранителей
Kабель батареи (Желтый) 18
усилителю 36
+
автомобиля
Коробка предохранителей
Зеленый
(главный
автомобиля 16
37
предохранитель)
38
6
Провод заземления (Чёрный) -
Фиолетовый/Черный
+
–
(К шасси автомобиля) 19
К заднему правому
усилителю 39
+
Аккумулятор 7
Фиолетовый
40
— 54 —

KRC-394_Russian 02.9.26 7:33 PM Page 55
■ Ta блица функций разеъема
■ Установка вилки
2ПРEДУПРEЖДEНИE
Присоединение разъема ISO
Расположение штырей у разъемов ISO зависит от типа
10
автомобиля, который вы водите. Во избежание повреждения
аппарата следует проверить, что соединения сделаны
правильно.
1
3
5
7
1 Штепсель А-7 автомобильного разъема ISO подсоединен к
Разъем B
2
4
6
8
зажиганию, а штепсель А-4 подсоединен к постоянному
электропитанию. (Cтандартная настройка)
1
3
5
7
Разъем A
2
4
6
8
10
Номера штырей Установка Функции
разъемов ISO вилки*
<
Разъем для внешнего питания
>
A–4 1 Аккумулятор
2 Зажигание (АCC)
2 Штепсель А-7 автомобильного разъема ISO подсоединен к
A–5 Управление питанием
источнику постоянного электропитания, а штепсель А-4
A–7 1 Зажигание (АCC)
соединен с зажиганием.
2 Аккумулятор
A–8 Заземляющее
соединение (земля)
10
<Разъем для колонок>
B–1 Задний правый (+)
B–2 Задний правый (–)
B–3 Передний правый (+)
B–4 Передний правый (–)
• Если подсоединены оба вывода A-7 и A-4 подсоединены к
B–5 Передний левый (+)
постоянному источнику питания транспортного средства,
B–6 Передний левый (–)
используйте установку вилки 2.
B–7 Задний левый (+)
• Если вывод A-7 подсоединён к постоянному источнику питания
B–8 Задний левый (–)
транспортного средства, а вывод A-4 ни к чему не
подсоединён, подключите устройство, используя комплект
*Установка вилки: Смотри правую сторону.
проводки (Дополнительное приспособление 1).
— 55 —
Table of contents
- CASSETTE RECEIVER
- Contents
- Safety precautions
- Safety precautions About RDS
- General features
- Tuner features General features
- RDS features
- RDS features
- Tuner features
- Tuner features
- External disc control features
- External disc control features
- Menu system
- Menu system
- Menu system
- Accessories
- Connecting Wires to Terminals
- Connecting Wires to Terminals
- Connecting Wires to Terminals Installation
- Troubleshooting Guide
- Troubleshooting Guide
- Specifications
- Cодержание
- Меры предосторожности
- Меры предосторожности O RDS
- Общие характеристики
- Cвойства тюнера Общие характеристики
- Cвойства RDS
- Cвойства RDS
- Cвойства тюнера
- Cвойства тюнера
- Функции управления внешним диском
- Функции управления внешним диском
- Система меню
- Система меню
- Система меню
- Принадлежности
- Подсоединение кабелей к гнездам для подключения
- Подсоединение кабелей к гнездам для подключения Установка
- Поиск и устранение неисправностей
- Поиск и устранение неисправностей
- Технические характеристики
- Treść
- Środki ostrożności
- Środki ostrożności Informacje o RDS
- Ogólne możliwości
- Możliwości tunera Ogólne możliwości
- Możliwości RDS
- Możliwości RDS
- Możliwości tunera
- Możliwości tunera
- Możliwości sterowania zewnętrznymi płytami
- Możliwości sterowania zewnętrznymi płytami
- Menu systemu
- Menu systemu
- Menu systemu
- Akcesoria
- Podłączanie przewodów do końcówek
- Podłączanie przewodów do końcówek Instalacja
- Przewodnik wykrywania i usuwania usterek
- Przewodnik wykrywania i usuwania usterek
- Dane techniczne
- Obsah
- Bezpečnostní pokyny
- Bezpečnostní pokyny O RDS
- Obecné funkce
- Funkce tuneru Obecné funkce
- Funkce RDS
- Funkce RDS
- Funkce tuneru
- Funkce tuneru
- Funkce ovládání externího disku
- Funkce ovládání externího disku
- Systém menu
- Systém menu
- Systém menu
- Příslušenství
- Připojování kabelů ke svorkám
- Připojování kabelů ke svorkám Instalace
- Przewodnik wykrywania i usuwania usterek
- Przewodnik wykrywania i usuwania usterek
- Specifikace





