Kenwood KRC-31: Connecting Wires to Terminals
Connecting Wires to Terminals: Kenwood KRC-31

KRC-394(E2)_U.S r1 02.9.26 7:29 PM Page 24
Connecting Wires to Terminals
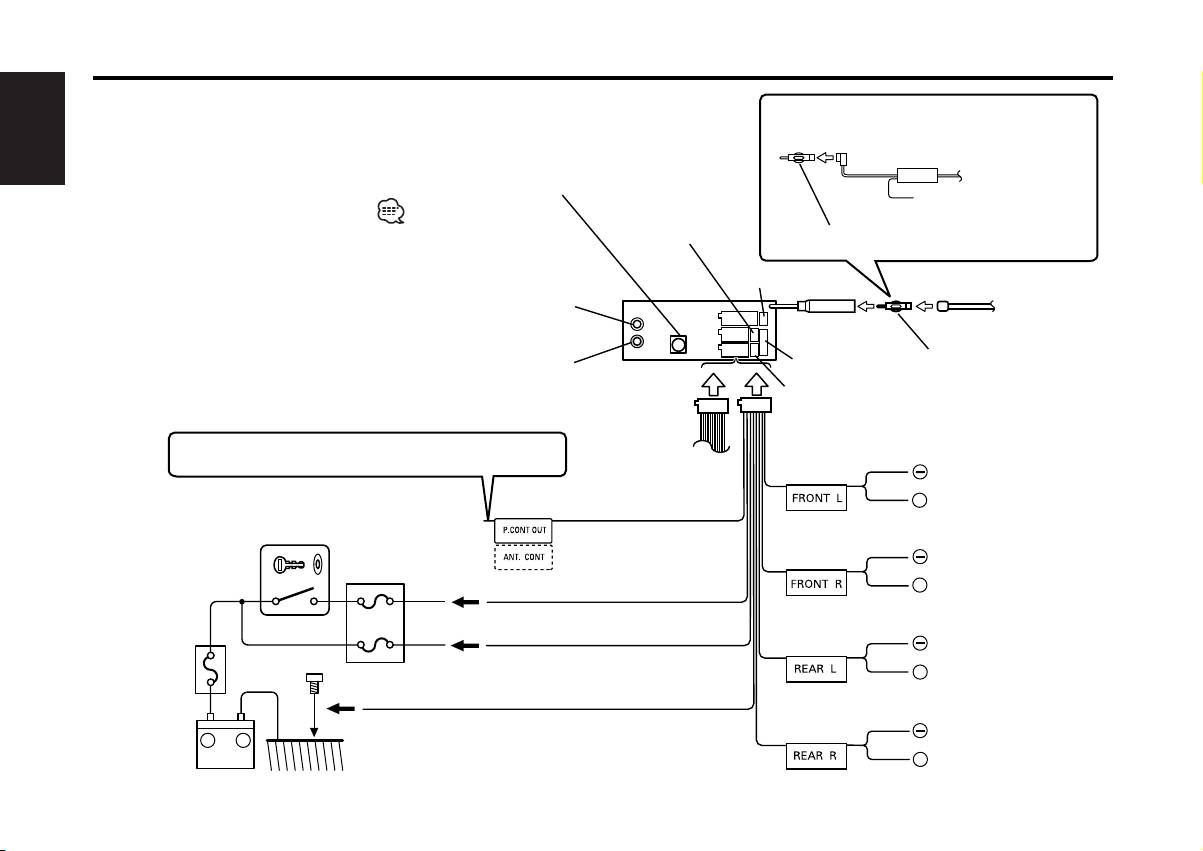
For Volkswagen car 1
Special antenna adapter
(Commercially available) 3
English
KENWOOD disc changer input 25
To Power Control terminal
To connect the Disc
4
changer, consult your
Power Control
Disc changer manual. 26
terminal (page 26) 22
Antenna Conversion Adaptor
(ISO–JASO) (Accessory3) 2
Fuse (10A) 23
8
Rear left output (White)
FM/AM
Antenna Cord (ISO) 11
antenna input 10
9
Antenna Conversion Adaptor
Rear right output (Red)
Plug (page 25) 24
(ISO–JASO) (Accessory3) 12
TEL mute terminal
28
Wiring harness
(Accessory1) 13
If no connections are made, do not let the wire come
out from the tab. 3
Car’s wiring
29White/Black
harness 10
To front left
Power control/ Motor antenna
speaker 31
+
4 Connect either to the power control terminal
control wire (Blue/White) 14
White
when using the optional power amplifier, or to
31
the antenna control terminal in the vehicle.
32
Gray/Black
Ignition key
To front right
switch 5
speaker 33
+
ACC 15
Gray
Ignition wire (Red) 17
34
35
Green/Black
To rear left
Car fuse box
Battery wire (Yellow) 18
speaker 37
+
(Main fuse)
Car fuse box 16
Green
6
37
38
Ground wire (Black) - (To car chassis)
Purple/Black
+
–
19
To rear right
speaker 39
+
Purple
Battery 7
40
— 24 —
— 24 —
Table of contents
- CASSETTE RECEIVER
- Contents
- Safety precautions
- Safety precautions About RDS
- General features
- Tuner features General features
- RDS features
- RDS features
- Tuner features
- Tuner features
- External disc control features
- External disc control features
- Menu system
- Menu system
- Menu system
- Accessories
- Connecting Wires to Terminals
- Connecting Wires to Terminals
- Connecting Wires to Terminals Installation
- Troubleshooting Guide
- Troubleshooting Guide
- Specifications
- Cодержание
- Меры предосторожности
- Меры предосторожности O RDS
- Общие характеристики
- Cвойства тюнера Общие характеристики
- Cвойства RDS
- Cвойства RDS
- Cвойства тюнера
- Cвойства тюнера
- Функции управления внешним диском
- Функции управления внешним диском
- Система меню
- Система меню
- Система меню
- Принадлежности
- Подсоединение кабелей к гнездам для подключения
- Подсоединение кабелей к гнездам для подключения Установка
- Поиск и устранение неисправностей
- Поиск и устранение неисправностей
- Технические характеристики
- Treść
- Środki ostrożności
- Środki ostrożności Informacje o RDS
- Ogólne możliwości
- Możliwości tunera Ogólne możliwości
- Możliwości RDS
- Możliwości RDS
- Możliwości tunera
- Możliwości tunera
- Możliwości sterowania zewnętrznymi płytami
- Możliwości sterowania zewnętrznymi płytami
- Menu systemu
- Menu systemu
- Menu systemu
- Akcesoria
- Podłączanie przewodów do końcówek
- Podłączanie przewodów do końcówek Instalacja
- Przewodnik wykrywania i usuwania usterek
- Przewodnik wykrywania i usuwania usterek
- Dane techniczne
- Obsah
- Bezpečnostní pokyny
- Bezpečnostní pokyny O RDS
- Obecné funkce
- Funkce tuneru Obecné funkce
- Funkce RDS
- Funkce RDS
- Funkce tuneru
- Funkce tuneru
- Funkce ovládání externího disku
- Funkce ovládání externího disku
- Systém menu
- Systém menu
- Systém menu
- Příslušenství
- Připojování kabelů ke svorkám
- Připojování kabelů ke svorkám Instalace
- Przewodnik wykrywania i usuwania usterek
- Przewodnik wykrywania i usuwania usterek
- Specifikace





