Mongoose AMG 850 C – page 3
Manual for Mongoose AMG 850 C

Технические характеристики
Напряжение питания 10...15 В
Потребляемый ток в режиме охраны 20 мА
Частота радиоканала 433,92 МГц
0
Диапазон рабочих температур "40...+85
С
Максимально допустимый ток
" цепи блокировки двигателя 20 А
" цепи сигнальных фонарей 10 А
" цепей управления центральным замком 15 А
" цепей дополнительных каналов 300 мА
Максимальный радиус действия брелока 30 м
Установка
Прежде чем начать подсоединение, выберите место в автомобиле для следую"
щих приборов и присоединений:
источника постоянного тока;
источника тока при включенном зажигании;
точек подсоединения фонарей (положительный импульс);
концевых выключателей дверей;
концевого выключателя багажника;
концевого выключателя капота (установите дополнительный концевой выклю"
чатель при необходимости);
провод стартера;
отсоедините «"» клемму аккумулятора.
Главный 24контактный разъем.
ЧЁРНЫЙ ПРОВОД
Подсоединить на корпус автомобиля.
ЗЕЛЁНЫЙ/КОРИЧНЕВЫЙ ПРОВОД
Русский
Питание электронного модуля. Подсоединить к источнику постоянного тока 12В через 5А
предохранитель.
ЧЁРНЫЙ/БЕЛЫЙ и ЧЁРНЫЙ/ЗЕЛЁНЫЙ ПРОВОДА
Релейные выходы на фонари. Один провод подсоединяют к контуру фонарей левого бор"
та, другой " к контуру фонарей правого борта.
ЗЕЛЁНЫЙ и ЖЁЛТЫЙ ПРОВОДА
Эти провода подключают к дверным концевым выключателям. Схема подключения зави"
сит от того, какие дверные концевые выключатели используются " положительные или отри"
цательные.
Отрицательные дверные концевые выключатели:
подсоединить ЖЕЛТЫЙ провод к земле, ЗЕЛЕНЫЙ " к дверному проводу между дверными
концевыми выключателями и лампой салонного света, на котором при открывании дверей
появляется земля. Проверьте, чтобы выбранный провод был подключен ко всем дверям ав"
томобиля.
Положительные дверные концевые выключатели:
подсоедините ЗЕЛЕНЫЙ провод к (+) клемме источника питания 12В, ЖЕЛТЫЙ " к дверно"
му проводу между дверными концевыми выключателями и лампой салонного света, на кото"
ром при открывании дверей появляется 12В. Проверьте, чтобы выбранный провод был под"
ключен ко всем дверям автомобиля.
41

Примечание: Подключив ЖЕЛТЫЙ и ЗЕЛЕНЫЙ провода, описанным выше способом, Вы
реализуете режим задержки подсветки салона на 20 секунд после закрывания двери, но до
включения зажигания или постановки на охрану. Если такой режим не требуется или не же
лателен, не подключайте ЖЕЛТЫЙ или ЗЕЛЕНЫЙ провода к «земле» или + соответственно.
ВНИМАНИЕ: Категорически запрещено одновременное использование желтого и зеле"
ного проводов в качестве триггерных входов системы. Т.е. нельзя одновременное подключе"
ние к «плюсовым» и «минусовым» концевым выключателям дверей.
ФИОЛЕТОВЫЙ ПРОВОД
«+0.3А» выход для подключения пейджера.
СИНИЙ/ЧЁРНЫЙ ПРОВОД
«"0.3А» выход устройства открывания багажника. При нажатии кнопки 2 на 3 секунды при
выключенном зажигании на нём появляется отрицательный импульс продолжительностью 0,5с.
КОРИЧНЕВЫЙ ПРОВОД
Провести провод через резиновую втулку переборки отсека двигателя и подсоединить к
красному проводу сирены. Подсоединить чёрный провод сирены на корпус.
КРАСНЫЙ ПРОВОД
Вход питания фонарей и выбора полярности управления ими. Обычно присоединяется к
+12В через предохранитель 15А.
ОРАНЖЕВЫЙ (Подключен к реле),
КОРИЧНЕВЫЙ/БЕЛЫЙ ПРОВОД
«"0.3А» выход для подключения к реле блокировки двигателя.
ОРАНЖЕВЫЙ ПРОВОД
Подсоединить к проводу зажигания.
Внимание: данный источник питания не должен отключаться при запуске двигателя.
СЕРЫЙ/БЕЛЫЙ ПРОВОД
Подсоединить провод к любому контуру, на котором появляется земля при открывании
багажника. Если такого контура нет, установите дополнительный концевой выключатель, на
котором при открывании багажника будет появляться земля.
СЕРЫЙ ПРОВОД
Подсоединить провод к любому контуру, на котором появляется земля при открывании ка"
пота. Если такого контура нет , установите дополнительный концевой выключатель , на кото"
ром при открывании капота будет появляться земля.
ЗЕЛЕНЫЙ/КРАСНЫЙ ПРОВОД
«"0,3А» выход для управления закрыванием окон/люка, системой комфорт, фонарями. При
нажатии на кнопку 3 на 3 секунды при выключенном зажигании или при постановке на охрану
на этом выходе появляется сигнал длительностью 10 или 25с. (См. переключатели программ"
ных функций 2.2).
БЕЛЫЙ ПРОВОД
«"0.3А»выход для управления дополнительными устройствами. При одновременном нажа"
тии кнопок 2 и 3 пульта на этом проводе появляется сигнал и присутствует до отпускания
кнопок, но не более 30 секунд.
СИНИЙ ПРОВОД
«"0.3А» выход для организации двушагового отпирания дверей. На этом проводе появля"
ется сигнал при повторном, в течение 3 секунд, нажатии на кнопку 2 пульта.
Провода для устройств запирания дверей.
Система Mongoose AMG"850 C поставляется с универсальной системой запирания две"
рей, имеющей шесть проводов. Смотри приложенные диаграммы, на которых показаны схе"
мы соединений для негативного управления, позитивного управления, установки новых при"
водов и пневматического привода.
СЕРЫЙ/КРАСНЫЙ ПРОВОД " реле запирания " общий контакт
КРАСНЫЙ/ЖЕЛТЫЙ ПРОВОД " реле запирания " разомкнутый контакт
СЕРЫЙ/ЖЕЛТЫЙ ПРОВОД " реле запирания " замкнутый контакт
ГОЛУБОЙ/ЖЕЛТЫЙ ПРОВОД " реле отпирания " замкнутый контакт
КРАСНЫЙ/ЧЕРНЫЙ ПРОВОД " реле отпирания " разомкнутый контакт
ГОЛУБОЙ/КРАСНЫЙ ПРОВОД " реле отпирания " общий контакт
42

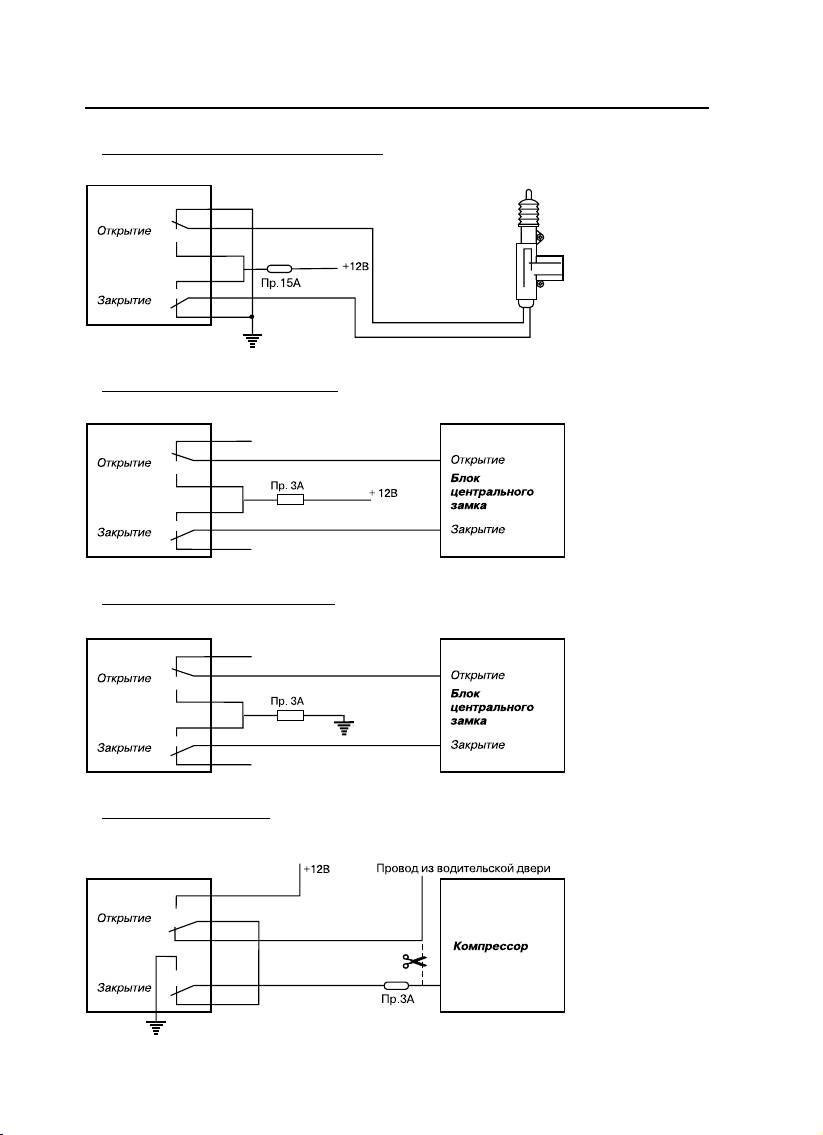
СХЕМА ПОДКЛЮЧЕНИЙ
Русский
43

ПОДКЛЮЧЕНИЕ К ЦЕНТРАЛЬНОМУ ЗАМКУ.
Дополнительный электропривод.
Позитивное управление ЦЗ.
Негативное управление ЦЗ.
Пневматический ЦЗ
(Audi, Mercedes)
44

MONGOOSE AMG 850C
Вступ
Сигналізація AMG 850С сконструйована для охорони дверей автомобіля, його
капота і багажника, внутрішнього простору в салоні, а також простору в безпосе"
редній близькості від Вашого автомобіля.
Для запобігання несанкціонованого доступу в систему передбачений захист
TM
коду радіокоманд на базі технології кодування KeeLoq
, що успішно протис"
тоїть спробам перехоплення кодів за допомогою код"граббера, також є вмонто
ваною функція антисканування, що забороняє відключення сигналізації простим
добором випадкових кодів і функція пам’яті поточного стану, що не дозволяє
знешкодити сигналізацію, яка є під охороною, шляхом знімання та надівання кле"
ми автомобільного акумулятора, тому що в цьому випадку включиться тривога і
буде зберігатися блокування двигуна.
Переривання і відновлення напруги при відключеній охороні не викликає спра"
цьовування сигналізації, щоб не спричиняти зайвих труднощів, наприклад, при
ремонті.
Якщо напругу було відключено, коли сигналізація знаходилася в режимі Valet, то
наступна його подача поверне сигналізацію в це ж стан.
Щоб уникнути запирання ключів усередині автомобіля, при відновленні подачі
напруги від автомобільного акумулятора не відбувається зміни стана дверних
замків.
Функція обходу несправної зони дозволяє уникнути помилкової тривоги. Ця
функція відключить поламаний датчик до кінця циклу охорони у разі, якщо він вик"
ликав вмикання тривоги 8 разів.
Всі інші контрольовані зони та блокування залишаться включеними.
Функцію обліку затримки салонного світла можна запрограмувати самостійно.
Ця функція дає можливість використовувати AMG 850С на будь"яких типах авто"
мобілів.
Для підвищення охоронних властивостей системи і зручності користування ав"
томобілем AMG 850С має додаткові канали:
" для підключення пейджера,
" для керування електричним замком багажника,
" для автоматичного зачинення вікон, коли об’єкт ставлять під охорону,
" для керування електричними стеклопідйомниками або зовнішнім освітленням
за допомогою брелока.
До комплекту Mongoose AMG 850С належать:
Українська
Центральний блок керування з повним комплектом для установки.
Дворівневий датчик удару, що включає або попереджувальну трель, або по"
вну тривогу сигналізації в залежності від сили удару по кузові автомобіля.
Два брелоки дистанційного керування.
Світодіод для індикації режимів роботи сигналізації, призначений для уста"
новки в автомобілі.
45

Кнопка аварійного відключення, місце установки якої в автомобілі Вам нале"
жить вибрати разом із спеціалістом, який буде встановлювати цю систему.
При цьому Вам треба зробити це із таким розрахунком, щоб забезпечити до"
статню таємність її розташування з одного боку, і зручність користування з
іншого.
Повну інструкцію керування всіма режимами AMG 850С, а також картку"пам’"
ятку, що завжди зручно мати при собі, із стислим описом керування сигналі"
зацією.
Якщо Ви хочете підвищити охоронні властивості Вашої сигналізації, ми
радимо Вам додатково придбати дворівневий датчик об’єму , спроможний реєст"
рувати будь"який рух як усередині автомобіля, так і в безпосередній близькості від
нього. Ваш AMG 850С має спеціальний вхід для підключення такого датчика.
Брелок дистанційного керування сигналізацією.
Брелок зроблено у вигляді мініатюрного радіо передавача, що живиться від 12
вольтової батарейки (тип 23 А), якої вистачає приблизно на 1 рік експлуатації. Істот"
не зниження дальності прийому системою команд передавача говорить про не"
обхідність заміни батарейки. На брелоку розташовані три кнопки керування й інди"
каторний світодіод. При натисканні на будь"яку з кнопок передавач формує і
передає спеціальну кодовану команду, що змінюється при кожному новому натис"
канні на кнопки, запобігаючи таким чином використання можливості перехоплен"
ня коду Вашої сигналізації код"граббером.
Таблиця команд.
Функція Кнопка 1 Кнопка 2 Кнопка 3 Примітка
Постановка/ зняття з#під охорони z Запалювання ВИМИКНУТИ
Замикання дверей z Запалювання ВМИКНУТИ
Постановка на охорону з відключеними датчиками zz Запалювання ВИМИКНУТИ
Тиха постановка/ зняття з#під охорони z2 z1 Запалювання ВИМИКНУТИ
Тиха постановка під охорону з відключеними zz2 z1 Запалювання ВИМИКНУТИ
датчиками
Відмикання дверей z Запалювання ВМИКНУТИ
Паніка z3 сек. Запалювання ВИМИКНУТИ
Відмикання багажника z3 сек. Запалювання ВИМИКНУТИ
Зачинення вікон/ вмикання зовнішнього освітлення z3 сек. Запалювання ВИМИКНУТИ
Універсальний вихід для керування z3 сек. z3 сек.
стеклопідйомниками або зовнішнім освітленням
VALET#РЕЖИМ z3 сек. z3 сек. Охорона відключена
Двокрокове відмикання zz Запалювання ВИМИКНУТИ
Анти Хайджек (Anti Hi#Jack) z3 сек. Запалювання ВМИКНУТИ
Постановка/ зняття з#під охорони zz Запалювання ВИМИКНУТИ
другого автомобіля
z
короткочасно натиснути на кнопку
z короткочасно натиснути два рази в інтервалі не більш 3 секунд
46

z3 сек. натиснути й утримувати кнопку в натиснутому стані не менше 3 секунд
z3 сек. натиснути й утримувати кнопки протягом 3"х секунд для запуску каналу,
продовжувати утримувати протягом часу, необхідного для роботи каналу, але не
більш 30 секунд.
1, 2 порядок натискання кнопок
Необхідна інформація
PINКОД.
Для підвищення таємності керування сигналізацією в AMG 850С передбачена
можливість використання персонального коду (PIN"коду) для аварійного відклю"
чення сигналізації, входу в режим програмування додаткових брелоків і користу"
вальних функцій, відключення функції Anti Hi"jack, яка допомагає уникнути погра"
бування автомобіля.
PIN код складається з двох цифр і може мати значення від 11 до 99. При виго"
товленні системи в її пам’ять записується код, який дорівнює 11. Проте, ми реко"
мендуємо Вам після установки системи запрограмувати інше значення PIN коду
(детальніше про встановлення іншого PIN коду йдеться в розділі «Програмуван"
ня»). Це дозволить Вам забезпечити свою охоронну систему від несанкціонова"
ного зняття з"під охорони.
Для вводу PIN коду використовується кнопка аварійного відключення і ключ за"
палювання
Аварійне відключення сигналізації.
У випадку, якщо брелок сигналізації є відсутній або несправний, для зняття сис"
теми з"під охорони необхідно: відчинити двері ключем, при цьому включиться ре"
жим тривоги, сісти в автомобіль і включити запалювання. При включеному запа"
люванні натиснути кнопку аварійного відключення таке число разів, яке дорівнює
першій цифрі заданого Вами PIN коду, потім виключити і знову включити запалю"
вання, натиснути кнопку аварійного відключення таке число разів, що дорівнює
другій цифрі Вашого PIN"коду. Потім Вам треба виключити запалювання " і систе"
ма зніметься з"під охорони.
Світодіодна індикація стану.
Охорона включена повільно миготить
Охорона відключена не горить
Автопостановка швидко миготить
Valet"режим горить постійно
Українська
47

ПРАВИЛА КОРИСТУВАННЯ
Керування основними режимами охорони
Постановка під охорону.
Щоб поставити сигналізацію під охорону, треба при виключеному запалюванні
натиснути кнопку 1 брелока. Якщо всі двері, капот і багажник закриті, сирена по"
дасть один звуковий сигнал і ліхтарі мигнуть один раз. Світодіод системи почне
повільно миготіти, дверні замки закриються (якщо автомобіль є обладнаний при"
водами блокування замків). Якщо одна з дверей, капот або багажник виявляться
незачинені, пролунають три звукових сигнали і ліхтарі промиготять три рази.
Охорона.
У режимі охорони сигналізація контролює стан усіх наявних кінцевих вимикачів
дверей, капота, багажника, вмикання запалювання і стан датчика удару, а також
датчика об’єму, якщо він був додатково встановлений, та інше. Крім того, у ре"
жимі охорони блокується запуск двигуна. При порушенні якоїсь із зон охорони
включається 30 секундний режим тривоги.
Тривога.
Якщо режим тривоги включився, те сирена буде звучати, а сигнальні ліхтарі бу"
дуть миготіти протягом 30 секунд або до їхнього відключення кнопкою 1 брелока.
При спрацьовуванні попереджувальної зони датчика удару або зовнішньої зони
додаткового датчика, пролунає попереджувальна трель сирени.
Зняття з охорони.
Для зняття сигналізації з"під охорони треба натиснути кнопку 1 брелока, сирена
подасть 2 звукових сигнали, і двічі мигнуть сигнальні ліхтарі. Світодіод погасне,
дверні замки відчиняться (якщо автомобіль є обладнаний приводами блокування
замків). Якщо в період знаходження об’єкта під охороною включався режим три"
воги, то при знятті з"під охорони пролунають чотири звукових сигнали і ліхтарі миг"
нуть чотири рази.
Якщо при установці Вами була обрана двокрокова схема відмикання дверей,
то при першому натисканні на кнопку відчиняться тільки двері водія, для відмикан
ня інших дверей треба повторно натискати кнопку 1 протягом 3 секунд.
Паніка.
Якщо при виключеному запалюванні натиснути й утримувати протягом 3 сек.
кнопку 1, то включиться сирена і сигнальні ліхтарі. Повторне натискання на кнопку
1 відключає цей режим. Вмикання і наступне вимикання Паніки не змінює стан
системи, тобто вона залишиться під охороною, якщо вже знаходилася в цьому
режимі. При цьому двері залишаться замкнені. Якщо ж режим охорони був відклю"
чений і замки дверей відкриті, то постановки під охорону і замикання дверей не
відбудеться.
48

Тиха постановка під охорону.
Коли необхідно поставити сигналізацію під охорону без звукового підтверджен"
ня, щоб не турбувати навколишніми звуками сирени, натисніть кнопку 3 брелока
безпосередньо перед натисканням кнопки 1, ліхтарі як звичайно мигнуть один раз,
але сирена буде мовчати. Світодіод системи почне повільно миготіти, дверні зам"
ки закриються (якщо автомобіль є обладнаний приводами блокування замків). При
тихій постановці під охорону звукове попередження про незачинені двері, капот і
багажник зберігається, тому можна не турбуватися, якщо Ви залишаєте свій авто"
мобіль незамкненим.
Тихе зняття зпід охорони.
Для того, щоб зняти сигналізацію з"під охорони без звукового підтвердження,
треба натиснути кнопки 3 і 1 у тієї ж послідовності, при цьому двічі мигнуть сиг"
нальні ліхтарі, але сирена буде мовчати. Світодіод погасне, дверні замки відчи"
няться (якщо автомобіль є обладнаний приводами блокування замків). Проте,
якщо в період знаходження об’єкта під охороною включалася тривога, то навіть
при тихому знятті з"під охорони система повідомить Вам про це звичайними зву"
ковими сигналами.
Постановка під охорону з відключеними датчиками.
Якщо при постановці під охорону виникає необхідність відключити салонні дат"
чики, наприклад у тому випадку, коли в салоні автомобіля потрібно залишити па"
сажирів або тварин, треба двічі натиснути кнопку 1. Система підтвердить відклю"
чення датчиків додатковим звуковим і світловим сигналом.
Тиха постановка під охорону з відключеними датчиками.
Ви можете відключити салонні датчики і при тихій постановці під охорону, для
цього потрібно натиснути кнопку 3, а потім двічі кнопку 2. Відключення датчиків у
цьому випадку буде підтверджено тільки додатковим світловим сигналом.
Використання додаткових охоронних функцій
Автоматична перепостановка під охорону (захист від випадкового
натискання).
Якщо протягом 30 сек. після зняття з"під охорони не відчинялася жодна з две"
рей, капот або багажник, а також не включалося запалювання, система автома"
тично перейде до режиму охорони і замкне двері автомобіля. Замикання дверей
при перепостановці можна програмно відключити.
Двокрокове зняття зпід охорони.
Українська
Якщо включилася тривога, то натиснувши будь"яку кнопку один раз, Ви тільки
виключите сирену і сигнальні ліхтарі (у випадку, якщо причина тривоги усунута,
тобто, наприклад, Ви вже закрили відкриті двері або датчик удару перестав спра"
цьовувати). Якщо ж причина, що викликала тривогу, зберігається, то для відклю"
чення тривоги потрібно повторне натискати на кнопку. Для повного відключення
охорони натисніть на кнопку ще раз після того, як виключите тривогу.
49

Автопостановка.
Функція може бути програмно включена або виключена при установці.
Якщо функція включена, те після вимикання запалювання, відкриття і закриван"
ня дверей світодіод почне швидко миготіти. Якщо протягом 30 секунд після цього
всі двері, а також капот і багажник залишаться закритими, сигналізація перейде в
режим охорони. Замки дверей при автопостановці не замикаються.
У випадку використання функції автопостановки включається режим затримки
тривоги при відкритті дверей в режимі охорони, що дозволяє сісти в автомобіль і
відключити охорону шляхом введення PIN"коду. При цьому тривога не буде вклю"
чатися протягом 10 секунд. Програмно можна встановити тривалість затримки,
що може дорівнювати 20 секундам.
Автоматичне замикання дверей при вмиканні запалювання.
Через 10 сек. після вмикання запалювання автоматично замикаються електричні
замки дверей, при вимиканні запалювання замки негайно відмикаються. Якщо
протягом цих 10 сек. одна з дверей залишиться відкритою, то автоматичного за"
микання не відбудеться, щоб уникнути випадку замикання ключів усередині авто"
мобіля. Функція може бути програмно відключена.
Дистанційне керування центральним замком.
При включеному запалюванні замки дверей автомобіля можна у будь"який мо"
мент зачинити або відкрити шляхом натисканням на брелоку кнопок 1 або 2 відпо"
відно.
AntiHiJack. Захист від нападу грабіжників.
Ви можете в будьякий момент включити або виключити цю функцію за допомо
гою програмування
Якщо функція програмно включена, те вона буде активізована щоразу при вми"
канні запалювання, а так само щоразу, коли хтось відчинить двері при включеному
запалюванні. Таким чином, якщо від Вас потребують покинути автомобіль і відда"
ти ключі, Ви можете виконувати вимоги грабіжників, бо Anti Hi"Jack сам включить
тривогу і змусить грабіжників зупинитися.
При активізації Anti"Hi"Jack світодіод системи почне повільно миготіти, потім
наступає 2 хвилинна пауза, призначена для того, що б дати можливість грабіжнику
від’їхати на безпечну відстань, а Вам у цей час ввести код відключення.
Після паузи, якщо код відключення не був введений, включається режим попе"
редження. Сигнальні ліхтарі будуть миготіти, попереджаючи про те, що через 30
секунд включиться сирена.
Після закінчення 30 секунд звучання сирени, на 30 секунд включиться також і
миготіння сигнальних ліхтарів. Починаючи з цього моменту, двигун буде заблоко"
вано до повного відключення Anti Hi"Jack.
Починаючи з моменту активізації Anti Hi"Jack і до повного його відключення всі
брелоки будуть заблоковано, і система не буде виконувати ніякі дистанційні ко"
манди.
Для відключення Anti"Hi"Jack протягом 2 хвилинної паузи введіть кнопкою авар"
ійного відключення першу цифру Вашого PIN"коду. Світодіод погасне, система
повернеться в режим нормальної експлуатації.
50

Для відключення Anti Hi"Jack по закінченні 2 хвилинної паузи потрібно зупинити
автомобіль і ввести повний код, так само як і при аварійному відключенні.
ПАМ’ЯТАЄТЕ, що включивши Anti HiJack, Ви повинні вводити першу циф
ру Вашого PINкоду щоразу, коли Ви включите запалювання, а так само,
коли відчиняєте двері при включеному запалюванні.
Для тимчасового запобігання активізації AntiHiJack можна використовувати
Valetрежим, проте, щоб включити Valetрежим, Anti HiJack повинен бути попе
редньо відключений.
Функції діагностики
Попередження про несправність.
Якщо при постановці під охорону одна з дверей, капот або багажник не будуть
зачинені, то Ви почуєте 3 звукових сигнали замість одного, а до того ж ліхтарі миг"
нуть 3 рази.
Пам’ять тривоги.
Якщо під час знаходження об’єкта під охороною включався режим тривоги, то
при знятті з"під охорони система видає 4 додаткових звукових і світлових сигнали
і протягом 10 секунд після першого вмикання запалювання за допомогою серій
спалахів світодіоду повідомляє про причину, яка викликала тривогу:
Кількість спалахів у серії Вид датчика
2 Салонний датчик
3 Кінцевик дверей «(« або «+»
4 Капот/ багажник
5 Запалювання
Облік затримки салонного світла.
Якщо автомобіль має функцію затримки салонного світла, і програмно був вклю"
чений режим обліку затримки, то кінцевики дверей будуть взяті під охорону тільки
після того, як погасне світло в салоні. В цьому режимі не передбачається наявність
якогось інформаційного сигналу про незачинені двері при постановці під охорону.
Режим включається програмуванням.
Режим Valet.
У цьому режимі відключаються всі охоронні функції системи. Ви можете вклю"
чити його, наприклад, коли віддаєте автомобіль на сервіс, і тоді Вам нетреба зали"
шати там також і брелок Вашої сигналізації. Це " абсолютна гарантія від несанкц"
Українська
іонованого запису нових брелоків у пам’ять Вашої охоронної системи.
Для вмикання режиму необхідно при відключеній охороні натискати одночасно
протягом 3"х секунд кнопки 1 і 2 брелока, при цьому тричі мигнуть сигнальні ліхтарі,
світодіод системи буде миготіти в постійному режимі. Під час знаходження в Valet"
режимі зберігається можливість дистанційного керування центральним замком і
додатковими каналами. Натискання кнопки 1 i 2 брелока повертає систему в ре"
жим нормальної експлуатації, про що вона повідомляє трьома звуковими сигна"
лами.
51

Програмування брелоків.
До стандартного комплекту AMG 850c входять 2 брелока, проте сигналізація
має можливість запам’ятовувати до 4 брелоків, і якщо у Вас виникла необхідність
збільшити кількість брелоків для керування Ваші охоронні системи, Ви можете їх
запрограмувати за допомогою приведеної нижче процедури:
1. Включити запалювання.
2. Ввести першу цифру встановленого PIN"коду, для цього натиснути кнопку ава"
рійного відключення відповідне число разів.
3. Виключити і включити запалювання.
4. Ввести другу цифру встановленого PIN"коду, для цього натиснути кнопку ава"
рійного відключення відповідне число разів.
5. Виключити і включити запалювання. Якщо PIN"код був введений правильно,
то система подасть подвійний звуковий сигнал, що підтверджує вхід у режим
програмування брелоків.
6. Натиснути кнопку 1 на брелоку. Сирена подасть один звуковий сигнал, підтвер"
джуючи запис коду брелока.
7. Виключити запалювання і натиснути кнопку аварійного відключення або поче"
кати 15 секунд, система подасть подвійний звуковий сигнал, підтверджуючи
вихід із режиму програмування брелоків.
УВАГА! Якщо Ви програмно включили режим Anti Hijack, то для програ
мування нових брелоків Вам потрібно після вмикання запалювання (п. 1)
спочатку ввести PIN код для відключення Anti Hijack, а потім, після звуко
вого і світлового сигналу, що підтвердив відключення Anti Hijack,
не вик
лючаючи запалювання, перейти до виконання п. 2 програмування брелоків,
тобто ще раз ввести PIN код.
Програмування функцій.
Для того, щоб змінити значення PIN"коду, стерти з пам’яті системи непотрібні
Вам брелоки, змінити значення запрограмованих раніше функцій, Вам треба на"
самперед виконати програмування брелоків, описане вище. Для цього можна ви"
користовувати брелок, що уже є відомий системі. Потім треба виконати таку про"
цедуру:
1. Закінчити програмування брелоків і включити запалювання.
2. Набрати номер групи програмних перемикачів, для цього натиснути кнопку
аварійного відключення таку кількість разів, яка дорівнює цьому номеру (пер"
ша цифра). Кожне натискання кнопки буде підтверджуватися звуком сирени.
3. Виключити і включити запалювання.
4. Ввести кнопкою аварійного відключення номер перемикача усередині групи
(друга цифра) натиснувши її відповідне число разів. Кожне натискання кноп"
ки буде підтверджуватися звуком сирени.
5. Світодіод системи відображає поточний стан функції: так, якщо світодіод го"
рить, то це означає, що функція включена, а якщо не горить, то виключена.
6. Для вмикання функції натисніть кнопку 1, для вимикання " кнопку 2 брелока.
7. Для виходу з режиму програмування виключите запалювання або почекайте
декілька секунд подвійного звука сирени. Для того, щоб продовжити програ"
мування, включите запалювання, не чекаючи сигналу і почніть виконання про"
цедури з кроку 2.
52

Функція перемикача Заводська Світодіод Світодіод
установка горить не горить
1#1 Автопостановка ВИКЛ. ВКЛ. ВИКЛ.
1#2 Тривалість тривоги 30 сек. 30 сек. 60 сек.
1#3
Зачинення дверей при перепостановці під охорону
ВКЛ. ВКЛ. ВИКЛ.
1#4 Зачинення дверей при вмиканні запалювання ВКЛ ВКЛ. ВИКЛ.
1#5
Звукові сигнали підтвердження виконання команд
ВКЛ. ВКЛ. ВИКЛ.
1#6 Тривалість імпульсу центрального замка 0,6 із 0,6 із 3.5 с
2#1 Постановка під охорону з підніманням стекол ВЫКЛ. ВКЛ. ВИКЛ.
2#2 Тривалість імпульсу на виході підйому стекол 25 із 10 із 25 із
2#3 Затримка тривоги від дверей при автопостановці ВКЛ. ВКЛ. ВИКЛ.
2#4 Tривалість затримки тривоги від дверей 10 із 10 із 20 із
2#5 Урахування затримки салонного світла ВИКЛ. ВКЛ. ВИКЛ.
2#6 Anti Hi#Jack ВИКЛ. ВКЛ. ВИКЛ.
3#1 Зміна PIN#коду (11÷99) 1 Кнопка 1 Кнопка 1
При вводі кожної цифри подається звуковий сигнал:
збільшення зменшення
довгий # при вводі десятків, короткий # при вводі одиниць.
значення значення
коду коду
3#2 Стирання кодів усіх брелоків крім того, # Натиснути кнопки 1&2 разом
що зараз використовується
3#3 Повернення до заводських установок # Натиснути кнопки 1&2 разом
Дії при відмові системи
Несправність
Методи усунення
Система не реагує на команди дистанційного
1. Перевірте зарядженість акумулятора
керування і процедуру аварійного відключення.
автомобіля.
2. Перевірте запобіжник в колі подачі
живлення системи, при необхідності замініть
його.
Відсутні оптичні сигнали при нормальному
Перевірте запобіжник в колі подачі живлення
функціонуванні всіх інших режимів.
до сигнальних ліхтарів, при необхідності
замініть його.
Не працюють електричні замки дверей.
Перевірте запобіжник ланцюга подачі палива
до замків, при необхідності замініть його.
Українська
Відсутнім є миготіння світодіоду на пульті
Замініть елемент живлення пульта.
дистанційного керування, система не виконує
команди дистанційного керування.
У випадку інших відмов, звертайтесь до сервісного центру по місцю установки сигналізації.
53

Комплектація
Електронний модуль системи Mongoose AMG"850 C " 1
Головний джгут проводів iз роз’ємами " 1
Комплект для установки " 1
Світодіод " 1
Кнопка аварійного відключення " 1
Пульти дистанційного керування " 1
Датчик удару " 1
Загальні рекомендації
ЕЛЕКТРОННИЙ МОДУЛЬ.
Електронний модуль встановлюють у салоні автомобіля вдалечині від джерел
вологи і нагрівання. Модуль треба встановлювати таким чином, щоб його можна
було зняти тільки за допомогою спеціального інструмента або разом з однією з
декоративних панелей. Електронний модуль кріплять в обраному місці гвинтами,
які входять до комплекту.
СИРЕНА.
Сирену встановлюють у відсіку для двигуна на відстані не менш 30 см від зон
потенційного удару, вдалечині від джерел тепла і вологи. Сирену кріплять двома
гвинтами, які входять до комплекту.
КНОПКА АВАРІЙНОГО ВІДКЛЮЧЕННЯ.
Кнопку аварійного відключення кріплять на приладовій дошці таким чином, щоб
водій, знаходячись у своєму кріслі, міг до неї дістати. Для кріплення кнопки аварій"
ного відключення необхідно просвердлити наскрізний отвір діаметром 7мм і заф"
іксувати кнопку за допомогою гайки. Потім треба провести проводи до електрон"
ного модуля і приєднати до роз’ єму відповідності зі схемою установки.
СВІТОДІОД.
Просвердлити отвір діаметром 8мм у приладовій дошці панелі облицювання і
закріпити в ньому світодіод. Провести кабель до електронного модуля і приєднати
до роз’єму у відповідності зі схемою установки.
ДАТЧИК УДАРУ
Датчик удару треба встановити в салоні автомобіля на метал кузова, якнайб"
лижче до подовжньої осі автомобіля. Закріпити датчик гвинтами " саморізами чи
приклеїти двосторонньою стрічкою (скотчем).
54

Технічні характеристики
Напруга живлення 10...15...15 В
Споживаний струм у режимі охорони 20 мА
Частота радіоканалу 433,92 МГц
Діапазон робочих температур (40...+85(З
Максимально припустимий струм
" ланцюга блокування двигуна 300 мА
" ланцюга сигнальних ліхтарів 10 А
" ланцюгів керування центральним замком 15 А
" ланцюгів додаткових каналів 300 мА
Максимальний радіус дії брелока 30 м
Установка
Перш ніж почати приєднання, оберіть місце в автомобілі для того, щоб приєдна"
ти подані нижче прилади та приєднання:
джерела постійного струму;
джерела струму при включеному запалюванні;
місць приєднання ліхтарів (позитивний імпульс);
кінцевих вимикачів дверей;
кінцевого вимикача багажника;
кінцевого вимикача капота (при необхідності потрібна встановити додатковий
кінцевий вимикач);
провід стартера;
відключіть «(« клему акумулятора.
Головний 24контактний роз’єм
ЧОРНИЙ ПРОВІД
Приєднати на корпус автомобіля.
ЗЕЛЕНИЙ / КОРИЧНЕВИЙ ПРОВІД
Цей провід означає живлення електронного модуля. Приєднати до джерела постійного
струму 12В через 5А запобіжник.
ЧОРНИЙ/ БІЛИЙ і ЧОРНИЙ/ ЗЕЛЕНИЙ ПРОВОДИ
Релейні виходи на ліхтарі. Один провід приєднують до контуру ліхтарів лівого борта, інші
" до контуру ліхтарів правого борта.
ЗЕЛЕНИЙ ТА ЖОВТИЙ ПРОВОДИ
Ці проводи підключають до дверних кінцевих вимикачів. Схема підключення залежить від
того, які дверні кінцеві вимикачі використовуються " позитивні чи негативні.
Негативні дверні кінцеві вимикачі:
Треба приєднати ЖОВТИЙ провід до землі, ЗЕЛЕНИЙ " до дверного проводу між дверни"
Українська
ми кінцевими вимикачами і лампою салонного світла, на якому при відкриванні дверей з’яв"
ляється заземлення. Перевірте, щоб обраний провід був підключений до всіх дверей авто"
мобіля.
Позитивні дверні кінцеві вимикачі:
Треба приєднати ЗЕЛЕНИЙ провід до (+) клеми джерела живлення 12В, ЖОВТИЙ " до
дверного проводу між дверними кінцевими вимикачами і лампою салонного світла, на яко"
му при відкриванні дверей з’являється 12В. Перевірте, щоб обраний провід був підключе"
ний до всіх дверей автомобіля.
55

УВАГА: Категорично заборонено одночасне використання жовтого і зеленого проводів
у вигляді триггерних входів системи. Тобто забороняється одночасне підключення до «плю"
сового» і «мінусового» кінцевих вимикачів дверей.
ФІОЛЕТОВИЙ ПРОВІД
«+0.3А» вихід для підключення пейджера чи реле клаксона.
СИНІЙ/ЧОРНИЙ ПРОВІД
«"0.3А» вихід пристрою відкривання багажника. При натисканні кнопки 2 протягом 3х се"
кунд при виключеному запалюванні на ньому з’являється негативний імпульс тривалістю
0,5с.
КОРИЧНЕВИЙ ПРОВІД
Провести провід через гумову втулку переборок відсіку двигуна і приєднати до червоно"
го проводу сирени. Приєднати чорний провід сирени на корпус.
ЧЕРВОНИЙ ПРОВІД
Вхід живлення ліхтарів і вибору полярності керування ними. Як правило, приєднується
до +12В через запобіжник 15А.
ЖОВТОГАРЯЧИЙ (Підключений до реле),
КОРИЧНЕВИЙ/БІЛИЙ ПРОВОДИ
«"0.3А» виходи для підключення до реле блокування двигуна.
ЖОВТОГАРЯЧИЙ ПРОВІД
Приєднати до джерела живлення запалювання.
Увага: це джерело живлення не повинне відключатися при запуску двигуна.
СІРИЙ/БІЛИЙ ПРОВІД
Приєднати провід до будь"якого контуру, на якому з’являється земля при відкриванні ба"
гажника. Якщо такого контуру немає, то треба встановити додатковий кінцевий вимикач, на
якому при відкриванні багажника буде з’являтися земля.
СІРИЙ ПРОВІД
Приєднати провід до будь"якого контуру, на якому з’являється земля при відкриванні ка"
пота. Якщо такого контуру немає, то треба встановити додатковий кінцевий вимикач, на
якому при відкриванні капота буде з’являтися земля.
ЗЕЛЕНИЙ/ЧЕРВОНИЙ ПРОВІД
«"0,3А» вихід для керування функцією зачинення вікон/люка, системою «комфорт» та ліхта"
рями. При натисканні на кнопку 3 протягом 3х секунд при виключеному запалюванні і вклю"
ченій охороні на цьому виході з’являється сигнал тривалістю 10 чи 25с. (Див. перемикачі
програмних функцій 2.2).
Також можливе включення цього каналу автоматично при кожній постановці системи під
охорону (Див. перемикачі програмних функцій).
БІЛИЙ ПРОВІД
«"0,3А» вихід для керування додатковими пристроями. При одночасному натисканні кно"
пок 2 і 3, що розташовані на пульті, на цьому проводі з’являється сигнал, який не зникає аж
до моменту відпускання кнопок, але тривалість цього сигналу не перевищує 30 секунд.
СИНІЙ ПРОВІД
«"0,3А» вихід для організації двокрокового відмикання дверей. При дворазовому натис"
канні на кнопку 2 пульту на цьому проводі з’являється сигнал .
Проводи для пристроїв зачинення дверей.
Система Mongoose AMG"850 C поставляється разом із універсальною системою зачи"
нення дверей. Ця система має шість проводів. На додаткових діаграмах (поставляються в
комплекті) показані схеми з’єднань для негативного керування, позитивного керування,
установки нових приводів і пневматичного приводу.
СІРИЙ/ЧЕРВОНИЙ Реле зачинення " загальний контакт
ЧЕРВОНИЙ/ЖОВТИЙ Реле зачинення " розімкнутий контакт
СІРИЙ/ЖОВТИЙ Реле зачинення " замкнутий контакт
ГОЛУБОЙ/ЖОВТИЙ Реле відмикання " замкнутий контакт
ЧЕРВОНИЙ/ЧОРНИЙ Реле відмикання " розімкнутий контакт
ГОЛУБОЙ/ЧЕРВОНИЙ Реле відмикання " загальний контакт
56

СХЕМА ПІДКЛЮЧЕНЬ
Українська
57

ПІДКЛЮЧЕННЯ ДО ЦЕНТРАЛЬНОГО ЗАМКА.
Додатковий електропривод.
Позитивне керування ЦЗ.
Негативне керування ЦЗ.
Пневматичний ЦЗ
(Audi, Mercedes)
58





