Kenwood KRC-394: Připojování kabelů ke svorkám
Připojování kabelů ke svorkám: Kenwood KRC-394

KRC-394_Czech 02.11.26 9:47 AM Page 114
Připojování kabelů ke svorkám
Pro automobilyVolkswagen 1
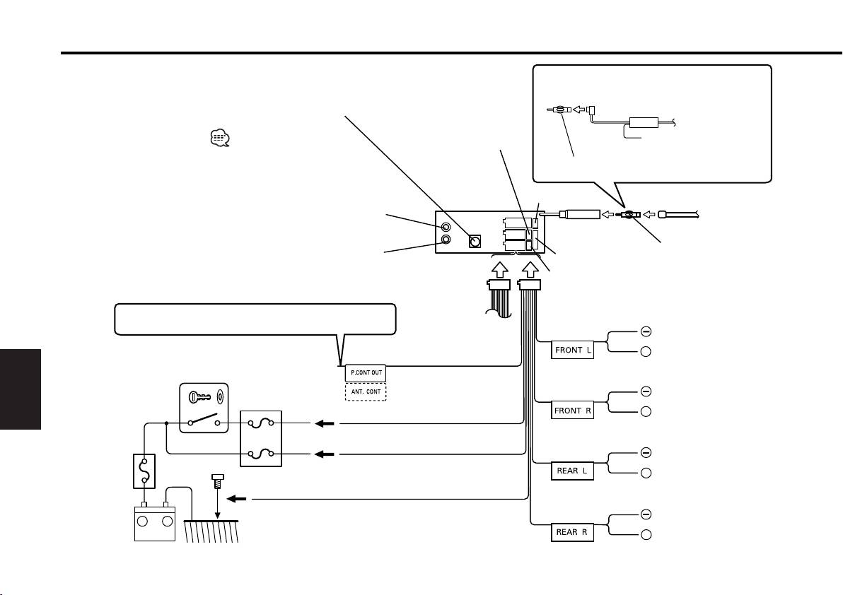
Speciální anténní vodič.
Řídicí výstup pro měnič disků
(lze běžně zakoupit) 3
KENWOOD 25
Před připojením měniče
Konektor řízení napájení
Do konektoru Řízení
disků si přečtěte jeho
návod k použití. 26
(P.116) 22
výkonu 4
Převodní anténní adapter
(ISO-JASO) (Příslušenství 3) 2
Pojistka (10A) 23
Zadní levý výstup
(Bílá) 8
Anténní kabel (ISO) 11
Anténní vstup
FM/AM
10
Převodní anténní adapter (ISO-
Zadní pravý výstup
JASO) (Příslušenství 3) 12
(Rudá) 9
Zástrčky (P.115) 24
Konektor řízení napájení.
28
Kabelový svazek
(Příslušenství 1) 13
Jestliže nejsou připojeny, nenechte kabely vyčnívat
zpod příchytky. 3
29 Bílá/černá
Kabeláž vozu.
10
Do levého předního
Kabel řízenéhonapájení
reproduktoru 30
4 Při použití přídavného výkonového
+
/motorickéantény (Modrá/Bílá) 14
zesilovače připojte ke svorce řízeného
Bílá
napájení nebo ke svorce napájení antény.
31
32
Fialová/černá
Zapalování
Do pravého předního
Česky
5
reproduktoru 33
+
ACC 15
Šedá
34
Kabel k zapalování (Rudá) 17
35
Zelená/černá
Pojistková
Do levého zadního
Kabel k baterii (Žlutá) 18
schránka
reproduktoru 36
+
Pojistková schránka 16
(hlavní
Zelená
pojistky)
37
6
38
Zemnící vodič (černý) - (Do kostry vozu)
Fialová/černá
+
–
19
Do pravého zadního
reproduktoru 39
+
Fialová
Baterie 7
40
— 114 —

KRC-394_Czech 02.11.26 9:47 AM Page 115
■ Přehled funkcí konektoru
■ Nastavení zástrčky
2
VÝSTRAHA
Připojení konektoru ISO
Uspořádání špiček konektoru ISO záleží na typu vozidla. Ujistěte se,
10
že je propojení správné, aby nedošlo k poškození přístroje.
1 Špička A-7 na ISO konektoru vozidla je propojena se
1
3
5
7
zapalováním a špička A-4 je připojena k trvalému napájení.
Konektor B
2
4
6
8
(Základní zapojení)
1
3
5
7
Konektor A
2
4
6
8
10
Číslo špičky Nastavení Funkce
konektoru ISO zástrčky*
<Konektor externího napájení>
A–4 1 Baterie
2 Zapalování (ACC)
A–5 Řízené napájení
2 Špička A-7 na ISO konektoru vozidla je připojena k trvalému
napájení a špička A-4 je propojena se zapalováním.
A–7 1 Zapalování (ACC)
2 Baterie
A–8 Zemní (uzemňovací) vodič
<Reproduktorový konektor>
10
B–1 Zadní pravý (+)
B–2 Zadní pravý (–)
B–3 Přední pravý (+)
B–4 Přední pravý (–)
B–5 Přední levý (+)
B–6 Přední levý (–)
B–7 Zadní levý (+)
• Je-li jak kolík A-7 tak A-4 připojen ke konstantnímu napájení, použijte
B–8 Zadní levý (–)
nastavení zásuvky 2.
• Je-li kolík A-7 připojen ke konstantnímu napájení a kolík A-4 není
*Nastavení zástrčky: Viz vpravo
připojen vůbec, propojte jednotku pomocí kabelového svazku
(příslušenství 1).
— 115 —
Table of contents
- CASSETTE RECEIVER
- Contents
- Safety precautions
- Safety precautions About RDS
- General features
- Tuner features General features
- RDS features
- RDS features
- Tuner features
- Tuner features
- External disc control features
- External disc control features
- Menu system
- Menu system
- Menu system
- Accessories
- Connecting Wires to Terminals
- Connecting Wires to Terminals
- Connecting Wires to Terminals Installation
- Troubleshooting Guide
- Troubleshooting Guide
- Specifications
- Cодержание
- Меры предосторожности
- Меры предосторожности O RDS
- Общие характеристики
- Cвойства тюнера Общие характеристики
- Cвойства RDS
- Cвойства RDS
- Cвойства тюнера
- Cвойства тюнера
- Функции управления внешним диском
- Функции управления внешним диском
- Система меню
- Система меню
- Система меню
- Принадлежности
- Подсоединение кабелей к гнездам для подключения
- Подсоединение кабелей к гнездам для подключения Установка
- Поиск и устранение неисправностей
- Поиск и устранение неисправностей
- Технические характеристики
- Treść
- Środki ostrożności
- Środki ostrożności Informacje o RDS
- Ogólne możliwości
- Możliwości tunera Ogólne możliwości
- Możliwości RDS
- Możliwości RDS
- Możliwości tunera
- Możliwości tunera
- Możliwości sterowania zewnętrznymi płytami
- Możliwości sterowania zewnętrznymi płytami
- Menu systemu
- Menu systemu
- Menu systemu
- Akcesoria
- Podłączanie przewodów do końcówek
- Podłączanie przewodów do końcówek Instalacja
- Przewodnik wykrywania i usuwania usterek
- Przewodnik wykrywania i usuwania usterek
- Dane techniczne
- Obsah
- Bezpečnostní pokyny
- Bezpečnostní pokyny O RDS
- Obecné funkce
- Funkce tuneru Obecné funkce
- Funkce RDS
- Funkce RDS
- Funkce tuneru
- Funkce tuneru
- Funkce ovládání externího disku
- Funkce ovládání externího disku
- Systém menu
- Systém menu
- Systém menu
- Příslušenství
- Připojování kabelů ke svorkám
- Připojování kabelů ke svorkám Instalace
- Przewodnik wykrywania i usuwania usterek
- Przewodnik wykrywania i usuwania usterek
- Specifikace






