MB QUART PAB 1200.1 D: Français
Français: MB QUART PAB 1200.1 D
41
Fr an ça is
MBQR-1
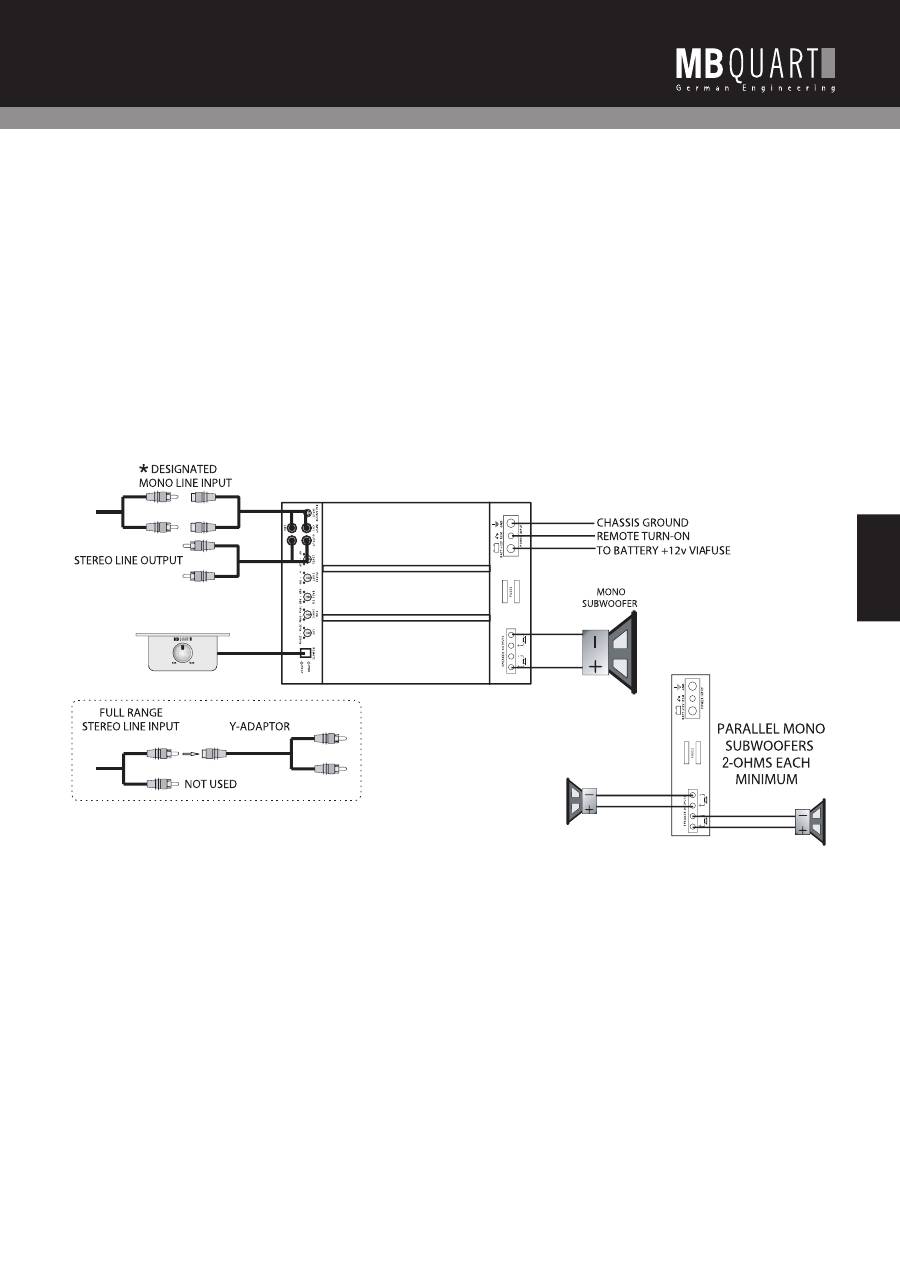
Application de base
Check-list pour les connexions par câble:
- Branchez les entrées (LINE IN) sur les sorties Cinch d‘un poste de radio/lec-
teur de CD au moyen de câbles Cinch hauts de gamme voire sur les sorties
d‘un amplifi cateur primaire large bande. Un adaptateur Y est éventuellement
nécessaire pour cela ainsi que le montre le diagramme.
- Utilisez un câble de haut-parleur avec une section d‘au moins 1,5 mm². Cet
amplifi cateur est équipé de terminaux de haut-parleur binaires qui facilitent
le raccordement de combinaisons de haut-parleurs.
Check-list pour le réglage des régulateurs de la fréquence
de recouvrement:
- LOW PASS: 35 Hz à 250 Hz
- SUBSONIC: 10 Hz à 50 Hz
- BASS EQ: 0 à 9 dB
- PHASE: 0 à 180 degrés
Check-list pour les régulateurs LEVEL:
Consulter le chapitre „Réglage de l‘installation pour obtenir les meilleures
performances possibles“.
Minimum pour les impédances globales du haut-parleur:
1 ohm
* Remarque: Vous pouvez utiliser la sortie indiquée raccord mono sur le poste de radio/ lecteur de CD ou une sortie stéréo large bande.
Ainsi que le montre l‘illustration, il vous faut également un adaptateur Y pour les sorties stéréo large bande.
APPLICATIONS DE L‘AMPLIFICATEUR Amplifi cateur mono PAB 1200.1 D
Table of contents
- IndexENGLISH
- English System design GENERAL INSTALLATION NOTES Installation
- AMPLIFIER FEATURE DESCRIPTION
- Premium Mono Amplifier AMPLIFIER FEATURE DESCRIPTION English
- AMPLIFIER APPLICATIONSPAB 2100 2-Channel Amplifi er
- English
- 4 channel full range system
- English
- Front/rear high pass, using a 2 channel amplifi er for mono sub bass
- English
- 3 way active, with mono bass
- English
- Troubleshooting a systemAFTER INSTALLATION Setting up systems after installation for best performance
- AFTER INSTALLATION
- DEUTSCH Inhaltsverzeichnis
- Deutsch SystemauslegungALLGEMEINE INSTALLATIONSANWEISUNGEN Installation
- Premium Mehrkanal-Verstärker
- Deutsch Premium Mono-Verstärker
- VERSTÄRKERANWENDUNGENPAB 2100 2-Kanal-Verstärker
- Deutsch
- VERSTÄRKERANWENDUNGENPAB 4100 4-Kanal-Verstärker
- Deutsch
- VERSTÄRKERANWENDUNGENPAB 4100 4-Kanal-Verstärker
- Deutsch
- VERSTÄRKERANWENDUNGENPAB 5400 5-Kanal-Verstärker
- Deutsch
- Einstellen der Anlage nach Installation zum Erzielen der besten LeistungNACH DER INSTALLATION
- Deutsch NACH DER INSTALLATION
- FRANÇAIS Sommaire
- Français Conception du système CONSIGNES D‘INSTALLATION GÉNÉRALES Installation
- Amplificateur multicanal Premium
- Français Amplificateur mono Premium
- APPLICATIONS DE L‘AMPLIFICATEURAmplifi cateur 2 canaux PAB 2100
- Français
- APPLICATIONS DE L‘AMPLIFICATEURAmplifi cateur 4 canaux PAB 4100
- Français
- APPLICATIONS DE L‘AMPLIFICATEURAmplifi cateur 4 canaux PAB 4100
- Français
- APPLICATIONS DE L‘AMPLIFICATEURAmplifi cateur 5 canaux PAB 5400
- Français
- Réglage de l‘installation pour obtenir les meilleures performances possibles APRÈS L‘INSTALLATION
- Français
- ESPAÑOL Índice
- Español Diseño del sistemaINSTRUCCIONES GENERALES PARA LA INSTALACIÓN Instalación
- Amplificador multicanal Premium
- Español Amplificador mono Premium
- APLICACIONES DEL AMPLIFICADORAmplifi cador de 2 canales PAB 2100
- Español
- APLICACIONES DEL AMPLIFICADORAmplifi cador de 4 canales PAB 4100
- Español
- APLICACIONES DEL AMPLIFICADORAmplifi cador de 4 canales PAB 4100
- Español
- APLICACIONES DEL AMPLIFICADORAmplifi cador de 5 canales PAB 5400
- Español
- Ajuste del equipo después de la instalación para obtener el mejor rendimiento DESPUÉS DE LA INSTALACIÓN
- Español
- ITALIANO Indice
- Italiano System designISTRUZIONI GENERALI PER L’INSTALLAZIONE Installazione
- Amplificatore a più canali Premium
- Italiano Amplificatore Mono Premium
- MODALITÀ D’USO DELL’AMPLIFICATOREAmplifi catore PAB 2100 a due canali
- Italiano
- MODALITÀ D’USO DELL’AMPLIFICATOREAmplifi catore a quattro canali PAB 4100
- Italiano
- MODALITÀ D’USO DELL’AMPLIFICATOREAmplifi catore a quattro canali PAB 4100
- Italiano
- MODALITÀ D’USO DELL’AMPLIFICATOREAmplifi catore a 5 canali PAB 5400
- Italiano
- Impostazione del sistema dopo l’installazione per ottenerne il massimo rendimento.DOPO L’INSTALLAZIONE
- Italiano
- PУССКИЙ Содержание
- Pусский Конструктивные параметры системы/Дизайн системыОБЩИЕ УКАЗАНИЯ ПО МОНТАЖУ Монтаж
- Многоканальный усилитель Premium
- Pусский Моно-усилитель Premium
- ПРИМЕНЕНИЯ УСИЛИТЕЛЕЙ2-КАНАЛЬНЫЙ УСИЛИТЕЛЬ PAB 2100
- Pусский
- ПРИМЕНЕНИЯ УСИЛИТЕЛЕЙ4-КАНАЛЬНЫЙ УСИЛИТЕЛЬ PAB 4100
- Pусский
- ПРИМЕНЕНИЯ УСИЛИТЕЛЕЙ4-КАНАЛЬНЫЙ УСИЛИТЕЛЬ PAB 4100
- Pусский
- ПРИМЕНЕНИЯ УСИЛИТЕЛЕЙ5-КАНАЛЬНЫЙ УСИЛИТЕЛЬ PAB 5400
- Pусский
- Настройка системы после монтажа для получения наилучшего эффекта звучания
- Pусский
- TECHNICAL DATA
- TECHNISCHE DATEN
- PAB 2100 / PAB 4100 / PAB 5400 / PAB 1200.1 D

